Часовой пояс: UTC + 3 часа




Куратор(ы):   Mitos2002    m026   



Начать новую тему Новая тема / Ответить на тему Ответить  Сообщений: 32895 • Страница 996 из 1645<  1 ... 993  994  995  996  997  998  999 ... 1645  >
  Пред. тема | След. тема 
В случае проблем с отображением форума, отключите блокировщик рекламы
Автор Сообщение
 
Прилепленное (важное) сообщение

Member
Статус: Не в сети
Регистрация: 30.05.2006
Откуда: Київ
Фото: 93
Общаемся на тему материнских плат из поднебесной, на чипсетах X79/C60X/C204/... сокет LGA2011
Таких вот брендов, как Huanan X79 2.XX и других именитых вендоров --- X79Z 2.Xx | YW-X79-E | G218a | x79-m | ms-7777 | 3.2x | 3.3A |3.5a-c.
Данная тема является логическим продолжением и ответвилась от: Тема-статистика: Xeon + обычные матплаты.
Обсуждаются исключительно технические детали, нюансы эксплуатации, совместимые процессоры и память.

F.A.Q., обзоры, разгон, охлаждение и полезные ссылки!


Подбор БП: Хватит ли мощности блока питания для этой системы?
Майнинг обсуждается здесь: Обсуждение конфигураций пк для майнинга

Цены и продавцов плат обсуждаем в теме Покупка китай-материнки LGA2011

Внимание: на Али массово продается перемаркированная на 1866Мгц память!
Много случаев когда на 1866Мгц вообще не заводится, в случае успеха покупатель обнаруживает завышеные тайминги!
Детали: тыц1, тыц2, тыц3, тыц4


Друзья! :beer:
Заполняйте профиля перед написанием постов


Правила темы. Обязательно к ознакомлению!!!
1. Для начала ознакомьтесь с Правилами Конференции.
2. Категорически запрещается использовать красный цвет в сообщениях - оставьте его для Модераторов и Куратора! Рекомендуется также не злоупотреблять остальными цветами.
3. Все односложные сообщения (типа: "Аналогично", "+1...", "У меня также") будут стираться без предупреждений.
4. Обсуждение действий Куратора в теме не допускаются! Для этого есть ЛС (Личные сообщения). Прежде чем написать - советую всё обдумать. "Дыма без огня не бывает!"
5. Предложения и вопросы по "шапке" и FAQ темы принимаются в ЛС (Личные сообщения). В самой теме этого делать не нужно.
6. Прежде чем задать свой вопрос или написать о чём-то - поинтересуйтесь: нет ли хотя бы на последних страницах темы или в FAQ похожих вопросов и решений.
7. Описывая свою проблему укажите точно модель Вашей материнской платы, процессора, оперативной памяти и прочие характеристики системы (вообще очень полезно иметь заполненый профиль). Так же максимально детально опишите проблему. Не расчитывайте на экстрасенсов, они редко заглядывают на этот форум.
8. Картинки/видео прятать под спойлер (с именем):
Код:
[spoiler=картинка][attachment=0]57288.jpg[/attachment][/spoiler]
Спасибо за понимание! :writer:

!!!!!!!!!!!!Счастливым обладателям НОВЫХ китай-досок, а так же новичкам в ТЕМЕ!!!!!!!!!!!!!!
Вы приобрели китай-доску? Собрали систему? Проверили ее работоспособность?

Сделали дамп
заводского БИОСа в FPT?


FPT -D BACKUP.BIN


ЗАПОЛНИТЕ ПРОФИЛЬ и ПОДПИСЬ

Заказывайте программатор. Он спасет много нервов и ОЧЕНЬ МНОГО денег Вам

Следующий Ваш шаг - ПРОШИТЬ КИТАЙ


FPT -REWRITE -F BACKUP.BIN

FPT -GRESET

Только с модифицированными БИОСами расскрывается ВЕСЬ потенциал вашего приобретения из "Поднебесной"



Дополнительный материал - улучшения, СОФТ и т.п.
***FAQ по прошивке БИОСа х79***
***Борьба с ошибками FPT (Биос Lock)***
***ESP32 FanControl - реобас с функцией управления LED-лентой своими руками (одним файлом)@STR***
***Немного сводной информации по выбору s.2011 s.2011-3 DUAL s.2011 и AM4***
***Один из способов перевода MBR в GPT***
***MD5 Checker для сравнения файлов***
***Ссылочка на "Четкую" CMA(Честные 1866)-память SEC с ALi***
***Решение проблемы - программатор (ch341a) не видит биос с прищепкой***
***Программа Latency Monitor***
***Решение проблемы с отвалом слотов ОЗУ на Jingsha X79 и KLLiSRE X79P - менять все на 2n7002k***
***Решение проблемы совместимости Блоков Питания и китай-досок ***
***POST-коды@AMI Aptio***
***Отличия Huanan Deluxe и Plus, нюансы работы Deluxe 6.11@MierivaL***
***ВольтМод Памяти PLEXHD 1.0X, Kllissre-? и других клонов@YNUS***
***Модифицируем БИОС Китай-досок своими руками***
***Обучающий ролик по МОДИНГУ БИОСА***
***Разблокируем тайминги (для X79T v1.0х)***
***ВольтМоды с сайта http://x79.apphb.com***
***Первый способ ВольтМода досок с контороллером UP1618A***
***Второй способ ВольтМода досок с контороллером UP1618A***
***Третий способ ВольтМода досок с контороллером UP1618A на примере HUANANZHI X79-ZD3***
***ВольтМод досок с контроллером ILS6366 или ILS6367 (Инструкция от iRET и сайта https://xeon-e5450.ru)***
***Распиновка DDR3***
***Охлаждение мосфетов с чертежем@VK
***Охлаждение мосфетов@mitos2002***
***Охлаждение мосфетов@Devijack***
***Охлаждение ВСЕГО@ПРИКОЛ***
***Радиатор мосфетов на термоклей. @ricky_spanish***
***BigTyphoon на 2011 @andydaw***
***Охлаждение SSD NVMe на мат.плате вентилятором от ноутбука @The_EvGeniy***
***Замечания про PLEXHD 4.0***
***Замечания по Таймингам@ViktorDM***
***Таблица по расчету Таймингов DDR3 и DDR4 @OverClockers.ru***
***Таблица Таймингов***
***Таблица размеров элементов (SMD, кондеры, резисторы и другое)***
***SEC DDR3 DATASHEET***
***Получение GEN3 на Видео и NVMe@You-piter***
***Лайфхак! Разгон на Мат.платах х79 LGA 2011. Лечим просадку памяти на мат платах без таймингов@MichaelSv и видео на эту тему***
***Всем владельцам E5 2689 замечания по тротлингу@YNUS Здесь здесь и здесь
***Статья для Тех кто хочет чтобы Доска регулировала обороты CPU Cooler в зависимости от нагрузки "Взято отсюда userello.ru"***
***(ЮМОР) ФОТОННЫЙ 2689@Andrey1986***
***Драйвера HUANANZHI X79 PLUS***
***Optical S/PDIF на HUANANZHI от andydaw или с АЛИ***
***Обновление BIOS ME@SlideX***
***Версия/Ревизия x79t@deniskaaaa1***
***Настройка SmartFun некоторых плат@Densky***
***X79-Turbo V5.1 и GT520 и GT710@kom09***
***Удачная разблокировка регистра msr 0xe2 на китайских мамках@mazeONE Оригинал***
***Подключение звука на переднюю панель мат.платы X79G v.1.21@Swat 2020***
***Микроинструкция по загрузке FPT с флешки RuFus***

Сопутствующие товары по PC направлению - дополняем через л.с. Mitos2002
Тестеры RAM: Вольтаж, DDR3 ECC REG и DDR4 ECC REG. Питерская разработка

Микрухи BIOS для кроватки. Очень долгое получение.

Переходник для стандартной квадратной микрухи BIOS. 200ml-квадратная, 150ml-прямоугольная

Кроватки Flash

Стандартные 8Мб Flash

Контроллеры питания RAM на PlexHD: up1542S

Контроллеры питания на другие мат.платы: up1514s

Программатор Flash

Программатор RAM

Термопрокладки

Гаситель Аудио наводок: PCI/PCI-E

2011 Монтажный кронштейн: комплект для Intel 115X/1366/2011

Пинцеты по совету канала"Майнеры в носках"

Переменные резисторы-потенциометры

SMD-резисторы

Внешняя СмартФан-плата: до 3Ампер в сумме по куллерам 4pin

Реостат 2 положения на 8шт 3pin

Реостат PWM-регулируемый на 9шт 4pin

Планка-реостат регулируемый на заднюю стенку 4х2шт 4pin

Разветвитель 1-4pin, 2-3pin

Радиаторы алюминь квадрат

Термоклей теплопроводящий 1

Термоклей теплопроводящий 2

Райзер: заказывал лично

Планка на заднюю стенку с SPDIF и Coaxial RCA (Тюльпан)

БИОСЫ ДЛЯ 2011
    # E5 3.2S1 STOСK MOD MOD @MierivaL Изменения в MOD by MierivaL MOD(FPT:Рабочий SpeedFan)@akram0898


    # X79 2.4F STOСK MOD

    # X79Z 2.4F C STOСK MOD через AfuDOS

    # NONAME E5 STOСK MOD

    # PLEXHD 1.0x
    STOСK
    MOD
    MOD@MierivaL с процессорами 13-14 годов@Leo588
    MOD LOGO Overclockers.ru@30.05.19
    MACOS_MOD Timings, Overclocking etc
    MOD@MierivaL с PlexHD Logo
    MOD@MierivaL без PlexHD Logo

    # PLEXHD 4.0,5.1 STOСK MOD

    # KLLISRE X79P STOСK (Двойной старт Сон НЕ РАБОТАЕТ) MOD с таймингами и Лого

    # KLLISRE X79 M3 STOСK MOD

    # KLLISRE X79 M2 RED C202 2канала без SATA 3.0 STOСK MOD

    # JINGSHA X79-P3
    STOСK КРАЙНИЙ в архиве все что надо через FPT

    MOD (множитель+FSB+2133+СОН+SpeedFan) без USB3.0 в BIOS @XUZ!!!









    # JINGSHA X79 ВНИМАНИЕ - ТЕПЕРЬ ВОЗМОЖНЫ И ТРИ КАНАЛА RED GREEN STOСK RED STOСK GREEN MOD Сборник МОДОВ под FPT

    # !!! JINGSHA X79M-S RED 2-х канальная !!! STOСK@saimonyz MOD

    # JINGSHA X79 2.79T 6.0 STOСK MOD

    # HUANANZHI X79 ZD3 ВНИМАНИЕ - ТЕПЕРЬ ВОЗМОЖНЫ И ТРИ КАНАЛА
    STOСK Разгон 1650 до 4,2
    MOD без Таймингов
    MOD ZD3 через ПРОГРАММАТОР
    STOСK ДЛЯ ZD3 Rev.2
    MOD ДЛЯ ZD3 Rev.2 БЕЗ ТАЙМИНГОВ
    !!!ВОЗМОЖНЫЙ!!! MOD ДЛЯ ZD3 Rev.2 с плюшками. !!!ШИТЬ ПРОГРАММАТОРОМ!!!



    # HUANANZHI X79 PLUS Orange BLACK PCI-E
    STOСK
    MOD
    MOD2 (Разлочены разгон памяти, тайминги, обновлены ME, микрокоды CPU, зашито лого от ASUS ROG.)

    # HUANANZHI X79 GAMING DELUXE NEW 6.11 STOСK MOD+список изменений @Sam314 Хороший мод по заказу @Alecs

    # HUANANZHI X79 2.49 PB
    STOСK+new CPU

    MOD от X4-M !!!ТОЛЬКО ПРОГРАММАТОР!!!

    Эксперементальный MOD от PlexHD - SmartFan НЕ РАБОТАЕТ@Andrey1986

    # ATERMITER X79G C600 2канала SATA 3.0 - 1шт. STOСK MOD

    # ATERMITER X79G v.2.0 2канала SATA 3.0 - 1шт. MOD - Timings, Overclocking CPU, SmartFan


    # HUANANJI X4-M STOСK MOD через AFUDOS!!!

    # HUASHOU i7T x79 STOСK MOD

    # GUOSHUO G7-2011 X79 или 2011 X79v288 STOСK - неинтересен (!!!не работает ECC REG память!!!) MOD (работает с ECC) через программатор

    # KLLISRE E5 M2L-8D DUAL STOСK MOD

    # SHUANGWEI ST-X79-SL2011 DUAL STOСK MOD

    # JINGSHA x79 S8 Е-АТХ DUAL STOСK MOD

    # X79 2.81B STOСK MOD

    # X79G 1.2 \ 1.21 STOСK MOD

    # ALZENIT X79M-CD3 E5 V_6.52 STOСK Программатор MOD Ищется :beer: Пост 1 Пост 2



ПРОСЬБА ФОРУМЧАНАМ !!!!!!!!!!Читать ОБЯЗАТЕЛЬНО!!!!!!!!!!!!!!
В связи с тем что оформляю шапку ХОТЕЛ БЫ пролучить от ВСЕХ ВАС по папочке такого вида


43986


Дело 5 минут, но очень поможет всем.
Что б было красиво удобно, БЕЗ ПУТАНИЦЫ свойственной китайским доскоДельцам и главное ПО ДЕЛУ.
Также можно добавлять различное описание по желанию:

    # Модель HUBа распаянного на мат плате - указано в БИОС
    # Дата БИОСА
    # Особенности доски
    # Изменение цвета
    # Работающие каналы памяти
    # Все такое прочее

Настройки SmartFan для разных X79
    X79 3.2S1 48034
    X79 PlexHD 1.03 43739
    Stock SmartFan Huananzhi x79 2.49pb 48400
    Jingsha X79 - P3 @ XUZ 3.8 48513

Вентиляторы под SmartFan
1.Вентилятор для корпуса 120x120 мм Arctic P12 PWM 200 - 1800 об / мин
2.Вентилятор для корпуса 120x120 мм Arctic F12 PWM 600 - 1350 об / мин
3.Вентилятор для корпуса 80x80 мм Arctic P80 PWM 200 - 3000 об / мин
4.Вентилятор для корпуса 80x80 мм Arctic F80 PWM 850 - 2000 об / мин
5.Вентилятор для корпуса 120x120 мм PCCooler CORONA RGB 1000 - 1800 об / мин
6.Вентилятор для корпуса 120x120 мм DeepCool Gamer Storm GS PWM 900 - 1800 об / мин
7.Вентилятор для корпуса 120x120 мм Corsair ML120 PRO 400 - 1600 об / мин
8.Вентилятор для корпуса 120x120x15 мм SXDOOL 53.6CFM
9.Вентилятор AVC (DS08025R12UP024), 80*80*25mm,12V 0.7A, 38дБ, до 3800RPM, 4 pin PWM.

через личку mitos2002 принимаются еще варианты...


ПРОДАВЦЫ

Барахолочка
    Продается HUANAN ZHI Deluxe X79 + E5 2650 v2 по всем вопросам в ЛИЧКУ к AlexLuk

Зарекомендовавшие себя продавцы
***JSF CPU Technologies Co Ltd store***
***ShenZhen ZongTeng Computer Co., Ltd***
***CPU TOP Store***
***Digital Trend Store***
***SF Store***

Продавцы с оглядкой
***Shenzhen Factory Outlet Store***
***Hengtong3 Global Store***
***PENCIL-BOOK Store - доставка сверхдолгая***

Ненадежные продавцы
***ShenZhen CPU store - шлют прошитые AMD RX***
***L-M Computer Accessories Store***
***Yao Yue Store***
***Shop5487241 Store***
***Global Internet wholesele Store***
***F-r-e-e Breath Store***

Друзья если у Вас есть материалы для пополнения ШАПКИ (фотографии, информация и т.д.)
Пишите в личку
mitos2002 С рисунками и всем таким


НИКОГДА НЕ ЗАКАЗЫВАЙТЕ НА ALI у следующих продавцов
L-M Computer Accessories Store
F-r-e-e Breath Store


* * * * * * * * * * НОВОСТИ * * * * * * * * * * *




В шапке открыт раздел рабочих настроек для функционирования SpeedFan под разные мат.платы.
Не жадничаем, добавляем свои наблюдения@mitos2002

В шапке открыт раздел Барахолочка@mitos2002




Последний раз редактировалось Mitos2002 13.08.2021 22:31, всего редактировалось 348 раз(а).
Редактирование



Партнер
 

Заблокирован
Заблокирован
Статус: Не в сети
Регистрация: 04.10.2019
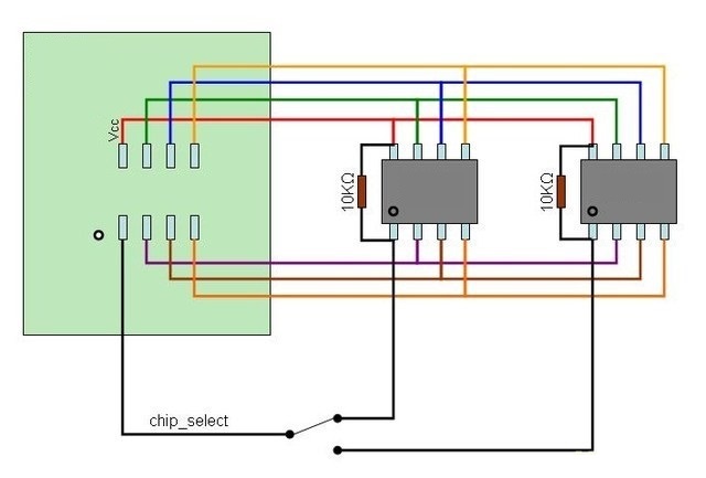
Можно подключить флешки паралельно по такой схеме
Вложение:
FLESHPAR.jpg
FLESHPAR.jpg [ 41.86 КБ | Просмотров: 1124 ]


Последний раз редактировалось aleksandrov197 01.12.2019 16:29, всего редактировалось 1 раз.

 

member+
Статус: Не в сети
Регистрация: 16.01.2004
Откуда: Estonia,Tallinn
dedane писал(а):
если это падение скорости , ТОГДА Я ВЕРБЛЮД

Линейная скорость ничто по сравнению с рандомным доступом. Именно он рулит. Толку читать 100500ТБ в секунду, если та же винда грузит сотни файлов по 10-20кб ? А в играх всё равно всё запаковано при 100мб/с диске игра будет столько же времени запускаться...

_________________
X99-TF/E5-2678v3+Evo212/2x16Gb-DDR4-Gloway-TYPE-a@2133-12-13-13-26/GTX1070TI/KINGSTON-SNV2S1000G


 

Junior
Статус: Не в сети
Регистрация: 01.12.2019
Densky
а может это быть из-за старого fpt?

Добавлено спустя 2 минуты 26 секунд:
afubios не шьёт fpt тоже и там и там ошибки


 

Member
Статус: Не в сети
Регистрация: 13.09.2014
Откуда: Москва
Фото: 1
vlad264
Попробуй так fpt -rewrite -f m2m3mod.bin
Я не знаю, как программно отключить защиту, может тут есть знатоки и подскажут.

_________________
Keep calm and clear CMOS
Huananzhi QD4
Xeon E5-2667v4
Gelid GX-7
2*8Gb DDR4 ECC REG Sumsung 2400.
GTX 1650S
Be quiet SP9


 

Junior
Статус: Не в сети
Регистрация: 01.12.2019
Densky
попытался та же ошибка
в afubios ошибка 3

Добавлено спустя 2 минуты 26 секунд:
Densky
в биосе нужно что то настраивать?


 

Member
Статус: Не в сети
Регистрация: 13.09.2014
Откуда: Москва
Фото: 1
vlad264
Это если в биосе есть что-то вроде bios read/write protection. На наших биосах такого, емнип, нету.

_________________
Keep calm and clear CMOS
Huananzhi QD4
Xeon E5-2667v4
Gelid GX-7
2*8Gb DDR4 ECC REG Sumsung 2400.
GTX 1650S
Be quiet SP9


 

Junior
Статус: Не в сети
Регистрация: 01.12.2019
Densky
Проверил чипсет С216


 

Куратор темы
Статус: Не в сети
Регистрация: 28.11.2006
Фото: 565
Densky писал(а):
vlad264
Попробуй так fpt -rewrite -f m2m3mod.bin
Я не знаю, как программно отключить защиту, может тут есть знатоки и подскажут.

по идее только через исправление и зашитие обратно программатором.
vlad264 писал(а):
в биосе нужно что то настраивать?

ничего не надо настраивать.
в дос войти и через fpt прошить. но если какие ошибки посмотри видео из шапки, там человек кое о каких ошибках расказывает. однако в твоем случае 90 процентов что ты прошьешь только через программатор с выпаиванием.
именно по этому в щапке и написано обращение про заказ программатора параллельно заказу мат платы. тогда 50 процентов вопросов отпадает

Добавлено спустя 1 минуту 3 секунды:
vlad264 писал(а):
Проверил чипсет С216

это вторичная информация. перешивка биоса от этого не зависит

_________________
Z690-A Pro • i5-14600KF@5.5 • FD Celcius S24 • bDie 32gb@var • GA 4080S • M2+SSD+HDD • Li SUP01 • eVGA 750SNP2


 

Member
Статус: Не в сети
Регистрация: 15.08.2018
Откуда: Рф. Москва.
ребята всё накипело , продаю всё/свои матплаты на 2011

есть 1шт Jingsha X79 Dual
Вложение:
Screenshot (2).png
Screenshot (2).png [ 270.8 КБ | Просмотров: 976 ]


есть 1шт X9DR3-LN4F 2011LGA
Вложение:
Screenshot (8).png
Screenshot (8).png [ 1.24 МБ | Просмотров: 976 ]

два процессора 2689, два куллера id-colling 140w ( на гарантии онлайн трейд)
так-же есть память 4х16гб1600 4х4гб1866
ssd sats3 60гб 3шт

кто возмёт комплект подарю ssd на 60 гб и лицензию windows 10/кабель на две 8pin
кому интересно писать в личку
Ps
цена за комплект явно будет выше 16к -мать- два проца- два кулера - комплект памяти (все коробки )
отправлю почтой за свой счёт по России или приезжайте к дому !


Добавлено спустя 17 минут 15 секунд:
Vladson писал(а):
Линейная скорость ничто по сравнению с рандомным доступом. Именно он рулит. Толку читать 100500ТБ в секунду, если та же винда грузит сотни файлов по 10-20кб ? А в играх всё равно всё запаковано при 100мб/с диске игра будет столько же времени запускаться...

Вложение:
Screenshot_3.png
Screenshot_3.png [ 9.29 КБ | Просмотров: 972 ]

а что это не показатель разве ?


 

Junior
Статус: Не в сети
Регистрация: 20.03.2018
Фото: 0
x79 писал(а):

Тоже смотрю в сторону pencil book - но не вижу у него цены в 4050 дай плз ссылку?

По l&m - отпишись как вернут деньги, мне он пока деньги не вернул(( купоны тебе естественно никто не обналичит, сумму купона вернут, но Али ))


https://ru.aliexpress.com/item/33030084 ... 33edUr3J8c
Сейчас там какая то другая картинка, но описание осталось от МП.

В группе ChinaGoodBuy в телеграмме, выкладывают купоны, ссылки на купоны, пригласительные которые дают скидку. Там поищите. Хотел вставить - не получилось.
🏆 Обновленный список промокодов AliExpress (01.12)(обновляются), вводятся при оформлении заказа, без пробелов, один раз на аккаунт, по умолчанию для РФ (Проверяйте для своей страны) действуют на весь сайт.
🌐 https://go.chinagb.ru/R9Xx6

$2 от $15
VETERANALI
JAREK1111

НОВЫЕ
$2 от $20
ALIBLACK20
$3 от $30
ALIBLACK30
$5 от $50
ALIBLACK50

$11 от $111
НОВЫЕ
ALICZARNY
CJBF10
BLACKSALE
СТАРЫЕ
TTBF10
WBBF10
AMBF10
EPNBF10
MAREDUC3
GROUPONBF
TRAVELCLUBBF
BFBUY11

$8 от $60
НОВЫЕ
APBF2019
СТАРЫЕ
GSBF2019
BFRSALE
AMRSALE
SKIDKABF
EPNBFR
aliformanblack5
manaliexblack5
AlpaChinablack
dvemordblack5
andersmithblack5
dollyaliblack5
alikotsaleblack5
likantropz24black5
CYABFRS
agodblack5
AlpaChinablack5
LoveShoppingblack5
aliradiotechblack5
sannovblack5
alikdaromblack5
exlerblack5

$4/$5 — для новых пользователей
AMBFN4
PMA0RWGZ
BFBUYN4

$7/$10— для новых пользователей
Black77

Старая подборка - https://t.me/chinagoodbuy/62384

_________________
X79-P3, Xeon E5-1650, 4*4gb Samsung 1333, Gigabyte 1063, Deepcool DQ750ST


 

Member
Статус: Не в сети
Регистрация: 28.10.2010
dedane писал(а):
ребята всё накипело , продаю всё/свои матплаты на 2011

Сказал 'а' - говори 'б'.
А чего так?


 

Member
Статус: Не в сети
Регистрация: 15.08.2018
Откуда: Рф. Москва.
ухожу в монастырь ) или под ряженку или ещё куда )
хочу nvme в рейде , пока только видел оф. у amd X470/570 да и достали эти глюки, CSM отключить не могу если могу то зависает , добавляю nvme в прошивку черный экран,

но факт что одну надо куда то девать не солить же ... лежит без дела в коробке не дело )))
ещё и новую 2070 надо куда то деть, поменяли по гарантии на новую от 1080, до сих пор не забрал из магаза уже 4 день !


 

member+
Статус: Не в сети
Регистрация: 16.01.2004
Откуда: Estonia,Tallinn
dedane писал(а):
это не показатель разве ?

Это показатель копирования файлов, если твоя задача копировать файлы, вперёд и с песней. Какие нибудь танки как грузились пол часа так и будут (причём пол часа и 1 секунду а не пол часа как на одном диске) хоть ты 10 дисков в рейд поставь.

_________________
X99-TF/E5-2678v3+Evo212/2x16Gb-DDR4-Gloway-TYPE-a@2133-12-13-13-26/GTX1070TI/KINGSTON-SNV2S1000G


 

Junior
Статус: Не в сети
Регистрация: 11.11.2019
Откуда: Благовещенск/黑河
xuz писал(а):
Предлагаю на тест версию 3_8 BIOS для JINGSHA X79-P3 с USB3 в биосе. (Спасибо за помощь aleksandrov197 и v_fox)
......
Отзывы обязательны.

Плата X79-P3 чипсет C602J. Цвет слотов оранжевый. Куплена на ТаоБао. В связке с процом E5-1650V2
Стоковый биос не имел настройки таймингов, разгон множителем не выше 41, числа 42 биос позволял ставить, но частота была ограничена 4100. Через неделю тестов перестала стабильно работать на 4100 и на 4000. Температура ядер при загрузке винды не выше 45, простой - 30.32.
Заменил прокладки на VRM, на C602м. Стабильности не добавилось.

Биос мод. 3_4 (шил fpt) - Очень долгая инициализация (около 10 сек). По сравнению с стоковым вечность. В этом биосе все устраивало, и тайминги, и разгон. Разгон до 4200 по всем ядрам как по волшебству. Сеть стабильно, USB не отваливались. Со временем начались глюки - инициализация долго висела на пост-коде 71. Потом начала долго висеть на пост-коде bf. Иногда, при выходе из сна система висла на этом "bf". Помогало только сброс по питанию. Пару раз слетали настройки памяти (тайминги). Память HYH9 шитая до 1866 (1.5В). Тайминги стандартные 10-10-10-28, Memest5 проходит идеально. 3 из 4х планок запускаются на 2133. В повседневной работе использую 1866.

Биос мод 3_8 (шил fpt) - Инициализация биоса быстрая, почти как сток. Полет системы стабильный, очень хочется надеяться, что через неделю-другую не начнет выпендриваться. Параметры разгона проца памяти - стандартные для меня 4200 и 1866. Клава PS/2 работает, мышка USB тоже. Смартфан работает. Для максимальной адекватности в настройках смартфана Tbase=0. Тогда показания с Нувотона практически совпадают с температурой ядер проца.
xuz Отличная работа! Примите мою благодарность.


 

Member
Статус: Не в сети
Регистрация: 19.12.2005
Откуда: НН
Jackill911 писал(а):
Заменил прокладки на VRM, на C602м.

Какой толщины там прокладки, мало ли, пригодится :)
Jackill911 писал(а):
Клава PS/2 работает

В биосе работает?

_________________
Будущее уже не то, что было раньше.


 

Junior
Статус: Не в сети
Регистрация: 11.11.2019
Откуда: Благовещенск/黑河
veles писал(а):
Какой толщины там прокладки

Штатная на 1мм была. Причем, чипы ШИМ выше мосфетов примерно на 0.15мм, поэтому при установке есть небольшой перекос радиатора. Думаю, как бы убрать эти 0.15мм, сфрезировать что ли.
Заметно так же по отпечатку, чипы ШИМ вдавлены в жвачку сильнее.
veles писал(а):
Клава PS/2 работает
В биосе работает?

Работает )


 

Junior
Статус: Не в сети
Регистрация: 31.10.2019
FAQ по охлаждению VRM. Для топовых камне просмотр обязателен.
https://www.youtube.com/watch?v=4Z1CdRyGow0


 

Member
Статус: Не в сети
Регистрация: 24.12.2012
Откуда: Київ
Фото: 1
Jackill911 писал(а):
3 из 4х планок запускаются на 213

У меня такое же, закрыдывается мысль, что продаван ложит в комплект из четырех планок, одну похуже...

Добавлено спустя 6 минут 3 секунды:
Mitos2002 писал(а):
ты слишком много хочешь. без проблем можно 8 проводков припаять к контактам, эти контакты к кроватке и менять биос хоть каждый день, а когда наиграешься залить самый самый биос и припаять микруху к матери. вуаля.

Да за такие деньги та кроватка нафиг не нужна... Хотя штука прикольная.. Да можно кроватку на жостких проводкаъ припаят... Ну будет торчать над матерью... Ну фиг с ним лищ бы работало

_________________
Xeon E5-2678 v3 LC-Power LC-CC-120-RGB, Jingsha X99-8D3, 32 Gb 1333@1866, RX 580 8 Gb Nitro+, ADATA XPG SX6000 Lite 512GB, chieftec proton bdf-1000c


 

Member
Статус: Не в сети
Регистрация: 04.12.2007
Откуда: USSR
telez777 Ноги, крылья, главное хвост! @ мультик :D

#77


 

Member
Статус: Не в сети
Регистрация: 11.10.2019
Откуда: Барнаул
dedane писал(а):
ребята всё накипело , продаю всё/свои матплаты на 2011

Пс, тут майнинг на процессорах завезли. Так что мб рано ты распродажу устраиваешь)


Вложения:
Буфер обмена46.jpg
Буфер обмена46.jpg [ 153.79 КБ | Просмотров: 677 ]

_________________
E5-2689+Kllisre X79 M3+SAPPHIRE Radeon RX 480 4G+16 gb DDR3-1866(2 channel)
E5-2689+X79T+Powercolor rx 480 8gb+16 gb DDR3-1866(4 channel)
Показать сообщения за:  Поле сортировки  
Начать новую тему Новая тема / Ответить на тему Ответить  Сообщений: 32895 • Страница 996 из 1645<  1 ... 993  994  995  996  997  998  999 ... 1645  >
-

Часовой пояс: UTC + 3 часа


Кто сейчас на конференции

Сейчас этот форум просматривают: ilya_01, Royal и гости: 36


Вы не можете начинать темы
Вы не можете отвечать на сообщения
Вы не можете редактировать свои сообщения
Вы не можете удалять свои сообщения
Вы не можете добавлять вложения

Перейти:  
Создано на основе phpBB® Forum Software © phpBB Group
Русская поддержка phpBB | Kolobok smiles © Aiwan