Часовой пояс: UTC + 3 часа




Куратор(ы):   m026   



Начать новую тему Новая тема / Ответить на тему Ответить  Сообщений: 58209 • Страница 1701 из 2911<  1 ... 1698  1699  1700  1701  1702  1703  1704 ... 2911  >
  Пред. тема | След. тема 
В случае проблем с отображением форума, отключите блокировщик рекламы
Автор Сообщение
 
Прилепленное (важное) сообщение

Junior
Статус: Не в сети
Регистрация: 01.01.2011
Китайские материнские платы Х99 (Intel C612), socket LGA2011-3

Вопросы по ОЗУ обсуждаются в отдельной ветке Обсуждение и разгон оперативной памяти на китайских Х99
ВНИМАНИЕ!!! ВАЖНЫЕ ПРЕДУПРЕЖДЕНИЯ!!! ЧИТАТЬ ОБЯЗАТЕЛЬНО!!!
сообщения ниже красным ввиде ссылок
После покупки, а также при любых проблемах, если не стартует или висит на посткоде, не видит планку ОЗУ, в первую очередь протереть контакты оперативной памяти, процессора и видеокарты этиловым или изопропиловым спиртом, бензином калоша или их смесью, также можно промыть разъемы оперативной памяти на материнке, при этом избегайте попадания спирта или бензина на термопрокладку VRM. При производстве китайских плат используется не самый качественный флюс, который плохо смывается. При нагреве флюс может растекатся и нарушать контакты в слотах ОЗУ. Поэтому, если у Вас не работает слот ОЗУ, промойте его бензином калоша из шприца! Проверте целостность контактов сокета. Может также помочь в некоторых случаях переустановка процессора (достать -поставить обратно, плохой прижим контактов). Также настоятельно рекомендуется проверить крепления сокета - четыре винта под звездечку. Бывают случаи, что винты плохо затянуты. Особое внимание уделите, установке кулера, особенно с родным креплением, равномерно затягиваем винты недопуская перекосов. Если плата не стартует или висит на посткоде (особенно FF), крайне желательно подкинуть другой БП и видекарту... То что у Вас блок питания или видекарта "100% рабочие" и без проблем работают на другой системе в даном случае ни о чем не говорит!



















Материнские платы X99Z-V102 и Huananzhi-AD3 и другие с ЗАВОДСКИМ БИОСОМ при сильно заниженных таймингах оперативной памяти перестают стартовать. И сброс биоса перемычкой, выниманием батарейки и прочими способами вам не поможет!!! Единственный выход из положения — прошивка программатором. При разгоне процессоров с разблокированным множителем (к примеру 1650v3) возникает такая-же аналогичная проблема. Решения тут два: либо установить вместо него любой другой (подойдёт даже 2620v3) либо опять — прошивка программатором.




На китайских материнских платах x99 СОН работает или не работает не зависимо от анлока (андервольтинга) турбобуста! При использовании драйверов анлока EFI или FFS (DXE), после выхода из режима сна процессор будет работать на дэфолтных частотах. Для восстановления нормальной работы анлока турбобуста придется перезагружать компьютер! Возможны зависания после пробуждения на пост кодах и в ОS. Для нормальной работы анлока после сна используйте драйвер анлока FFS (PEI) или Ultimate Patcher Tool от Nalex. Гибернация при анлоке работает в штатном режиме!


Проблема-Решение. Доработки. Баги.
ОБЯЗАТЕЛЬНО ЧИТАЕМ ИЗВЕСТНЫЕ ПРОБЛЕМЫ КОНКРЕТНЫХ ВЕРСИЙ BIOS
Ускоряем загрузку BIOS и OS (Убираем писк при старте)
Устраняем пост код 73
ВОССТАНОВЛЕНИЕ ЗАГРУЗЧИКА WINDOWS на Jingsha x99 dual BQ36 v1.1 (и других платах)
Зависает система при использовании AIDA64 - датчики
Проседает частотат шины FSB 100.00MHz
ЗВУК

Нет звука на передней панеле
Звуковая карта не воспроизводить звук 5.1
Кратко о звуке на китайских платах
СОН и ГИБЕРНАЦИЯ

Настройка сна и гибернации
Джампера (перемычки) JPWR и пробуждение от сна (гибернации) от клавиатуры (мышки)
USB

Проверку работоспособности USB проводим на "задних" портах. При любых проблемах подкидываем другой БП, а лучше USB HUB с внешним питанием, дабы отсечь "железные" проблемы.

USB 3.0 "отваливается" или падает скорость. Предварительное
Решение проблемы с USB портами ("заикается" звуковая карта)
Про джампера (перемычки) USB_SW, разъём F_USB3 (USB 2.0 на переднюю панель) и WI-FI Bluetooth модуль m.2 x99-TF
Отсутствует значок "Безопасного извлечения устройств" в USB 2.0 портах на Huananzhi Gaming X99-TF

ОХЛАЖДЕНИЕ и SMART FAN
Замена штатных вентиляторов охлаждения VRM X99-TF на аналогичные, но с шариковыми подшипниками
Размеры радиатора VRM x99-TF (F8,T8)
SMART FAN HUANANZHI, разъёмы CPU_FAN и СОН
SMART FAN JINGSHA (Kllisre) X99-8D3 X99-D8 CPU_FAN1/CPU_FAN2
Есть отзывы, что подключение-отключение нижнего 3 pin вентилятора нарушает работу Smart Fan, требуется сброс настроек биос и повторная настройка Smart Fan, предполагаю, что это связано с особеностью серверных бисосов
Чиним Smart Fan на Machinist v102a K9
Настройка Smart FAn на atermiter (plexhd) x99
Установка кулера LGA 2011 v3. Как не убить плату
ИЗОБРАЖЕНИЕ ВИДЕОКАРТА

НЕТ ИЗОБРАЖЕНИЯ
Не работает старая видеокарта или не работает новая видеокарта в старых системах
Mashinist X99Z 102 не работает без видеокарты
Отсутствие изображения при отключении CSM модуля. Machinist X99-RS9
ОЗУ и SSD

Резервирование оперативной памяти BIOS. Windows видит не всю ОЗУ или куда пропало 200 мб
X99-TF. В Bios пропадает параметр Memory Frequency
Открываем тайминги оперативки на X99Zv102
Как сделать доступной настройку частоты ОЗУ на заводском bios X99-TF без его модификации
Отвал диска KingSpec M.2 NVMe SSD PCIe (WHEA-logger 17) Machinist X99-RS9

НАШ КОЛХОЗ

Доработка Jingsha X99 V1.0 (X99-8D3) и JINGSHA (Kllisre) X99-D8
СЬЕМНЫЙ (ОТКЛЮЧАЕМЫЙ) speaker (beeper buzzer) на примере x99-TF
ОХЛАЖДЕНИЕ VRM
Как я колхозил "кастомный" радиатор VRM на материнской плате Athermiter/PlexHD ZX99-EV3 v1.31
Замена двух штатных вентиляторов охлаждения VRM X99-TF одним 60 мм
Замена двух штатных вентиляторов охлаждения VRM X99-TF одним JMicron 80х80х25, 12 вольт от zebs
БЮДЖЕТНЫЙ КОЛХОЗИНГ ВРМ на примере Huananzhi X99-TF rev2.0 от N3RO
Самодельный радиатор для охлаждения зоны VRM с обратной стороны материнской платы HUANANZHI X99 X99-TF v. 2.0. от Brandmajor
Колхоз охлаждения VRM Huananzhi F8D ver2.3 от mt01
Эффективный радиатор на VRM Huananzhi slonick56
ОХЛАЖДЕНИЕ VRM своими руками После ВАХТЫ
Охлад VRM радиатором от 1U от ahm
Охлад VRM радиатором от индукционной плиты от pavel_RF
Модернизация охлаждения VRM на Huananzhi X99-TF от Владимир Мирошниченко
Охлаждение VRM платы huananzhi x99-tf своими руками от ONover
Охлаждение VRM платы Machinist X99-K9 v.2 радиатором Asus M3A32-MVP от zerbino
Водяное охлаждение VRM на X99-TF от Begemot41
Убираем неровности мосфетов VRM от Bemon Bemonov
МИКРОСХЕМА BIOS
Сьемная микросхема BIOS на матринских платах X99-TF (F8, Т8, AD3) КОЛХОЗ
Сьемная микросхема BIOS на матринских платах X99-TF (F8, Т8, AD3) от Fox Bredman
Сьемная микросхема BIOS x99-TF от mozg13
Доступ прищепкой к микросхеме bios и охлаждение VRM на X99-TF от MickMPS
ПАНЕЛЬКА ДЛЯ МИКРОСХЕМЫ BIOS от Begemot41
ПРОШИВКА BIOS ПРОГРАММАТОРОМ без ПРИЩЕПКИ (на постоянку, колхоз) от ser8989
Временное решение для ПРОШИВКИ BIOS ПРОГРАММАТОРОМ без ПРИЩЕПКИ и адаптера под SOP-8
МАТЕРИНСКИЕ ПЛАТЫ. Выбор. Тесты. Сравнение. Обзоры.
Основные отличия китайскиx материнских плат Х99 от брэндовых

1. Изготавливаются в основном на серверном чипсете Intel C612, за редким исключением на десктопном чипсете Intel X99 Express, а также изготовливаюcя на различных десктопных чипсетах H61, H81, B85, Q85, Q87, Z87..... и серверном C226.
2. Разьемы под вентиляторы не регулируемые, за исключением процессорного, который в свою очередь не регулируется после сна и крутит на 50% независимо от температуры процессора, что решается правкой BIOS. С конца 2020 года начали выпускатся платы (типа Machinist V102A, V104, K9) с не регулируемым разьемом CPU_FAN, причиной оказалась "утереная" перемычка на плате.
3. Некторые температурные датчики, например VRM, отсутствуют, а наличиствующие могут подавать неверные значения.
4. На некоторых дешевых моделях может отсуствувать режим сна.
5. Некоторые дешевые платы при наличии двух или четырех слотов ОЗУ могут работать в одно или двух канале соответственно!
6. Как биос прошита не оптимизированная общая заготовка AMI, на некоторых моделях могут отсутствовать, некоторые необходимые настройки, например, регулировка таймингов. Причем настройка таймингов может быть скрыта хитро, и вернуть ее через amibcp не получится, а только через ЗАД

ОБЗОРЫ И СРАВНЕНИЕ

СРАВНИТЕЛЬНАЯ ТАБЛИЦА МАТЕРИНСКИХ ПЛАТ
Инструкция по выбору материнской плат на LGA2011-3 с AliExpress. Для работы и игр. BIOS, Unlock TB
Обзоры китайских материнских плат от Miyconst (EN-UA)
Сравнение китайских материнских плат от Максимум ПК
Сравнение китайских материнских плат от Miyconst (EN)
Сравнение китайских материнских плат от Miyconst (UA)


Внимание материнские платы x99-tf, x99-f8 и x99-t8 поддерживают работу только с m.2 nvme. M.2 SATA работать не будут!!! Также платы поддерживают m.2 wi-fi или стандартный pci-e wi-fi, ноутбучные mini pci-e будут работать только через соответствующий переходник!!!

X99-TF
Обзор от Купи дешево
Детальный обзор Huananzhi X99-TF спустя 8 месяцев использования. Новый лучший BIOS, Unlock TB и тд.
Фото, общий вид. Детально
Фото, описание элементов
КРАТКИЙ ОБЗОР x99-TF Rev. 2.0

X99-F8
Обзор HUANANZHI X99-F8
Обзор X99-F8 со снятием радиаторов и кожуха

X99-T8

X99-AD3

X99-AD4

X99-8M

X99-8MD3

X99-T8D

X99-F8D
Huananzhi X99Dual-F8D / Huananzhi F8D ver 2.3. Обзор, расчлененка, доработки.

ДРУГИЕ ПРОИЗВОДИТЕЛИ


JINGSHA X99-E8i (Intel® Q87)

Jingsha X99-8D3
Jingsha X99-8D3 обзор Технопланета

PlexHD (Atermiter) ZX_99EV3
Atermiter Х99 (ZX-99EV3) 2011.3

Jingsha (Kllisre) X99-D4 (AD12-B v1.0)
Kllisre AD12-B (Ver1.0)

Jingsha X99-D8

Jingsha X99-D8 Dual
Jingsha bq36-v11 (Dualsocket) (Джингша)

Jingsha X99 dual F2

Kllisre X99 Dual (ZX-DU99D4 v1.11)

Machinist (Running, Kllisre) X99Z v102 \ X99M-CE5
Runing X99Z v102-2011.3

Machinist X99-K9
Детальный обзор Machinist X99-K9 от Мійконст
Материнская плата MACHINIST X99 K9 + E5 2660 v3 и E5 2678 v3: Тестируем нагрев в стресс-тестах

Machinist (Alzenit) X99Z v500 \ X99M-PLUS

Jingsha (kllisre) X99-GT v1.0

Veineda x99 v367

Alzenit X99-PE7 EN
Alzenit X99-PE7 UA

SZMZ X99M-G2 V1.0

ALZENIT X99Z V600 mini-DTX

Jingsha x99m-H
Jingsha x99m-H2
JingSha X99M-H(2) – detailed review, E5-1660 V3, E5-2678 V3, E5-2620 V4, i7-5820k, i7-6800k

Материнские платы не рекомендуемые к покупке


JingSha X99-GT на чипсете Intel® B85
Machinist, Aterminer, Kllisre ZX-MINX9D4 v1.2
КЛОН Huananzhi X99-8M - ОСТОРОЖНО КИТАЙСКИЙ однокАНАЛЬНЫЙ МУСОР
Раздел в работе :bandhead:
Разгон множителем процессоров lga2011-3 Xeon® E5-16XX v3
ВНИМАНИЕ. РАЗГОН ПО МНОЖИТЕЛЮ ВОЗМОЖЕН ТОЛЬКО НА МАТЕРИНСКИХ ПЛАТАХ С СЕРВЕРНЫМ ЧИПСЕТОМ (C612). На материнских платах HUANANZHI могут проблемы с разгоном на "дэсктопных" BIOS начиная с 17.08.20 и позже, рекомендуемый BIOS от 25.05.20

Для разгона множитилем как правило достаточно настроек стокового биоса, но в любом случае не прошивайте биосы предназначеные для анлока турбобуста процессров с заблокированым множителем, типа"с повышенным повер-лимитом и открытыми дополнительными настройками QPI".
Для плат Huananzhi и других, использующих схожий биос, нужные настройки находятся в меню IntelRCSetup > Overclocking Feature > Processor и IntelRCSetup > Overclocking Feature > CLR\Ring.
Основные параметры:
Core Max OC Ratio — множитель ядер. Для Xeon E5 1650 v3 можно сразу установить 41-42.
Core Voltage Mode — можно выбрать динамически (Adaptive) повышать напряжение или сделать статическим
Core Voltage Override — выставляем напряжение на процессор в милливольтах, к примеру 1250, это будет 1.25 вольта (начать можно как раз с этого значения). Выше 1.30 поднимать с осторожностью!
CLR Max OC Ratio — множитель контроллера памяти. По умолчанию равен 30, можно плавно повышать до 33-35 и тестировать производительность и стабильность.
Core Voltage Mode — напряжение контроллера памяти. Аналогично Core Voltage Mode, но не выше 1250.
Процессоры Haswell очень чувствительны к напряжению контроллера памяти, более-менее оптимальным считается 1.25 вольта, поднимать выше стоит с особой осторожностью.

Для максимально стабильного разгона надо в BIOS сделать пункты Cpu-Advanced PM Tuning и Program PP0_CURT_CFG_CTRL_MSR видимыми переключив на USER
Вложение:
2678v3&TDC.jpg

Розгон Xeon E5-1660 V3 на платах MSI X99-S04, Huananzhi X99-TF та JingSha X99-D8 от Miyconst (EN)
Розгон Xeon E5-1660 V3 на платах MSI X99-S04, Huananzhi X99-TF та JingSha X99-D8 от Miyconst (UA)
Инструкция по разгону на примере x99-TF
Видеогайд от Купи дешево (6:10)
Инструкция от Купи дешево
Детальная инструкция по разгону на Китайских материнках с сокетом 2011-3. Huananzhi X99 + E5 1650v3 от Технопланеты
Разгон CPU на Китайских материнских платах X99 от Xeon Live
Оперативная память (ОЗУ)
Внимание всем!!!При переходе с x79 на x99, следует иметь ввиду, что на x99 память разгоняется намного
хуже

Планки обьемом 32 Гб, могут не заработать! Есть случаи когда вообще не работает, или работает только в двух или трех канале...! Есть информация, что четырехранговые планки работать полноценно не будут, а только двухранговые! Также есть информация, что заводятся только низковольтные планки!

При изменение тайминга TCWL, проявите особую осторожность! Некорректное значение TCWL, в лучшем случае приведет к невозможности запустить плату и необходимости сброса настроек BIOS перемычкой, в худшем к окирпичиванию платы с последующей прошивкой BIOS программатором!

После смены таймингов, компьютер следует выключить кнопкой, а затем, включить, так как при обычной перезагрузке изменения могут корректно не примениться!


HUANANZHI X99-F8: Особенности установки ОЗУ
HUANANZHI X99-TF: Особенности установки ОЗУ 1
HUANANZHI X99-TF: Особенности установки ОЗУ 2
Мониторинг температуры модулей памяти
Какую память выбрать DDR3 или DDR4 для максимальной производительности на LGA2011-3? Xeon E5 2678v3 ТехноПланета
Подбираем тайминги для DDR3 ECC \ non-ECC
Базовые правила установки модулей памяти на серверных материнских платах Intel C612
Intel Xeon E5-1600/2600 v3/v4 и оперативная память
Какая оперативная память (ОЗУ) работает на китайских платах x99. Выбор между DDR4 и DDR3. Процессоры c поддержкой DDR3
Как определить тип поддерживаемой оперативной памяти DDR-4 для систем Х99 Китайских материнских плат
Как подобрать обычную DDR4 для Китайских материнских плат на Х99
DDR3 vs DDR4 | Dual vs Quad channel RAM configuration (Huananzhi X99-TF з E5-2678 V3) от Miyconst (EN)
Четырехканал vs двухканал DDR3 (quad vs dual channel) от Gerkon
DDR3 или DDR4? Два или четырери канала памяти? (Huananzhi X99-TF з E5-2678 V3) от Miyconst (UA)
Нужен ли 4-канал на Китайских LGA2011-3, или 2-канала более, чем достаточно? Kllisre и Huananzhi X99 от Технопланеты
Что лучше для LGA2011-3, десктопная или серверная DDR4 ECC REG память? Тест ОЗУ TANBASSH 2400/2667 от Технопланеты
Видеогайд по настройке таймингов ОЗУ на примере Kllisre X99 D8 E5-1650 V3 16 GB DDR4 ECC REG от Miyconst (EN)
Видеогайд по настройке таймингов ОЗУ на примере Kllisre X99 D8 E5-1650 V3 16 GB DDR4 ECC REG от Miyconst (UA)
Руководство по разгону и настройке таймингов ОЗУ на китайских платах LGA2011-3 для DDR3 & DDR4 от Технопланеты
Влияние таймингов ОЗУ на производительность в работе и играх на примере LGA2011-3. Stock vs MAX OC от Технопланеты
Проверка оперативной памяти на ошибки и стабильность
КАК ПРОВЕРИТЬ память (ОЗУ) на ошибки WHEA
Переделка DDR3 памяти в DDR3L с правкой CRC контрольной суммы
Отключение датчика в SPD Klissre DDR4 8gb 2666mhz от ser8989
Обсуждение и разгон оперативной памяти на китайских Х99
Обсуждение памяти DDR3+FAQ
Раздел в работе :bandhead:
BIOS. Прошивка. Настройка.
Полезные ссылки и настройки. Прошивка.

ПРОГРАММЫ
S3TurboTool ПРОГРАММА ДЛЯ ПРОШИВКИ, БЭКАПА И РАБОТЫ С BIOS от ser8989
Mi899 - небольшая программа для анлока и андервольтинга
Ultimate Patcher Tool Патчер биоса от Nalex
Утилита для управления подсветкой Jingsha X99-8D3 X99-D8 из под Windows от Nalex

ПОСТ КОДЫ
Расшифровка значения Post-кодов для китайских LGA2011\2011-3 плат
Расшифровка POST-кодов Huanan (HuananZhi) Платформа x79,99 LGA 2011
ПРОШИВКА

Рекомендуемая программа для прошивки BIOS - FPT, желательно из под DOS, что бы избежать проблем с OS, например, зависания во время прошивки. Можно также использовать программы со встроеным FPT, например, тот же S3TurboTool от ser8989. Касательно AFUDOS и AFUWIN, то рекомендую их использовать только на платах где нет возможности прошить BIOS с помощью FPT, поскольку есть большие сомнение, что они нормально прошивают ME регион на Apito 5 даже с ключем /gan

FPT - прошивка BIOS из под Windows
Как полностью прошить bios через AFUWIN и AFUDOS включая ME регион
Инструкция по прошивке BIOS на китайских материнках. FPT, AFUDOS и CH341A
Прошивка BIOS программатором CH341A с прищепкой Xeon Live
ВИДЕО ГАЙДЫ ПО ПРОШИВКЕ BIOS c помощью программатора CH341A с клипсой (прищепкой)
AFUWIN - прошивка BIOS из под Windows
Прошивка BIOS с помощью AFUDOS
Видегайд по прошивке BIOS с помощью AFUDOS от Купи Дешево
ПРОШИВКА BIOS (UEFI) с загрузочной флешки FPT и AFUDOS
Ошибка FPT 280 при прошивке BIOS или снятие защиты биос
Восстановление биоса программатором от phants
СОФТ И ДРАЙВЕРА для програматора CH341A
НАСТРОЙКИ

Справочник по настройкам (параметрам) BIOS
Intel Rapid Storage — настройка RAID для Legacy и UEFI
Cluster-on-Die (COD)
включен COD, Early Snoop
CMD Normalization
Описание настроек AMI биоса на русском языке"Булат BIOS_UEFI. Руководство по эксплуатации v.1.1"
SPEC CPU2006 Platform Settings for Sugon Intel-based Systems
ОТКЛЮЧАЕМ (ВКЛЮЧАЕМ) CSM
Где находится настройка таймингов в BIOS iEngineer
SATA Device Type: влияние параметров BIOS на производительность SSD
Настройка управления оборотами вентиляторов в BIOS от phants
СБРОС НАСТРОЕК BIOS failsafe и optimal
Сброс настроек BIOS "вслепую"
РАЗНОЕ

ВЕРСИИ ME региона в заводских BIOS X99-TF
КАК ОТЛИЧИТЬ БИОСЫ X99-TF от 28.10.19 и от 25.05.20
КАК ПРОВЕРИТЬ ECC и Command Rate (CR)
Проблемы с оригинальным Bios'ом материнских плат X99Z-V102 и Huananzhi-AD3 (2011-3) и других.
Утилита для смены логотипа биоса ChangeLogo
НАБОР LOGO для матаренских плат x99 от Houston Sad
Инструменты для работы с BIOS

ВНИМАНИЕ! ВАЖНЫЕ ПРЕДУПРЕЖДЕНИЯ

Любая прошивка осуществляется на свой трах и риск без каких либо гарантий. Администрация форума не несет отвественности за последствия. Если не уверены, купите программатор или заручитесь поддержкой Зеонщика в своем городе (найти можно через телеграмм чат).

ПОСЛЕ ПРОШИВКИ ЛЮБЫМ СПОСОБОМ КРОМЕ ПРОГРАММАТОРА КРАЙНЕ РЕКОМЕДУЕТСЯ СДЕЛАТЬ СБРОС НАСТРОЕК БИОС ПЕРЕМЫЧКОЙ ИЛИ БАТАРЕЙКОЙ. ИЗ ПОД WINDOWS НЕЛЬЗЯ ПРОШИТЬ BIOS ЕСЛИ СИСТЕМА В СОСТОЯНИИ ПОСЛЕ СНА! В ЛЮБОМ СЛУЧАЕ НЕ РЕКОМЕНДУЕТСЯ ШИТЬ ПРИ ПОСТ КОДЕ НА МАТЕРИНСКОЙ ПЛАТЕ 73, ДОЛЖЕН БЫТЬ АА (84)
При прошивке из под Windows отключаем БЫСТРЫЙ ЗАПУСК в настроках самой OS и перезагружаемся. Также обязательно надо после прошивки выключить систему и включить (не перезагрузка) для гарантированого прописывания параметров хаба (Ме регион), а то всякие недоразумения могут быть, это же касается изменения некоторых настроек, особенно таймингов.


Биосы от материнских плат HUANANZHI x99-TF, x99-F8, x99-T8, X99-8M, X99-8MD3 совместимы! Но были жалобы, что на x99-F8 и x99-T8 при прошивке биоса x99-TF не работали дополнительные слоты ОЗУ.

Также совместимы биосы от материнских плат Running X99Z-V102 / Kllisre X99Z-V102 / ALZENIT X99M-CE5, X99-PE7(X99 V1.2) / XLZ X99Z-V102



Заводские bios HUANANZHI от 17.08.20, 26.08.20, 15.01.21 десктопные, со всеми вытекающими, например отключен ECC, не рекомендуется к использованию с разгоном серверной памяти, кроме того отсутствует пункт настройки таймингов! В биос от 26.08.20 и 15.01.21 и более поздних также Command Rate (CR) стабильно 3T (CR3) независимо от настроек BIOS! Кроме того следует иметь ввиду, что некоторые пользователи при прошивке bios от 17.08.20 окирипчивали плату - плата зависала на пост коде 19 (Pre-memory South-Bridge initialization is started). В часности окирпичивание подтверждают phants и miyconst и другие пользователи. Обычно такой посткод возникает при проблемах MЕ регионом. Думаю проблема в кривом отключении ME региона в биосе от 17.08.20, хотя в этом биосе также присутствует кривой модуль, что исправлено в версии Кошака. В биос 13.12.21 вернули ECC .... Они биос под майнинг допиливали... :D А ECC очень желателен для майнинга как для любого сервера. С официального сайта Description : Optimize ECC above 4G uffi network card

В биосах от iEngineer для плат HUANANZHI rev.1 модуль CSM не работает (системный диск должен быть GPT, а видекарта поддерживать UEFI), но режим UEFI работает более адэкватно. Если у вас видеокарта не стартует в режиме UEFI, и обновление биоса видекарты не помогло, можете попробовать биос от iEngineer, некоторым это помогло решить проблему. Также некоторым прошивка биос от iEngineer, помогла решить проблему работы видекарты в PCI-E 1.0. Оригинальные биос от iEngineer можно прошить и без программатора, например через FPT, но полный откат только программатором!!! На биосе для x99z v102 CSM работает

ВНИМАНИЕ В БИОСЕ ИНЖЕНЕРА x99-TF (F8) CX99DE27-EARLY.BIN ПО УМОЛЧАНИЮ ЧАСТОТА ПАМЯТИ 2400 и соотвествующие тайминги

Bios от 25.05.20 лучший заводской и полноценный серверный биос для плат HUANANZHI первых ревизий.

ВНИМАНИЕ!!! Версии BIOS для плат HUANANZHI REV 2.0 можно смело шить на более ранние ревизии, а биосы от плат HUANANZHI первых ревизий, без программатора, шьем на REV 2.0 ТОЛЬКО с исправленым table VSCC, которые есть в шапке ниже.

ИЗВЕСТНЫЕ ПРОБЛЕМЫ КОНКРЕТНЫХ ВЕРСИЙ BIOS


Ниже сами BIOS

BIOS (UEFI) для разных плат от Koshak1013 (phants) (Гитхаб Кошака)

BIOS от iEngineer для плат HUANANZHI X99-F8, X99-TF, MACHINIST X99Z V102, Jingsha x99 dual BQ36

Коллекция оригинальных (заводских) биосов для китайских плат x99 плюс обзоры от Miyconst

Внимание REV. 1.2 HUANANZHI полностью рандомная, по этому, что шить спрашиваем на форуме, указывая марикровку микросхемы биос, мультиконтроллера, аудиокодека!

HUANANZHI rev. 1 (nuvoTon nct5532d)

БИОС x99-TF iEngineer CX99DE27 от 25.11.20 с разлочеными регионами от v111
БИОС x99-TF iEngineer CX99DE27-Early от 03.12.20 с разлочеными регионами от v111
BIOS Koshak1013 (phants) HUANANZHI X99-TF X99-F8 X99-T8 v007 от 25.05.2020 с исправленым Smart Fan и выкидыванием в BIOS Recovery вместо загрузки OS с помощью Ultimate Patcher Tool от Nalex ver. 2.2

Ниже биосы с анлоком и андервольтингом патченные Ultimate Patcher Tool Nalex ver. 2.2

BIOS Koshak1013 (phants) v007 HUANANZHI x99-TF, x99-F8 x99-T8 rev. 1 (nuvoTon nct5532d) с анлоком и андервольтингом с исправленым Smart Fan и выкидыванием в BIOS Recovery вместо загрузки OS патченные Ultimate Patcher Tool Nalex ver. 2.2

HUANANZHI rev. 2.0 (nuvoTon NCT5567D-B)


BIOS iEngineer HUANANZHI X99-TF rev. 2.0 c nuvoTon NCT5567D-B от 24.11.2021 с разлоченными регионами и кодеками ALC883, ALC887 и ALC888 Nalex
BIOS iEngineer HUANANZHI X99-F8 rev. 2.0 c nuvoTon NCT5567D-B от 11.09.2021 с разлоченными регионами и кодеками ALC883, ALC887 и ALC888 Nalex
BIOS Koshak1013 (phants) HUANANZHI x99-TF x99-F8 x99-T8 v007 от 25.05.2020 с исправлеными verb table (ALC883, ALC887 и ALC888), table VSCC (for Winbond W25Q128, Microchip SST25VF016B, GigaDevice GD25x128, Macronix MX25L128), Smart Fan и выкидыванием в BIOS Recovery вместо загрузки OS с помощью Ultimate Patcher Tool от Nalex ver. 2.2

Ниже биосы с анлоком и андервольтингом патченные Ultimate Patcher Tool Nalex

BIOS iEngineer HUANANZHI X99-TF rev. 2.0 c nuvoTon NCT5567D-B от 24.11.2021 с разлоченными регионами, кодеками ALC883, ALC887 и ALC888, с анлоком и андервольтингом, патченный Ultimate Patcher Tool Nalex
BIOS iEngineer HUANANZHI X99-F8 rev. 2.0 c nuvoTon NCT5567D-B от 11.09.2021 с разлоченными регионами, кодеками ALC883, ALC887 и ALC888, с анлоком и андервольтингом, патченный Ultimate Patcher Tool Nalex
BIOS с анлоком и андервольтингом Koshak1013 (phants) HUANANZHI X99-TF, X99-F8 и X99-T8 v007 от 25.05.2020 с исправлеными verb table (ALC883, ALC887 и ALC888) и table VSCC (for Winbond W25Q128, Microchip SST25VF016B, GigaDevice GD25x128, Macronix MX25L128) и пропатченный Ultimate Patcher Tool Nalex ver. 2.2

Jingsha X99-8D3 X99-D8

BIOS Koshak1013 (phants) v007 HUANANZHI x99-T8 для плат JINGSHA X99 V1.0 (X99-8D3) (Kllisre) X99-D8 (nuvoTon nct5532d)
BIOS Koshak1013 (phants) v007 HUANANZHI x99-T8 для плат JINGSHA X99 V1.0 (X99-8D3) (Kllisre) X99-D8 с добавлеными в verb table (ALC883, ALC887 и ALC888) и table VSCC (for Winbond W25Q128, Microchip SST25VF016B, GigaDevice GD25x128, Macronix MX25L128) и пропатченный Ultimate Patcher Tool Nalex ver. 2.2
BIOS Koshak1013 (phants) v007 HUANANZHI x99-T8 для плат JINGSHA X99 V1.0 (X99-8D3) (Kllisre) X99-D8 (nuvoTon nct5532d) с анлоком и андервольтингом патченные Ultimate Patcher Tool Nalex ver. 2.2
BIOS Koshak1013 (phants) v007 HUANANZHI x99-T8 для плат JINGSHA X99 V1.0 (X99-8D3) (Kllisre) X99-D8 (nuvoTon nct5532d) с анлоком и андервольтингом с добавлеными в verb table (ALC883, ALC887 и ALC888) и table VSCC (for Winbond W25Q128, Microchip SST25VF016B, GigaDevice GD25x128, Macronix MX25L128) и пропатченный Ultimate Patcher Tool Nalex ver. 2.2
БИОС JINGSHA X99-D8 iEngineer AD12RD29 от 24.10.21
BIOS iEngineer AD12RD29 от 24.10.21 JINGSHA X99 V1.0 (X99-8D3) (Kllisre) X99-D8 (nuvoTon nct5532d) с анлоком и андервольтингом патченные Ultimate Patcher Tool Nalex ver. 2.2
Тестовые BIOS v111 JINGSHA X99-8D3 (Kllisre) X99-D8 (HUANANZHI x99-T8)
Заводской Bios X99-D8 v003 с открытыми таймингами от VK239
Заводской Bios X99-D8v003 с открытыми таймингами от VK239 и удаленным микрокодом
ДАМП BIOS Jingsha X99 V1.0 (X99-8D3) от 06.08.19
BIOS Jingsha X99 V1.0 (X99-8D3) от 09.10.19 Ver: KLX99017
BIOS Jingsha Jingsha X99 V1.0 (X99-8D3) от 09.10.2019 Ver: KLX99017 с таймингами
Jingsha X99-8D3 BIOS от Технопланеты
Заводской Bios Jingsha X99 -E8i (Q87) v5.11 от 05.08.2021
Заводской Bios Jingsha X99 V1.0 (X99-8D3) 04/27/2020
Заводской Bios Jingsha x99-D8i
Дамп биоса JINGSHA X99-D8I V 1.0

ДРУГИЕ "БРЭНДЫ"

Bios от iEngineer для MACHINIST X99-K9 V2.1 CX99DE55 / JUXIESHI X99- K9 на MACHINIST X99Z / K9 MACHINIST Board Series C612RD25 могут быть проблемы!
Bios для платы Machinist (Runing) X99Z v102 Date: 27/05/2020 12:00:00 Ver: AAX99018 от kostiaprofrom
Bios для платы Machinist (Runing) X99Z v102 с анлоком и адервольтингом 70-50-70-1500-FVID от VK239
Модифицированный Bios для платы Machinist (Runing) X99Z v102 от ТехноПланета
Биос для PlexHD X99 D4 с анлоком турбобуста и андервольтингом -50_50 от Vladimzam
Биос для ZX-99EV3 1.23, 1.31 с анлоком турбобуста и андервольтингом -60-50 через S3peim от Vladimzam
Набор bios SZMZ X99M-G2 V1.0
Bios Jingsha x99 dual BQ36 v1.1 от ASUS Z10PA-D8
Bios Jingsha, (kllisre) x99m-g v1.0 unlock turboboost -60-50 (-80-50)
ДАМП BIOS atermiter x99 v203 от 24.09.2021 + турбобуст сделал+ андервольтинг на -100/120 rainystorm
Прошивка микросхемы GallopMem 25Q128ASIG
https://forums.overclockers.ru/viewtopic.php?p=18042240#p18042240
Прошивка биос в LINUX
Прошивка из LINUX


Барахолка
Раздел для частных объявлений по продаже своих комплектующих только для участников форума. Принимаются объявления только по продаже б/у процессоров LGA 2011 v3, китайских материнских плат x99, ОЗУ DDR3 и DDR4, другие комплектующие можно указывать только как добавление к вышеуказанным. Только частные объявления по адекватным ценам никакой коммерции. Объявления значительно, превышающие цены на АлиЭкспресс публиковаться не будут. Для добавления Вашего объявления пишем кураторам темы, указываем наименование, состояние, цена, город, страна. Для продающих в связи с переходом на AMD услуга платная. :D Барыги проходят мимо.

1. darckICE Серверная Samsung DDR3 16gb ECC REG 1333 Мгц.
3500р за штуку есть 10 штук. При покупке от 4ех 3000р за штуку.
Б/У снята с сервера hp. Стабильная работа в 4ех канале на частоте 1866 Мгц с таймингами 10-10-10-28.
Владивосток. Россия.
#77

2. VEugene
Продаю комплект вот такой:
https://aliexpress.ru/item/100500314818 ... 1667062299
Только камни 2666 v3
Состав:
HUANANZHI X99-F8D LGA2011-3
Xeon E5 2666 v3 - 2 шт.
Кулера для CPU - 2 шт.
8G DDR4 2133 REG ECC память - 2 шт.
128G M.2 NVMe SSD (китайский) - 1 шт.
Комплект был запасной, куплен целиком мной лично, заменены в нем только камни (изначально были 2690 v3)
Все проверено, запускается.
Цена 22000 руб.
В Москве.

ДОНАТ для разработки BIOS и S3TurboTool
ser8989 - поддержка сюда 5366-7два80-9045-9598 (МТС-Банк). Для Кошака Qiwi +7-902-два13-33-10 или 4276-6900-10два6-7273 (Сбербанк). Большое спасибо!


По вопросам заполнения шапки пишите в личку m026

У кого JINGSHA (Kllisre) X99-D8 с BIOS новее чем 15.04.2020 просьба поделится дампом.

При обращении на форум с проблемой не работоспособности или не стабильной работы вашей сисемы ОБЯЗАТЕЛЬНО указываем процессор, материнскую плату (ревизию) и ее чипсет, ОЗУ (разгон), наличие анлока и андервольтинга, дату BIOS и другие необходимые параметры. Учасники форума не обладают экстрасенсорными способностями!


Последний раз редактировалось m026 03.09.2025 12:15, всего редактировалось 878 раз(а).


Партнер
 

Junior
Статус: Не в сети
Регистрация: 02.03.2022
Saboteur-2
При установке Е5-2696 v3 одного в слот CPU1 - мать не стартует
При установке сразу двух Е5-2696 v3 - мать не стартует.
все комбинации с памятью/без памяти с этими процессорами - мать не стартует.

С одним процессором Е5-2620 v3 с вариант без памяти и с памятью - мать стартует, можно зайти в BIOS

у меня сейчас есть мать HUANANZHI X99 F8 - на ней все перечисленные тут процессоры и память работает, в тестах никаких сбоев

Спасибо вам за ссылки, сейчас все посмотрю.


 

Member
Статус: Не в сети
Регистрация: 26.09.2021
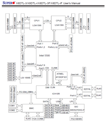
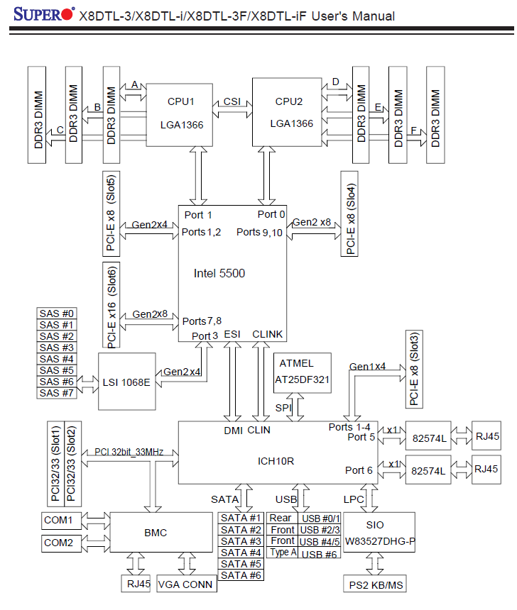
BATONS, вы вот ЭТО видели, картинку посмотрели?
Что вам из неё стало ясно?

_________________
X10X99-16D + 2xE5-2697Av4 + 8x32=256Gb DDR4-2400 + RTX3060 12Gb
X99-F8D-plus + 2xE5-2696v3 + 8х16=128Gb DDR4-2133 + RTX 2060S 8Gb
(и не только...)


 

Junior
Статус: Не в сети
Регистрация: 02.03.2022
Saboteur-2
Из картинки видно, что CPU1 - "ведущий процессор" который взаимодействует со своими 4 банками памяти, своими линиями PCE-E и с c612 chipset к которому уже подключены практически все порты.
CPU2 - "ведомый" по шине QPI подключен к CPU1 взаимодействует со своими 4 банками памяти и "обслуживает PCE-E 8x.
Иными словами без установленного в слот CPU1 процессора мать не запустится и ничего работать не будет.


 

Member
Статус: Не в сети
Регистрация: 26.09.2021
BATONS, ну и?
Если вы поставите в первый сокет проц, а видюху поставите в слот который соединён со вторым сокетом, то что?..

Вот вам ещё картинки...
Вложение:
Screenshot_99.png
Screenshot_99.png [ 81.06 КБ | Просмотров: 754 ]

Вложение:
Screenshot_100.png
Screenshot_100.png [ 60.29 КБ | Просмотров: 754 ]

Не... на 1366 лишняя. Но для вкуривания темы самое то.

_________________
X10X99-16D + 2xE5-2697Av4 + 8x32=256Gb DDR4-2400 + RTX3060 12Gb
X99-F8D-plus + 2xE5-2696v3 + 8х16=128Gb DDR4-2133 + RTX 2060S 8Gb
(и не только...)


 

Junior
Статус: Не в сети
Регистрация: 02.03.2022
Saboteur-2
Если вы поставите в первый сокет проц, а видюху поставите в слот который соединён со вторым сокетом, то что?..
Процессор CPU1 не увидит видюху, соответственно будет ошибка на индикаторе пост-кодов и изображения на мониторе не будет.

Признаюсь, что сначала допустил такую ошибку, пока не достал для проверки другой процессор Е5-2620 v3.

Сейчас итоговая ситуация такая:
Вставляю в слот CPU1 процессор Е5-2620 v3. добавляю память в банки, которые относятся к CPU1. Видику ставлю в PCE-E 16x которую обслуживает CPU1
(жесткий диск я не подключаю)
Мать стартует, вхожу в BIOS в котором вижу и память и модель своего процессора. Настройки никакие не менял, все как было "с завода"

Теперь меняю в слоте CPU1 Е5-2620 v3 на Е5-2696 v3 - мать не стартует. индикатор пост-кодов вообще не светится.
как писал ранее, все процессоры работают на HUANANZHI X99 F8


Последний раз редактировалось BATONS 03.03.2022 10:43, всего редактировалось 1 раз.

 

Member
Статус: Не в сети
Регистрация: 26.09.2021
BATONS, обновите биос.

Добавлено спустя 3 минуты 50 секунд:
BATONS, можно отсюда взять...

_________________
X10X99-16D + 2xE5-2697Av4 + 8x32=256Gb DDR4-2400 + RTX3060 12Gb
X99-F8D-plus + 2xE5-2696v3 + 8х16=128Gb DDR4-2133 + RTX 2060S 8Gb
(и не только...)


 

Junior
Статус: Не в сети
Регистрация: 02.03.2022
Saboteur-2
китаец прислал только что какой-то, вечером попробую.

VRM на этой плате конечно п...ц.
Они там термопрокладку короткую поставили в итоге крайние мосфеты с обеих сторон вообще не соприкасаются ни с этой термопрокладкой ни с радиатором.

Добавлено спустя 2 минуты 50 секунд:
Saboteur-2
Спасибо Вам за терпение и ссылки.
вечером попробую обновить биус и еще раз пройтись по вашим рекомендациям по тестированию.
О результатах отпишусь тут. Если нужно, могу выложить биус, который китаец прислал мне, который якобы должен поддерживать Е5-2696 v3


 

Member
Статус: Не в сети
Регистрация: 09.10.2020
BATONS писал(а):
на Е5-2696 v3 - мать не стартует.

Фото - как и куда у вас ВСЁ питалово к материнке подключено в студию.
А так да - по инструкциям вам ссылок накидал.
Остаётся гонять по ним.
Поменять блок питания (возможно работать будет 1 из 5) и проверяйте что вы в питание CPU 1 CPU2 включаете!
И как последний варик шить Биос с модами от хуанана. Возможно они уже есть -читайте тему.
Ecowar писал(а):
Вот надумал

Если совсем "приспичило-то 2666v3 ещё не давно был самым вкусным по цене и производительности. 2680v4 канечно щустрее, но ценник даж смотреть не хочу. И да на v3 есть модели с поддержкой ddr3÷ddr4 было одно сообщение о ddr4 на v4 но дознание так и не завершено(возможно фейк) соответственно берите мать. Если проц с поддержкой ddr3 - то с памятью ddr3 выйдет дешевле! С учётом что Huananj упростил последнюю ревизию - то тут без разницы хуанан TF или какую джингшу.
Ecowar писал(а):
посоветуете?

Лучше задумайтесь зачем оно Вам? Без норм видяхи? Может стоит запастись более полезным? Хоть тушёнкой с гречкой :( :shock:

HraD писал(а):
Что делать?
В.И Ленин!
:bandhead:
Полстранички прочитать не? Шапку прочитать не? Поиск по теме? Уже не раз писали, если Вы всё одно НЕ ЧИТАЕТЕ! Нах.. зачем людям тратить на Вас время?
Читайте ссылки со страницы выше ипо порядку.
Начало где то с выдёргивания ВСЕГО и запуск с ВЕДУЩИм процом(в ведущем разъёме) и перебор Ваших плашек. Возможно Биос нужно песни в дефолт. Ибо могут не работать в других слотах на этих тайменгах. И т.п. и т.д. :facepalm:

Незнаю что там с v111 приключилось. Но походу много народа в мясорубку попадёт ещё.


Последний раз редактировалось TerminX 03.03.2022 11:15, всего редактировалось 3 раз(а).

 

Junior
Статус: Не в сети
Регистрация: 03.03.2022
Господа, помогите. есть мать хуананжи f8d с двумя 2696v3. К ней 4 модуля памяти. В оранжевых слотах все работало. Должны были приехать еще 4 модуля, соответственно переставил имеющиеся в черные, ожидаемо не завелось с ошибкой B7. Сегодня приехали дополнительные 4 модуля, вставил в оставшиеся слоты, включилось с ошибкой B7. Решил сбросить биос перемычкой, и теперь плата умерла и не включается вообще. Ни с памятью, ни без памяти, никак. Биос стоковый, версии был 5.1.1, дамп естественно не снял, ибо зачем бэкапы. Что делать? Программатор есть, но я им не пользовался ни разу, и в биосе ли дело?


 

Member
Статус: Не в сети
Регистрация: 26.09.2021
Ещё один... :facepalm:

Добавлено спустя 38 секунд:
Но этот даже на последней странице не смог пары комментов прочитать...

PS: TerminX, с ним всё нормально

_________________
X10X99-16D + 2xE5-2697Av4 + 8x32=256Gb DDR4-2400 + RTX3060 12Gb
X99-F8D-plus + 2xE5-2696v3 + 8х16=128Gb DDR4-2133 + RTX 2060S 8Gb
(и не только...)


Последний раз редактировалось James_on 03.03.2022 15:53, всего редактировалось 2 раз(а).
3.19 Когда разберётся, кого бьёт, сам напишет.


 

Junior
Статус: Не в сети
Регистрация: 02.03.2022
TerminX
Фото - как и куда у вас ВСЁ питалово к материнке подключено в студию

вот видео тут все видно. это запуск с Е5-2696 V3
https://www.youtube.com/watch?v=QQ1HUeYitEE


Видео старта материнки без процессоров
https://youtu.be/_PmqYchVF_8

Видео старта материнки с E5-2620 v3
https://youtu.be/awYBqAQfCvo


 

Member
Статус: Не в сети
Регистрация: 09.10.2020
[quote="BATONS"][/quote]
У меня кабеля с инетом из астрала не свисают. И мобильный тариф стар как я. А я super Star 8-)
В общем и целом ради Ваших косяков гробить трафик мне как то без нужды.
А вопросов по сборке может быть море. Один из первых - не соединили или не то соединили в доп питание CPU1 и 2. А дальше думайте сами, что у ВАС не пашет и над тем что Вам нужно...
:bandhead:


 

Member
Статус: Не в сети
Регистрация: 09.10.2008
Ecowar писал(а):
Озу какую лучше самсунг или ихнюю Atermite ?

Если покупаете именно под брендом Самсунг то пришлют самса....если Атемитер, Клиссер .и.т.д то рандом, могут нуниксы, могут те же самсы что будет то и пришлют.

Ecowar писал(а):
Похоже 2680 V4 из-за лока буста не годится

Нету Анлока турба у него.

_________________
HUANANZHI X99-TF rev.2 | Xeon E5-2666v3 | Samsung DDR4 4x8 GB | GTX 1650 | KINGSTON SSD | Reletech P400 NVME | Win10 Pro | BIOS iEngineer CX99DE30FIT


 

Junior
Статус: Не в сети
Регистрация: 02.03.2022
TerminX
Один из первых - не соединили или не то соединили в доп питание CPU1 и 2. А дальше думайте сами,

Вот и думаю, что у вас какая-то нелинейная логика.
Есть лампочка, она горит. Выкручиваю эту лампочку и вкручиваю на место нее новую. Она не горит. Вывод: неисправна проводка.
У Вас так получается :)


 

Junior
Статус: Не в сети
Регистрация: 03.03.2022
BATONS, а вы случайно не запитали ли один проц питанием от видеокарты? Оно туда замечательно входит, но работать не будет.


 

Member
Статус: Не в сети
Регистрация: 19.12.2020
Откуда: Россия
Фото: 0
Saboteur-2 писал(а):
бьёт врага
программатором :D

_________________
14900kf@Arctic iii 360@Z790 AORUS ELITE AX-W@Adata-XPG@Asus_TUF_RX7900GRE


 

Junior
Статус: Не в сети
Регистрация: 02.03.2022
HraD
а вы случайно не запитали ли один проц питанием от видеокарты? Оно туда замечательно входит, но работать не будет.
Добрый день! ну не так он туда и замечательно входит... это если только сильно давить, так как на разъеме стоят "ключи" в виде комбинации квадратных и круглых пинов.
Даже если и "вогнать" туда питание от видеокарты, то там одна линия (+12 вольт) попадет на землю и БП будет отрабатывать защиту. В итоге питание не будет поступать по всем линиям (3,3, 5 и 12 вольт).
А у меня вентилятор крутится :))) да и на процессоре Е5-2620 v3 все же работает :)


 

Junior
Статус: Не в сети
Регистрация: 11.01.2022
Привет. Ребята, такой вопрос. На али в отзывах к плате HUANANZHI X99 F8D говорят, что у него нет разъёма для подключения кулера второго процессора. Это так? Или в каких то ревизиях так было?


 

Junior
Статус: Не в сети
Регистрация: 29.12.2013
Друзья такая плата от великого и могучего Huananzhi X99-F8, проблема в следующем, купили wi-fi модуль: Intel® Wi-Fi 6E AX211
И почему-то не определяется на плате, подключили в третий M2 слот, и ПК не видит модуль...
Может были такие проблемы у кого? Может BIOS прошить или включить что-то надо? Подскажите пожалуйста


 

Member
Статус: Не в сети
Регистрация: 05.11.2014
Откуда: Москва
DimonNT писал(а):
купили wi-fi модуль: Intel® Wi-Fi 6E AX211


Не то купили. Меняй на 210 или 200.

Добавлено спустя 3 минуты 53 секунды:

AX2x1
Работают только с материнками, где распаяна логика так как в модуле находиться ТОЛЬКО РАДИОЧАСТЬ. Зависит не от ЦПУ, а от ЦПУ+МБ (На модулях Intel 200 серии если на конце единица обязательна поддержка со стороны материнской платы технологии CNVi)
ссылка пока на Intele если не забанили то: https://www.intel.ru/content/www/ru/ru/ ... eless.html


Показать сообщения за:  Поле сортировки  
Начать новую тему Новая тема / Ответить на тему Ответить  Сообщений: 58209 • Страница 1701 из 2911<  1 ... 1698  1699  1700  1701  1702  1703  1704 ... 2911  >
-

Часовой пояс: UTC + 3 часа


Кто сейчас на конференции

Сейчас этот форум просматривают: 14874, Gnome-x, monster1, seavovk, ukur и гости: 37


Вы не можете начинать темы
Вы не можете отвечать на сообщения
Вы не можете редактировать свои сообщения
Вы не можете удалять свои сообщения
Вы не можете добавлять вложения

Перейти:  
Создано на основе phpBB® Forum Software © phpBB Group
Русская поддержка phpBB | Kolobok smiles © Aiwan