Часовой пояс: UTC + 3 часа




Куратор(ы):   m026   



Начать новую тему Новая тема / Ответить на тему Ответить  Сообщений: 58527 • Страница 1761 из 2927<  1 ... 1758  1759  1760  1761  1762  1763  1764 ... 2927  >
  Пред. тема | След. тема 
В случае проблем с отображением форума, отключите блокировщик рекламы
Автор Сообщение
 
Прилепленное (важное) сообщение

Junior
Статус: Не в сети
Регистрация: 01.01.2011
Китайские материнские платы Х99 (Intel C612), socket LGA2011-3

Вопросы по ОЗУ обсуждаются в отдельной ветке Обсуждение и разгон оперативной памяти на китайских Х99
ВНИМАНИЕ!!! ВАЖНЫЕ ПРЕДУПРЕЖДЕНИЯ!!! ЧИТАТЬ ОБЯЗАТЕЛЬНО!!!
сообщения ниже красным ввиде ссылок
После покупки, а также при любых проблемах, если не стартует или висит на посткоде, не видит планку ОЗУ, в первую очередь протереть контакты оперативной памяти, процессора и видеокарты этиловым или изопропиловым спиртом, бензином калоша или их смесью, также можно промыть разъемы оперативной памяти на материнке, при этом избегайте попадания спирта или бензина на термопрокладку VRM. При производстве китайских плат используется не самый качественный флюс, который плохо смывается. При нагреве флюс может растекатся и нарушать контакты в слотах ОЗУ. Поэтому, если у Вас не работает слот ОЗУ, промойте его бензином калоша из шприца! Проверте целостность контактов сокета. Может также помочь в некоторых случаях переустановка процессора (достать -поставить обратно, плохой прижим контактов). Также настоятельно рекомендуется проверить крепления сокета - четыре винта под звездечку. Бывают случаи, что винты плохо затянуты. Особое внимание уделите, установке кулера, особенно с родным креплением, равномерно затягиваем винты недопуская перекосов. Если плата не стартует или висит на посткоде (особенно FF), крайне желательно подкинуть другой БП и видекарту... То что у Вас блок питания или видекарта "100% рабочие" и без проблем работают на другой системе в даном случае ни о чем не говорит!



















Материнские платы X99Z-V102 и Huananzhi-AD3 и другие с ЗАВОДСКИМ БИОСОМ при сильно заниженных таймингах оперативной памяти перестают стартовать. И сброс биоса перемычкой, выниманием батарейки и прочими способами вам не поможет!!! Единственный выход из положения — прошивка программатором. При разгоне процессоров с разблокированным множителем (к примеру 1650v3) возникает такая-же аналогичная проблема. Решения тут два: либо установить вместо него любой другой (подойдёт даже 2620v3) либо опять — прошивка программатором.




На китайских материнских платах x99 СОН работает или не работает не зависимо от анлока (андервольтинга) турбобуста! При использовании драйверов анлока EFI или FFS (DXE), после выхода из режима сна процессор будет работать на дэфолтных частотах. Для восстановления нормальной работы анлока турбобуста придется перезагружать компьютер! Возможны зависания после пробуждения на пост кодах и в ОS. Для нормальной работы анлока после сна используйте драйвер анлока FFS (PEI) или Ultimate Patcher Tool от Nalex. Гибернация при анлоке работает в штатном режиме!


Проблема-Решение. Доработки. Баги.
ОБЯЗАТЕЛЬНО ЧИТАЕМ ИЗВЕСТНЫЕ ПРОБЛЕМЫ КОНКРЕТНЫХ ВЕРСИЙ BIOS
Ускоряем загрузку BIOS и OS (Убираем писк при старте)
Устраняем пост код 73
ВОССТАНОВЛЕНИЕ ЗАГРУЗЧИКА WINDOWS на Jingsha x99 dual BQ36 v1.1 (и других платах)
Зависает система при использовании AIDA64 - датчики
Проседает частотат шины FSB 100.00MHz
ЗВУК

Нет звука на передней панеле
Звуковая карта не воспроизводить звук 5.1
Кратко о звуке на китайских платах
СОН и ГИБЕРНАЦИЯ

Настройка сна и гибернации
Джампера (перемычки) JPWR и пробуждение от сна (гибернации) от клавиатуры (мышки)
USB

Проверку работоспособности USB проводим на "задних" портах. При любых проблемах подкидываем другой БП, а лучше USB HUB с внешним питанием, дабы отсечь "железные" проблемы.

USB 3.0 "отваливается" или падает скорость. Предварительное
Решение проблемы с USB портами ("заикается" звуковая карта)
Про джампера (перемычки) USB_SW, разъём F_USB3 (USB 2.0 на переднюю панель) и WI-FI Bluetooth модуль m.2 x99-TF
Отсутствует значок "Безопасного извлечения устройств" в USB 2.0 портах на Huananzhi Gaming X99-TF

ОХЛАЖДЕНИЕ и SMART FAN
Замена штатных вентиляторов охлаждения VRM X99-TF на аналогичные, но с шариковыми подшипниками
Размеры радиатора VRM x99-TF (F8,T8)
SMART FAN HUANANZHI, разъёмы CPU_FAN и СОН
SMART FAN JINGSHA (Kllisre) X99-8D3 X99-D8 CPU_FAN1/CPU_FAN2
Есть отзывы, что подключение-отключение нижнего 3 pin вентилятора нарушает работу Smart Fan, требуется сброс настроек биос и повторная настройка Smart Fan, предполагаю, что это связано с особеностью серверных бисосов
Чиним Smart Fan на Machinist v102a K9
Настройка Smart FAn на atermiter (plexhd) x99
Установка кулера LGA 2011 v3. Как не убить плату
ИЗОБРАЖЕНИЕ ВИДЕОКАРТА

НЕТ ИЗОБРАЖЕНИЯ
Не работает старая видеокарта или не работает новая видеокарта в старых системах
Mashinist X99Z 102 не работает без видеокарты
Отсутствие изображения при отключении CSM модуля. Machinist X99-RS9
ОЗУ и SSD

Резервирование оперативной памяти BIOS. Windows видит не всю ОЗУ или куда пропало 200 мб
X99-TF. В Bios пропадает параметр Memory Frequency
Открываем тайминги оперативки на X99Zv102
Как сделать доступной настройку частоты ОЗУ на заводском bios X99-TF без его модификации
Отвал диска KingSpec M.2 NVMe SSD PCIe (WHEA-logger 17) Machinist X99-RS9

НАШ КОЛХОЗ

Доработка Jingsha X99 V1.0 (X99-8D3) и JINGSHA (Kllisre) X99-D8
СЬЕМНЫЙ (ОТКЛЮЧАЕМЫЙ) speaker (beeper buzzer) на примере x99-TF
ОХЛАЖДЕНИЕ VRM
Как я колхозил "кастомный" радиатор VRM на материнской плате Athermiter/PlexHD ZX99-EV3 v1.31
Замена двух штатных вентиляторов охлаждения VRM X99-TF одним 60 мм
Замена двух штатных вентиляторов охлаждения VRM X99-TF одним JMicron 80х80х25, 12 вольт от zebs
БЮДЖЕТНЫЙ КОЛХОЗИНГ ВРМ на примере Huananzhi X99-TF rev2.0 от N3RO
Самодельный радиатор для охлаждения зоны VRM с обратной стороны материнской платы HUANANZHI X99 X99-TF v. 2.0. от Brandmajor
Колхоз охлаждения VRM Huananzhi F8D ver2.3 от mt01
Эффективный радиатор на VRM Huananzhi slonick56
ОХЛАЖДЕНИЕ VRM своими руками После ВАХТЫ
Охлад VRM радиатором от 1U от ahm
Охлад VRM радиатором от индукционной плиты от pavel_RF
Модернизация охлаждения VRM на Huananzhi X99-TF от Владимир Мирошниченко
Охлаждение VRM платы huananzhi x99-tf своими руками от ONover
Охлаждение VRM платы Machinist X99-K9 v.2 радиатором Asus M3A32-MVP от zerbino
Водяное охлаждение VRM на X99-TF от Begemot41
Убираем неровности мосфетов VRM от Bemon Bemonov
МИКРОСХЕМА BIOS
Сьемная микросхема BIOS на матринских платах X99-TF (F8, Т8, AD3) КОЛХОЗ
Сьемная микросхема BIOS на матринских платах X99-TF (F8, Т8, AD3) от Fox Bredman
Сьемная микросхема BIOS x99-TF от mozg13
Доступ прищепкой к микросхеме bios и охлаждение VRM на X99-TF от MickMPS
ПАНЕЛЬКА ДЛЯ МИКРОСХЕМЫ BIOS от Begemot41
ПРОШИВКА BIOS ПРОГРАММАТОРОМ без ПРИЩЕПКИ (на постоянку, колхоз) от ser8989
Временное решение для ПРОШИВКИ BIOS ПРОГРАММАТОРОМ без ПРИЩЕПКИ и адаптера под SOP-8
МАТЕРИНСКИЕ ПЛАТЫ. Выбор. Тесты. Сравнение. Обзоры.
Основные отличия китайскиx материнских плат Х99 от брэндовых

1. Изготавливаются в основном на серверном чипсете Intel C612, за редким исключением на десктопном чипсете Intel X99 Express, а также изготовливаюcя на различных десктопных чипсетах H61, H81, B85, Q85, Q87, Z87..... и серверном C226.
2. Разьемы под вентиляторы не регулируемые, за исключением процессорного, который в свою очередь не регулируется после сна и крутит на 50% независимо от температуры процессора, что решается правкой BIOS. С конца 2020 года начали выпускатся платы (типа Machinist V102A, V104, K9) с не регулируемым разьемом CPU_FAN, причиной оказалась "утереная" перемычка на плате.
3. Некторые температурные датчики, например VRM, отсутствуют, а наличиствующие могут подавать неверные значения.
4. На некоторых дешевых моделях может отсуствувать режим сна.
5. Некоторые дешевые платы при наличии двух или четырех слотов ОЗУ могут работать в одно или двух канале соответственно!
6. Как биос прошита не оптимизированная общая заготовка AMI, на некоторых моделях могут отсутствовать, некоторые необходимые настройки, например, регулировка таймингов. Причем настройка таймингов может быть скрыта хитро, и вернуть ее через amibcp не получится, а только через ЗАД

ОБЗОРЫ И СРАВНЕНИЕ

СРАВНИТЕЛЬНАЯ ТАБЛИЦА МАТЕРИНСКИХ ПЛАТ
Инструкция по выбору материнской плат на LGA2011-3 с AliExpress. Для работы и игр. BIOS, Unlock TB
Обзоры китайских материнских плат от Miyconst (EN-UA)
Сравнение китайских материнских плат от Максимум ПК
Сравнение китайских материнских плат от Miyconst (EN)
Сравнение китайских материнских плат от Miyconst (UA)


Внимание материнские платы x99-tf, x99-f8 и x99-t8 поддерживают работу только с m.2 nvme. M.2 SATA работать не будут!!! Также платы поддерживают m.2 wi-fi или стандартный pci-e wi-fi, ноутбучные mini pci-e будут работать только через соответствующий переходник!!!

X99-TF
Обзор от Купи дешево
Детальный обзор Huananzhi X99-TF спустя 8 месяцев использования. Новый лучший BIOS, Unlock TB и тд.
Фото, общий вид. Детально
Фото, описание элементов
КРАТКИЙ ОБЗОР x99-TF Rev. 2.0

X99-F8
Обзор HUANANZHI X99-F8
Обзор X99-F8 со снятием радиаторов и кожуха

X99-T8

X99-AD3

X99-AD4

X99-8M

X99-8MD3

X99-T8D

X99-F8D
Huananzhi X99Dual-F8D / Huananzhi F8D ver 2.3. Обзор, расчлененка, доработки.

ДРУГИЕ ПРОИЗВОДИТЕЛИ


JINGSHA X99-E8i (Intel® Q87)

Jingsha X99-8D3
Jingsha X99-8D3 обзор Технопланета

PlexHD (Atermiter) ZX_99EV3
Atermiter Х99 (ZX-99EV3) 2011.3

Jingsha (Kllisre) X99-D4 (AD12-B v1.0)
Kllisre AD12-B (Ver1.0)

Jingsha X99-D8

Jingsha X99-D8 Dual
Jingsha bq36-v11 (Dualsocket) (Джингша)

Jingsha X99 dual F2

Kllisre X99 Dual (ZX-DU99D4 v1.11)

Machinist (Running, Kllisre) X99Z v102 \ X99M-CE5
Runing X99Z v102-2011.3

Machinist X99-K9
Детальный обзор Machinist X99-K9 от Мійконст
Материнская плата MACHINIST X99 K9 + E5 2660 v3 и E5 2678 v3: Тестируем нагрев в стресс-тестах

Machinist (Alzenit) X99Z v500 \ X99M-PLUS

Jingsha (kllisre) X99-GT v1.0

Veineda x99 v367

Alzenit X99-PE7 EN
Alzenit X99-PE7 UA

SZMZ X99M-G2 V1.0

ALZENIT X99Z V600 mini-DTX

Jingsha x99m-H
Jingsha x99m-H2
JingSha X99M-H(2) – detailed review, E5-1660 V3, E5-2678 V3, E5-2620 V4, i7-5820k, i7-6800k

Материнские платы не рекомендуемые к покупке


JingSha X99-GT на чипсете Intel® B85
Machinist, Aterminer, Kllisre ZX-MINX9D4 v1.2
КЛОН Huananzhi X99-8M - ОСТОРОЖНО КИТАЙСКИЙ однокАНАЛЬНЫЙ МУСОР
Раздел в работе :bandhead:
Разгон множителем процессоров lga2011-3 Xeon® E5-16XX v3
ВНИМАНИЕ. РАЗГОН ПО МНОЖИТЕЛЮ ВОЗМОЖЕН ТОЛЬКО НА МАТЕРИНСКИХ ПЛАТАХ С СЕРВЕРНЫМ ЧИПСЕТОМ (C612). На материнских платах HUANANZHI могут проблемы с разгоном на "дэсктопных" BIOS начиная с 17.08.20 и позже, рекомендуемый BIOS от 25.05.20

Для разгона множитилем как правило достаточно настроек стокового биоса, но в любом случае не прошивайте биосы предназначеные для анлока турбобуста процессров с заблокированым множителем, типа"с повышенным повер-лимитом и открытыми дополнительными настройками QPI".
Для плат Huananzhi и других, использующих схожий биос, нужные настройки находятся в меню IntelRCSetup > Overclocking Feature > Processor и IntelRCSetup > Overclocking Feature > CLR\Ring.
Основные параметры:
Core Max OC Ratio — множитель ядер. Для Xeon E5 1650 v3 можно сразу установить 41-42.
Core Voltage Mode — можно выбрать динамически (Adaptive) повышать напряжение или сделать статическим
Core Voltage Override — выставляем напряжение на процессор в милливольтах, к примеру 1250, это будет 1.25 вольта (начать можно как раз с этого значения). Выше 1.30 поднимать с осторожностью!
CLR Max OC Ratio — множитель контроллера памяти. По умолчанию равен 30, можно плавно повышать до 33-35 и тестировать производительность и стабильность.
Core Voltage Mode — напряжение контроллера памяти. Аналогично Core Voltage Mode, но не выше 1250.
Процессоры Haswell очень чувствительны к напряжению контроллера памяти, более-менее оптимальным считается 1.25 вольта, поднимать выше стоит с особой осторожностью.

Для максимально стабильного разгона надо в BIOS сделать пункты Cpu-Advanced PM Tuning и Program PP0_CURT_CFG_CTRL_MSR видимыми переключив на USER
Вложение:
2678v3&TDC.jpg

Розгон Xeon E5-1660 V3 на платах MSI X99-S04, Huananzhi X99-TF та JingSha X99-D8 от Miyconst (EN)
Розгон Xeon E5-1660 V3 на платах MSI X99-S04, Huananzhi X99-TF та JingSha X99-D8 от Miyconst (UA)
Инструкция по разгону на примере x99-TF
Видеогайд от Купи дешево (6:10)
Инструкция от Купи дешево
Детальная инструкция по разгону на Китайских материнках с сокетом 2011-3. Huananzhi X99 + E5 1650v3 от Технопланеты
Разгон CPU на Китайских материнских платах X99 от Xeon Live
Оперативная память (ОЗУ)
Внимание всем!!!При переходе с x79 на x99, следует иметь ввиду, что на x99 память разгоняется намного
хуже

Планки обьемом 32 Гб, могут не заработать! Есть случаи когда вообще не работает, или работает только в двух или трех канале...! Есть информация, что четырехранговые планки работать полноценно не будут, а только двухранговые! Также есть информация, что заводятся только низковольтные планки!

При изменение тайминга TCWL, проявите особую осторожность! Некорректное значение TCWL, в лучшем случае приведет к невозможности запустить плату и необходимости сброса настроек BIOS перемычкой, в худшем к окирпичиванию платы с последующей прошивкой BIOS программатором!

После смены таймингов, компьютер следует выключить кнопкой, а затем, включить, так как при обычной перезагрузке изменения могут корректно не примениться!


HUANANZHI X99-F8: Особенности установки ОЗУ
HUANANZHI X99-TF: Особенности установки ОЗУ 1
HUANANZHI X99-TF: Особенности установки ОЗУ 2
Мониторинг температуры модулей памяти
Какую память выбрать DDR3 или DDR4 для максимальной производительности на LGA2011-3? Xeon E5 2678v3 ТехноПланета
Подбираем тайминги для DDR3 ECC \ non-ECC
Базовые правила установки модулей памяти на серверных материнских платах Intel C612
Intel Xeon E5-1600/2600 v3/v4 и оперативная память
Какая оперативная память (ОЗУ) работает на китайских платах x99. Выбор между DDR4 и DDR3. Процессоры c поддержкой DDR3
Как определить тип поддерживаемой оперативной памяти DDR-4 для систем Х99 Китайских материнских плат
Как подобрать обычную DDR4 для Китайских материнских плат на Х99
DDR3 vs DDR4 | Dual vs Quad channel RAM configuration (Huananzhi X99-TF з E5-2678 V3) от Miyconst (EN)
Четырехканал vs двухканал DDR3 (quad vs dual channel) от Gerkon
DDR3 или DDR4? Два или четырери канала памяти? (Huananzhi X99-TF з E5-2678 V3) от Miyconst (UA)
Нужен ли 4-канал на Китайских LGA2011-3, или 2-канала более, чем достаточно? Kllisre и Huananzhi X99 от Технопланеты
Что лучше для LGA2011-3, десктопная или серверная DDR4 ECC REG память? Тест ОЗУ TANBASSH 2400/2667 от Технопланеты
Видеогайд по настройке таймингов ОЗУ на примере Kllisre X99 D8 E5-1650 V3 16 GB DDR4 ECC REG от Miyconst (EN)
Видеогайд по настройке таймингов ОЗУ на примере Kllisre X99 D8 E5-1650 V3 16 GB DDR4 ECC REG от Miyconst (UA)
Руководство по разгону и настройке таймингов ОЗУ на китайских платах LGA2011-3 для DDR3 & DDR4 от Технопланеты
Влияние таймингов ОЗУ на производительность в работе и играх на примере LGA2011-3. Stock vs MAX OC от Технопланеты
Проверка оперативной памяти на ошибки и стабильность
КАК ПРОВЕРИТЬ память (ОЗУ) на ошибки WHEA
Переделка DDR3 памяти в DDR3L с правкой CRC контрольной суммы
Отключение датчика в SPD Klissre DDR4 8gb 2666mhz от ser8989
Обсуждение и разгон оперативной памяти на китайских Х99
Обсуждение памяти DDR3+FAQ
Раздел в работе :bandhead:
BIOS. Прошивка. Настройка.
Полезные ссылки и настройки. Прошивка.

ПРОГРАММЫ
S3TurboTool ПРОГРАММА ДЛЯ ПРОШИВКИ, БЭКАПА И РАБОТЫ С BIOS от ser8989
Mi899 - небольшая программа для анлока и андервольтинга
Ultimate Patcher Tool Патчер биоса от Nalex
Утилита для управления подсветкой Jingsha X99-8D3 X99-D8 из под Windows от Nalex

ПОСТ КОДЫ
Расшифровка значения Post-кодов для китайских LGA2011\2011-3 плат
Расшифровка POST-кодов Huanan (HuananZhi) Платформа x79,99 LGA 2011
ПРОШИВКА

Рекомендуемая программа для прошивки BIOS - FPT, желательно из под DOS, что бы избежать проблем с OS, например, зависания во время прошивки. Можно также использовать программы со встроеным FPT, например, тот же S3TurboTool от ser8989. Касательно AFUDOS и AFUWIN, то рекомендую их использовать только на платах где нет возможности прошить BIOS с помощью FPT, поскольку есть большие сомнение, что они нормально прошивают ME регион на Apito 5 даже с ключем /gan

FPT - прошивка BIOS из под Windows
Как полностью прошить bios через AFUWIN и AFUDOS включая ME регион
Инструкция по прошивке BIOS на китайских материнках. FPT, AFUDOS и CH341A
Прошивка BIOS программатором CH341A с прищепкой Xeon Live
ВИДЕО ГАЙДЫ ПО ПРОШИВКЕ BIOS c помощью программатора CH341A с клипсой (прищепкой)
AFUWIN - прошивка BIOS из под Windows
Прошивка BIOS с помощью AFUDOS
Видегайд по прошивке BIOS с помощью AFUDOS от Купи Дешево
ПРОШИВКА BIOS (UEFI) с загрузочной флешки FPT и AFUDOS
Ошибка FPT 280 при прошивке BIOS или снятие защиты биос
Восстановление биоса программатором от phants
СОФТ И ДРАЙВЕРА для програматора CH341A
НАСТРОЙКИ

Справочник по настройкам (параметрам) BIOS
Intel Rapid Storage — настройка RAID для Legacy и UEFI
Cluster-on-Die (COD)
включен COD, Early Snoop
CMD Normalization
Описание настроек AMI биоса на русском языке"Булат BIOS_UEFI. Руководство по эксплуатации v.1.1"
SPEC CPU2006 Platform Settings for Sugon Intel-based Systems
ОТКЛЮЧАЕМ (ВКЛЮЧАЕМ) CSM
Где находится настройка таймингов в BIOS iEngineer
SATA Device Type: влияние параметров BIOS на производительность SSD
Настройка управления оборотами вентиляторов в BIOS от phants
СБРОС НАСТРОЕК BIOS failsafe и optimal
Сброс настроек BIOS "вслепую"
РАЗНОЕ

ВЕРСИИ ME региона в заводских BIOS X99-TF
КАК ОТЛИЧИТЬ БИОСЫ X99-TF от 28.10.19 и от 25.05.20
КАК ПРОВЕРИТЬ ECC и Command Rate (CR)
Проблемы с оригинальным Bios'ом материнских плат X99Z-V102 и Huananzhi-AD3 (2011-3) и других.
Утилита для смены логотипа биоса ChangeLogo
НАБОР LOGO для матаренских плат x99 от Houston Sad
Инструменты для работы с BIOS

ВНИМАНИЕ! ВАЖНЫЕ ПРЕДУПРЕЖДЕНИЯ

Любая прошивка осуществляется на свой трах и риск без каких либо гарантий. Администрация форума не несет отвественности за последствия. Если не уверены, купите программатор или заручитесь поддержкой Зеонщика в своем городе (найти можно через телеграмм чат).

ПОСЛЕ ПРОШИВКИ ЛЮБЫМ СПОСОБОМ КРОМЕ ПРОГРАММАТОРА КРАЙНЕ РЕКОМЕДУЕТСЯ СДЕЛАТЬ СБРОС НАСТРОЕК БИОС ПЕРЕМЫЧКОЙ ИЛИ БАТАРЕЙКОЙ. ИЗ ПОД WINDOWS НЕЛЬЗЯ ПРОШИТЬ BIOS ЕСЛИ СИСТЕМА В СОСТОЯНИИ ПОСЛЕ СНА! В ЛЮБОМ СЛУЧАЕ НЕ РЕКОМЕНДУЕТСЯ ШИТЬ ПРИ ПОСТ КОДЕ НА МАТЕРИНСКОЙ ПЛАТЕ 73, ДОЛЖЕН БЫТЬ АА (84)
При прошивке из под Windows отключаем БЫСТРЫЙ ЗАПУСК в настроках самой OS и перезагружаемся. Также обязательно надо после прошивки выключить систему и включить (не перезагрузка) для гарантированого прописывания параметров хаба (Ме регион), а то всякие недоразумения могут быть, это же касается изменения некоторых настроек, особенно таймингов.


Биосы от материнских плат HUANANZHI x99-TF, x99-F8, x99-T8, X99-8M, X99-8MD3 совместимы! Но были жалобы, что на x99-F8 и x99-T8 при прошивке биоса x99-TF не работали дополнительные слоты ОЗУ.

Также совместимы биосы от материнских плат Running X99Z-V102 / Kllisre X99Z-V102 / ALZENIT X99M-CE5, X99-PE7(X99 V1.2) / XLZ X99Z-V102



Заводские bios HUANANZHI от 17.08.20, 26.08.20, 15.01.21 десктопные, со всеми вытекающими, например отключен ECC, не рекомендуется к использованию с разгоном серверной памяти, кроме того отсутствует пункт настройки таймингов! В биос от 26.08.20 и 15.01.21 и более поздних также Command Rate (CR) стабильно 3T (CR3) независимо от настроек BIOS! Кроме того следует иметь ввиду, что некоторые пользователи при прошивке bios от 17.08.20 окирипчивали плату - плата зависала на пост коде 19 (Pre-memory South-Bridge initialization is started). В часности окирпичивание подтверждают phants и miyconst и другие пользователи. Обычно такой посткод возникает при проблемах MЕ регионом. Думаю проблема в кривом отключении ME региона в биосе от 17.08.20, хотя в этом биосе также присутствует кривой модуль, что исправлено в версии Кошака. В биос 13.12.21 вернули ECC .... Они биос под майнинг допиливали... :D А ECC очень желателен для майнинга как для любого сервера. С официального сайта Description : Optimize ECC above 4G uffi network card

В биосах от iEngineer для плат HUANANZHI rev.1 модуль CSM не работает (системный диск должен быть GPT, а видекарта поддерживать UEFI), но режим UEFI работает более адэкватно. Если у вас видеокарта не стартует в режиме UEFI, и обновление биоса видекарты не помогло, можете попробовать биос от iEngineer, некоторым это помогло решить проблему. Также некоторым прошивка биос от iEngineer, помогла решить проблему работы видекарты в PCI-E 1.0. Оригинальные биос от iEngineer можно прошить и без программатора, например через FPT, но полный откат только программатором!!! На биосе для x99z v102 CSM работает

ВНИМАНИЕ В БИОСЕ ИНЖЕНЕРА x99-TF (F8) CX99DE27-EARLY.BIN ПО УМОЛЧАНИЮ ЧАСТОТА ПАМЯТИ 2400 и соотвествующие тайминги

Bios от 25.05.20 лучший заводской и полноценный серверный биос для плат HUANANZHI первых ревизий.

ВНИМАНИЕ!!! Версии BIOS для плат HUANANZHI REV 2.0 можно смело шить на более ранние ревизии, а биосы от плат HUANANZHI первых ревизий, без программатора, шьем на REV 2.0 ТОЛЬКО с исправленым table VSCC, которые есть в шапке ниже.

ИЗВЕСТНЫЕ ПРОБЛЕМЫ КОНКРЕТНЫХ ВЕРСИЙ BIOS


Ниже сами BIOS

BIOS (UEFI) для разных плат от Koshak1013 (phants) (Гитхаб Кошака)

BIOS от iEngineer для плат HUANANZHI X99-F8, X99-TF, MACHINIST X99Z V102, Jingsha x99 dual BQ36

Коллекция оригинальных (заводских) биосов для китайских плат x99 плюс обзоры от Miyconst

Внимание REV. 1.2 HUANANZHI полностью рандомная, по этому, что шить спрашиваем на форуме, указывая марикровку микросхемы биос, мультиконтроллера, аудиокодека!

HUANANZHI rev. 1 (nuvoTon nct5532d)

БИОС x99-TF iEngineer CX99DE27 от 25.11.20 с разлочеными регионами от v111
БИОС x99-TF iEngineer CX99DE27-Early от 03.12.20 с разлочеными регионами от v111
BIOS Koshak1013 (phants) HUANANZHI X99-TF X99-F8 X99-T8 v007 от 25.05.2020 с исправленым Smart Fan и выкидыванием в BIOS Recovery вместо загрузки OS с помощью Ultimate Patcher Tool от Nalex ver. 2.2

Ниже биосы с анлоком и андервольтингом патченные Ultimate Patcher Tool Nalex ver. 2.2

BIOS Koshak1013 (phants) v007 HUANANZHI x99-TF, x99-F8 x99-T8 rev. 1 (nuvoTon nct5532d) с анлоком и андервольтингом с исправленым Smart Fan и выкидыванием в BIOS Recovery вместо загрузки OS патченные Ultimate Patcher Tool Nalex ver. 2.2

HUANANZHI rev. 2.0 (nuvoTon NCT5567D-B)


BIOS iEngineer HUANANZHI X99-TF rev. 2.0 c nuvoTon NCT5567D-B от 24.11.2021 с разлоченными регионами и кодеками ALC883, ALC887 и ALC888 Nalex
BIOS iEngineer HUANANZHI X99-F8 rev. 2.0 c nuvoTon NCT5567D-B от 11.09.2021 с разлоченными регионами и кодеками ALC883, ALC887 и ALC888 Nalex
BIOS Koshak1013 (phants) HUANANZHI x99-TF x99-F8 x99-T8 v007 от 25.05.2020 с исправлеными verb table (ALC883, ALC887 и ALC888), table VSCC (for Winbond W25Q128, Microchip SST25VF016B, GigaDevice GD25x128, Macronix MX25L128), Smart Fan и выкидыванием в BIOS Recovery вместо загрузки OS с помощью Ultimate Patcher Tool от Nalex ver. 2.2

Ниже биосы с анлоком и андервольтингом патченные Ultimate Patcher Tool Nalex

BIOS iEngineer HUANANZHI X99-TF rev. 2.0 c nuvoTon NCT5567D-B от 24.11.2021 с разлоченными регионами, кодеками ALC883, ALC887 и ALC888, с анлоком и андервольтингом, патченный Ultimate Patcher Tool Nalex
BIOS iEngineer HUANANZHI X99-F8 rev. 2.0 c nuvoTon NCT5567D-B от 11.09.2021 с разлоченными регионами, кодеками ALC883, ALC887 и ALC888, с анлоком и андервольтингом, патченный Ultimate Patcher Tool Nalex
BIOS с анлоком и андервольтингом Koshak1013 (phants) HUANANZHI X99-TF, X99-F8 и X99-T8 v007 от 25.05.2020 с исправлеными verb table (ALC883, ALC887 и ALC888) и table VSCC (for Winbond W25Q128, Microchip SST25VF016B, GigaDevice GD25x128, Macronix MX25L128) и пропатченный Ultimate Patcher Tool Nalex ver. 2.2

Jingsha X99-8D3 X99-D8

BIOS Koshak1013 (phants) v007 HUANANZHI x99-T8 для плат JINGSHA X99 V1.0 (X99-8D3) (Kllisre) X99-D8 (nuvoTon nct5532d)
BIOS Koshak1013 (phants) v007 HUANANZHI x99-T8 для плат JINGSHA X99 V1.0 (X99-8D3) (Kllisre) X99-D8 с добавлеными в verb table (ALC883, ALC887 и ALC888) и table VSCC (for Winbond W25Q128, Microchip SST25VF016B, GigaDevice GD25x128, Macronix MX25L128) и пропатченный Ultimate Patcher Tool Nalex ver. 2.2
BIOS Koshak1013 (phants) v007 HUANANZHI x99-T8 для плат JINGSHA X99 V1.0 (X99-8D3) (Kllisre) X99-D8 (nuvoTon nct5532d) с анлоком и андервольтингом патченные Ultimate Patcher Tool Nalex ver. 2.2
BIOS Koshak1013 (phants) v007 HUANANZHI x99-T8 для плат JINGSHA X99 V1.0 (X99-8D3) (Kllisre) X99-D8 (nuvoTon nct5532d) с анлоком и андервольтингом с добавлеными в verb table (ALC883, ALC887 и ALC888) и table VSCC (for Winbond W25Q128, Microchip SST25VF016B, GigaDevice GD25x128, Macronix MX25L128) и пропатченный Ultimate Patcher Tool Nalex ver. 2.2
БИОС JINGSHA X99-D8 iEngineer AD12RD29 от 24.10.21
BIOS iEngineer AD12RD29 от 24.10.21 JINGSHA X99 V1.0 (X99-8D3) (Kllisre) X99-D8 (nuvoTon nct5532d) с анлоком и андервольтингом патченные Ultimate Patcher Tool Nalex ver. 2.2
Тестовые BIOS v111 JINGSHA X99-8D3 (Kllisre) X99-D8 (HUANANZHI x99-T8)
Заводской Bios X99-D8 v003 с открытыми таймингами от VK239
Заводской Bios X99-D8v003 с открытыми таймингами от VK239 и удаленным микрокодом
ДАМП BIOS Jingsha X99 V1.0 (X99-8D3) от 06.08.19
BIOS Jingsha X99 V1.0 (X99-8D3) от 09.10.19 Ver: KLX99017
BIOS Jingsha Jingsha X99 V1.0 (X99-8D3) от 09.10.2019 Ver: KLX99017 с таймингами
Jingsha X99-8D3 BIOS от Технопланеты
Заводской Bios Jingsha X99 -E8i (Q87) v5.11 от 05.08.2021
Заводской Bios Jingsha X99 V1.0 (X99-8D3) 04/27/2020
Заводской Bios Jingsha x99-D8i
Дамп биоса JINGSHA X99-D8I V 1.0

ДРУГИЕ "БРЭНДЫ"

Bios от iEngineer для MACHINIST X99-K9 V2.1 CX99DE55 / JUXIESHI X99- K9 на MACHINIST X99Z / K9 MACHINIST Board Series C612RD25 могут быть проблемы!
Bios для платы Machinist (Runing) X99Z v102 Date: 27/05/2020 12:00:00 Ver: AAX99018 от kostiaprofrom
Bios для платы Machinist (Runing) X99Z v102 с анлоком и адервольтингом 70-50-70-1500-FVID от VK239
Модифицированный Bios для платы Machinist (Runing) X99Z v102 от ТехноПланета
Биос для PlexHD X99 D4 с анлоком турбобуста и андервольтингом -50_50 от Vladimzam
Биос для ZX-99EV3 1.23, 1.31 с анлоком турбобуста и андервольтингом -60-50 через S3peim от Vladimzam
Набор bios SZMZ X99M-G2 V1.0
Bios Jingsha x99 dual BQ36 v1.1 от ASUS Z10PA-D8
Bios Jingsha, (kllisre) x99m-g v1.0 unlock turboboost -60-50 (-80-50)
ДАМП BIOS atermiter x99 v203 от 24.09.2021 + турбобуст сделал+ андервольтинг на -100/120 rainystorm
Прошивка микросхемы GallopMem 25Q128ASIG
https://forums.overclockers.ru/viewtopic.php?p=18042240#p18042240
Прошивка биос в LINUX
Прошивка из LINUX


Барахолка
Раздел для частных объявлений по продаже своих комплектующих только для участников форума. Принимаются объявления только по продаже б/у процессоров LGA 2011 v3, китайских материнских плат x99, ОЗУ DDR3 и DDR4, другие комплектующие можно указывать только как добавление к вышеуказанным. Только частные объявления по адекватным ценам никакой коммерции. Объявления значительно, превышающие цены на АлиЭкспресс публиковаться не будут. Для добавления Вашего объявления пишем кураторам темы, указываем наименование, состояние, цена, город, страна. Для продающих в связи с переходом на AMD услуга платная. :D Барыги проходят мимо.

1. darckICE Серверная Samsung DDR3 16gb ECC REG 1333 Мгц.
3500р за штуку есть 10 штук. При покупке от 4ех 3000р за штуку.
Б/У снята с сервера hp. Стабильная работа в 4ех канале на частоте 1866 Мгц с таймингами 10-10-10-28.
Владивосток. Россия.
#77

2. VEugene
Продаю комплект вот такой:
https://aliexpress.ru/item/100500314818 ... 1667062299
Только камни 2666 v3
Состав:
HUANANZHI X99-F8D LGA2011-3
Xeon E5 2666 v3 - 2 шт.
Кулера для CPU - 2 шт.
8G DDR4 2133 REG ECC память - 2 шт.
128G M.2 NVMe SSD (китайский) - 1 шт.
Комплект был запасной, куплен целиком мной лично, заменены в нем только камни (изначально были 2690 v3)
Все проверено, запускается.
Цена 22000 руб.
В Москве.

ДОНАТ для разработки BIOS и S3TurboTool
ser8989 - поддержка сюда 5366-7два80-9045-9598 (МТС-Банк). Для Кошака Qiwi +7-902-два13-33-10 или 4276-6900-10два6-7273 (Сбербанк). Большое спасибо!


По вопросам заполнения шапки пишите в личку m026

У кого JINGSHA (Kllisre) X99-D8 с BIOS новее чем 15.04.2020 просьба поделится дампом.

При обращении на форум с проблемой не работоспособности или не стабильной работы вашей сисемы ОБЯЗАТЕЛЬНО указываем процессор, материнскую плату (ревизию) и ее чипсет, ОЗУ (разгон), наличие анлока и андервольтинга, дату BIOS и другие необходимые параметры. Учасники форума не обладают экстрасенсорными способностями!


Последний раз редактировалось m026 03.09.2025 12:15, всего редактировалось 878 раз(а).


Партнер
 

Member
Статус: Не в сети
Регистрация: 19.12.2020
Откуда: Россия
Фото: 0
dialex1 писал(а):
кидается одна нога
спалишь мамашу и будет две ноги :D
ps.а накуя все это?

_________________
14900kf@Arctic iii 360@Z790 AORUS ELITE AX-W@Adata-XPG@Asus_TUF_RX7900GRE


 

Member
Статус: Не в сети
Регистрация: 06.01.2015
dialex1 писал(а):
по этому от скуки запилил вольтмод

:lol:

_________________
i9-12900HX@5GHz| RTX5060TI16GB| ADATA 64GB DDR5 6K| MSUN B760ITX| XPG BLADE S70| LG 27GP850| DPCOOL CH160| CTECH PPS-650FC| A4TECH B800| CMASTER MM711| LTECH G435


 

Member
Статус: Не в сети
Регистрация: 07.11.2018
Обещал выложить фотки вывода аудио-цифры коаксила и оптики с X99 ZX-X99D3T v1.01, так как эта материнка не располагает ими на задней панели, хотя имеет звуковой чип ALC892 который поддерживает выход цифры, на плате материнки тоже нету вывода цифры, пришлось цепляться к 48 ноге а также делать обвязку из резисторов и конденсаторов это обязательно это указано в самом даташите ALC892 , схему выложил в спойлере, ещё понадобилось для запитки оптики +5 вольт, взял с выхода юсб, на авито купил за 100руб какой то древний тв тюнер, с новым оптические toslink гнездом, rca разъём у меня был. Качеством звука очень доволен, по ощущению коаксил по лучше оптики играет.
фотки
Вложение:
IMG_20220420_123317.jpg
IMG_20220420_123317.jpg [ 5.27 МБ | Просмотров: 2194 ]
Вложение:
IMG_20220420_123257.jpg
IMG_20220420_123257.jpg [ 5.19 МБ | Просмотров: 2194 ]
Вложение:
IMG_20220420_123203.jpg
IMG_20220420_123203.jpg [ 5.53 МБ | Просмотров: 2194 ]
Вложение:
Вложение IMG_20220420_123257.jpg больше недоступно
Вложение:
Вложение IMG_20220420_123203.jpg больше недоступно


Добавлено спустя 3 минуты 32 секунды:
ещё
Вложение:
IMG_20220420_131701.jpg
IMG_20220420_131701.jpg [ 7.73 МБ | Просмотров: 2190 ]
Вложение:
IMG_20220420_123444.jpg
IMG_20220420_123444.jpg [ 7.52 МБ | Просмотров: 2190 ]
Вложение:
IMG_20220420_123434.jpg
IMG_20220420_123434.jpg [ 5.64 МБ | Просмотров: 2190 ]
Вложение:
IMG_20220420_123358.jpg
IMG_20220420_123358.jpg [ 7.13 МБ | Просмотров: 2194 ]
Вложение:
IMG_20220420_123327.jpg
IMG_20220420_123327.jpg [ 4.83 МБ | Просмотров: 2194 ]


Добавлено спустя 5 минут 21 секунду:
Вложение:
IMG_20220420_194308.jpg
IMG_20220420_194308.jpg [ 6.54 МБ | Просмотров: 2189 ]
Вложение:
IMG_20220420_180747.jpg
IMG_20220420_180747.jpg [ 4.77 МБ | Просмотров: 2189 ]
Вложение:
IMG_20220420_180626.jpg
IMG_20220420_180626.jpg [ 4.86 МБ | Просмотров: 2189 ]
Вложение:
IMG_20220420_180505.jpg
IMG_20220420_180505.jpg [ 6.27 МБ | Просмотров: 2190 ]
Вложение:
IMG_20220420_180426.jpg
IMG_20220420_180426.jpg [ 5.7 МБ | Просмотров: 2190 ]


Добавлено спустя 2 минуты 36 секунд:
Вложение:
IMG_20220420_194730.jpg
IMG_20220420_194730.jpg [ 5.72 МБ | Просмотров: 2189 ]
Вложение:
IMG_20220420_194413.jpg
IMG_20220420_194413.jpg [ 6.49 МБ | Просмотров: 2189 ]
Вложение:
IMG_20220420_194351.jpg
IMG_20220420_194351.jpg [ 6.3 МБ | Просмотров: 2189 ]
Вложение:
IMG_20220420_194342.jpg
IMG_20220420_194342.jpg [ 6.24 МБ | Просмотров: 2189 ]
Вложение:
IMG_20220420_200514.jpg
IMG_20220420_200514.jpg [ 7.16 МБ | Просмотров: 2189 ]


Добавлено спустя 3 минуты 12 секунд:
Вложение:
IMG_20220420_200637.jpg
IMG_20220420_200637.jpg [ 5.91 МБ | Просмотров: 2189 ]


Добавлено спустя 4 часа 14 минут 14 секунд:
Вложение:
IMG_20220425_140051.jpg
IMG_20220425_140051.jpg [ 5.8 МБ | Просмотров: 2140 ]
Вложение:
IMG_20220425_140022.jpg
IMG_20220425_140022.jpg [ 3.29 МБ | Просмотров: 2140 ]
Вложение:
IMG_20220425_140001.jpg
IMG_20220425_140001.jpg [ 6.07 МБ | Просмотров: 2140 ]
Вложение:
49-1280329301.png
49-1280329301.png [ 31.53 КБ | Просмотров: 2188 ]
Вложение:
2019-11-15-15-24-16.png
2019-11-15-15-24-16.png [ 515.27 КБ | Просмотров: 2189 ]


Добавлено спустя 2 минуты 13 секунд:
Вложение:
IMG_20220425_142411.jpg
IMG_20220425_142411.jpg [ 6.67 МБ | Просмотров: 2140 ]
Вложение:
IMG_20220425_142325.jpg
IMG_20220425_142325.jpg [ 7.12 МБ | Просмотров: 2140 ]
Вложение:
IMG_20220425_140348.jpg
IMG_20220425_140348.jpg [ 6.69 МБ | Просмотров: 2140 ]
Вложение:
IMG_20220425_140248.jpg
IMG_20220425_140248.jpg [ 5.95 МБ | Просмотров: 2140 ]
Вложение:
IMG_20220425_140132.jpg
IMG_20220425_140132.jpg [ 6.96 МБ | Просмотров: 2140 ]


Добавлено спустя 2 минуты 37 секунд:
Вложение:
IMG_20220425_173447.jpg
IMG_20220425_173447.jpg [ 5.4 МБ | Просмотров: 2140 ]
Вложение:
IMG_20220425_173421.jpg
IMG_20220425_173421.jpg [ 5.1 МБ | Просмотров: 2140 ]
Вложение:
IMG_20220425_173338.jpg
IMG_20220425_173338.jpg [ 5.5 МБ | Просмотров: 2140 ]
Вложение:
IMG_20220425_173315.jpg
IMG_20220425_173315.jpg [ 5.12 МБ | Просмотров: 2140 ]
Вложение:
IMG_20220425_173242.jpg
IMG_20220425_173242.jpg [ 5.76 МБ | Просмотров: 2140 ]


Добавлено спустя 5 минут 44 секунды:
фото с биоса вольтмод на 1.6в
Вложение:
IMG_20220426_015951.jpg
IMG_20220426_015951.jpg [ 3.69 МБ | Просмотров: 2137 ]


 

Member
Статус: Не в сети
Регистрация: 07.11.2018
Утром после выключения компа сразу же снял заднею крышку блока и потрогал рукой ту металлическую заднею часть корпуса внутри где установлен мой колхозный бэкплейт для VRM материнки, удивительно но оказался очень хорошо тёплым, питальник материнки хорошо тепло предаёт на корпус метала. Комп всю ночь работал в простое без нагрузки под утро сразу же выключил и разобрал, если честно я сомневался в эффективности данного колхоза, я добавил туда ещё один слой 1мм термопрокладки так как прижима практически небыло, теперь по прижиму получилось идеально и эффект должен быть получше.


 

Member
Статус: Не в сети
Регистрация: 19.12.2020
Откуда: Россия
Фото: 0
dialex1 Братан ты на пенсии паходу :D

_________________
14900kf@Arctic iii 360@Z790 AORUS ELITE AX-W@Adata-XPG@Asus_TUF_RX7900GRE


 

Member
Статус: Не в сети
Регистрация: 21.11.2020
dialex1 писал(а):
массу от корпуса беру с металической планки, также от корпуса массу взял на цифру оптики и коаксила.

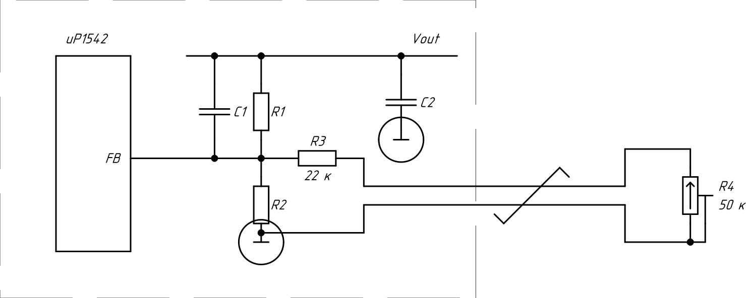
Так делать совсем криво. По материнской плате и корпусу гуляют большие токи, поэтому та GND, которая в питании DIMM, вовсе не одно и тоже, что где-то там на корпусе Вы нашли массу. Между этими точками будет разность потенциалов, выражающая в сумме постоянного напряжения и пульсаций. И всё это (постоянка+пульсации) пойдут на чувствительный вход FB отрицательной ООС микросхемы uP1542, усилятся в несколько раз, согласно резистивному делителю напряжения (примерно 2-3 раза).
Далее, отрезок провода, который Вы припаяли к выводу FB ШИМки, имеет ёмкость относительно земли и других компонентов платы. Данная ёмкость вносит искажения в частотную коррекцию петли ООС, кроме того за счёт этой ёмкости от других компонентов платы тоже лезут помехи.
По итогу напряжение то Вы подняли, а вот стабильность работы ОЗУ от такой поделки может только уменьшиться.
dialex1 писал(а):
Изначально тут увидел https://www.youtube.com/watch?v=cAXAQ41yi60 так как в этой мамки такой шим как и у меня

Видео подробно не смотрел, но ясно, что специалист там так себе. Теперь понятно откуда ноги растут.
dialex1 писал(а):
одна и та же схема с Up1542S на ногу FB шинки кидается одна нога резистора а вторая на массу.

С такими модами можно и +10 В накрутить. Очень опасно.
Набросал схему по улучшению данного "вольт-мода".:
Схема "вольт-мода" ОЗУ на микросхеме uP1542
Вложение:
Sch_uP1542_Vmod.png
Sch_uP1542_Vmod.png [ 31.33 КБ | Просмотров: 2016 ]

Во-первых, предлагается ввести резистор R3, который с одной стороны будет ограничивать пределы регулировки (чтобы не накрутить лишнего), а с другой стороны этот резистор развязывает ёмкость кабеля от ёмкости частотной коррекции С1. Это резистор должен быть в максимальной близости от ШИМки. В идеале лучше взять импортный выводной резистор на 0,125 Вт, засунуть его в термоусадку и припаяться напрямую к выводу FB одним концом. У импортных резисторов такой мощности ножки обычно тонкие и гибкие, что полезно в таких случаях. Совсем в идеале подпаиваться к микросхеме тонкими проводками МГТФ.
Во-вторых, резистор должен подключатся через витую пару (в идеале два скрученных провода МГТФ, можно в экране).
В-третьих, опорная земля для подключения второго провода должна быть найдена вблизи областей, обведённых окружностями. В идеале там, где подключается резистор R2.
P.S. Ну и неплохо было бы узнать номиналы резисторов R1 и R2 (хотя бы одного из них), чтобы можно было точно рассчитать резисторы R3 и R4.
P.P.S. Кроме того, можно замутить печатную платку и установить туда многооборотные резисторы типа: https://www.chipdip.ru/product/3296w-1-503

_________________
1: MSI PRO Z690-A+i9 12900K +4*32=128 GB (Crucial, 2R, DDR5-4800 MHz)+RTX 3050
2: MSI X99-S04+2680 v4+8*16=128 GB (2R, DDR4-2666 MHz)+GTX 1050 Ti


 

Member
Статус: Не в сети
Регистрация: 07.11.2018
mepavel писал(а):
По материнской плате и корпусу гуляют большие токи, поэтому та GND, которая в питании DIMM, вовсе не одно и тоже, что где-то там на корпусе Вы нашли массу

я находил массу та которая питает dimm каналы и uP1542 она тестером прозванивается с корпусом без сопротивления, поэтому я её взял там где ближе, вывел далеко подстроечники, чтоб удобно было в случае чего подстроить, снял боковую крышку выключенного от сети блока вытащил штекер с выводами HB от шинки от резюков и с помощью тестера подкрутил нужное сопротивление главное чтоб одинаково на двух было, воткнул обратно штекер и закрыл крышку. Это ни в коем случает не руководство чисто для себя как мне удобно заколхозил, раньше было 1.568в, щас стоит 1.6в ровно, выше подымать не буду, давно хотел ровные 1.6в для лучшей и уверенной стабильности, вполне безопасное напряжение в huananzi x79 gaming deluxe с завода выставлено 1.6в на модули.

Добавлено спустя 8 минут 16 секунд:
dialex1 писал(а):
во-первых, предлагается ввести резистор R3, который с одной стороны будет ограничивать пределы регулировки (чтобы не накрутить лишнего), а с другой стороны этот резистор развязывает ёмкость кабеля от ёмкости частотной коррекции С1. Это резистор должен быть в максимальной близости от ШИМки. В идеале лучше взять импортный выводной резистор на 0,125 Вт, засунуть его в термоусадку и припаяться напрямую к выводу FB одним концом. У импортных резисторов такой мощности ножки обычно тонкие и гибкие, что полезно в таких случаях. Совсем в идеале подпаиваться к микросхеме тонкими проводками МГТФ.
Во-вторых, резистор должен подключатся через витую пару (в идеале два скрученных провода МГТФ, можно в экране).
В-третьих, опорная земля для подключения второго провода должна быть найдена вблизи областей, обведённых окружностями. В идеале там, где подключается резистор R2.
P.S. Ну и неплохо было бы узнать номиналы резисторов R1 и R2 (хотя бы одного из них), чтобы можно было точно рассчитать резисторы R3 и R4.
P.P.S. Кроме того, можно замутить печатную платку и установить туда многооборотные резисторы типа: https://www.chipdip.ru/product/3296w-1-503

Спасибо ну я уже переделывать ничего не буду, может если кто-то захочет замутить вольтмод то пускай твой вариант попробует, вообще тема рискованная в соседней ветке 2011 два человека убили свои материнки пытаюсь напаять вольтмод на память, нужны хоть какие-то навыки пайки и маленький паяльник с острым жалом, если отсутствует опыт то лучше не лезть. Кстати ту ссылку что ты дал на переменнный подстроечник в чипе дипе, его я тоже рекомендую он очень хороший.


 

Junior
Статус: Не в сети
Регистрация: 02.02.2022
Кто-нибудь может посоветовать вентилятор 30х30х7 для врм? Тот что был у меня на titanium d4 я отрубил из за сильного шума, может есть какие-то более менее качественные?

_________________
Плата: Jingyue X99 Titanium D4
Проц: Xeon-E5 2666v3


 

Member
Статус: Не в сети
Регистрация: 21.11.2020
dialex1 писал(а):
я находил массу та которая питает dimm каналы и uP1542 она тестером прозванивается с корпусом без сопротивления

Обычный тестер-мультиметр в режиме измерения сопротивления в таких задачах работает больше как грубый индикатор, потому как минимальный разряд числа у него обычно десятые (на дорогих сотые) доли Ома. Таким методом в любом месте масса будет показывать одинаковое низкое сопротивление. В таком случае измеряется больше контактное сопротивление щупов, а не искомая земля. Да и дело не только в сопротивлении, т.к. важно место нахождения нужной опорной земли.
dialex1 писал(а):
вполне безопасное напряжение в huananzi x79 gaming deluxe с завода выставлено 1.6в на модули.

Вот интересный вопрос. Официальные Xeon v3, v4 работают только с DDR4. А там максимально допустимое напряжение питания DIMM Vccd по даташиту 1,35 В. Поясню - напряжение питания DIMM ещё поступает в процессор на интерфейсную часть контроллера памяти. На Xeon v2 это же напряжение составляет 1,85 В. Не факт, что Xeon v3 & 4 с контроллером DDR3 сможет поддерживать такое высокое напряжение.
dialex1 писал(а):
вообще тема рискованная в соседней ветке 2011 два человека убили свои материнки пытаюсь напаять вольтмод на память

Это и неудивительно.

_________________
1: MSI PRO Z690-A+i9 12900K +4*32=128 GB (Crucial, 2R, DDR5-4800 MHz)+RTX 3050
2: MSI X99-S04+2680 v4+8*16=128 GB (2R, DDR4-2666 MHz)+GTX 1050 Ti


 

Member
Статус: Не в сети
Регистрация: 09.12.2020
Фото: 29
DIMIRON писал(а):
Кто-нибудь может посоветовать вентилятор 30х30х7 для врм? Тот что был у меня на titanium d4 я отрубил из за сильного шума, может есть какие-то более менее качественные?

Любой 30мм вентилятор будет шуметь, если не ограничивать обороты на нем.
В шапке форума есть подробные инструкции от рукоделов меняющих штатный охлад ВРМ на всяко-разное. Есть даже варианты с бесшумным, пассивным охлаждением. Кто-то даже мутил контроллер для ограничения оборотов, кто-то печатал на 3д принтере каретку под 80мм, который весьма тих по сравнению со своими мелкими собратьями. Короче, гляньте. Может что под свои нужды и желания найдете.

_________________
CPU: Intel Xeon E5-2678v3
MB: Huananzhi X99-TF rev2.0
RAM: 4x8Gb Hynix 2133mhz ECC (CL15)
VGA: PowerColor RX580 RedDevil 8Gb
PS: Hiper HPU-5B880-PE


 

Member
Статус: Не в сети
Регистрация: 09.10.2005
Откуда: Урал
DIMIRON писал(а):
вентилятор 30х30х7

Тоже мучился с ними. По этому я психанул и перешёл на один вентилятор Noctua NF-A6x25 PWM 60 x 60 мм. Сейчас вообще кайф. Через автоматическое регулирование материнки настроил его так, что его не слышу, даже за пределами шума корпусных вентиляторов, когда система под нагрузкой в стресс тестах. Раньше через понижающее обороты (с 3000 до 2300 об. в мин.) сопротивление его подключал, который шёл в комплекте. Тоже не плохо было в принципе. Вырезал единственную вверху тонкую одну перемычку у радиатора VRM и закрепил его на стяжки к радиатору и всё. Делов на минут 15. И темпера лучше стали.

_________________
850W Corsair / Huananzhi X99-TF / E5-2678 v3 / Samsung DDR4 32GB ECC REG / GTX 4060 8GB / Acer Nitro VG270UPbmiipx / MACKIE Onyx Artist / Win10Pro x64


 

Member
Статус: Не в сети
Регистрация: 26.09.2021
Продолжение описания Huananzhi X99Dual-F8D / Huananzhi F8D ver 2.3

После такого большого описания, приобрёл без раздумий эту материнскую плату.
Она меня всем устраивала и устраивает. но...
...но есть и ложки дёгтю.

Расчленёнки не будет, а будет рассказ о минусах...

Первый минус (разводка к слотам расширения): Слоты расширения относящиеся к первому процу (CPU-0 or S0) - самые крайние.
#77

И если у вас только один процессор, то m2.NVME накопитель не поставишь.
И нужен райзер или переходник PCI-Ex4 to m2.NVME. А для нормального тестирования нужна однослотовая видеокарта.
Вложение:
изображение_viber_2022-04-27_16-22-08-500.jpg
изображение_viber_2022-04-27_16-22-08-500.jpg [ 343.43 КБ | Просмотров: 1782 ]

Вложение:
изображение_viber_2022-04-26_12-08-26-031.jpg
изображение_viber_2022-04-26_12-08-26-031.jpg [ 357.83 КБ | Просмотров: 1782 ]

А иначе будет так,
Вложение:
изображение_viber_2022-04-27_16-20-17-092.jpg
изображение_viber_2022-04-27_16-20-17-092.jpg [ 411.02 КБ | Просмотров: 1782 ]

Второй минус (МС биоса): так вышло, но у меня завёлся m2.NGFF накопитель. Пробовать его поставить с панелькой под МС биоса я не стал, т.к. запрос был в другом - не быстро вынуть МС и её где-то прошить, а возможность прошивки без "передёргивания".
Пришлось изобрести вот это,
Вложение:
изображение_viber_2022-04-27_16-17-49-895.jpg
изображение_viber_2022-04-27_16-17-49-895.jpg [ 205.29 КБ | Просмотров: 1782 ]

Задолбался пропаивать 4 ногу (GND) ибо она где-то там (в слоях) была того (пришлось паяльник раскочегаривать до 400+ градусов), а рядом дорожки.
Издержки прошивки из вне: Нужно отключать всё. Снимать все дискретные карты. Отключать АТХ-24 разъём. И нужно дополнительное питание +5 вольт (я подключал кабелем USB to USB).

Третий минус (процессорные сокеты): Поставил вначале только первый процессор (CPU-0) - для проверки работоспослобности.
Всё работает - претензий нет.
А потом решил, что таки пришло время ставить второй процессор (CPU-1 or S1), и тут поймал печальку - не ставится кулер.
Собственно это проблема для всех китай-матерей.
Как установил?
Снял вентиляторы. Открутил рамку крепления кулера (CPU-1 or S1). Собрал всё это в воздухе. И уже в таком виде прикрутил охлаждение к сокету.
Вложение:
изображение_viber_2022-04-26_12-08-45-512.jpg
изображение_viber_2022-04-26_12-08-45-512.jpg [ 459.33 КБ | Просмотров: 1782 ]

Вложение:
изображение_viber_2022-04-26_12-07-48-030.jpg
изображение_viber_2022-04-26_12-07-48-030.jpg [ 244.33 КБ | Просмотров: 1781 ]

Вложение:
изображение_viber_2022-04-26_12-09-05-277.jpg
изображение_viber_2022-04-26_12-09-05-277.jpg [ 335.14 КБ | Просмотров: 1781 ]

Вложение:
изображение_viber_2022-04-26_12-08-58-196.jpg
изображение_viber_2022-04-26_12-08-58-196.jpg [ 231.98 КБ | Просмотров: 1781 ]

Четвёртый минус (БИОС): собственно с биосом из коробки и с двумя установленными процессорами на материнке ни одна винда ни в каком виде не загружалась, а тупо висла.
Я даже успел испугаться и подумать, что таки проц того. Нет, не проц. Прошил биос от кота "HNX99F8D_210407_kot_v002_DB22E588" - всё заработало. Маленько его модифицировал и так оставил.

Теперь о плюсе: Биос нормально стартует даже с подключенным программатором, а мать сама себя хорошо прошивает.

Доставка: выбрал локальную доставку. Коробка в коробке. Всё целое.

Про радиаторы на VRM пока нечего писать т.к. руки не дошли.

_________________
X10X99-16D + 2xE5-2697Av4 + 8x32=256Gb DDR4-2400 + RTX3060 12Gb
X99-F8D-plus + 2xE5-2696v3 + 8х16=128Gb DDR4-2133 + RTX 2060S 8Gb
(и не только...)


Последний раз редактировалось Saboteur-2 27.04.2022 21:52, всего редактировалось 1 раз.

 

Member
Статус: Не в сети
Регистрация: 09.10.2008
Опишу проблему с которой столкнулся, может кто то поиском найдет и ему поможет.

Звуковая карта Asus Xonar SE, была установлена в huananzhi x99 tf, все работало прекрасно кроме ютуба, в браузерах Мозила и Опера через каждые 5-15 мин видео останавливалось на 2-3 сек, после продолжалось, а в Edge звук шёл как не в чем не бывало, видео ряд так же тормозил на 2-3 сек временами.

Решение проблемы установка драйвера для USB asmedia, Винда хоть и с последними обновлениями 2021 года устанавливала версию 1.0, а это 2010 год. Установите хотя бы 1.6 это уже 2019 год.
При чем тут USB контроллер....бог его знает


Может кому то пригодиться.
Мои ощущения по поводу звука, huananzhi x99 tf мне попался звуковой чип 887, наушники у меня от аудио-техники начального уровня, разница ощутимая.
1. Как же повысилась громкость, раньше ставил Volume Booster и выкручивал на 300%-400%, сейчас он нафик не нужен.
2. Hi-Fi я вот не фанат этих форматов, но теперь для меня эквалайзер мертв..... реально приятно слушать все.
3. Микро в ТС и Дискорде реально похвалили за чистый звук, хотя микрофон за 500р...

(Звуковую карту купил по скидке 80% просто зашел в магаз посмотреть стиралки для матери и пока она там их разглядывала пошел в комп отдел..так вот это карточка использовалась самим центром на витрине для музыки и.т.д + на ней были пару царапен незначительных фаска не пострадала..хотя собирался Стрикс покупать...теперь думаю а зачем...)

_________________
HUANANZHI X99-TF rev.2 | Xeon E5-2666v3 | Samsung DDR4 4x8 GB | GTX 1650 | KINGSTON SSD | Reletech P400 NVME | Win10 Pro | BIOS iEngineer CX99DE30FIT


 

Member
Статус: Не в сети
Регистрация: 20.11.2015
Фото: 72
ONover писал(а):
(Звуковую карту купил по скидке 80% просто зашел в магаз посмотреть стиралки для матери и пока она там их разглядывала пошел в комп отдел..так вот это карточка использовалась самим центром на витрине для музыки и.т.д + на ней были пару царапен незначительных фаска не пострадала..хотя собирался Стрикс покупать...теперь думаю а зачем...)

А я как-то зашел, думал, че взять, пс4, или монитор, а в итоге взял железную соковыжималку... Крутая штука. И было это года три назад.. Вдруг кому пригодится... Все лучше, чем снова начинать аудиофильский срач...

Добавлено спустя 1 минуту 58 секунд:
ONover писал(а):
3. Микро в ТС и Дискорде реально похвалили за чистый звук, хотя микрофон за 500р...

Реально похвалили? Ну тут уж не поспоришь против таких аргументов...

Добавлено спустя 2 минуты 7 секунд:
Saboteur-2 писал(а):
Теперь о плюсе: Биос нормально стартует даже с подключенным программатором, а мать сама себя хорошо прошивает.

Вы явно ищете острых ощущений...

_________________
X99-T8/E5-2666v4@3.1GHz/128Gb DDR3-2400R/GTX 1080
X99-S04/QK3S@4.1GHz/128Gb DDR4-2666R/RTX 3070
X10DRi-LN4+/2xE5-2697Av4/768Gb DDR4-2400R


 

Member
Статус: Не в сети
Регистрация: 26.09.2021
MichaelF, нет, просто чтобы было.
Я прошил и всем доволен. И надеюсь, что больше не нужно будет повода этим заниматься.

_________________
X10X99-16D + 2xE5-2697Av4 + 8x32=256Gb DDR4-2400 + RTX3060 12Gb
X99-F8D-plus + 2xE5-2696v3 + 8х16=128Gb DDR4-2133 + RTX 2060S 8Gb
(и не только...)


 

Member
Статус: Не в сети
Регистрация: 09.10.2008
MichaelF писал(а):
Реально похвалили? Ну тут уж не поспоришь против таких аргументов.


Да тут каждый второй, Стример, и.т.д покакупят мирко за десятки тысяч, а их смотрят 2 человека....Вот они оценили... :D

_________________
HUANANZHI X99-TF rev.2 | Xeon E5-2666v3 | Samsung DDR4 4x8 GB | GTX 1650 | KINGSTON SSD | Reletech P400 NVME | Win10 Pro | BIOS iEngineer CX99DE30FIT


 

Member
Статус: Не в сети
Регистрация: 11.03.2022
MichaelF писал(а):
Ну после холодного старта должен бы регулировать, если все 4 контакта доходят от платы до вентилятора. И явно у вас ситуация меняется в случае выхода из сна, и в случае холодного старта. Что-то вы там недопонимаете, и нам тоже вешаете лапшу на уши.

Лапшу я не вешаю, включил в биосе режим сна , после выхода из сна обороты режутся с 2000 до 1500, всегда горит "нужный" посткод AA если в винде убрать быструю загрузку, после выхода из сна висит посткод 73 но система не грузится.
При первом включении независимо от нагрузки обороты шпарят на 2000.
Касаемо политики ТБ
Вот по аиде
фото #77


вот что показывает HWMonitor
фото#77


а это с выключенным в биосе сном
политика ТБ отображается корректно
фото#77


касаемо того что производительность не меняется, но цифры по всем ядрам после режима сна 3,3 , вот данные из аиды

обычный режим без сна
Чтение из памяти
51020 МБ/с - 14x Xeon E5-2680 v4 HT 2900 МГц Unknown Motherboard C612 Quad DDR4-2400 17-17-17-39 CR3
Запись в память
54121 МБ/с 14x Xeon E5-2680 v4 HT 2900 МГц Unknown Motherboard C612 Quad DDR4-2400 17-17-17-39 CR3
Копирование в памяти
47617 МБ/с 14x Xeon E5-2680 v4 HT 2900 МГц Unknown Motherboard C612 Quad DDR4-2400 17-17-17-39 CR3
Задержка памяти
85.7 ns Xeon E5-2680 v4 3300 МГц Unknown Motherboard C612 Quad DDR4-2400 17-17-17-39 CR3
CPU Queen
9417514x Xeon E5-2680 v4 HT 2900 МГц Unknown Motherboard C612 Quad DDR4-2400 17-17-17-39 CR3
CPU PhotoWorxx
23217 Мпкс/с 14x Xeon E5-2680 v4 HT 2900 МГц Unknown Motherboard C612 Quad DDR4-2400 17-17-17-39 CR3
CPU ZLib
930.5 МБ/с 14x Xeon E5-2680 v4 HT 3100 МГц Unknown Motherboard C612 Quad DDR4-2400 17-17-17-39 CR3
CPU AES
46193 МБ/с 14x Xeon E5-2680 v4 HT 2900 МГц Unknown Motherboard C612 Quad DDR4-2400 17-17-17-39 CR3
CPU SHA3
3786 МБ/с 14x Xeon E5-2680 v4 HT 2900 МГц Unknown Motherboard C612 Quad DDR4-2400 17-17-17-39 CR3
FPU Julia 67558 14x Xeon E5-2680 v4 HT 2900 МГц Unknown Motherboard C612 Quad DDR4-2400 17-17-17-39 CR3
FPU Mandel
35858 14x Xeon E5-2680 v4 HT 2900 МГц Unknown Motherboard C612 Quad DDR4-2400 17-17-17-39 CR3
FPU SinJulia
13044 14x Xeon E5-2680 v4 HT 3000 МГц Unknown Motherboard C612 Quad DDR4-2400 17-17-17-39 CR3
FP32 Ray-Trace
13882 KRay/s 14x Xeon E5-2680 v4 HT 2900 МГц Unknown Motherboard C612 Quad DDR4-2400 17-17-17-39 CR3
FP64 Ray-Trace
7543 KRay/s 14x Xeon E5-2680 v4 HT 2900 МГц Unknown Motherboard C612 Quad DDR4-2400 17-17-17-39 CR3

режим после сна с коном на посткарте 73 и 1500 оборотами cpufan
Чтение из памяти
50745 МБ/с 14x Xeon E5-2680 v4 HT 2900 МГц Unknown Motherboard C612 Quad DDR4-2400 17-17-17-39 CR3
Запись в память
54116 МБ/с 14x Xeon E5-2680 v4 HT 2900 МГц Unknown Motherboard C612 Quad DDR4-2400 17-17-17-39 CR3
Копирование в памяти
47175 МБ/с 14x Xeon E5-2680 v4 HT 3000 МГц Unknown Motherboard C612 Quad DDR4-2400 17-17-17-39 CR3
Задержка памяти
85.7 ns Xeon E5-2680 v4 3300 МГц Unknown Motherboard C612 Quad DDR4-2400 17-17-17-39 CR3
CPU Queen
94254 14x Xeon E5-2680 v4 HT 2900 МГц Unknown Motherboard C612 Quad DDR4-2400 17-17-17-39 CR3
CPU PhotoWorxx
23202 Мпкс/с 14x Xeon E5-2680 v4 HT 3300 МГц Unknown Motherboard C612 Quad DDR4-2400 17-17-17-39 CR3
CPU ZLib
932.4 МБ/с 14x Xeon E5-2680 v4 HT 3000 МГц Unknown Motherboard C612 Quad DDR4-2400 17-17-17-39 CR3
CPU AES
46197 МБ/с 14x Xeon E5-2680 v4 HT 2900 МГц Unknown Motherboard C612 Quad DDR4-2400 17-17-17-39 CR3
CPU SHA3
3786 МБ/с 14x Xeon E5-2680 v4 HT 2900 МГц Unknown Motherboard C612 Quad DDR4-2400 17-17-17-39 CR3
FPU Julia 67581 14x Xeon E5-2680 v4 HT 2900 МГц Unknown Motherboard C612 Quad DDR4-2400 17-17-17-39 CR3
FPU Mandel
35867 14x Xeon E5-2680 v4 HT 2900 МГц Unknown Motherboard C612 Quad DDR4-2400 17-17-17-39 CR3
FPU SinJulia
13046 14x Xeon E5-2680 v4 HT 2900 МГц Unknown Motherboard C612 Quad DDR4-2400 17-17-17-39 CR3
FP32 Ray-Trace
13883 KRay/s 14x Xeon E5-2680 v4 HT 2900 МГц Unknown Motherboard C612 Quad DDR4-2400 17-17-17-39 CR3
FP64 Ray-Trace 7549 KRay/s
14x Xeon E5-2680 v4 HT 2900 МГц Unknown Motherboard C612 Quad DDR4-2400 17-17-17-39 CR3


и поэтому со всей ответственностью заявляю, что стоковый биос "2021-12-13" на X99-F8 V2 не регулирует обороты cpufan , имеет косяк падения скорости после выхода из сна, по умолчанию сон в биосе выключен, при включении сна и выключении быстрой загрузки после сна система не грузится, виснет на посткоде 73 , с быстрой загрузкой грузится отлично, но тогда посткод все равно 73, а не AA.
после выхода из режима сна процессор в ТБ резко показывает 3,3 ггц по всем ядрам , но на реальной производительности это никак не отражается.
Некорректно показывает питание памяти, в аиде, HWMonitor и пр данных по БП вообще нет, при том в биосе есть информация по +12 и +5
ну и CR3 конечно (хотя он не так страшен на практике)
Следовательно биос ужасный.

з.ы. с кнопкой разобрался, работает 1 раз из 10, надеюсь в корпусах кнопки одинаковые, заказал новую)


 

Member
Статус: Не в сети
Регистрация: 15.08.2017
Фото: 209
Saboteur-2
Поздравляю с покупкой.
Смотрю магазин HUANANZHI Official Store немного пришел в себя, в начале года продавал плату на 40 у.е. дороже конкурентов.
1,2,3
1. Когда тестировал и писал обзор ставил дреннюю видеокарту GT8600 с "микроскопическим" радиатором и проблем не было,
После, когда устанавливал нормальную двухслотовую карту + платы расширения, столкнулся с теми же проблемами.
В среднем слоте карта закрывает своим радиатором нижний pci-e.
В нижнем упирается своим радиатором в коннекторы усб и звука. (возможно из-за того что плата на 6мм короче стандарта eatx)

2. В принципе плата программно прошивается. Подключать программатор нужно только в случае окирпичивания или при неуёмной жажде эксперементов :).

3. У меня основная проблема с кулерами заключалась в том что они нифига не охлаждали, пришлось менять на другие и ставить на них более производительные вентиляторы.
Иначе Тjmax приближалась к 0. Потом выяснилось что это такой баг такая "оверклокерская" фича этой платы.
При подобном расположении кулеров советую уделить внимание температурам врм, т.к. радиаторы врм обдуваться не будут.
А плата, повторюсь, "оверклокерская". TDP занижен примерно в 6 раз. Процессоры получают некорректную информацию о своем потреблении,
и поэтому лимиты PL1/PL2 не срабатывают. Первый работающий по умолчанию ограничитель это максимальный ток на процессоре IccInMax.
При корректно работающем TDP, процессоры в нагрузке должны работать на максимальном токе всего 4 мс, после срабатывает лимит PL2 (обычно 120% TDP),
далее через некоторое время включается лимит PL1 и потребление ограничивается TDP процессора.
При заниженном TDP лимиты срабатывать не будут и в нагрузке процессоры могут длительно работать на 200% своего TDP (Pmax).
Кулеры процессоров и штатные радиаторы врм на подобный режим не расчитаны и будут сильно нагреваться.
таблица14
Вложение:
табл14.png
табл14.png [ 122.89 КБ | Просмотров: 1587 ]

Вложение:
28.jpg
28.jpg [ 2.88 МБ | Просмотров: 1587 ]
Что можно сделать
• Можно попытаться занизить максимальный ток ICC_IN_MAX. Он задается в биосе PP0_CURT_CFG_CTRL_MSR.
По умолчанию задан лимит 176А (возможно он берется из спецификаций установленного процессора).
PP0_CURT_CFG_CTRL_MSR находится в меню Cpu-Advanced PM Tuning. Подробнее и про то, как открыть меню здесь и тут.
• Попробовать вручную занизить лимиты PL1 и PL2, подобрав примерные значения.
- Утилита IntelXTU бесполезна, она позволяет только менять лимиты в диапазонах: PL1=62..145, PL2=62..174.
- ThrottleStop9.4 может выставлять низкие лимиты, но при этом некорректно работает с двумя процессорами, выставляя лимиты то на один процессор, то на оба.
- Корректно занизить лимиты можно только в биос (Long Dur Pwr Limit/Short Dur Pwr Limit).
• Не делать анлок. На штатных частотах процессор также превышает свой TDP, но уже не настолько сильно.
• Занизить макс частоты, что имхо нецелесообразно.
• Отключить несколько ядер, что имхо тоже не вызывает восторга.
• Не запускать линпаки, лин-иксы и прочие стресс тесты, дающие максимальную нагрузку.
• Ждать, возможно энтузиасты как-то смогут пофиксить поломанный tdp.
• Продать нафиг эту плату и жить спокойно, но скучно :).
• Ничего не ограничивать и оставить как есть, у себя именно так и сделал. Но у меня установлены довольно большие и хорошо продуваемые радиаторы на обоих врм.
И вентиляторы на процессорных кулерах заменены на серверные, настроенные при сильном нагреве давать большой воздушный поток.

_________________
F8 (5567D-B), e5-2696v3, 8х32GB Samsung DDR4-2400 ECC Reg, GTX1050Ti
TF v3.0(5567D-B), e5-1660v3, 4х16GB Samsung DDR4-2400 ECC Reg, RTX2060S


 

Member
Статус: Не в сети
Регистрация: 25.11.2020
Попался мне E5-1680v3 за вменяемые деньги (меньше $100).
Вложение:
E5-1680v3 top.jpg
E5-1680v3 top.jpg [ 945.16 КБ | Просмотров: 1578 ]
Вложение:
E5-1680v3 bottom.jpg
E5-1680v3 bottom.jpg [ 912.06 КБ | Просмотров: 1578 ]


Множитель и всё остальное полностью разблокировано.

"Из коробки" работает на 3.8GHz на все ядра.
Взял 4GHz с дефолтовыми напряжениями.
4.2GHz - 1.2в
4.4GHz - 1.25в

Видимо удачный экземпляр.
Дальше гнать ссыкотно, т.к. TDP в аиде начинает за 200 Ватт переваливать.
Кольцевую шину пока не гнал, но она тоже гонится.

Вложение:
E5-1680v3.jpg
E5-1680v3.jpg [ 653.34 КБ | Просмотров: 1578 ]


Если бы я играл в игрушки и у меня была бы 3080Ti то возможно я бы поставил его себе в игровой комп :D

UPD: Cinebench R20 отвалился с ошибкой, но без зависаний и синего экрана. Поднял напряжение до 1.26в. В Cinebench TDP подскакивает до 218 Ватт.

Жду E5-1660v4 ES QK3S с разблокированным множителем, камень уже в пути.

_________________
Asus X99-Deluxe | Intel® Confidential QK3S@4.2GHz | Micron 128GB ECC
ASRock X99 Taichi | Intel® Confidential QLPM (E5-2699Av4 QS) | Samsung 128GB ECC


 

Member
Статус: Не в сети
Регистрация: 13.10.2018
eugene159 писал(а):
Множитель и всё остальное полностью разблокировано.

"Из коробки" работает на 3.8GHz на все ядра.
Взял 4GHz с дефолтовыми напряжениями.
4.2GHz - 1.2в
4.4GHz - 1.25в

Видимо удачный экземпляр.
Дальше гнать ссыкотно, т.к. TDP в аиде начинает за 200 Ватт переваливать.
Кольцевую шину пока не гнал, но она тоже гонится.

На какой плате производили сие эксперименты? На ASUS X99-DELUXE ?

_________________
- ASRock Fatal1ty X399 + Ryzen Threadripper 1950X + DDR4 3600 МГц 32 ГБ + RTX 3070
- Huananzhi X99-ZD4 + E5-1660V3 + DDR4 2133 Mhz 32 ГБ + GTX 1660Ti


Показать сообщения за:  Поле сортировки  
Начать новую тему Новая тема / Ответить на тему Ответить  Сообщений: 58527 • Страница 1761 из 2927<  1 ... 1758  1759  1760  1761  1762  1763  1764 ... 2927  >
-

Часовой пояс: UTC + 3 часа


Кто сейчас на конференции

Сейчас этот форум просматривают: нет зарегистрированных пользователей и гости: 34


Вы не можете начинать темы
Вы не можете отвечать на сообщения
Вы не можете редактировать свои сообщения
Вы не можете удалять свои сообщения
Вы не можете добавлять вложения

Перейти:  
Создано на основе phpBB® Forum Software © phpBB Group
Русская поддержка phpBB | Kolobok smiles © Aiwan