Часовой пояс: UTC + 3 часа




Куратор(ы):   m026   



Начать новую тему Новая тема / Ответить на тему Ответить  Сообщений: 57081 • Страница 1991 из 2855<  1 ... 1988  1989  1990  1991  1992  1993  1994 ... 2855  >
  Пред. тема | След. тема 
В случае проблем с отображением форума, отключите блокировщик рекламы
Автор Сообщение
 
Прилепленное (важное) сообщение

Junior
Статус: Не в сети
Регистрация: 01.01.2011
Китайские материнские платы Х99 (Intel C612), socket LGA2011-3

Вопросы по ОЗУ обсуждаются в отдельной ветке Обсуждение и разгон оперативной памяти на китайских Х99
ВНИМАНИЕ!!! ВАЖНЫЕ ПРЕДУПРЕЖДЕНИЯ!!! ЧИТАТЬ ОБЯЗАТЕЛЬНО!!!
сообщения ниже красным ввиде ссылок
После покупки, а также при любых проблемах, если не стартует или висит на посткоде, не видит планку ОЗУ, в первую очередь протереть контакты оперативной памяти, процессора и видеокарты этиловым или изопропиловым спиртом, бензином калоша или их смесью, также можно промыть разъемы оперативной памяти на материнке, при этом избегайте попадания спирта или бензина на термопрокладку VRM. При производстве китайских плат используется не самый качественный флюс, который плохо смывается. При нагреве флюс может растекатся и нарушать контакты в слотах ОЗУ. Поэтому, если у Вас не работает слот ОЗУ, промойте его бензином калоша из шприца! Проверте целостность контактов сокета. Может также помочь в некоторых случаях переустановка процессора (достать -поставить обратно, плохой прижим контактов). Также настоятельно рекомендуется проверить крепления сокета - четыре винта под звездечку. Бывают случаи, что винты плохо затянуты. Особое внимание уделите, установке кулера, особенно с родным креплением, равномерно затягиваем винты недопуская перекосов. Если плата не стартует или висит на посткоде (особенно FF), крайне желательно подкинуть другой БП и видекарту... То что у Вас блок питания или видекарта "100% рабочие" и без проблем работают на другой системе в даном случае ни о чем не говорит!



















Материнские платы X99Z-V102 и Huananzhi-AD3 и другие с ЗАВОДСКИМ БИОСОМ при сильно заниженных таймингах оперативной памяти перестают стартовать. И сброс биоса перемычкой, выниманием батарейки и прочими способами вам не поможет!!! Единственный выход из положения — прошивка программатором. При разгоне процессоров с разблокированным множителем (к примеру 1650v3) возникает такая-же аналогичная проблема. Решения тут два: либо установить вместо него любой другой (подойдёт даже 2620v3) либо опять — прошивка программатором.




На китайских материнских платах x99 СОН работает или не работает не зависимо от анлока (андервольтинга) турбобуста! При использовании драйверов анлока EFI или FFS (DXE), после выхода из режима сна процессор будет работать на дэфолтных частотах. Для восстановления нормальной работы анлока турбобуста придется перезагружать компьютер! Возможны зависания после пробуждения на пост кодах и в ОS. Для нормальной работы анлока после сна используйте драйвер анлока FFS (PEI) или Ultimate Patcher Tool от Nalex. Гибернация при анлоке работает в штатном режиме!


Проблема-Решение. Доработки. Баги.
ОБЯЗАТЕЛЬНО ЧИТАЕМ ИЗВЕСТНЫЕ ПРОБЛЕМЫ КОНКРЕТНЫХ ВЕРСИЙ BIOS
Ускоряем загрузку BIOS и OS (Убираем писк при старте)
Устраняем пост код 73
ВОССТАНОВЛЕНИЕ ЗАГРУЗЧИКА WINDOWS на Jingsha x99 dual BQ36 v1.1 (и других платах)
Зависает система при использовании AIDA64 - датчики
Проседает частотат шины FSB 100.00MHz
ЗВУК

Нет звука на передней панеле
Звуковая карта не воспроизводить звук 5.1
Кратко о звуке на китайских платах
СОН и ГИБЕРНАЦИЯ

Настройка сна и гибернации
Джампера (перемычки) JPWR и пробуждение от сна (гибернации) от клавиатуры (мышки)
USB

Проверку работоспособности USB проводим на "задних" портах. При любых проблемах подкидываем другой БП, а лучше USB HUB с внешним питанием, дабы отсечь "железные" проблемы.

USB 3.0 "отваливается" или падает скорость. Предварительное
Решение проблемы с USB портами ("заикается" звуковая карта)
Про джампера (перемычки) USB_SW, разъём F_USB3 (USB 2.0 на переднюю панель) и WI-FI Bluetooth модуль m.2 x99-TF
Отсутствует значок "Безопасного извлечения устройств" в USB 2.0 портах на Huananzhi Gaming X99-TF

ОХЛАЖДЕНИЕ и SMART FAN
Замена штатных вентиляторов охлаждения VRM X99-TF на аналогичные, но с шариковыми подшипниками
Размеры радиатора VRM x99-TF (F8,T8)
SMART FAN HUANANZHI, разъёмы CPU_FAN и СОН
SMART FAN JINGSHA (Kllisre) X99-8D3 X99-D8 CPU_FAN1/CPU_FAN2
Есть отзывы, что подключение-отключение нижнего 3 pin вентилятора нарушает работу Smart Fan, требуется сброс настроек биос и повторная настройка Smart Fan, предполагаю, что это связано с особеностью серверных бисосов
Чиним Smart Fan на Machinist v102a K9
Настройка Smart FAn на atermiter (plexhd) x99
Установка кулера LGA 2011 v3. Как не убить плату
ИЗОБРАЖЕНИЕ ВИДЕОКАРТА

НЕТ ИЗОБРАЖЕНИЯ
Не работает старая видеокарта или не работает новая видеокарта в старых системах
Mashinist X99Z 102 не работает без видеокарты
Отсутствие изображения при отключении CSM модуля. Machinist X99-RS9
ОЗУ и SSD

Резервирование оперативной памяти BIOS. Windows видит не всю ОЗУ или куда пропало 200 мб
X99-TF. В Bios пропадает параметр Memory Frequency
Открываем тайминги оперативки на X99Zv102
Как сделать доступной настройку частоты ОЗУ на заводском bios X99-TF без его модификации
Отвал диска KingSpec M.2 NVMe SSD PCIe (WHEA-logger 17) Machinist X99-RS9

НАШ КОЛХОЗ

Доработка Jingsha X99 V1.0 (X99-8D3) и JINGSHA (Kllisre) X99-D8
СЬЕМНЫЙ (ОТКЛЮЧАЕМЫЙ) speaker (beeper buzzer) на примере x99-TF
ОХЛАЖДЕНИЕ VRM
Как я колхозил "кастомный" радиатор VRM на материнской плате Athermiter/PlexHD ZX99-EV3 v1.31
Замена двух штатных вентиляторов охлаждения VRM X99-TF одним 60 мм
Замена двух штатных вентиляторов охлаждения VRM X99-TF одним JMicron 80х80х25, 12 вольт от zebs
БЮДЖЕТНЫЙ КОЛХОЗИНГ ВРМ на примере Huananzhi X99-TF rev2.0 от N3RO
Самодельный радиатор для охлаждения зоны VRM с обратной стороны материнской платы HUANANZHI X99 X99-TF v. 2.0. от Brandmajor
Колхоз охлаждения VRM Huananzhi F8D ver2.3 от mt01
Эффективный радиатор на VRM Huananzhi slonick56
ОХЛАЖДЕНИЕ VRM своими руками После ВАХТЫ
Охлад VRM радиатором от 1U от ahm
Охлад VRM радиатором от индукционной плиты от pavel_RF
Модернизация охлаждения VRM на Huananzhi X99-TF от Владимир Мирошниченко
Охлаждение VRM платы huananzhi x99-tf своими руками от ONover
Охлаждение VRM платы Machinist X99-K9 v.2 радиатором Asus M3A32-MVP от zerbino
Водяное охлаждение VRM на X99-TF от Begemot41
Убираем неровности мосфетов VRM от Bemon Bemonov
МИКРОСХЕМА BIOS
Сьемная микросхема BIOS на матринских платах X99-TF (F8, Т8, AD3) КОЛХОЗ
Сьемная микросхема BIOS на матринских платах X99-TF (F8, Т8, AD3) от Fox Bredman
Сьемная микросхема BIOS x99-TF от mozg13
Доступ прищепкой к микросхеме bios и охлаждение VRM на X99-TF от MickMPS
ПАНЕЛЬКА ДЛЯ МИКРОСХЕМЫ BIOS от Begemot41
ПРОШИВКА BIOS ПРОГРАММАТОРОМ без ПРИЩЕПКИ (на постоянку, колхоз) от ser8989
Временное решение для ПРОШИВКИ BIOS ПРОГРАММАТОРОМ без ПРИЩЕПКИ и адаптера под SOP-8
МАТЕРИНСКИЕ ПЛАТЫ. Выбор. Тесты. Сравнение. Обзоры.
Основные отличия китайскиx материнских плат Х99 от брэндовых

1. Изготавливаются в основном на серверном чипсете Intel C612, за редким исключением на десктопном чипсете Intel X99 Express, а также изготовливаюcя на различных десктопных чипсетах H61, H81, B85, Q85, Q87, Z87..... и серверном C226.
2. Разьемы под вентиляторы не регулируемые, за исключением процессорного, который в свою очередь не регулируется после сна и крутит на 50% независимо от температуры процессора, что решается правкой BIOS. С конца 2020 года начали выпускатся платы (типа Machinist V102A, V104, K9) с не регулируемым разьемом CPU_FAN, причиной оказалась "утереная" перемычка на плате.
3. Некторые температурные датчики, например VRM, отсутствуют, а наличиствующие могут подавать неверные значения.
4. На некоторых дешевых моделях может отсуствувать режим сна.
5. Некоторые дешевые платы при наличии двух или четырех слотов ОЗУ могут работать в одно или двух канале соответственно!
6. Как биос прошита не оптимизированная общая заготовка AMI, на некоторых моделях могут отсутствовать, некоторые необходимые настройки, например, регулировка таймингов. Причем настройка таймингов может быть скрыта хитро, и вернуть ее через amibcp не получится, а только через ЗАД

ОБЗОРЫ И СРАВНЕНИЕ

СРАВНИТЕЛЬНАЯ ТАБЛИЦА МАТЕРИНСКИХ ПЛАТ
Инструкция по выбору материнской плат на LGA2011-3 с AliExpress. Для работы и игр. BIOS, Unlock TB
Обзоры китайских материнских плат от Miyconst (EN-UA)
Сравнение китайских материнских плат от Максимум ПК
Сравнение китайских материнских плат от Miyconst (EN)
Сравнение китайских материнских плат от Miyconst (UA)


Внимание материнские платы x99-tf, x99-f8 и x99-t8 поддерживают работу только с m.2 nvme. M.2 SATA работать не будут!!! Также платы поддерживают m.2 wi-fi или стандартный pci-e wi-fi, ноутбучные mini pci-e будут работать только через соответствующий переходник!!!

X99-TF
Обзор от Купи дешево
Детальный обзор Huananzhi X99-TF спустя 8 месяцев использования. Новый лучший BIOS, Unlock TB и тд.
Фото, общий вид. Детально
Фото, описание элементов
КРАТКИЙ ОБЗОР x99-TF Rev. 2.0

X99-F8
Обзор HUANANZHI X99-F8
Обзор X99-F8 со снятием радиаторов и кожуха

X99-T8

X99-AD3

X99-AD4

X99-8M

X99-8MD3

X99-T8D

X99-F8D
Huananzhi X99Dual-F8D / Huananzhi F8D ver 2.3. Обзор, расчлененка, доработки.

ДРУГИЕ ПРОИЗВОДИТЕЛИ


JINGSHA X99-E8i (Intel® Q87)

Jingsha X99-8D3
Jingsha X99-8D3 обзор Технопланета

PlexHD (Atermiter) ZX_99EV3
Atermiter Х99 (ZX-99EV3) 2011.3

Jingsha (Kllisre) X99-D4 (AD12-B v1.0)
Kllisre AD12-B (Ver1.0)

Jingsha X99-D8

Jingsha X99-D8 Dual
Jingsha bq36-v11 (Dualsocket) (Джингша)

Jingsha X99 dual F2

Kllisre X99 Dual (ZX-DU99D4 v1.11)

Machinist (Running, Kllisre) X99Z v102 \ X99M-CE5
Runing X99Z v102-2011.3

Machinist X99-K9
Детальный обзор Machinist X99-K9 от Мійконст
Материнская плата MACHINIST X99 K9 + E5 2660 v3 и E5 2678 v3: Тестируем нагрев в стресс-тестах

Machinist (Alzenit) X99Z v500 \ X99M-PLUS

Jingsha (kllisre) X99-GT v1.0

Veineda x99 v367

Alzenit X99-PE7 EN
Alzenit X99-PE7 UA

SZMZ X99M-G2 V1.0

ALZENIT X99Z V600 mini-DTX

Jingsha x99m-H
Jingsha x99m-H2
JingSha X99M-H(2) – detailed review, E5-1660 V3, E5-2678 V3, E5-2620 V4, i7-5820k, i7-6800k

Материнские платы не рекомендуемые к покупке


JingSha X99-GT на чипсете Intel® B85
Machinist, Aterminer, Kllisre ZX-MINX9D4 v1.2
КЛОН Huananzhi X99-8M - ОСТОРОЖНО КИТАЙСКИЙ однокАНАЛЬНЫЙ МУСОР
Раздел в работе :bandhead:
Разгон множителем процессоров lga2011-3 Xeon® E5-16XX v3
ВНИМАНИЕ. РАЗГОН ПО МНОЖИТЕЛЮ ВОЗМОЖЕН ТОЛЬКО НА МАТЕРИНСКИХ ПЛАТАХ С СЕРВЕРНЫМ ЧИПСЕТОМ (C612). На материнских платах HUANANZHI могут проблемы с разгоном на "дэсктопных" BIOS начиная с 17.08.20 и позже, рекомендуемый BIOS от 25.05.20

Для разгона множитилем как правило достаточно настроек стокового биоса, но в любом случае не прошивайте биосы предназначеные для анлока турбобуста процессров с заблокированым множителем, типа"с повышенным повер-лимитом и открытыми дополнительными настройками QPI".
Для плат Huananzhi и других, использующих схожий биос, нужные настройки находятся в меню IntelRCSetup > Overclocking Feature > Processor и IntelRCSetup > Overclocking Feature > CLR\Ring.
Основные параметры:
Core Max OC Ratio — множитель ядер. Для Xeon E5 1650 v3 можно сразу установить 41-42.
Core Voltage Mode — можно выбрать динамически (Adaptive) повышать напряжение или сделать статическим
Core Voltage Override — выставляем напряжение на процессор в милливольтах, к примеру 1250, это будет 1.25 вольта (начать можно как раз с этого значения). Выше 1.30 поднимать с осторожностью!
CLR Max OC Ratio — множитель контроллера памяти. По умолчанию равен 30, можно плавно повышать до 33-35 и тестировать производительность и стабильность.
Core Voltage Mode — напряжение контроллера памяти. Аналогично Core Voltage Mode, но не выше 1250.
Процессоры Haswell очень чувствительны к напряжению контроллера памяти, более-менее оптимальным считается 1.25 вольта, поднимать выше стоит с особой осторожностью.

Для максимально стабильного разгона надо в BIOS сделать пункты Cpu-Advanced PM Tuning и Program PP0_CURT_CFG_CTRL_MSR видимыми переключив на USER
Вложение:
2678v3&TDC.jpg

Розгон Xeon E5-1660 V3 на платах MSI X99-S04, Huananzhi X99-TF та JingSha X99-D8 от Miyconst (EN)
Розгон Xeon E5-1660 V3 на платах MSI X99-S04, Huananzhi X99-TF та JingSha X99-D8 от Miyconst (UA)
Инструкция по разгону на примере x99-TF
Видеогайд от Купи дешево (6:10)
Инструкция от Купи дешево
Детальная инструкция по разгону на Китайских материнках с сокетом 2011-3. Huananzhi X99 + E5 1650v3 от Технопланеты
Разгон CPU на Китайских материнских платах X99 от Xeon Live
Оперативная память (ОЗУ)
Внимание всем!!!При переходе с x79 на x99, следует иметь ввиду, что на x99 память разгоняется намного
хуже

Планки обьемом 32 Гб, могут не заработать! Есть случаи когда вообще не работает, или работает только в двух или трех канале...! Есть информация, что четырехранговые планки работать полноценно не будут, а только двухранговые! Также есть информация, что заводятся только низковольтные планки!

При изменение тайминга TCWL, проявите особую осторожность! Некорректное значение TCWL, в лучшем случае приведет к невозможности запустить плату и необходимости сброса настроек BIOS перемычкой, в худшем к окирпичиванию платы с последующей прошивкой BIOS программатором!

После смены таймингов, компьютер следует выключить кнопкой, а затем, включить, так как при обычной перезагрузке изменения могут корректно не примениться!


HUANANZHI X99-F8: Особенности установки ОЗУ
HUANANZHI X99-TF: Особенности установки ОЗУ 1
HUANANZHI X99-TF: Особенности установки ОЗУ 2
Мониторинг температуры модулей памяти
Какую память выбрать DDR3 или DDR4 для максимальной производительности на LGA2011-3? Xeon E5 2678v3 ТехноПланета
Подбираем тайминги для DDR3 ECC \ non-ECC
Базовые правила установки модулей памяти на серверных материнских платах Intel C612
Intel Xeon E5-1600/2600 v3/v4 и оперативная память
Какая оперативная память (ОЗУ) работает на китайских платах x99. Выбор между DDR4 и DDR3. Процессоры c поддержкой DDR3
Как определить тип поддерживаемой оперативной памяти DDR-4 для систем Х99 Китайских материнских плат
Как подобрать обычную DDR4 для Китайских материнских плат на Х99
DDR3 vs DDR4 | Dual vs Quad channel RAM configuration (Huananzhi X99-TF з E5-2678 V3) от Miyconst (EN)
Четырехканал vs двухканал DDR3 (quad vs dual channel) от Gerkon
DDR3 или DDR4? Два или четырери канала памяти? (Huananzhi X99-TF з E5-2678 V3) от Miyconst (UA)
Нужен ли 4-канал на Китайских LGA2011-3, или 2-канала более, чем достаточно? Kllisre и Huananzhi X99 от Технопланеты
Что лучше для LGA2011-3, десктопная или серверная DDR4 ECC REG память? Тест ОЗУ TANBASSH 2400/2667 от Технопланеты
Видеогайд по настройке таймингов ОЗУ на примере Kllisre X99 D8 E5-1650 V3 16 GB DDR4 ECC REG от Miyconst (EN)
Видеогайд по настройке таймингов ОЗУ на примере Kllisre X99 D8 E5-1650 V3 16 GB DDR4 ECC REG от Miyconst (UA)
Руководство по разгону и настройке таймингов ОЗУ на китайских платах LGA2011-3 для DDR3 & DDR4 от Технопланеты
Влияние таймингов ОЗУ на производительность в работе и играх на примере LGA2011-3. Stock vs MAX OC от Технопланеты
Проверка оперативной памяти на ошибки и стабильность
КАК ПРОВЕРИТЬ память (ОЗУ) на ошибки WHEA
Переделка DDR3 памяти в DDR3L с правкой CRC контрольной суммы
Отключение датчика в SPD Klissre DDR4 8gb 2666mhz от ser8989
Обсуждение и разгон оперативной памяти на китайских Х99
Обсуждение памяти DDR3+FAQ
Раздел в работе :bandhead:
BIOS. Прошивка. Настройка.
Полезные ссылки и настройки. Прошивка.

ПРОГРАММЫ
S3TurboTool ПРОГРАММА ДЛЯ ПРОШИВКИ, БЭКАПА И РАБОТЫ С BIOS от ser8989
Mi899 - небольшая программа для анлока и андервольтинга
Ultimate Patcher Tool Патчер биоса от Nalex
Утилита для управления подсветкой Jingsha X99-8D3 X99-D8 из под Windows от Nalex

ПОСТ КОДЫ
Расшифровка значения Post-кодов для китайских LGA2011\2011-3 плат
Расшифровка POST-кодов Huanan (HuananZhi) Платформа x79,99 LGA 2011
ПРОШИВКА

Рекомендуемая программа для прошивки BIOS - FPT, желательно из под DOS, что бы избежать проблем с OS, например, зависания во время прошивки. Можно также использовать программы со встроеным FPT, например, тот же S3TurboTool от ser8989. Касательно AFUDOS и AFUWIN, то рекомендую их использовать только на платах где нет возможности прошить BIOS с помощью FPT, поскольку есть большие сомнение, что они нормально прошивают ME регион на Apito 5 даже с ключем /gan

FPT - прошивка BIOS из под Windows
Как полностью прошить bios через AFUWIN и AFUDOS включая ME регион
Инструкция по прошивке BIOS на китайских материнках. FPT, AFUDOS и CH341A
Прошивка BIOS программатором CH341A с прищепкой Xeon Live
ВИДЕО ГАЙДЫ ПО ПРОШИВКЕ BIOS c помощью программатора CH341A с клипсой (прищепкой)
AFUWIN - прошивка BIOS из под Windows
Прошивка BIOS с помощью AFUDOS
Видегайд по прошивке BIOS с помощью AFUDOS от Купи Дешево
ПРОШИВКА BIOS (UEFI) с загрузочной флешки FPT и AFUDOS
Ошибка FPT 280 при прошивке BIOS или снятие защиты биос
Восстановление биоса программатором от phants
СОФТ И ДРАЙВЕРА для програматора CH341A
НАСТРОЙКИ

Справочник по настройкам (параметрам) BIOS
Intel Rapid Storage — настройка RAID для Legacy и UEFI
Cluster-on-Die (COD)
включен COD, Early Snoop
CMD Normalization
Описание настроек AMI биоса на русском языке"Булат BIOS_UEFI. Руководство по эксплуатации v.1.1"
SPEC CPU2006 Platform Settings for Sugon Intel-based Systems
ОТКЛЮЧАЕМ (ВКЛЮЧАЕМ) CSM
Где находится настройка таймингов в BIOS iEngineer
SATA Device Type: влияние параметров BIOS на производительность SSD
Настройка управления оборотами вентиляторов в BIOS от phants
СБРОС НАСТРОЕК BIOS failsafe и optimal
Сброс настроек BIOS "вслепую"
РАЗНОЕ

ВЕРСИИ ME региона в заводских BIOS X99-TF
КАК ОТЛИЧИТЬ БИОСЫ X99-TF от 28.10.19 и от 25.05.20
КАК ПРОВЕРИТЬ ECC и Command Rate (CR)
Проблемы с оригинальным Bios'ом материнских плат X99Z-V102 и Huananzhi-AD3 (2011-3) и других.
Утилита для смены логотипа биоса ChangeLogo
НАБОР LOGO для матаренских плат x99 от Houston Sad
Инструменты для работы с BIOS

ВНИМАНИЕ! ВАЖНЫЕ ПРЕДУПРЕЖДЕНИЯ

Любая прошивка осуществляется на свой трах и риск без каких либо гарантий. Администрация форума не несет отвественности за последствия. Если не уверены, купите программатор или заручитесь поддержкой Зеонщика в своем городе (найти можно через телеграмм чат).

ПОСЛЕ ПРОШИВКИ ЛЮБЫМ СПОСОБОМ КРОМЕ ПРОГРАММАТОРА КРАЙНЕ РЕКОМЕДУЕТСЯ СДЕЛАТЬ СБРОС НАСТРОЕК БИОС ПЕРЕМЫЧКОЙ ИЛИ БАТАРЕЙКОЙ. ИЗ ПОД WINDOWS НЕЛЬЗЯ ПРОШИТЬ BIOS ЕСЛИ СИСТЕМА В СОСТОЯНИИ ПОСЛЕ СНА! В ЛЮБОМ СЛУЧАЕ НЕ РЕКОМЕНДУЕТСЯ ШИТЬ ПРИ ПОСТ КОДЕ НА МАТЕРИНСКОЙ ПЛАТЕ 73, ДОЛЖЕН БЫТЬ АА (84)
При прошивке из под Windows отключаем БЫСТРЫЙ ЗАПУСК в настроках самой OS и перезагружаемся. Также обязательно надо после прошивки выключить систему и включить (не перезагрузка) для гарантированого прописывания параметров хаба (Ме регион), а то всякие недоразумения могут быть, это же касается изменения некоторых настроек, особенно таймингов.


Биосы от материнских плат HUANANZHI x99-TF, x99-F8, x99-T8, X99-8M, X99-8MD3 совместимы! Но были жалобы, что на x99-F8 и x99-T8 при прошивке биоса x99-TF не работали дополнительные слоты ОЗУ.

Также совместимы биосы от материнских плат Running X99Z-V102 / Kllisre X99Z-V102 / ALZENIT X99M-CE5, X99-PE7(X99 V1.2) / XLZ X99Z-V102



Заводские bios HUANANZHI от 17.08.20, 26.08.20, 15.01.21 десктопные, со всеми вытекающими, например отключен ECC, не рекомендуется к использованию с разгоном серверной памяти, кроме того отсутствует пункт настройки таймингов! В биос от 26.08.20 и 15.01.21 и более поздних также Command Rate (CR) стабильно 3T (CR3) независимо от настроек BIOS! Кроме того следует иметь ввиду, что некоторые пользователи при прошивке bios от 17.08.20 окирипчивали плату - плата зависала на пост коде 19 (Pre-memory South-Bridge initialization is started). В часности окирпичивание подтверждают phants и miyconst и другие пользователи. Обычно такой посткод возникает при проблемах MЕ регионом. Думаю проблема в кривом отключении ME региона в биосе от 17.08.20, хотя в этом биосе также присутствует кривой модуль, что исправлено в версии Кошака. В биос 13.12.21 вернули ECC .... Они биос под майнинг допиливали... :D А ECC очень желателен для майнинга как для любого сервера. С официального сайта Description : Optimize ECC above 4G uffi network card

В биосах от iEngineer для плат HUANANZHI rev.1 модуль CSM не работает (системный диск должен быть GPT, а видекарта поддерживать UEFI), но режим UEFI работает более адэкватно. Если у вас видеокарта не стартует в режиме UEFI, и обновление биоса видекарты не помогло, можете попробовать биос от iEngineer, некоторым это помогло решить проблему. Также некоторым прошивка биос от iEngineer, помогла решить проблему работы видекарты в PCI-E 1.0. Оригинальные биос от iEngineer можно прошить и без программатора, например через FPT, но полный откат только программатором!!! На биосе для x99z v102 CSM работает

ВНИМАНИЕ В БИОСЕ ИНЖЕНЕРА x99-TF (F8) CX99DE27-EARLY.BIN ПО УМОЛЧАНИЮ ЧАСТОТА ПАМЯТИ 2400 и соотвествующие тайминги

Bios от 25.05.20 лучший заводской и полноценный серверный биос для плат HUANANZHI первых ревизий.

ВНИМАНИЕ!!! Версии BIOS для плат HUANANZHI REV 2.0 можно смело шить на более ранние ревизии, а биосы от плат HUANANZHI первых ревизий, без программатора, шьем на REV 2.0 ТОЛЬКО с исправленым table VSCC, которые есть в шапке ниже.

ИЗВЕСТНЫЕ ПРОБЛЕМЫ КОНКРЕТНЫХ ВЕРСИЙ BIOS


Ниже сами BIOS

BIOS (UEFI) для разных плат от Koshak1013 (phants) (Гитхаб Кошака)

BIOS от iEngineer для плат HUANANZHI X99-F8, X99-TF, MACHINIST X99Z V102, Jingsha x99 dual BQ36

Коллекция оригинальных (заводских) биосов для китайских плат x99 плюс обзоры от Miyconst

Внимание REV. 1.2 HUANANZHI полностью рандомная, по этому, что шить спрашиваем на форуме, указывая марикровку микросхемы биос, мультиконтроллера, аудиокодека!

HUANANZHI rev. 1 (nuvoTon nct5532d)

БИОС x99-TF iEngineer CX99DE27 от 25.11.20 с разлочеными регионами от v111
БИОС x99-TF iEngineer CX99DE27-Early от 03.12.20 с разлочеными регионами от v111
BIOS Koshak1013 (phants) HUANANZHI X99-TF X99-F8 X99-T8 v007 от 25.05.2020 с исправленым Smart Fan и выкидыванием в BIOS Recovery вместо загрузки OS с помощью Ultimate Patcher Tool от Nalex ver. 2.2

Ниже биосы с анлоком и андервольтингом патченные Ultimate Patcher Tool Nalex ver. 2.2

BIOS Koshak1013 (phants) v007 HUANANZHI x99-TF, x99-F8 x99-T8 rev. 1 (nuvoTon nct5532d) с анлоком и андервольтингом с исправленым Smart Fan и выкидыванием в BIOS Recovery вместо загрузки OS патченные Ultimate Patcher Tool Nalex ver. 2.2

HUANANZHI rev. 2.0 (nuvoTon NCT5567D-B)


BIOS iEngineer HUANANZHI X99-TF rev. 2.0 c nuvoTon NCT5567D-B от 24.11.2021 с разлоченными регионами и кодеками ALC883, ALC887 и ALC888 Nalex
BIOS iEngineer HUANANZHI X99-F8 rev. 2.0 c nuvoTon NCT5567D-B от 11.09.2021 с разлоченными регионами и кодеками ALC883, ALC887 и ALC888 Nalex
BIOS Koshak1013 (phants) HUANANZHI x99-TF x99-F8 x99-T8 v007 от 25.05.2020 с исправлеными verb table (ALC883, ALC887 и ALC888), table VSCC (for Winbond W25Q128, Microchip SST25VF016B, GigaDevice GD25x128, Macronix MX25L128), Smart Fan и выкидыванием в BIOS Recovery вместо загрузки OS с помощью Ultimate Patcher Tool от Nalex ver. 2.2

Ниже биосы с анлоком и андервольтингом патченные Ultimate Patcher Tool Nalex

BIOS iEngineer HUANANZHI X99-TF rev. 2.0 c nuvoTon NCT5567D-B от 24.11.2021 с разлоченными регионами, кодеками ALC883, ALC887 и ALC888, с анлоком и андервольтингом, патченный Ultimate Patcher Tool Nalex
BIOS iEngineer HUANANZHI X99-F8 rev. 2.0 c nuvoTon NCT5567D-B от 11.09.2021 с разлоченными регионами, кодеками ALC883, ALC887 и ALC888, с анлоком и андервольтингом, патченный Ultimate Patcher Tool Nalex
BIOS с анлоком и андервольтингом Koshak1013 (phants) HUANANZHI X99-TF, X99-F8 и X99-T8 v007 от 25.05.2020 с исправлеными verb table (ALC883, ALC887 и ALC888) и table VSCC (for Winbond W25Q128, Microchip SST25VF016B, GigaDevice GD25x128, Macronix MX25L128) и пропатченный Ultimate Patcher Tool Nalex ver. 2.2

Jingsha X99-8D3 X99-D8

BIOS Koshak1013 (phants) v007 HUANANZHI x99-T8 для плат JINGSHA X99 V1.0 (X99-8D3) (Kllisre) X99-D8 (nuvoTon nct5532d)
BIOS Koshak1013 (phants) v007 HUANANZHI x99-T8 для плат JINGSHA X99 V1.0 (X99-8D3) (Kllisre) X99-D8 с добавлеными в verb table (ALC883, ALC887 и ALC888) и table VSCC (for Winbond W25Q128, Microchip SST25VF016B, GigaDevice GD25x128, Macronix MX25L128) и пропатченный Ultimate Patcher Tool Nalex ver. 2.2
BIOS Koshak1013 (phants) v007 HUANANZHI x99-T8 для плат JINGSHA X99 V1.0 (X99-8D3) (Kllisre) X99-D8 (nuvoTon nct5532d) с анлоком и андервольтингом патченные Ultimate Patcher Tool Nalex ver. 2.2
BIOS Koshak1013 (phants) v007 HUANANZHI x99-T8 для плат JINGSHA X99 V1.0 (X99-8D3) (Kllisre) X99-D8 (nuvoTon nct5532d) с анлоком и андервольтингом с добавлеными в verb table (ALC883, ALC887 и ALC888) и table VSCC (for Winbond W25Q128, Microchip SST25VF016B, GigaDevice GD25x128, Macronix MX25L128) и пропатченный Ultimate Patcher Tool Nalex ver. 2.2
БИОС JINGSHA X99-D8 iEngineer AD12RD29 от 24.10.21
BIOS iEngineer AD12RD29 от 24.10.21 JINGSHA X99 V1.0 (X99-8D3) (Kllisre) X99-D8 (nuvoTon nct5532d) с анлоком и андервольтингом патченные Ultimate Patcher Tool Nalex ver. 2.2
Тестовые BIOS v111 JINGSHA X99-8D3 (Kllisre) X99-D8 (HUANANZHI x99-T8)
Заводской Bios X99-D8 v003 с открытыми таймингами от VK239
Заводской Bios X99-D8v003 с открытыми таймингами от VK239 и удаленным микрокодом
ДАМП BIOS Jingsha X99 V1.0 (X99-8D3) от 06.08.19
BIOS Jingsha X99 V1.0 (X99-8D3) от 09.10.19 Ver: KLX99017
BIOS Jingsha Jingsha X99 V1.0 (X99-8D3) от 09.10.2019 Ver: KLX99017 с таймингами
Jingsha X99-8D3 BIOS от Технопланеты
Заводской Bios Jingsha X99 -E8i (Q87) v5.11 от 05.08.2021
Заводской Bios Jingsha X99 V1.0 (X99-8D3) 04/27/2020
Заводской Bios Jingsha x99-D8i
Дамп биоса JINGSHA X99-D8I V 1.0

ДРУГИЕ "БРЭНДЫ"

Bios от iEngineer для MACHINIST X99-K9 V2.1 CX99DE55 / JUXIESHI X99- K9 на MACHINIST X99Z / K9 MACHINIST Board Series C612RD25 могут быть проблемы!
Bios для платы Machinist (Runing) X99Z v102 Date: 27/05/2020 12:00:00 Ver: AAX99018 от kostiaprofrom
Bios для платы Machinist (Runing) X99Z v102 с анлоком и адервольтингом 70-50-70-1500-FVID от VK239
Модифицированный Bios для платы Machinist (Runing) X99Z v102 от ТехноПланета
Биос для PlexHD X99 D4 с анлоком турбобуста и андервольтингом -50_50 от Vladimzam
Биос для ZX-99EV3 1.23, 1.31 с анлоком турбобуста и андервольтингом -60-50 через S3peim от Vladimzam
Набор bios SZMZ X99M-G2 V1.0
Bios Jingsha x99 dual BQ36 v1.1 от ASUS Z10PA-D8
Bios Jingsha, (kllisre) x99m-g v1.0 unlock turboboost -60-50 (-80-50)
ДАМП BIOS atermiter x99 v203 от 24.09.2021 + турбобуст сделал+ андервольтинг на -100/120 rainystorm
Барахолка
Раздел для частных объявлений по продаже своих комплектующих только для участников форума. Принимаются объявления только по продаже б/у процессоров LGA 2011 v3, китайских материнских плат x99, ОЗУ DDR3 и DDR4, другие комплектующие можно указывать только как добавление к вышеуказанным. Только частные объявления по адекватным ценам никакой коммерции. Объявления значительно, превышающие цены на АлиЭкспресс публиковаться не будут. Для добавления Вашего объявления пишем кураторам темы, указываем наименование, состояние, цена, город, страна. Для продающих в связи с переходом на AMD услуга платная. :D Барыги проходят мимо.

1. darckICE Серверная Samsung DDR3 16gb ECC REG 1333 Мгц.
3500р за штуку есть 10 штук. При покупке от 4ех 3000р за штуку.
Б/У снята с сервера hp. Стабильная работа в 4ех канале на частоте 1866 Мгц с таймингами 10-10-10-28.
Владивосток. Россия.
#77

2. VEugene
Продаю комплект вот такой:
https://aliexpress.ru/item/100500314818 ... 1667062299
Только камни 2666 v3
Состав:
HUANANZHI X99-F8D LGA2011-3
Xeon E5 2666 v3 - 2 шт.
Кулера для CPU - 2 шт.
8G DDR4 2133 REG ECC память - 2 шт.
128G M.2 NVMe SSD (китайский) - 1 шт.
Комплект был запасной, куплен целиком мной лично, заменены в нем только камни (изначально были 2690 v3)
Все проверено, запускается.
Цена 22000 руб.
В Москве.

ДОНАТ для разработки BIOS и S3TurboTool
ser8989 - поддержка сюда 5366-7два80-9045-9598 (МТС-Банк). Для Кошака Qiwi +7-902-два13-33-10 или 4276-6900-10два6-7273 (Сбербанк). Большое спасибо!


По вопросам заполнения шапки пишите в личку m026

У кого JINGSHA (Kllisre) X99-D8 с BIOS новее чем 15.04.2020 просьба поделится дампом.

При обращении на форум с проблемой не работоспособности или не стабильной работы вашей сисемы ОБЯЗАТЕЛЬНО указываем процессор, материнскую плату (ревизию) и ее чипсет, ОЗУ (разгон), наличие анлока и андервольтинга, дату BIOS и другие необходимые параметры. Учасники форума не обладают экстрасенсорными способностями!


Последний раз редактировалось m026 03.09.2025 12:15, всего редактировалось 878 раз(а).


Партнер
 

Member
Статус: Не в сети
Регистрация: 25.11.2020
goga2000ru писал(а):
сокет подтягивали ?

У меня, кстати, на одном из Асусов с некоторыми процами в одном канале пропадала память. Долго ломал голову и пытался найти паттерн. В итоге нашёл. Воткнул DDR4 тестер и заметил что когда в этом канале память не видится, то один светодиод светится ярче других. Ну дальше экспериментальным способом было установлено что если крепление сокета немного отпустить или поставить другом проц, который на несколько микрон ниже, но светодиод начинает светиться как надо и канал памяти появляется :crazy:

Т.е. в моём случае надо было не подтянуть, а отпустить.

_________________
Asus X99-Deluxe | Intel® Confidential QK3S@4.2GHz | Micron 128GB ECC
ASRock X99 Taichi | Intel® Confidential QLPM (E5-2699Av4 QS) | Samsung 128GB ECC


 

Member
Статус: Не в сети
Регистрация: 04.12.2019
Попробовал сегодня прошить Resizable BAR в bios на titanium d3 (2666v3), но не удалось запуститься.
Включаю Above 4G decoding, выключаю CSM или меняю все там на UEFI и плата встает сначала на посткоде D6, а потом окончательно на A6 - на мониторе изображения нет.
При этом, если запуститься просто в UEFI без подключения SSD, то до биоса она доходит. Аналогично, если запуститься с Above 4G decoding без включения UEFI, биос отображается в низком разрешении.
CPU-z показывает галочку рядом с UEFI, видеокарта r9 390 powercolor, есть у кого идеи - что там не так?


 

Member
Статус: Не в сети
Регистрация: 25.11.2020
Alex_Ts писал(а):
Попробовал сегодня прошить Resizable BAR в bios на titanium d3 (2666v3), но не удалось запуститься.

Я тоже попробовал на джинхуе mini-ITX и Radeon 6400. В CSM ничего не менял, у меня и так всё в UEFI загружается. После добавления ffs модуля и включсения Above 4G всё работало как обычно. А вот после записывания какой-то там UEFI variable из командной строки и перезагрузке биосу явно плохеет. Он больше в графический режим не переключается, в самом биосе все в текстовом режиме в ASCII кодировке, т.ч. некоторые символы неправильно отображаются, далее логотип винды при загрузке от семёрки, который текстовый (винда десятка). Но в итоге всё загружается и GPU-Z говорит что Resizable Bar включился. Правда fps больше чем было я не заметил и с глючным биосом мириться тоже не хотел. Вобщем сброил его перемычкой и всё вернулось взад.

_________________
Asus X99-Deluxe | Intel® Confidential QK3S@4.2GHz | Micron 128GB ECC
ASRock X99 Taichi | Intel® Confidential QLPM (E5-2699Av4 QS) | Samsung 128GB ECC


 

Member
Статус: Не в сети
Регистрация: 04.12.2019
eugene159 писал(а):
В CSM ничего не менял, у меня и так всё в UEFI загружается.

Я сегодня покопался на биосе от Кошака ради сравнения и пришел к выводу, что не могу загрузится при включенном UEFI и Above 4G decoding без прошивки Resizable BAR в bios.
Если Above 4G decoding включен, а вместо UEFI выбрано Legacy, то биос загружается в низком разрешении. Если Above 4G decoding выключен и выбран UEFI, то биос загружается в обычном виде (правда сам Windows не грузится, появляется надпись A2 в углу экрана и все). Но если выбрать UEFI + Above 4G decoding, то видео не инициализируется, сначала d6, а потом A6 и на мониторе изображения нет.

Не знаю, честно говоря, как там должен UEFI работать и что с этим делать, может биос надо обновить на 390, по идее он должен ведь в UEFI работать или я что-то не то делаю.


 

Member
Статус: Не в сети
Регистрация: 26.03.2018
eugene159 писал(а):
Т.е. в моём случае надо было не подтянуть, а отпустить.

Это означает, что какие-то шары, на которых сидит сокет, в отвале?


 

Member
Статус: Не в сети
Регистрация: 14.05.2022
Имеется E5 2696 v3. Андервольт ядра -80 остальное -50 -50. Работает стабильно. Так вот пишут что понижают напряжение кэша аж до -130. На что это может сказаться? Как повлияет на производительность? Какие у кого настройки с данным камнем?


 

Member
Статус: Не в сети
Регистрация: 26.09.2021
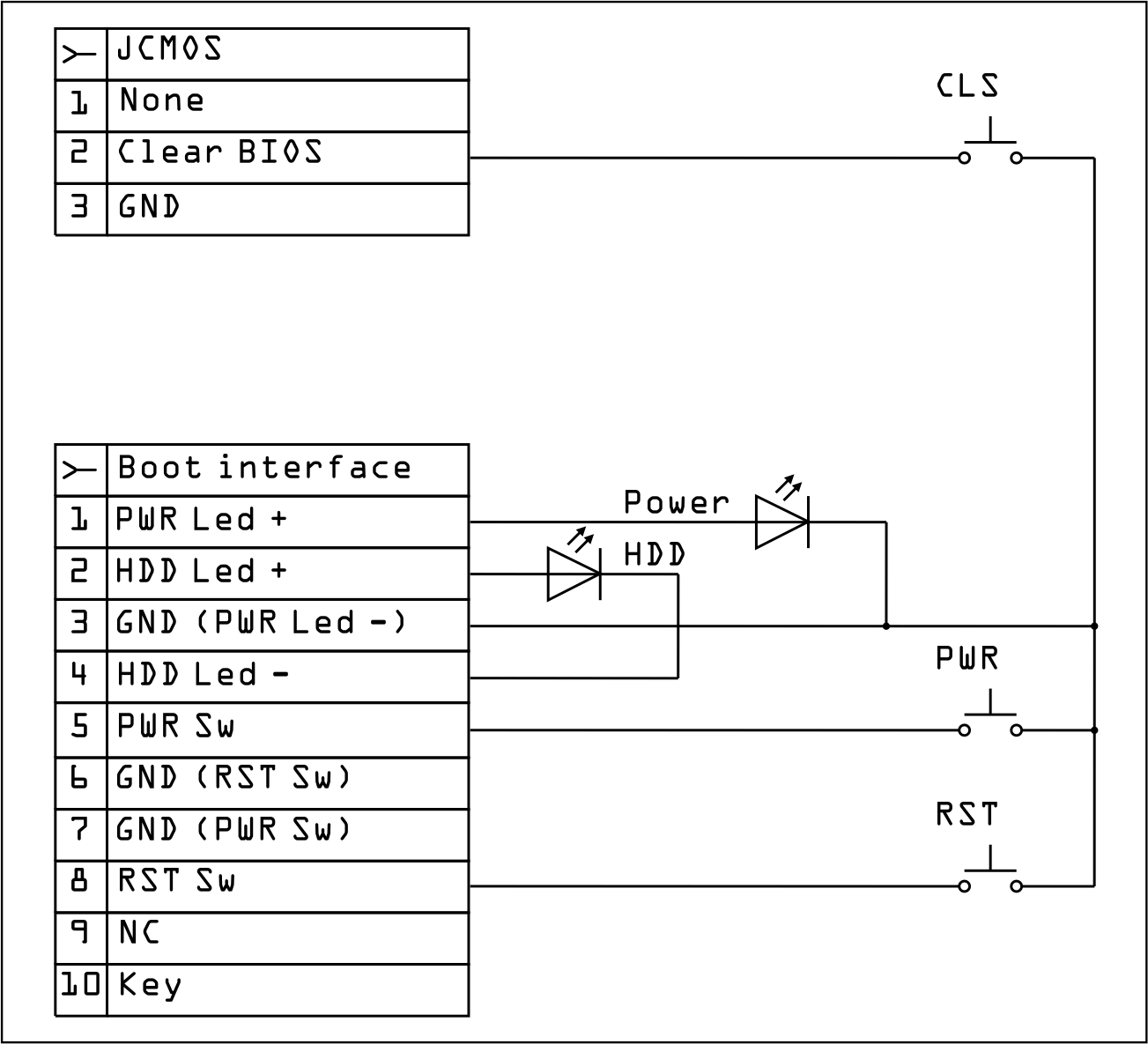
Сброс настроек биоса прямо на морде ПК.

Тут что-то глядел я на свой кейс и всё никак не мог придумать, а что-же можно повесить на дополнительные кнопочки и тут взял в руки мультиметр...
На "тайную" кнопочку я сделал сброс биоса.
Дёшево и сердито.
Как на корпусах от интела
Вложение:
0-02-05-affb998ef41aa7c5c2302cfbe7c6c665624d05bf339bdd437c6df698f56676a1_af6a6294417ff97c.jpg
0-02-05-affb998ef41aa7c5c2302cfbe7c6c665624d05bf339bdd437c6df698f56676a1_af6a6294417ff97c.jpg [ 241.88 КБ | Просмотров: 876 ]

Китайский мать - оно светитцо
Вложение:
0-02-05-39f49783b1b83b84da8f820e7b7d4dd63f60a62761501a39094d864ebe5491c6_e22226758a1ec6fd.jpg
0-02-05-39f49783b1b83b84da8f820e7b7d4dd63f60a62761501a39094d864ebe5491c6_e22226758a1ec6fd.jpg [ 353.21 КБ | Просмотров: 876 ]

Собственно и схема подключения,
Вложение:
Clear.png
Clear.png [ 87.94 КБ | Просмотров: 876 ]

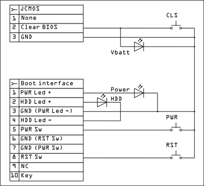
В принципе, для сброса биоса можно вообще использовать только один провод,
Вложение:
Clear-3.png
Clear-3.png [ 82.32 КБ | Просмотров: 875 ]

Ну или отдельно пару, не затрагивая основной шлейф и оставить всё "по заводу".
Вложение:
Clear-2.png
Clear-2.png [ 82.26 КБ | Просмотров: 875 ]

_________________
X10X99-16D + 2xE5-2697Av4 + 8x32=256Gb DDR4-2400 + RTX3060 12Gb
X99-F8D-plus + 2xE5-2696v3 + 8х16=128Gb DDR4-2133 + RTX 2060S 8Gb
(и не только...)


 

Member
Статус: Не в сети
Регистрация: 25.11.2020
IceColdKilla писал(а):
Это означает, что какие-то шары, на которых сидит сокет, в отвале?

Чёрт его знает, я подумал что может наоборот что-то замыкает. Ведь светодиод не гаснет, а наоборот начинает ярче гореть.

_________________
Asus X99-Deluxe | Intel® Confidential QK3S@4.2GHz | Micron 128GB ECC
ASRock X99 Taichi | Intel® Confidential QLPM (E5-2699Av4 QS) | Samsung 128GB ECC


 

Junior
Статус: Не в сети
Регистрация: 08.12.2022
Привет форумчане.
X99tf rev. 1.2,
чип Биоса macronix mx25l12833f.
проц 2678v3
Перепрошил неправильно Биос из системы, получил кирпич, восстановил программатором. но не об этом.
Снова прошился из системы, удачно. Но теперь винда не стабильна, открытое приложение может намертво зависнуть и помогает только ресет.
Шил уже несколько биосов для разных ревизий сток/анлок, не помогает.
Куда копать?


 

Member
Статус: Не в сети
Регистрация: 14.05.2022
NECROVOD писал(а):
Привет форумчане.
X99tf rev. 1.2,
чип Биоса macronix mx25l12833f.
проц 2678v3
Перепрошил неправильно Биос из системы, получил кирпич, восстановил программатором. но не об этом.
Снова прошился из системы, удачно. Но теперь винда не стабильна, открытое приложение может намертво зависнуть и помогает только ресет.
Шил уже несколько биосов для разных ревизий сток/анлок, не помогает.
Куда копать?

Тоже восстанавливал но проблем небыло? Думаю дело в настройках Bios


 

Junior
Статус: Не в сети
Регистрация: 08.12.2022
plintus666 писал(а):
Думаю дело в настройках Bios

я нуб, но вроде натыкал все как надо, сможешь фотки настроек поделать, если не в облом?


 

Member
Статус: Не в сети
Регистрация: 25.11.2020
NECROVOD писал(а):
Шил уже несколько биосов для разных ревизий сток/анлок, не помогает.
Куда копать?

Прошей кошака 2020-05-25 последнюю версию.

_________________
Asus X99-Deluxe | Intel® Confidential QK3S@4.2GHz | Micron 128GB ECC
ASRock X99 Taichi | Intel® Confidential QLPM (E5-2699Av4 QS) | Samsung 128GB ECC


 

Member
Статус: Не в сети
Регистрация: 14.05.2022
NECROVOD у меня вторая ревизия


 

Junior
Статус: Не в сети
Регистрация: 28.03.2019
день добрый, на QD4 вместе не запускаются два модуля на 32GB с разными частотами 2400 и 2666. принудительно выставлял 2400 - не помогает. по одному работает без вопросов. есть шансы как-то это завести или нет? спасибо.


Вложения:
ddr4.jpg
ddr4.jpg [ 215.46 КБ | Просмотров: 790 ]


Последний раз редактировалось bzzz77 08.12.2022 22:11, всего редактировалось 1 раз.
 

Member
Статус: Не в сети
Регистрация: 20.11.2015
Фото: 72
NECROVOD писал(а):
Шил уже несколько биосов для разных ревизий сток/анлок, не помогает.
Куда копать?

А не хотите для начала рассказать, что у вас за память, какой биос в итоге зашили? Куда копать... Профиль заполнить для начала.

Память скорее всего не держит настройки. Какая память? DDR3 или DDR4? Биос какой? Поддерживает ECC, или нет? Ну может у вас раньше был биос с ECC, а теперь без, поэтому раньше просто сыпало ошибками в журнал, а теперь зависает. Ну а вообще, куча же вариантов... Угадывать нужно? А то, дескать, "я тут назашивал себе сам не знаю чего и вы не узнаете, наставил каких-то настроек, не скажу каких, теперь все криво работает... А конфиг мой сами угадайте. Куда дальше копать?" Ну вы серьезно?!

Частоту памяти снизить, например. И дальше смотреть на поведение.
Добавлено спустя 4 минуты 8 секунд:
NECROVOD писал(а):
сможешь фотки настроек поделать, если не в облом?

Вы вообще видели, сколько там настроек? Фотки вам сделать? Вы в своем уме?

У меня тоже ревизия не та :lol: Гениальный ответ на это, я считаю. И очень дипломатичный.

Добавлено спустя 3 минуты 7 секунд:
bzzz77 писал(а):
день добрый, на QD4 вместе не запускаются два модуля на 32GB с разными частотами 2400 и 2666. принудительно выставлял 2400 - не помогает. по одному работает без вопросов. есть шансы как-то это завести или нет? спасибо.

Привет. Дело не в том, что разные частоты... А в том, что у вас один модуль, который Хиникс - RDIMM (2Rx4), а второй, который Самсунг - это LRDIMM (4DRx4). Вместе эти типы работать не будут. Выбирайте что-то одно. Или RDIMM, или LRDIMM. Тип важен. Типы этих модулей можете посмотреть в aida64, запустившись с каждым из них поочереди. Производитель и частота тут не важны, но желательно подбирать одного производителя конечно. Шансов вместе это запустить ноль. Это вопрос не уровня материнской платы.

_________________
X99-T8/E5-2666v4@3.1GHz/128Gb DDR3-2400R/GTX 1080
X99-S04/QK3S@4.1GHz/128Gb DDR4-2666R/RTX 3070
X10DRi-LN4+/2xE5-2697Av4/768Gb DDR4-2400R


Последний раз редактировалось MichaelF 08.12.2022 22:30, всего редактировалось 1 раз.

 

Member
Статус: Не в сети
Регистрация: 21.11.2020
MichaelF писал(а):
Я вот сейчас на MSI X99-S04. Там лупит на максималке... Видимо, просто энергосберегайки на десктопных платах какие-то отключаются... Настроек, вроде тех, что я видел в китайских платах, здесь я не нашел, но и не заморачивался этими поисками... Видимо, это удел десктопных плат, нацеленных на максимальную производительность, а китайские платы содержат серверный биос, нацеленный на большую энергоэффективность... Отсюда и разница. Наверное, и там и там настройками можно получить плюс-минус одинаковое поведение, но так лень ковыряться в этом всем.

Лично мне ближе то поведение процессора, которое я видел на китайской F8 со сбросом частот в простое.

На MSI X99-S04 надо перевести C-State из Auto в C6, например. Частоты в простое так же будут сбрасываться до 1200 МГц (парковка ядер). По умолчанию на геймерских платах MSI настройки уже оптимизированы под максимальное быстродействие, но без фанатизма.
Ещё рекомендую SVID из состояния Auto перевести в Enable, чтобы датчик мощности процессора всегда был активен и соблюдался обмен данными с PWM-контроллером. Ну и кривые "температура -> обороты вентилятора" настроить по вкусу.

_________________
1: MSI PRO Z690-A+i9 12900K +4*32=128 GB (Crucial, 2R, DDR5-4800 MHz)+RTX 3050
2: MSI X99-S04+2680 v4+8*16=128 GB (2R, DDR4-2666 MHz)+GTX 1050 Ti


 

Junior
Статус: Не в сети
Регистрация: 28.03.2019
Цитата:
Привет. Дело не в том, что разные частоты... А в том, что у вас один модуль, который Хиникс - RDIMM (2Rx4), а второй, который Самсунг - это LRDIMM (4DRx4). Вместе эти типы работать не будут. Выбирайте что-то одно. Или RDIMM, или LRDIMM. Тип важен. Типы этих модулей можете посмотреть в aida64, запустившись с каждым из них поочереди. Производитель и частота тут не важны, но желательно подбирать одного производителя конечно.

толстое спасибо


 

Member
Статус: Не в сети
Регистрация: 20.11.2015
Фото: 72
mepavel писал(а):
На MSI X99-S04 надо перевести C-State из Auto в C6, например. Частоты в простое так же будут сбрасываться до 1200 МГц (парковка ядер). По умолчанию на геймерских платах MSI настройки уже оптимизированы под максимальное быстродействие, но без фанатизма.
Ещё рекомендую SVID из состояния Auto перевести в Enable, чтобы датчик мощности процессора всегда был активен и соблюдался обмен данными с PWM-контроллером. Ну и кривые "температура -> обороты вентилятора" настроить по вкусу.

Во, спасибо... А я выбрал Экономичный профиль в винде, и он скинул сразу все на 1200МГц, только в нагрузке стал давать выставленный множитель... Но лучше в биос настроить.

Upd.: Да не, я это уже оказывается проставил... Ставил там и C6 retention и С6 non-retention, ничего не меняется... А с экономичным профилем в винде фпс проседает... Вернул производительность.

Добавлено спустя 6 минут 44 секунды:
bzzz77 писал(а):
толстое спасибо

Да не за что... Я экспериментировал, пытался в двухсокетную плату разные типы запихивать каждому процессору. Все же разные контроллеры памяти... Тогда и одному процу с двумя контроллерами можно было бы их скормить... В теории, могло бы и заработать, но не заработало.

_________________
X99-T8/E5-2666v4@3.1GHz/128Gb DDR3-2400R/GTX 1080
X99-S04/QK3S@4.1GHz/128Gb DDR4-2666R/RTX 3070
X10DRi-LN4+/2xE5-2697Av4/768Gb DDR4-2400R


Последний раз редактировалось MichaelF 08.12.2022 23:28, всего редактировалось 1 раз.

 

Junior
Статус: Не в сети
Регистрация: 08.12.2022
MichaelF писал(а):
я тут назашивал себе сам не знаю чего и вы не узнаете

Косяк) Память DDR4 4 канал биос ставил несколько версий с анлоком и сток, шо за ЕСС не в курсе даже. все работало норм до кирпича (слетела первоначальная настройка на сток и на свою голову решил прошить)
память работала на 2133 до кирпича, пробовал разные варианты, результат один :(
версию чипа писал выше


 

Member
Статус: Не в сети
Регистрация: 19.02.2013
Фото: 24
Alex_Ts Разметка дисков случаем не в MBR?

_________________
ASRock B650M-H/M.2+(BIOS B650M-HDV/M.2)//Ryzen 5 7500F(PBO +50Mhz, CO -22)//DDR5 2x16Gb 6000Mhz(36-44-36-56)//XFX RX 6700 XT Speedster QICK 319 BLACK 2800Mhz@2112Mhz


Показать сообщения за:  Поле сортировки  
Начать новую тему Новая тема / Ответить на тему Ответить  Сообщений: 57081 • Страница 1991 из 2855<  1 ... 1988  1989  1990  1991  1992  1993  1994 ... 2855  >
-

Часовой пояс: UTC + 3 часа


Кто сейчас на конференции

Сейчас этот форум просматривают: npa4ka, selishim и гости: 45


Вы не можете начинать темы
Вы не можете отвечать на сообщения
Вы не можете редактировать свои сообщения
Вы не можете удалять свои сообщения
Вы не можете добавлять вложения

Перейти:  
Создано на основе phpBB® Forum Software © phpBB Group
Русская поддержка phpBB | Kolobok smiles © Aiwan