Часовой пояс: UTC + 3 часа




Начать новую тему Новая тема / Ответить на тему Ответить  Сообщений: 1244 • Страница 30 из 63<  1 ... 27  28  29  30  31  32  33 ... 63  >
  Пред. тема | След. тема 
В случае проблем с отображением форума, отключите блокировщик рекламы
Автор Сообщение
 
Прилепленное (важное) сообщение

Member
Статус: Не в сети
Регистрация: 27.04.2008
Странно, что до сих пор нет отдельной темы по материнским платам MSI

Выбор материнской платы под процессоры AMD Socket AM4 (Summit Ridge, Raven Ridge, Pinnacle Ridge и Bristol Ridge)

Тест материнской платы MSI X470 Gaming M7 AC: плавное развитие
Обзор материнской платы MSI B450 Tomahawk: AMD B450, Socket AM4 и разгон
5 лучших материнских плат на чипсете AMD B450
Тестирование материнской платы MSI B350I Pro AC: ничего лишнего



Партнер
 

Member
Статус: Не в сети
Регистрация: 12.05.2018
Andreika писал(а):
Тогда что мешает залитому мосту прописать что нибудь не в те адреса?
В принципе да, но обычно, в случае разрушения NVRAM, подключается резервная область с оповещением типа "Error NVRAM" (Checking NVRAM) при загрузке. Критический сбой NVRAM (когда не помогает сброс в дефолт) очень редкое и мутное по причинам событие, но теоретически возможное, как я и написал

_________________
MSI x470 Gaming Plus, R7 2700 @ 4.0 GHz, 1.296V. SniperX (Hynix CJR) 3600 CL19 @ 3466 16-18-18-34-CR1, 1.36V


Последний раз редактировалось Tarkus100 04.04.2021 14:17, всего редактировалось 1 раз.

 

Member
Статус: Не в сети
Регистрация: 21.11.2020
Tarkus100 писал(а):
В принципе да, но обычно, в случае поломки данных NVRAM, подключается резервная область с оповещением типа "Error NVRAM" при загрузке. Критический сбой NVRAM (когда не помогает сброс в дефолт) очень редкое и мутное по причинам событие, но теоретически возможное, как я и написал

Tarkus100, тут утверждают, что плата сама подпортила себе BIOS настолько, что функция восстановления перестала работать. И всё это из-за силиконовой жидкости на хабе, которая якобы изменила адрес блока в котором проводилось стирание и запись не тех данных. Тут сам факт, что какими свойствами должна обладать жидкость, чтобы на частотах 100 МГц при низких напряжениях вызвать странным образом изменение адреса блока. Это фантастика.
Другое дело, что если жидкость попала в аналоговую часть ШИМ-контроллера питания процессора и вызвала неправильную работу датчиков тока, системы обратной связи по напряжению и режимов работы ШИМа. Тогда в момент записи данных по нужному адресу во флэш система могла зависнуть или перезагрузиться. Флэш была бы запорчена, но штатное восстановление BIOS средствами платы должно было работать.
Нередко мастера по ремонту вообще не заморачиваются и просто без выяснения причин с программатора заливают образ BIOS с сайта, забыв про серийники. А потом говорят, что материнка сама затёрла серийники из-за залития, поэтому "извиняйте".

_________________
1: MSI PRO Z690-A+i9 12900K +4*32=128 GB (Crucial, 2R, DDR5-4800 MHz)+RTX 3050
2: MSI X99-S04+2680 v4+8*16=128 GB (2R, DDR4-2666 MHz)+GTX 1050 Ti


 

Member
Статус: Не в сети
Регистрация: 12.05.2018
Tarkus100 писал(а):
Другое дело, что если жидкость попала в аналоговую часть ШИМ-контроллера питания процессора и вызвала неправильную работу датчиков тока, системы обратной связи по напряжению и режимов работы ШИМа
ШИМ обычно выше радиаторов, и вряд ли что-то под него затекло снизу вверх. Ну разве что попало на линии OC. Токовые датчики находятся в самом проце, кроме общего токового моста на весь сокет, который тоже рядом с процом - т.е. далеко. И в любом случае ШИМ, управляющий работой только VRM, вряд ли может что-то менять в биосе
Уже при начальной инициализации UEFI (фаза PEI) используются некоторые данные из NVRAM. И тогда, если есть ошибка, не поможет даже команда Clear CMOS. Но чаще в процессе загрузки может появиться сообщение "Checking NVRAM" (совет: убирайте нахрен красивый загрузочный логотип, что бы наблюдать системные сообщения загрузки :D ). И на этом обычно все, конец, если конечно драйвер NVRAM не справился с обходом или переключением в резерв. Такое сообщение появляется, если есть какой-то затык в инициализации периферии - сдохший винт, что-то c USB и прочее. А так же при каких-то глюках чипсетного хаба (FCH/PCH), спровоцировавших неправильную запись в NVRAM и его поломку. Что скорее всего, в данном случае, и произошло.

_________________
MSI x470 Gaming Plus, R7 2700 @ 4.0 GHz, 1.296V. SniperX (Hynix CJR) 3600 CL19 @ 3466 16-18-18-34-CR1, 1.36V


Последний раз редактировалось Tarkus100 04.04.2021 15:20, всего редактировалось 1 раз.

 

Member
Статус: Не в сети
Регистрация: 21.11.2020
Tarkus100, согласен насчёт неисправной записи в NVRAM причину чего объяснил выше. Вопрос в том, почему BIOS был настолько убит, что якобы не работало восстановление через функцию Updating BIOS with Flash BIOS Button. В инструкции написано, что никаких компонентов кроме БП для материнской платы не требуется:
Цитата:
1. Connect power supply to CPU_PWR1 and ATX_PWR1. (No other components are necessary but power supply.)

_________________
1: MSI PRO Z690-A+i9 12900K +4*32=128 GB (Crucial, 2R, DDR5-4800 MHz)+RTX 3050
2: MSI X99-S04+2680 v4+8*16=128 GB (2R, DDR4-2666 MHz)+GTX 1050 Ti


 

Member
Статус: Не в сети
Регистрация: 12.05.2018
mepavel писал(а):
Вопрос в том, почему BIOS был настолько убит, что якобы не работало восстановление через функцию Updating BIOS with Flash BIOS Button
Ну такое сплошь и рядом случается и при исправном биосе. И вообще сама флешка SPI биоса (ее содержимое), никак не влияет на прошивку, если не использовать штатные средства из UEFI. Если нет проца и памяти, то флешка абсолютно пассивное существо - хоть сказку про колобка в нее пиши.

_________________
MSI x470 Gaming Plus, R7 2700 @ 4.0 GHz, 1.296V. SniperX (Hynix CJR) 3600 CL19 @ 3466 16-18-18-34-CR1, 1.36V


Последний раз редактировалось Tarkus100 04.04.2021 15:47, всего редактировалось 1 раз.

 

Member
Статус: Не в сети
Регистрация: 21.11.2020
Tarkus100 писал(а):
Токовые датчики находятся в самом проце, кроме общего токового моста на весь сокет, который тоже рядом с процом - т.е. далеко.

Обычно в качестве датчиков тока выступают дроссели VRM, а от них уже через ФНЧ на резисторах, и конденсаторах (по схеме токового моста) всё это идёт в ШИМ-контроллер. Вот эти резисторы и конденсаторы как раз могут под термопрокладкой находиться. Так же часто токовый мост на входе VRM может присутствовать. Если эти элементы были чем-то залиты, то PWM контроллер мог периодических уходить в защиту и отключать процессор как раз в момент записи во флэшку.
P.S. Датчик тока в процессоре - это ещё один датчик, но я не про него, естественно, писал.

_________________
1: MSI PRO Z690-A+i9 12900K +4*32=128 GB (Crucial, 2R, DDR5-4800 MHz)+RTX 3050
2: MSI X99-S04+2680 v4+8*16=128 GB (2R, DDR4-2666 MHz)+GTX 1050 Ti


 

Member
Статус: Не в сети
Регистрация: 12.05.2018
mepavel писал(а):
Обычно в качестве датчиков тока выступают дроссели VRM, а от них уже через ФНЧ на резисторах, и конденсаторах (по схеме токового моста) всё это идёт в ШИМ-контроллер
Я особо-то не разбирался, но знаю, что OC отслеживает напряжение, а ток можно оценить разве что по просадке, если не брать в расчет компенсацию (LLC), поскольку это уже упреждающее напряжение и работает вне тормозной OC после дросселей. И не могут дроссели отслеживать ток каждого ядра, разве что общий на сокет. Но с этим прекрасно справляется токовый измерительный шунт рядом с сокетом проца
mepavel писал(а):
Если эти элементы были чем-то залиты, то PWM контроллер мог периодических уходить в защиту и отключать процессор как раз в момент записи во флэшку.
Ну это вряд ли. Худо-криво, но биос загружался. А при уходе VRM в защиту, даже кратковременном, был бы полный каюк

_________________
MSI x470 Gaming Plus, R7 2700 @ 4.0 GHz, 1.296V. SniperX (Hynix CJR) 3600 CL19 @ 3466 16-18-18-34-CR1, 1.36V


 

Member
Статус: Не в сети
Регистрация: 21.11.2020
Tarkus100 писал(а):
а ток оценивается разве что по просадке

По просадке постоянной составляющей напряжения на дросселях VRM. BoardView не нашёл, но здесь детальные фото платы. На обратной стороне платы видны дорожки и "стрелочки" от контактов дросселей - это как раз и есть отводы от "датчика" тока. Суть в том, что сигнал с датчиков тока имеет очень маленькую величину. Ещё больше всё усложняется тем, что преобразование этого сигнала к нужным уровням происходит при помощи резистивного моста, что ещё больше уменьшает абсолютное значение дифференциального напряжения. Поэтому любое даже незначительное изменение номиналов резисторов моста, может вызвать появление больших дифференциальных напряжений. А вот ООС по напряжению намного "дубовее". Так же на фото видно, что ШИМ находится не выше термопрокладок и приличная часть его обвязки находится как раз под радиатором.
Tarkus100 писал(а):
если не брать в расчет компенсацию (LLC), поскольку это упреждающее напряжение и работает вне OC

LLC работает по формуле Ucore + R*Icore, где R - это неучтённое паразитное сопротивление вне цепи ООС по напряжению. Тут всё просто.
Tarkus100 писал(а):
И не могут дроссели отслеживать ток каждого ядра, разве что общий на сокет.

PWM отслеживает ток через каждый дроссель (или группу дросселей, когда у PWM не хватает входов), потом всё это складывает и вычисляет общий ток на всю шину питания сокета. На основании измеренных значений может срабатывать защита от перегрузки VRM.
Кроме того, эти измерения тока можно отдельно мониторить. В процессоре есть свои датчики, но к защите VRM от перегрузки они не имеют никакого отношения.
Tarkus100 писал(а):
Но с этим прекрасно справляется токовый измерительный шунт рядом с сокетом.

Как можете видеть по фото на обсуждаемой плате в качестве этого шунта выступают Rdc дросселей. Можете открыть даташит на PWM-контроллер - там всё расписано и нарисована типовая схема включения.
Tarkus100 писал(а):
А при уходе VRM в защиту, даже кратковременном, был бы полный каюк

Ничего страшного не было бы, просто в какой-то момент, когда сумма потребляемого тока процессора с "паразитным током утечки" превысили порог защиты VRM (Over Current Protection), то питание бы отключилось на CPU.

_________________
1: MSI PRO Z690-A+i9 12900K +4*32=128 GB (Crucial, 2R, DDR5-4800 MHz)+RTX 3050
2: MSI X99-S04+2680 v4+8*16=128 GB (2R, DDR4-2666 MHz)+GTX 1050 Ti


 

Member
Статус: Не в сети
Регистрация: 12.05.2018
mepavel писал(а):
На обратной стороне платы видны дорожки и "стрелочки" от контактов дросселей - это как раз и есть отводы от "датчика" тока.
Это и есть дорожки OC по напряжению.
mepavel писал(а):
Так же на фото видно, что ШИМ находится не выше термопрокладок и приличная часть его обвязки находится как раз под радиатором.
А давайте спросим владельца, затекло туда или нет...чего гадать-то :D
mepavel писал(а):
LLC работает по формуле Ucore + R*Icore, где R - это неучтённое паразитное сопротивление вне цепи ООС по напряжению. Тут всё просто.
Не работает, а срабатывает (возможно) при определенной токовой нагрузке. А работает еще проще, какую добавку выставить по LLC, такая и будет под нагрузкой, независимо от регуляции по OC
mepavel писал(а):
PWM отслеживает ток через каждый дроссель (или группу дросселей, когда у PWM не хватает входов), потом всё это складывает и вычисляет общий ток на всю шину питания сокета
Именно, что общий ток, который легко измеряется обыкновенным токовым шунтом на весь сокет, причем даже точнее, т.к. навесная мелочь VRM имеет большую погрешность, вряд ли туда ставят что-то прецезионное. Далее разница напряжений на концах шунта по шине SVI2 поступает на контроллер, где и обрабатывается
mepavel писал(а):
Как можете видеть по фото на обсуждаемой плате в качестве этого шунта выступают Rdc дросселей
А так же, судя по фото, можно предположить, что большой белый квадрат R82 - это и есть измерительный шунт на сокет. Из-за инерционности дросселей это всегда "вчерашние" показатели. ШИМ, обрабатывая их по OC, запаздывает и приходится вводить упреждающее напряжение компенсации. А шунт измеряет мгновенно в режиме реального времени.
И я что-то потерял нить спора: c одной стороны вы утверждаете, что протечка силикона не влияет на хаб, а вот на VRM почему-то влияет. Как-то нелогично.

_________________
MSI x470 Gaming Plus, R7 2700 @ 4.0 GHz, 1.296V. SniperX (Hynix CJR) 3600 CL19 @ 3466 16-18-18-34-CR1, 1.36V


 

Member
Статус: Не в сети
Регистрация: 21.10.2009
mepavel писал(а):
Тогда в момент записи данных по нужному адресу во флэш система могла зависнуть или перезагрузиться

после передачи руля загрузчику системы во флэшку можно писать что угодно да и вообще можно её хоть сдуть с платы, ничего не зависнет и не перезагрузится


 

Member
Статус: Не в сети
Регистрация: 21.11.2020
Tarkus100 писал(а):
Это и есть дорожки OC по напряжению.

Tarkus100, ошибаетесь ОС по напряжению со специального вывода процессора идёт. А с каждого дросселя идёт на токовый мост или напрямую через ФНЧ на диф. усилитель (случай с выходом VRM, т.к. напряжение на линии низкое). Вы бы хоть раз открыли Boardview на любую подобную плату (благо сейчас полно этого добра в свободном доступе). А что ещё проще, почитали бы даташит на любой ШИМ - ISL6388.
Tarkus100 писал(а):
Не работает, а срабатывает (возможно) при определенной токовой нагрузке. А работает еще проще, какую добавку выставить по LLC, такая и будет под нагрузкой, независимо от регуляции по OC

Закон Ома я Вам написал. Данная техника используется уже лет 40 в измерительной аппаратуре. Параметр LLC отражает выбор паразитного сопротивления.
Tarkus100 писал(а):
Именно, что общий ток, который легко измеряется обыкновенным токовым шунтом на весь сокет, причем даже точнее, т.к. навесная мелочь VRM имеет большую погрешность, вряд ли туда ставят что-то прецезионное.

Вы хоть раз видели как выглядит прецизионный токовый шунт и сколько это добро стоит? Ни разу не видел специальных токовых шунтов на платах в этих цепях. А сопротивление по постоянному току дросселей жёстко нормировано. Кроме того, предусмотрена схема температурной компенсации изменения сопротивления обмотки дросселя и есть отдельная опция у PWM-контроллера (см. даташит).
Tarkus100 писал(а):
Далее разница напряжений на концах шунта по шине SVI2 поступает на контроллер, где и обрабатывается

Вы, вероятно, перепутали аналоговый сигнал с цифровым. С токового шунта сигнал идёт на токовый (резистивный) мост (в пределе без моста, если напряжение низкое согласовано с диф. усилителем), затем интегрируется с помощью фильтра. Далее разность напряжений с выхода токового шунта измеряется с помощью дифференциального усилителя (входы IsenX+/-). Сигнал с каждой фазы (соотв. линии IsenX) внутри ШИМ-контроллера складывается для получения общего тока. Напряжение пропорциональное току на выходе VRM поступает на один из входов аналогового компаратора, другой вход которого подключен к ЦАП, выдающем соотв. напряжение защиты по току. Вот этому ЦАП как раз передаётся значение в цифровой форме по шине. В этом же даташите почитайте как работает LLC.
Аналогично ток измеряется на входе VRM.
Tarkus100 писал(а):
А так же, судя по фото, можно предположить, что большой белый квадрат R82 - это и есть измерительный шунт на сокет.

Этот квадрат - дроссель с индуктивностью 820 нГн.
Tarkus100 писал(а):
Из-за инерционности дросселей это всегда "вчерашние" показатели. ШИМ, обрабатывая их по OC, запаздывает и приходится вводить упреждающее напряжение компенсации. А шунт измеряет мгновенно в режиме реального времени.

Мне вот интересно откуда у Вас такие познания? Вы знаете с какой частотой работает ШИМ и какой номинал дросселей? Резистивный шунт на тонкоплёночном резисторе имеет меньшую индуктивность, но в VRM нет никакой замкнутой ООС по току (по напряжению есть) , т.к. нет задачи VRM работать в виде источника тока и, следовательно, иметь минимальный фазовый набег в цепи ООС по току. Измеряется ток для требуемых целей достаточно быстро, даже несмотря на ФНЧ в током шунте.
А упреждающее напряжение компенсации появляется чрезмерно медленно и на постоянку, если Вы про LLC. Скорость изменения напряжения строго регламентирована в даташитах на процессор.
Tarkus100 писал(а):
И я что-то потерял нить спора: c одной стороны вы утверждаете, что протечка силикона не влияет на хаб, а вот на VRM почему-то влияет. Как-то нелогично.

Логично, потому что Вы путаете цифровой сигнал с чувствительными аналоговыми входами для измерения тока или напряжения. То что будет маленькая утечка на низкоомной и низковольтной цифровой линии вообще никак не отразится на ошибках в передачи данных. А вот 10 мВ в токовых измерения крайне критичны.

Добавлено спустя 10 минут 56 секунд:
peregib писал(а):
после передачи руля загрузчику системы во флэшку можно писать что угодно да и вообще можно её хоть сдуть с платы, ничего не зависнет и не перезагрузится

peregib, я под системой имел ввиду не ОС, а железо. Естественно, что когда пошла загрузка ОС, флэшка не нужна.

_________________
1: MSI PRO Z690-A+i9 12900K +4*32=128 GB (Crucial, 2R, DDR5-4800 MHz)+RTX 3050
2: MSI X99-S04+2680 v4+8*16=128 GB (2R, DDR4-2666 MHz)+GTX 1050 Ti


 

Member
Статус: Не в сети
Регистрация: 12.05.2018
mepavel писал(а):
ошибаетесь ОС по напряжению со специального вывода процессора идёт
Это напряжение SVI2 (TFN) на проце. А с VRM отслеживается Vcore. Есть же разница между тем, что ушло, и тем, что пришло.
mepavel писал(а):
Данная техника используется уже лет 40 в измерительной аппаратуре
А токовый шунт в измерительной аппаратуре еще дольше.
mepavel писал(а):
Параметр LLC отражает выбор паразитного сопротивления.
Без разницы каким именно способом регулируется
mepavel писал(а):
Вы хоть раз видели как выглядит прецизионный токовый шунт и сколько это добро стоит?
Много раз, причем на самых дешевых мультиметрах, как цифровых, так и аналоговых.
mepavel писал(а):
А сопротивление по постоянному току дросселей жёстко нормировано
Да оно там просто никакое. Полное сопротивление дросселя в основном индуктивное и меняется в зависимости от проводимого тока в соответствии с величиной ЭДС. У шунта в основном резистивное (активное) и слабо меняющееся при изменении тока через него.
mepavel писал(а):
Вы, вероятно, перепутали аналоговый сигнал с цифровым
А с дросселей прям цифровой. Мы оба сознательно опустили последующие преобразования аналога в цифру, для простоты. Кардинальной разницы между этими способами нет, оба изначально аналоговые.
mepavel писал(а):
Вы бы хоть раз открыли Boardview на любую подобную плату (благо сейчас полно этого добра в свободном доступе)
Смотрел, в основном одно старье.
mepavel писал(а):
почитали бы даташит на любой ШИМ - ISL6388. В этом же даташите почитайте как работает LLC.
Тоже старье. Смотрел ISL95712 (стоит на массе Асроков и GB) - так у него даже нет регулировки компенсации (LLC)
mepavel писал(а):
Этот квадрат - дроссель с индуктивностью 820 нГн.
А как обозначается сопротивление 0.82 Ома? Не подскажите? :D
mepavel писал(а):
Мне вот интересно откуда у Вас такие познания?
А что не так? Дроссель по своей сути инерционен, на этом и основан сглаживающий эффект диф. цепочки LC
mepavel писал(а):
Логично, потому что Вы путаете цифровой сигнал с чувствительными аналоговыми входами для измерения тока или напряжения
Да для меня вообще неприемлема идея, что PWM контроллер мог периодически уходить в защиту и отключать процессор, причем именно в момент записи NVRAM. Если сработала защита и процессор отключился - на этом все, "умерла так умерла"

_________________
MSI x470 Gaming Plus, R7 2700 @ 4.0 GHz, 1.296V. SniperX (Hynix CJR) 3600 CL19 @ 3466 16-18-18-34-CR1, 1.36V


 

Member
Статус: Не в сети
Регистрация: 21.11.2020
Tarkus100 писал(а):
Это напряжение SVI2 (TFN) на проце. А с VRM отслеживается Vcore. Есть же разница между тем, что ушло, и тем, что пришло.

Tarkus100, так в частности ООС по напряжению заводится на специальный чувствительный вывод на процессоре Vcore_sense. Поэтому вообще нет разницы что на выходе VRM (где дроссели), так как ООС будет поддерживать заданное напряжение на чувствительном выводе. Вот в случае отсутствия процессора или потери контакта по данному выводу предусмотрен предохранительный резистор в ООС именно с выхода VRM, чтобы VRM не "плюнул" высокое напряжение на процессор.
Tarkus100 писал(а):
А токовый шунт в измерительной аппаратуре еще дольше.

Вы просто не знакомы с измерительной аппаратурой. Есть такая штука, называется SMU - Source Measure Units. Вот они могут работать как в режиме источника тока, так и в режиме источника напряжения в непрерывном и импульсном режиме с высоким быстродействием. Там с токового шунта заведена ООС, чтобы поддерживать постоянный ток даже в режиме сверхкоротких импульсов.
Tarkus100 писал(а):
Много раз, причем на самых дешевых мультиметрах, как цифровых, так и аналоговых.

Почитайте про подключение Кельвина. То что Вы видели в китайских мультиметрах - это подобие на токовый шунт.
Вот несколько примеров: https://www.vishay.com/docs/49159/_power-metal-strip-shunts-current-shunts_pl0005-1801.pdf
http://www.caddock.com/Online_catalog/Mrktg_Lit/TypeSR.pdf
https://disti-assets.s3.amazonaws.com/testco-inc/files/datasheets/25046.pdf

Tarkus100 писал(а):
Да оно там просто никакое. Полное сопротивление дросселя в основном индуктивное и меняется в зависимости от проводимого тока в соответствии с величиной ЭДС. У шунта в основном резистивное (активное) и слабо меняющееся при изменении тока через него.

Вы хоть бы даташит глянули и схему на ШИМ, там всё рассказано. А какое должно быть сопротивления у токового шунта при токе в 30 А на фазу и выходным напряжением 1 В на выходе VRM? Влияние индуктивного сопротивления отфильтровывается интегратором (ФНЧ) в виде RC-цепочки (см. схему и описание).
Tarkus100 писал(а):
А как обозначается сопротивление 0.82 Ома? Не подскажите?

Посчитайте какое падение напряжения будет на резисторе номиналом 0,82 Ома при токе 30 А? Так же посчитайте рассеиваемую мощность на этом резисторе.
Tarkus100 писал(а):
Смотрел ISL95712 (стоит на массе Асроков и GB) - так у него даже нет регулировки компенсации (LLC)

Да посмотрите ещё раз в даташит хоть на Ваш ISL95712, там точно так же в качестве токового шунта используются дроссели. И про LLC почитайте, чтобы лучше понимать принципы её работы.
Tarkus100 писал(а):
А что не так? Дроссель по своей сути инерционен, на этом и основан сглаживающий эффект диф. цепочки LC

Ну и что, что дроссель инертен? Пусть измерение тока на тех же 820 нГн будет на 10 мкс отставать из-за интегратора. Так этого хватит с запасом, чтобы отключить VRM и ничего не подгорело при этом.
Tarkus100 писал(а):
Да для меня вообще неприемлема идея, что PWM контроллер мог периодически уходить в защиту и отключать процессор, причем именно в момент записи NVRAM. Если сработала защита и процессор отключился - на этом все, "умерла так умерла"

Почему сразу умерла? Я же писал, что ток из-за токопроводящей жидкости мог измеряться неправильно. Потребление тока процессором разное на этапах инициализации, да и жидкость, как правило, даёт "дрожащий" ток утечки. В итоге в какой-то момент, (например, записи в NVRAM) VRM тупо отключается и получаем некорректную запись в блок. Другое дело, что было бы дальше из-за этого: "кирпич" или нет.
Так же кроме ошибки измерения тока в этих ШИМ-контроллерах есть такая штука - "Resistor Configuration Options". Т.е. с помощью резисторов задаются основные режимы работы PWM.
Вот если на них попадёт агрессивная жидкость, то будут ещё те чудеса твориться.

_________________
1: MSI PRO Z690-A+i9 12900K +4*32=128 GB (Crucial, 2R, DDR5-4800 MHz)+RTX 3050
2: MSI X99-S04+2680 v4+8*16=128 GB (2R, DDR4-2666 MHz)+GTX 1050 Ti


 

Member
Статус: Не в сети
Регистрация: 12.05.2018
mepavel писал(а):
Вы просто не знакомы с измерительной аппаратурой. Есть такая штука, называется SMU - Source Measure Units. Вот они могут работать как в режиме источника тока, так и в режиме источника напряжения в непрерывном и импульсном режиме с высоким быстродействием. Там с токового шунта заведена ООС, чтобы поддерживать постоянный ток даже в режиме сверхкоротких импульсов.
Да мне побоку измерительные приборы, источники тока/ напряжения и т.п. - имелся в виду просто шунт.В мультиметрах калиброванная проволочная петля или пластинка из манганина , это и есть самый простейший шунт, с помощью которого измеряется ток с точностью 1.0-0.5%...стоит 2 копейки и ничего более навороченного там просто не требуется. На плате, естественно, что-то более компактное и в корпусе. Если это дроссель, то для чего он? Самый большой ток отдает VRM, но там свои дроссели, причем зачастую холодней, чем этот (на термограммах некоторых плат это самая горячая точка). Какое питание и куда идет с этого дросселя?
mepavel писал(а):
Вы хоть бы даташит глянули и схему на ШИМ, там всё рассказано
Не вижу смысла рассматривать устаревшие контроллеры, даже не имеющие интерфейса линии SVI2. Контроллеров сейчас, как собак нерезаных, и все работают очень по разному. Лучше сами ознакомьтесь с контроллером Richtek RT8894 - это самый используемый PWM на платах MSI.
mepavel писал(а):
Посчитайте какое падение напряжения будет на резисторе номиналом 0,82 Ома при токе 30 А? Так же посчитайте рассеиваемую мощность на этом резисторе.
Ну тогда я скажу - тоже R82. И почему 30A, а не cразу весь ток 100 - 200A? Вариантов использования менее мощных шунтов не видите? Впрочем, не настаиваю, 100% уверенности не имел и не имею. Помогите мне найти эту деталь в Boardview похожей платы, буду благодарен.
mepavel писал(а):
И про LLC почитайте, чтобы лучше понимать принципы её работы.
Вообще-то LLC всего лишь регулировка степени компенсации, а не сама компенсация. И я не прошу вашего, несомненно правильного, понимания - просто найдите хоть одну плату с PWM ISL95712, имеющую LLC
mepavel писал(а):
Ну и что, что дроссель инертен? Пусть измерение тока на тех же 820 нГн будет на 10 мкс отставать из-за интегратора. Так этого хватит с запасом, чтобы отключить VRM и ничего не подгорело при этом.
А как же быстрые выбросы на переходных процессах? И даже без учета этого, ООС после дросселей VRM слишком медленная для отслеживания и поддержки установленного напряжения, потому и приходиться использовать "скорую помощь" - компенсацию вне ООС. На интегратор плевать. Инертность обусловлена самой диф.парой LC на выходе VRM
mepavel писал(а):
Так же кроме ошибки измерения тока в этих ШИМ-контроллерах есть такая штука - "Resistor Configuration Options". Т.е. с помощью резисторов задаются основные режимы работы PWM. Вот если на них попадёт агрессивная жидкость, то будут ещё те чудеса твориться.
Я уже писал: пусть владелец сам ответит - был ли залит PWM и его обвязка. Но похоже он сюда не заходит. Да и вообще, кроме нас никого этот спор тут не интересует. Поэтому предлагаю его прекратить во избежание бана за оффтоп :close_tema:

_________________
MSI x470 Gaming Plus, R7 2700 @ 4.0 GHz, 1.296V. SniperX (Hynix CJR) 3600 CL19 @ 3466 16-18-18-34-CR1, 1.36V


 

Member
Статус: Не в сети
Регистрация: 21.11.2020
Tarkus100 писал(а):
Да мне побоку измерительные приборы, источники тока/ напряжения и т.п. - имелся в виду просто шунт.

В том то и дело, что на десятки ампер - это не "просто" шунт, а Кельвиновское подключение.
Tarkus100 писал(а):
На плате, естественно, что-то более компактное и в корпусе. Если это дроссель, то для чего он? Самый большой ток отдает VRM, но там свои дроссели, причем зачастую холодней, чем этот (на термограммах некоторых плат это самая горячая точка). Какое питание и куда идет с этого дросселя?

Я не экстрасенс и не знаю про какой дроссель Вы говорите. Хоть бы фото приложили. Вероятнее всего - это дроссель на входе VRM +12Vin. Его тоже используют в качестве датчика входного тока.
Tarkus100 писал(а):
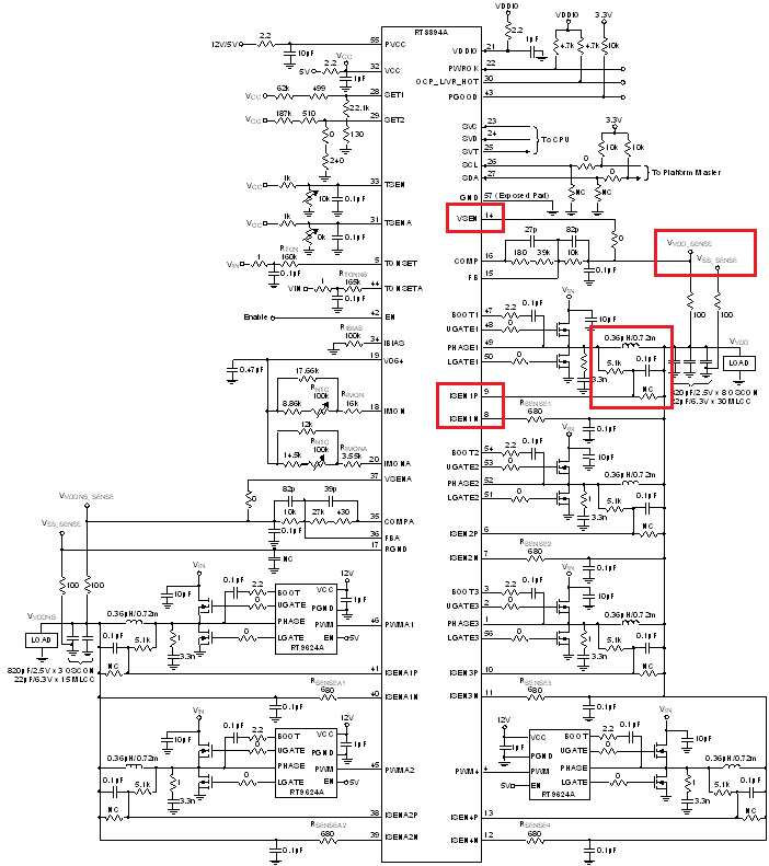
Не вижу смысла рассматривать устаревшие контроллеры, даже не имеющие интерфейса линии SVI2. Контроллеров сейчас, как собак нерезаных, и все работают очень по разному. Лучше сами ознакомьтесь с контроллером Richtek RT8894 - это самый используемый PWM на платах MSI.

Ознакомился. Всё тоже самое и для Richtek RT8894 - https://www.richtek.com/Products/Vcore/amd-vcore/RT8894A. В качестве датчика тока используются те же пресловутые дроссели, а ООС по напряжению идёт после "медленных" дросселей. :-)
Richtek RT8894
Вложение:
RT8894A.png
RT8894A.png [ 46.57 КБ | Просмотров: 1628 ]

Я вроде не такие старые контроллеры приводил.) Цифровой интерфейс все имеют) Так что время идёт, а ничего не меняется) Что ж Вы так боитесь старого? Принципы измерения тока не менялись уже почти лет как двести.
Tarkus100 писал(а):
И я не прошу вашего, несомненно правильного, понимания - просто найдите хоть одну плату с PWM ISL95712, имеющую LLC

Да я и не спорю, что в каких-то PWM этой функции нет) Суть была в том, что Вы неправильно понимаете как эта штука в принципе работает.
Tarkus100 писал(а):
А как же быстрые выбросы на переходных процессах? И даже без учета этого, ООС после дросселей VRM слишком медленная для отслеживания и поддержки установленного напряжения, потому и приходиться использовать "скорую помощь" - компенсацию вне ООС. На интегратор плевать. Инертность обусловлена самой диф.парой LC на выходе VRM

А вот чтобы это Вам понять надо обратиться к высшей математике и, хотя бы, к электротехнике. Насчёт работы ООС - изучайте теорию электрических схем с ООС (АЧХ и ФЧХ петлевого усиления и т.д.) Но тут это вообще уже не по теме. Речь о конкретной плате.

_________________
1: MSI PRO Z690-A+i9 12900K +4*32=128 GB (Crucial, 2R, DDR5-4800 MHz)+RTX 3050
2: MSI X99-S04+2680 v4+8*16=128 GB (2R, DDR4-2666 MHz)+GTX 1050 Ti


 

Member
Статус: Не в сети
Регистрация: 12.05.2018
mepavel писал(а):
В том то и дело, что на десятки ампер - это не "просто" шунт, а Кельвиновское подключение.
Да понятно же, что имелся в виду измерительный шунт. То есть имея шунт известного сопротивления и измерив падение напряжения на его концах, получим величину протекающего тока. Вот и все "Кельвиновское подключение". И я об этом писал в самом начале (вы невнимательны). Таким же способом, зная ток и падение напряжения, можно точно замерить сопротивление, исключив влияние сопротивления щупов измерителя. Зачем априори считать оппонента дураком и разводить понты на ровном месте, когда этому методу 100 лет в обед?
mepavel писал(а):
Я не экстрасенс и не знаю про какой дроссель Вы говорите. Хоть бы фото приложили
Да есть же фото. (Сначала мы про это говорим, а на следующей фразе вы забываете) - R82
mepavel писал(а):
Я вроде не такие старые контроллеры приводил.) Цифровой интерфейс все имеют) Так что время идёт, а ничего не меняется) Что ж Вы так боитесь старого?
Мало иметь цифровой интерфейс, нужно чтоб он соответствовал определенным задачам. Да, по существу SVI2 это обычная древняя 8-битная I2C, 4 бита адрес - 4 команда. Но в SVI2 по команде 0000, PWM выставляет максимальное напряжение VRM 1.55V. И выше никак (если забыть про компенсацию), потому что меньше 0000 команды нет. Если бы вы это понимали, то не писали бы про внезапный "плевок" напряжения. И это только одна деталь, коих куча
mepavel писал(а):
А упреждающее напряжение компенсации появляется чрезмерно медленно и на постоянку, если Вы про LLC
И кто из нас не понимает принцип действия компенсации?
mepavel писал(а):
Насчёт работы ООС - изучайте теорию электрических схем с ООС (АЧХ и ФЧХ петлевого усиления и т.д.)
Спасибо за совет, пусть и сильно запоздалый :D Того же желаю и вам. Вообще, странные у вас приемчики: например я пишу, что некий PWM не имеет LLC. Вы вынуждены согласиться, но тут же обвиняете меня в непонимании - где логика? Завязывайте, или я тоже на любое ваше утверждение буду снисходительно отвечать фразой о вашем непонимании

_________________
MSI x470 Gaming Plus, R7 2700 @ 4.0 GHz, 1.296V. SniperX (Hynix CJR) 3600 CL19 @ 3466 16-18-18-34-CR1, 1.36V


 

Member
Статус: Не в сети
Регистрация: 21.11.2020
Tarkus100 писал(а):
Да понятно же, что имелся в виду измерительный шунт. То есть имея шунт известного сопротивления и измерив падение напряжения на его концах, получим величину протекающего тока. Вот и все "Кельвиновское подключение". И я об этом писал в самом начале (вы невнимательны). Таким же способом, зная ток и падение напряжения, можно точно замерить сопротивление, исключив влияние сопротивления щупов измерителя.

Вот чтобы исключить влияние измерительных щупов, как раз и используется в качестве токового шунта резистор не с двумя, а четырьмя выводами - это и есть Кельвиновское подключение. То же самое реализовано на обсуждаемой плате MSI. Тонкими дорожками отводится два дополнительных "чувствительных" (I sense) в соответствии с рисунком.
Токовый шунт с Кельвиновским подключением
Вложение:
Shunt.png
Shunt.png [ 38.56 КБ | Просмотров: 1549 ]

Но Вы назвали эти дорожки:
Tarkus100 писал(а):
Это и есть дорожки OC по напряжению.

Очевидно, что Вы совсем некомпетентны в данном вопросе.
Вот я и не понимаю зачем спорить? Я бы мог дальше Вам рассказывать, почему именно так дорожки отводятся, а не иначе. Но я уже понимаю, что это бессмысленно. Сам разрабатывал токовые шунты для радиоэлектронной аппаратуры, где требовались точные измерения тока в широком диапазоне температур и, главное, при малой потере мощности на током шунте.
Tarkus100 писал(а):
Да есть же фото. (Сначала мы про это говорим, а на следующей фразе вы забываете) - R82

Я только предполагал о чём Вы пишите. Вот приведите фото сюда и выделите элемент. А то можем о разных вещах рассуждать.
Tarkus100 писал(а):
Мало иметь цифровой интерфейс, нужно чтоб он соответствовал определенным задачам. Да, по существу SVI2 это обычная древняя 8-битная I2C, 4 бита адрес - 4 команда. Но в SVI2 по команде 0000, PWM выставляет максимальное напряжение VRM 1.55V. И выше никак (если забыть про компенсацию), потому что меньше 0000 команды нет. Если бы вы это понимали, то не писали бы про внезапный "плевок" напряжения. И это только одна деталь, коих куча

Так Вы вообще не понимаете значит как работает ШИМ с ООС по напряжению и типовую схему не "видите" в предыдущем сообщении. С оторванной ООС ШИМ может плюнуть +12 В, если что. И плевать ему будет на команду 0000 и ограничение в 1,55 В, потому что на входе компаратора будет 0. И он знать не будет, что там на выходе VRM. Для этого предусмотрен защитный резистор, на схеме - 100 Ом, на случай отсутствия процессора или потери контакта. Но Вы опять перепутали цифровой сигнал с аналоговым.
Tarkus100 писал(а):
И кто из нас не понимает принцип действия компенсации?

Так Вы же не понимаете, как работает LLC. Я Вам ткнул носом, где почитать. Или мне опять цитировать Ваши высказывания и по второму кругу объяснять почему это не так? Переводить даташит на русский с картинками?
Tarkus100 писал(а):
Вообще, странные у вас приемчики: например я пишу, что некий PWM не имеет LLC. Вы вынуждены согласиться, но тут же обвиняете меня в непонимании - где логика?

Так а с чем я вынужден согласиться? В том, что в каком-то ШИМ нет функции LLC. Я разве где-то, писал что на всех ШИМах есть эта функция? Я Вам привёл в пример ШИМ в котором есть эта функция, чтобы Вы почитали как работает LLC и не писали глупости. У меня нет никаких "приёмчиков". Тут либо Вы читаете документы, которые я Вам привёл и в ответ приводите документальные, технически обоснованные доказательства со ссылкой на оф. документы. Либо можете дальше оставаться необразованным и писать свои убеждения, про то, что нельзя измерить средний ток с помощью дросселя, не внося резистивный шунт, который тупо создаст дополнительные потери мощности,тепло, займёт место на плате и будет стоить приличных денег) Ну и всё в таком духе. Я сначала думал, что Вы умеете читать технические документы, принципиальные электрические схемы, желаете разобраться в чём-то. Но оказывается у Вас другая цель.

_________________
1: MSI PRO Z690-A+i9 12900K +4*32=128 GB (Crucial, 2R, DDR5-4800 MHz)+RTX 3050
2: MSI X99-S04+2680 v4+8*16=128 GB (2R, DDR4-2666 MHz)+GTX 1050 Ti


 

Member
Статус: Не в сети
Регистрация: 13.08.2010
Откуда: Новосибирск
mepavel Tarkus100 вы бы в личку, перешли бы!

_________________
Ryzen 7 9700X (PS120evo)\MAG X870 TOMAHAWK\T-Create Expert 6000MHz CL30 32 ГБ\Palit RTX 5070\KC2500 250GB, AC2000 1000GB, HDD 1000 SATA3\БП SF 850W Leadex Gold III


 

Member
Статус: Не в сети
Регистрация: 12.05.2018
mepavel писал(а):
Вот чтобы исключить влияние измерительных щупов, как раз и используется в качестве токового шунта резистор не с двумя, а четырьмя выводами - это и есть Кельвиновское подключение
Спасибо Кэп. Я уже несколько раз так и описывал. И подобных картинок могу накидать сам. Может тогда перестанете наконец меня учить, что такое Кельвиновское подключение
Вложение:
Шунт.jpg
Шунт.jpg [ 17.13 КБ | Просмотров: 1510 ]
. Но только все не так просто. Во первых, эти дорожки могут идти во внутренних слоях, а во вторых, в реале-то все несколько сложней
Вложение:
Control_loop.jpg
Control_loop.jpg [ 42.29 КБ | Просмотров: 1510 ]
. Уверен, вы понимаете, что такое Control_loop
mepavel писал(а):
С оторванной ООС ШИМ может плюнуть +12 В, если что. И плевать ему будет на команду 0000 и ограничение в 1,55 В, потому что на входе компаратора будет 0
А если оторвать что-нибудь еще...или сразу молотком ? :D
Как просил тов. OldRampant , далее в личку. Конечно, если есть желание

_________________
MSI x470 Gaming Plus, R7 2700 @ 4.0 GHz, 1.296V. SniperX (Hynix CJR) 3600 CL19 @ 3466 16-18-18-34-CR1, 1.36V


 

Member
Статус: Не в сети
Регистрация: 11.01.2020
Откуда: Москва
Фото: 9
Всем привет, где то вычитал что настройки биос в agesa 1.2.0.0 теперь можно загружать с профиля предыдущей agesa это правда или опять все руками забивать надо?

_________________
Ryzen 5600x,Crucial Ballistix Sport LT Rot 16GB DDR4,b550m aorus pro-p ,Seasonic FOCUS-GX-750,EVGA RTX 3070 FTW3 Ultra,deepcool l240v2.


Показать сообщения за:  Поле сортировки  
Начать новую тему Новая тема / Ответить на тему Ответить  Сообщений: 1244 • Страница 30 из 63<  1 ... 27  28  29  30  31  32  33 ... 63  >
-

Часовой пояс: UTC + 3 часа


Кто сейчас на конференции

Сейчас этот форум просматривают: нет зарегистрированных пользователей и гости: 26


Вы не можете начинать темы
Вы не можете отвечать на сообщения
Вы не можете редактировать свои сообщения
Вы не можете удалять свои сообщения
Вы не можете добавлять вложения

Перейти:  
Создано на основе phpBB® Forum Software © phpBB Group
Русская поддержка phpBB | Kolobok smiles © Aiwan