Часовой пояс: UTC + 3 часа




Начать новую тему Новая тема / Ответить на тему Ответить  Сообщений: 26 • Страница 1 из 21  2  >
  Версия для печати (полностью) Пред. тема | След. тема 
В случае проблем с отображением форума, отключите блокировщик рекламы
Автор Сообщение
 

Member
Статус: Не в сети
Регистрация: 15.09.2012
Откуда: Карелия
Фото: 13
помогите плиз нарисовать чертёж метал. пластины, примерно 50*50 мм, в центре круглый вырез диаметром 53 мм... эта пластинка как из новости про видеокарту evga titan x hybrid нижняя картинка. + вырезы под крепёж по углам 43*43 мм и 53*53 или сколько там...

_________________
i3 12100
32gb ddr4
CMP 40HX pci-e x16 (RTX 2070)



Партнер
 

Member
Статус: Не в сети
Регистрация: 02.02.2010
Откуда: Краснодар/Москв
deniskaaaa1 пластина 50х50 с вырезом в 53?
Это как?

_________________
B-tag: JackJack#2321


 

Member
Статус: Не в сети
Регистрация: 27.05.2010
Откуда: Темиртау KZ
jackisdead писал(а):
Это как?

он же написал
deniskaaaa1 писал(а):
примерно

:lol:

_________________
В тюрьме столько не сидят, сколько вы в интернете


 

Member
Статус: Не в сети
Регистрация: 15.09.2012
Откуда: Карелия
Фото: 13
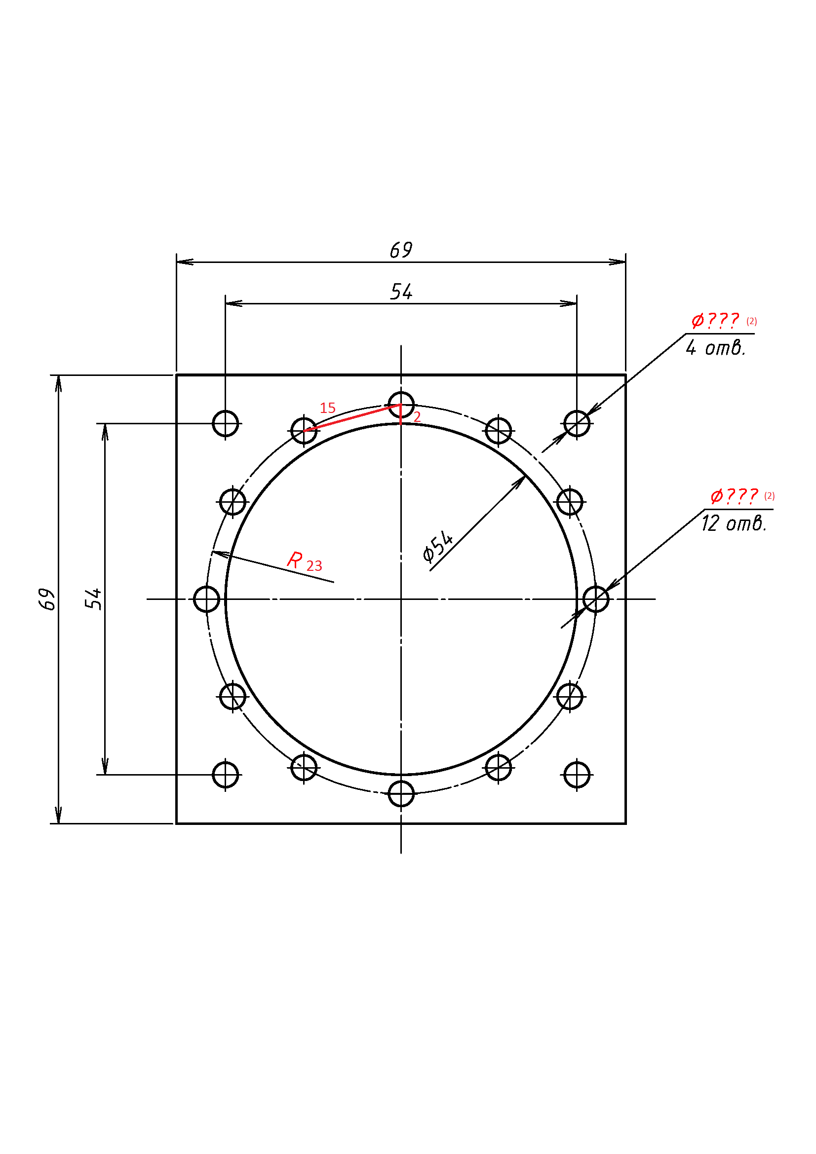
поправка: пластина 69*69, вырез 54 в диаметре, 4 крепёжных отверстия 54*54. а вот с теми отверстиями что вокруг большого, беда... надо мерить расстояние от края большого и между ними.

_________________
i3 12100
32gb ddr4
CMP 40HX pci-e x16 (RTX 2070)


 

Member
Статус: Не в сети
Регистрация: 26.03.2012
Фото: 2
deniskaaaa1 писал(а):
поправка: пластина 69*69, вырез 54 в диаметре, 4 крепёжных отверстия 54*54.


Тут все ясно.

deniskaaaa1 писал(а):
а вот с теми отверстиями что вокруг большого, беда... надо мерить расстояние от края большого и между ними


А вот отсюда уже ничо непонятно)


 

Member
Статус: Не в сети
Регистрация: 24.04.2012
Откуда: ДНР
Фото: 0
deniskaaaa1 Руки писать есть,а циркуль и линейку держать нечем?

_________________
"Восток учит запад"-говорили в старину наблюдая за солнцем..


 

Member
Статус: Не в сети
Регистрация: 15.09.2012
Откуда: Карелия
Фото: 13
Bosoiy, есть но не могу.
AlexUnderUA, а ты представь.

_________________
i3 12100
32gb ddr4
CMP 40HX pci-e x16 (RTX 2070)


 

Member
Статус: Не в сети
Регистрация: 24.04.2012
Откуда: ДНР
Фото: 0
deniskaaaa1 писал(а):
есть но не могу

По религиозным соображениям?

_________________
"Восток учит запад"-говорили в старину наблюдая за солнцем..


 

Member
Статус: Не в сети
Регистрация: 02.01.2012
Откуда: Щербинка
Фото: 72
а может просто вписать окружность в квадрат 54х54?вершины квадрата и будут отверстиями, кстати, какой диаметр у них

_________________
"Для человеческой глупости нет патча"


 

Member
Статус: Не в сети
Регистрация: 29.06.2009
Откуда: Санкт-Петербург
Фото: 40
Эмм. Аффтар пока объяснять пытался, чего хочет - уже мог раза 3 нарисовать)


 

Member
Статус: Не в сети
Регистрация: 23.05.2007
Откуда: Москва
так?
#77


 

Member
Статус: Не в сети
Регистрация: 15.09.2012
Откуда: Карелия
Фото: 13
Bosoiy, физиологические.
aggre$$or, не плохо. позже дополню.

_________________
i3 12100
32gb ddr4
CMP 40HX pci-e x16 (RTX 2070)


 

Заблокирован
Заблокирован
Статус: Не в сети
Регистрация: 15.06.2010
Откуда: Калуга
Фото: 18
deniskaaaa1 писал(а):
физиологические.

Это как? Линейку и циркуль руки не держат, а пилить могут?

Добавлено спустя 1 минуту 41 секунду:
aggre$$or Какой прогой чертёж делал? Надеюсь не автокад? Хотелось бы чего по проще, для мелких задач.

_________________
Лужу, паяю, не шалю, никого не трогаю, починяю примус (ЭВМ). Я не фанат INTEL, я просто не люблю AMD.


 

Member
Статус: Не в сети
Регистрация: 15.09.2012
Откуда: Карелия
Фото: 13
mol61, не пилить, не сверлить... всё сложно!

_________________
i3 12100
32gb ddr4
CMP 40HX pci-e x16 (RTX 2070)


 

Member
Статус: Не в сети
Регистрация: 23.05.2007
Откуда: Москва
mol61 автокад, он родимый.
квадрат, окружность и 2 массива, куда еще проще :-)


 

Заблокирован
Заблокирован
Статус: Не в сети
Регистрация: 15.06.2010
Откуда: Калуга
Фото: 18
aggre$$or писал(а):
он родимый.

Кад ставить для того чтобы раз в год гайку нарисовать, жирновато. :?:

_________________
Лужу, паяю, не шалю, никого не трогаю, починяю примус (ЭВМ). Я не фанат INTEL, я просто не люблю AMD.


 

Member
Статус: Не в сети
Регистрация: 15.09.2012
Откуда: Карелия
Фото: 13
вроде так...


Вложения:
d12a6f8dcdd50e7eedc5dc04fb9e0de9.png
d12a6f8dcdd50e7eedc5dc04fb9e0de9.png [ 112.02 КБ | Просмотров: 1003 ]

_________________
i3 12100
32gb ddr4
CMP 40HX pci-e x16 (RTX 2070)
 

Member
Статус: Не в сети
Регистрация: 03.10.2008
Откуда: Н-ск
Фото: 1
deniskaaaa1 писал(а):
вроде так...

Странно, длину хорды смог посчитать, а с радиусом ошибся! :D


 

Member
Статус: Не в сети
Регистрация: 15.09.2012
Откуда: Карелия
Фото: 13
54 мм диаметр, + 2 мм = 56 мм / 2 = 28 мм
пардон. :D

_________________
i3 12100
32gb ddr4
CMP 40HX pci-e x16 (RTX 2070)


 

Member
Статус: Не в сети
Регистрация: 23.05.2007
Откуда: Москва
deniskaaaa1 писал(а):
54 мм диаметр, + 2 мм = 56 мм / 2 = 28 мм
пардон.

опять не правильно, что с математикой?
радиус окружности по которой 12 отверстий = 29 мм
размер хорды не нужен, 360/12 = угол 30 град.


Показать сообщения за:  Поле сортировки  
Начать новую тему Новая тема / Ответить на тему Ответить  Сообщений: 26 • Страница 1 из 21  2  >
-

Часовой пояс: UTC + 3 часа


Кто сейчас на конференции

Сейчас этот форум просматривают: нет зарегистрированных пользователей и гости: 10


Вы не можете начинать темы
Вы не можете отвечать на сообщения
Вы не можете редактировать свои сообщения
Вы не можете удалять свои сообщения
Вы не можете добавлять вложения

Перейти:  
Создано на основе phpBB® Forum Software © phpBB Group
Русская поддержка phpBB | Kolobok smiles © Aiwan