Часовой пояс: UTC + 3 часа




Куратор(ы):   Иван555   



Начать новую тему Новая тема / Ответить на тему Ответить  Сообщений: 3148 • Страница 65 из 158<  1 ... 62  63  64  65  66  67  68 ... 158  >
  Версия для печати (полностью) Пред. тема | След. тема 
В случае проблем с отображением форума, отключите блокировщик рекламы
Автор Сообщение
 
Прилепленное (важное) сообщение

Куратор темы
Статус: Не в сети
Регистрация: 17.11.2011
Фото: 0
В этой теме обсуждаем общие вопросы, связанные с электротехникой, электроникой,
электронным компонентам и схемотехнике различных устройств.

Также можете выкладывать на обсуждение свои или просто понравившиеся эл.схемы
различных устройств, которые могут быть полезны посетителям данной ветки.

Новички в этом деле, имеющие вопросы, тоже обращайтесь, не стесняйтесь ;)

Графические обозначения и буквенные коды элементов эл. схем
Буквенные коды наиболее распространенных элементов эл. схем



Последний раз редактировалось Иван555 09.10.2020 20:44, всего редактировалось 28 раз(а).


Партнер
 

Member
Предупреждение 
Статус: Не в сети
Регистрация: 18.01.2013
Откуда: РФ
Фото: 1129
iG0Lka
отличный вариант.

_________________
B550M Steel Legend
5800X PBO+CO+200
LE360 V2 ARGB
AES 3800 CL16 32 Gb
KFA2 RTX 3080Ti SG
Legion GX PRO 850W Gold
970 EVO+ 2х2тб
LG 27GL83A-B
Eurocase M430ZАF


 

Member
Статус: Не в сети
Регистрация: 27.12.2011
Откуда: Краснодар
Фото: 10
Вот что получилось :-) .
Что интересно тиристор не греется, понятно если подключить паяльник ватт на 100 то будет, а от обычных 25-40ватт не греется.
http://fotki.yandex.ru/users/creeds2012/album/367311/?p=0

_________________
Ryzen 9 9900X, MSI MAG B850 Tomahawk Max WiFi(ASRock B850 Pro-A), AX5U6000C3616G-DTLABWH, RTX4070SUPER.


 

Куратор темы
Статус: Не в сети
Регистрация: 17.11.2011
Фото: 0
silent_assassin писал(а):
Продавщица коза продала стабилитрон не тот

:D
silent_assassin писал(а):
Ты его распоковал?

Обижаешь! :crazy:
Естественно! Что ж я архивы не видел никогда :D
Vit222 писал(а):
В общем, кому интересно - не трансформатор это и не кондеры были..

А это что за обломки? :?:

Добавлено спустя 1 минуту 55 секунд:
K+M писал(а):
iG0Lka
отличный вариант.

+1
silent_assassin писал(а):
Вот что получилось :-)

Нормалек :beer:


 

Member
Статус: Не в сети
Регистрация: 19.01.2010
Откуда: Питер
Иван555 писал(а):
А это что за обломки?

одна из ламп :cry:
чет не могу найти даже где купить под замену..


 

Member
Статус: Не в сети
Регистрация: 27.12.2011
Откуда: Краснодар
Фото: 10
Иван555 писал(а):
Естественно! Что ж я архивы не видел никогда :D

Ну мало ли, ситуации разные бывают.
Вчера питал от этой штуки настольную галогенку, и думал что пальнул там трансформатор :crazy: , в итоге разобрал транс оказалось там термозащита сдохда :super: . Мораль в следующем где такую защиту купить? А в лампу я вставил другой транс уже.

Добавлено спустя 5 минут 28 секунд:
K+M писал(а):
silent_assassin, я в них вентели и тыкаю выкидывая разъем, разделяя немного и зачищая.

Не так не удобно, я делал тут http://people.overclockers.ru/Silent_Assassin/16877 я покупал немного е таккие но они подходили. Но из за отсутствия печатки монтаж был очень хлипким, в общем я его разобрал.

Добавлено спустя 22 секунды:
Vit222 писал(а):
одна из ламп :cry:

:crazy:

_________________
Ryzen 9 9900X, MSI MAG B850 Tomahawk Max WiFi(ASRock B850 Pro-A), AX5U6000C3616G-DTLABWH, RTX4070SUPER.


 

Member
Предупреждение 
Статус: Не в сети
Регистрация: 18.01.2013
Откуда: РФ
Фото: 1129
silent_assassin писал(а):
Не так не удобно,

а что тут удобно-не удобно?
один раз подключил красиво подогнав провода да и всё, навсегда.
мне то их не каждый день туда сюда тыкать.

_________________
B550M Steel Legend
5800X PBO+CO+200
LE360 V2 ARGB
AES 3800 CL16 32 Gb
KFA2 RTX 3080Ti SG
Legion GX PRO 850W Gold
970 EVO+ 2х2тб
LG 27GL83A-B
Eurocase M430ZАF


 

Member
Статус: Не в сети
Регистрация: 27.12.2011
Откуда: Краснодар
Фото: 10
Собрал свой усь для саба. Проблемка в том что как то слабовато динамик пиниает. Нужно походу еще один пред делать, я так понял ФНЧ не хватает для раскачки палника на всю.
http://fotki.yandex.ru/users/creeds2012/album/367923/?p=0

Добавлено спустя 1 минуту 19 секунд:
Платы цапонлаком можно покрыть?

_________________
Ryzen 9 9900X, MSI MAG B850 Tomahawk Max WiFi(ASRock B850 Pro-A), AX5U6000C3616G-DTLABWH, RTX4070SUPER.


 

Куратор темы
Статус: Не в сети
Регистрация: 17.11.2011
Фото: 0
silent_assassin писал(а):
Платы цапонлаком можно покрыть?

Даже нужно.
silent_assassin писал(а):
Нужно походу еще один пред делать

А что есть уже один?
Увеличь усиление на нем.


 

Member
Статус: Не в сети
Регистрация: 27.12.2011
Откуда: Краснодар
Фото: 10
Иван555 писал(а):
Увеличь усиление на нем.

Где? что увеличивать .

_________________
Ryzen 9 9900X, MSI MAG B850 Tomahawk Max WiFi(ASRock B850 Pro-A), AX5U6000C3616G-DTLABWH, RTX4070SUPER.


 

Куратор темы
Статус: Не в сети
Регистрация: 17.11.2011
Фото: 0
silent_assassin, в цепях обратной связи предусилителя, меняешь сопротивление резисторов,
и добиваешься необходимого усиления.
Микросхема питающаяся от двухполярного напряжения +-15В, способна +-13В на выходе выдавать.
Хватит за глаза любому усилку. Больше без схемы добавить нечего.


 

Member
Статус: Не в сети
Регистрация: 27.12.2011
Откуда: Краснодар
Фото: 10
Иван555 писал(а):
silent_assassin, в цепях обратной связи предусилителя, меняешь сопротивление резисторов,
и добиваешься необходимого усиления.
Микросхема питающаяся от двухполярного напряжения +-15В, способна +-13В на выходе выдавать.
Хватит за глаза любому усилку. Больше без схемы добавить нечего.

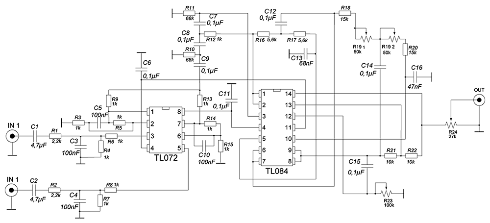
Схема .
B еще корректно ли измерять мощность потребителя сети просто умножай ток на напряжение?


Вложения:
fnch_02.png
fnch_02.png [ 85.75 КБ | Просмотров: 465 ]

_________________
Ryzen 9 9900X, MSI MAG B850 Tomahawk Max WiFi(ASRock B850 Pro-A), AX5U6000C3616G-DTLABWH, RTX4070SUPER.
 

Member
Статус: Не в сети
Регистрация: 27.12.2011
Откуда: Краснодар
Фото: 10
Мужики тут человек спрашивает схему мощного реобаса на 1 канал ватт на 30, можно применить два транзистора,кт815 и кт827 а? включив их как составной?

_________________
Ryzen 9 9900X, MSI MAG B850 Tomahawk Max WiFi(ASRock B850 Pro-A), AX5U6000C3616G-DTLABWH, RTX4070SUPER.


 

Member
Статус: Не в сети
Регистрация: 03.10.2008
Откуда: Н-ск
Фото: 1
silent_assassin писал(а):
Мужики тут человек спрашивает схему мощного реобаса на 1 канал ватт на 30, можно применить два транзистора,кт815 и кт827 а? включив их как составной?

КТ827 и так составной, его одного хватит.


 

Member
Статус: Не в сети
Регистрация: 27.12.2011
Откуда: Краснодар
Фото: 10
Kinsi писал(а):
КТ827 и так составной, его одного хватит.

Я думал разгрузить резистор.

_________________
Ryzen 9 9900X, MSI MAG B850 Tomahawk Max WiFi(ASRock B850 Pro-A), AX5U6000C3616G-DTLABWH, RTX4070SUPER.


 

Member
Статус: Не в сети
Регистрация: 03.10.2008
Откуда: Н-ск
Фото: 1
silent_assassin писал(а):
Я думал разгрузить резистор.

Ну у него и так коэффициент усиления несколько тысяч.


 

Member
Статус: Не в сети
Регистрация: 27.12.2011
Откуда: Краснодар
Фото: 10
Kinsi писал(а):
Ну у него и так коэффициент усиления несколько тысяч.

Я понял), я человеку уже написал.

_________________
Ryzen 9 9900X, MSI MAG B850 Tomahawk Max WiFi(ASRock B850 Pro-A), AX5U6000C3616G-DTLABWH, RTX4070SUPER.


 

Куратор темы
Статус: Не в сети
Регистрация: 17.11.2011
Фото: 0
silent_assassin, если не ошибаюсь, то R22 отвечает за коэффициэнт усиления выходного каскада твоей схемы.
Увеличение этого сопротивления, должно повысить коэффициэнт усиления.
Но схема слишком уж замудреная, не факт что это не повлияет на работу фильтра в общем. Надо пробовать короче.
Напряжение питания у тебя +-15В?
Либо можно попробовать увеличить мощность входного сигнала, увеличением сопротивления резисторов R5 и R14.
Их сопротивление должно быть одинаковым. Чтобы оба входных канала усиливались одинаково.

Если это не поможет, появятся искажения, шумы или еще что то, то можно конечно и поставить еще один операционник перед УМЗЧ.

silent_assassin писал(а):
Я думал разгрузить резистор

КТ827 вертушки эти и не почувствует особо. И соответственно никакой особой нагрузки на переменник не даст.


 

Member
Статус: Не в сети
Регистрация: 18.04.2004
Подскажите пожалуйста программу, чтобы можно было нарисовать двойной триод и пентод (лампы).


 

Куратор темы
Статус: Не в сети
Регистрация: 17.11.2011
Фото: 0
GrandGT, в шапке темы глянь.


 

Member
Статус: Не в сети
Регистрация: 18.04.2004
Иван555

Пробовал эти программы там этого нет.


Показать сообщения за:  Поле сортировки  
Начать новую тему Новая тема / Ответить на тему Ответить  Сообщений: 3148 • Страница 65 из 158<  1 ... 62  63  64  65  66  67  68 ... 158  >
-

Часовой пояс: UTC + 3 часа


Кто сейчас на конференции

Сейчас этот форум просматривают: нет зарегистрированных пользователей и гости: 14


Вы не можете начинать темы
Вы не можете отвечать на сообщения
Вы не можете редактировать свои сообщения
Вы не можете удалять свои сообщения
Вы не можете добавлять вложения

Перейти:  
Создано на основе phpBB® Forum Software © phpBB Group
Русская поддержка phpBB | Kolobok smiles © Aiwan