Часовой пояс: UTC + 3 часа




Начать новую тему Новая тема / Ответить на тему Ответить  Сообщений: 53291 • Страница 2243 из 2665<  1 ... 2240  2241  2242  2243  2244  2245  2246 ... 2665  >
  Версия для печати (полностью) Пред. тема | След. тема 
В случае проблем с отображением форума, отключите блокировщик рекламы
Автор Сообщение
 

Member
Статус: Не в сети
Регистрация: 12.01.2008
Откуда: Раменское, МО
Дело в том, что установить венду ни на SSD ни на HDD, отличным от установленного изначально, не представляется возможным, так как дальше POST не пускает и пишет те самые заветные слова)
В итоге владельцы решились на покупку нового ноутбука.
Спасибо всем за участие ;)

_________________
Lian li O11 Evo XL+AMD 9950X3D+ROG X870E CROSSHAIR EXTREME+DDR5 96Gb 6400MHz G.Skill+4Tb Samsung 9100 PRO+ROG ASTRAL 5090+ROG Thor III 1200W+LG C4 42`+ASUS GT-BE98



Партнер
 

Member
Статус: Не в сети
Регистрация: 24.12.2009
Фото: 250
Lavrik, а что за ноут, напомни ещё раз.

_________________
Для увеличения производительности РС нужны только три вещи....


 

Member
Статус: Не в сети
Регистрация: 25.02.2012
Откуда: Ставрополь
Фото: 1796
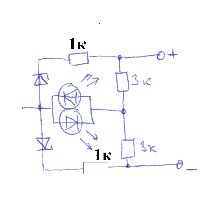
Наш электротехнический сенсей (в школе для чумазых слесарей где я обучаюсь) задал мне на выходные головоломку , нужно изобрести схему тестера чтобы им проверять полярность . Я думал над этим почти двое суток но так ничего и не придумал (у меня умственная отсталость , я не ходил в школу) . Вопрос , как придумать схему контрольки ? Такая схема пойдет ?

55684 55685

И почему наш сенсей поступает абсолютно несправедливо , почему он мне дает такие задания которые я не могу выполнить а всем другим вообще ничего сложного не задает ? За что такая дискриминация происходит в учебных заведениях ? Это так специально делается чтобы я не смог сдать зачет ?


 

Member
Статус: Не в сети
Регистрация: 24.12.2009
Фото: 250
A Clockwork Orange, ват ов фак изнес?

_________________
Для увеличения производительности РС нужны только три вещи....


 

Member
Статус: Не в сети
Регистрация: 25.02.2012
Откуда: Ставрополь
Фото: 1796
ЗлойГеймер

Два щупа на акб , а третий в зависимости от того куда им ткнул будут загораться светодиоды , например зеленый плюс а синий минус (это надо чтобы проводку в дырявой жиге ремонтировать) .


 

Member
Статус: Не в сети
Регистрация: 22.12.2012
Фото: 1
Да уж, заставь дурака молится, лоб расшибёт.


 

Member
Статус: Не в сети
Регистрация: 24.12.2009
Фото: 250
А зачем два щупа на АКБ? Это как бы связывает чумазого слесаря проводом с АКБ и лишает его некоторой мобильности, почему бы не использовать встроенную в щуп батарею на 9 вольт? Или чем тебя такая схема не устраивает?


Вложения:
Безымянный 1.jpg
Безымянный 1.jpg [ 37.5 КБ | Просмотров: 473 ]

_________________
Для увеличения производительности РС нужны только три вещи....
 

Member
Статус: Не в сети
Регистрация: 25.02.2012
Откуда: Ставрополь
Фото: 1796
ЗлойГеймер

Это надо только чтобы завтра зачет сдать , сенсей сказал сделать с проводами простую схему и чтобы работало . Есть и с батарейками и с микропроцессорами , но они слишком сложные а я умственно отсталый , я даже простую схему не понимаю как сделать . Два щупа на акб надо чтобы не бегать и не переставлять провод , третий щуп ткнул в любое место и если там будет минус то горит синий светодиод а если плюс то зеленый .

И еще диапазон напряжений чтобы был около 5-40V примерно , то есть стабилизатор тока уже обязательно нужен для диодов ...


 

Member
Статус: Не в сети
Регистрация: 24.12.2009
Фото: 250
Что за бред про подключение к АКБ, да и не может быть у автомобиля чистого минуса, т.к там не двухполярное питание.


Вложения:
Безымянный 1.jpg
Безымянный 1.jpg [ 53.83 КБ | Просмотров: 462 ]

_________________
Для увеличения производительности РС нужны только три вещи....
 

Member
Статус: Не в сети
Регистрация: 25.02.2012
Откуда: Ставрополь
Фото: 1796
ЗлойГеймер

Когда на сто на россии будешь обрати внимание чем пользуются слесари , такие контрольки почти у всех есть с тремя щупами , два на акб а третий для поиска . Какая в них схема я хз (в тех которые из магазина) , не разбирал их и что внутри не знаю . Это все вообще для реальной работы само собой не надо тк щас можно просто любой дешевый мультиметр взять и все ...


 

Member
Статус: Не в сети
Регистрация: 22.12.2012
Фото: 1
Не знаю зачем такой гемор и откуда там может быть 40 вольт, может проще надо быть, вот например https://www.youtube.com/watch?v=MKQ693iooG8&ab_channel=%D0%A7%D0%B8%D0%BF%D0%B8%D0%94%D0%B8%D0%BF


 

Member
Статус: Не в сети
Регистрация: 24.12.2009
Фото: 250
Просто беда с современными авто, хотел на новой машине поменять штатные лампы на лампы с синим баллоном, не смог вытащить штатные лампы и не потому что до них не добраться, добраться то как раз легко, не видно где там прижимная пружина и не понятно как её снять.

Добавлено спустя 2 минуты 40 секунд:
Sania., проблема в том что на авто нет средней точки, по этому вызвонить таким тестером минус на авто в принципе не возможно, моя вторая схема как раз работать будет, а 30 - 40 вольт могут быть на первичке импульсных трансформаторов системы зажигания.

_________________
Для увеличения производительности РС нужны только три вещи....


 

Member
Статус: Не в сети
Регистрация: 22.06.2008
Откуда: Ленинград
Lavrik писал(а):
windows boot manager has been blocked by the current security policy
так пойти в секурити и поглядеть что там включена вероятно секурбут и выключить ее.
если она есть но неактивная, то надо пароль поставить и перегрузиться.
а вот если там нет строчки про секурбут то на этом мысль заканчивается.


 

Member
Статус: Не в сети
Регистрация: 25.02.2012
Откуда: Ставрополь
Фото: 1796
Sania.

Это надо затем чтобы узнать что и куда приходит или не приходит , в принципе все подобные устройства устарели , сейчас их конечно еще многие используют но меньше и меньше . Слесари используют осциллографы , сканеры , мультиметры , острой необходимости в контрольках сейчас нет . До появления эбу и некоторое время после (на самых первых) смысл был , а сейчас ты такими устройствами уже ничего проверить не сможешь , все по can bus идет ...

ЗлойГеймер


Сейчас уже мало кто лампочки/светодиоды меняет в цивилизованном мире , сразу целиком все . Даже современные русские жиги делают одноразовыми , даже двигатель (впуск из пластмассы например и тд и тп) . Смысла использовать авто по 50 лет нету , покатался 2-3 года и на свалку выбросил , а в нищих недоразвитых странах как россия тут да , тут меняют лампочки/светодиоды , паяют треснувший бампер , выравнивают вмятины , чистят дмрв , промывают форсунки и тд и тп …






Какие сейчас есть в продаже на али качественные переменные резисторы ? У меня есть регулируемый блок питания , так вот резисторы на нем вроде бы новые а регулируют очень плохо , говно китайское короче , придется менять резисторы и чуть чуть допиливать схему регулировки . А то все продавцы пишут что все качественные и 100% оригинал а что будет на самом деле непонятно ...

55692


 

Member
Статус: Не в сети
Регистрация: 24.12.2009
Фото: 250
A Clockwork Orange, гАвно все эти переменные резисторы из китая.Пользуй старые добрые советские резюки. Или брендовые.

Добавлено спустя 6 минут 51 секунду:
Или пользуй энкодеры и цифровые преобразователи, там можно многооборотный режим реализовать.

_________________
Для увеличения производительности РС нужны только три вещи....


 

Member
Статус: Не в сети
Регистрация: 30.12.2009
Откуда: С того света...
Фото: 1
ПРивет, не нашёл обсуждение игры Wolfpack ? или плохо искал

_________________
|ASUS P5QLD PRO|Q8400 3.04GHz (1.187v)| Sapphire RX 460 |6GB|Seagate 750Gb|Chieftec 750W|
Смайликами не пользуюсь.


 

Member
Статус: Не в сети
Регистрация: 25.02.2012
Откуда: Ставрополь
Фото: 1796
Что это такое ? Это реклама клуба для гомосексуалистов ? Зачем мужикам делают прическу как у девочек ?

55739

Ничего уже не боятся , прямо в центре нашей деревни свои лгбт плакаты ставят …


 

Member
Статус: Не в сети
Регистрация: 02.10.2009
Откуда: Мск.Измайлово.
Фото: 3
A Clockwork Orange писал(а):
Что это такое ?


сходи ,бигудей тебе накрутят ,инкогнито.


Последний раз редактировалось krasnov77 11.11.2020 12:09, всего редактировалось 1 раз.

 

Member
Статус: Не в сети
Регистрация: 30.12.2009
Откуда: С того света...
Фото: 1
ПРивет, не нашёл обсуждение игры Wolfpack ? или плохо искал

_________________
|ASUS P5QLD PRO|Q8400 3.04GHz (1.187v)| Sapphire RX 460 |6GB|Seagate 750Gb|Chieftec 750W|
Смайликами не пользуюсь.


 

Member
Статус: Не в сети
Регистрация: 26.07.2014
Фото: 2
Ты парень форумом ошибся, весь электронный подплав интернетов пасется на форуме KSD TEAM. Хотя я смотрю даже там по этой гаме все глухо. :crazy:


Показать сообщения за:  Поле сортировки  
Начать новую тему Новая тема / Ответить на тему Ответить  Сообщений: 53291 • Страница 2243 из 2665<  1 ... 2240  2241  2242  2243  2244  2245  2246 ... 2665  >
-

Часовой пояс: UTC + 3 часа


Кто сейчас на конференции

Сейчас этот форум просматривают: нет зарегистрированных пользователей и гости: 40


Вы не можете начинать темы
Вы не можете отвечать на сообщения
Вы не можете редактировать свои сообщения
Вы не можете удалять свои сообщения
Вы не можете добавлять вложения

Перейти:  
Создано на основе phpBB® Forum Software © phpBB Group
Русская поддержка phpBB | Kolobok smiles © Aiwan