Часовой пояс: UTC + 3 часа




Начать новую тему Новая тема / Ответить на тему Ответить  Сообщений: 4772 • Страница 180 из 239<  1 ... 177  178  179  180  181  182  183 ... 239  >
  Пред. тема | След. тема 
В случае проблем с отображением форума, отключите блокировщик рекламы
Автор Сообщение
 
Прилепленное (важное) сообщение

Junior
Статус: Не в сети
Регистрация: 01.01.2011
Необходимо знание основ электроники, схемотехники импульсных БП , наличие измерительных средств. При описании проблемы указывать маркировку и параметры проблемных элементов, а также результаты измерений/обследования. Следует помнить, что в БП присутствуют опасные для жизни напряжения. Блок питания - крайне опасное изделие и малейшая ошибка приведет к уничтожению аппаратуры намного дороже, чем стоит сам БП . Если у Вас нет соответствующей квалификации, купите новый Блок Питания.

Цоколевки выходных шлейфов блоков питания (таки где что измерять* для начала):
ATX 20 pin power supply connector pinout
ATX 24 pin power supply connector pinout
*без результатов измерений смело идите в выбор БП , вас никто не осудит.

Полезные ссылки по теме:

Азбука молодого ремонтника БП. Прочти, потом задавай вопрос.
Микроликбез по электронике от Alexx
Кладезь знаний от rom.by - схемы, фрагменты схем.
Производители и самые часто встречающиеся серии конденсаторов - черный список, белый список, с фотками.
Изучение и доработка БП (R&D)
Распиновки и описания интерфейсов - ссылка полезная во всех отношениях!

Даташиты
http://www.alldatasheet.com
http://www.datasheetarchive.com
http://www.datasheetcatalog.com
http://www.datasheet4u.com
http://www.digchip.com (нужна регистрация)


Последний раз редактировалось Хе-Хемуль 14.02.2015 19:48, всего редактировалось 1 раз.


Партнер
 

Member
Статус: Не в сети
Регистрация: 02.10.2010
Фото: 24
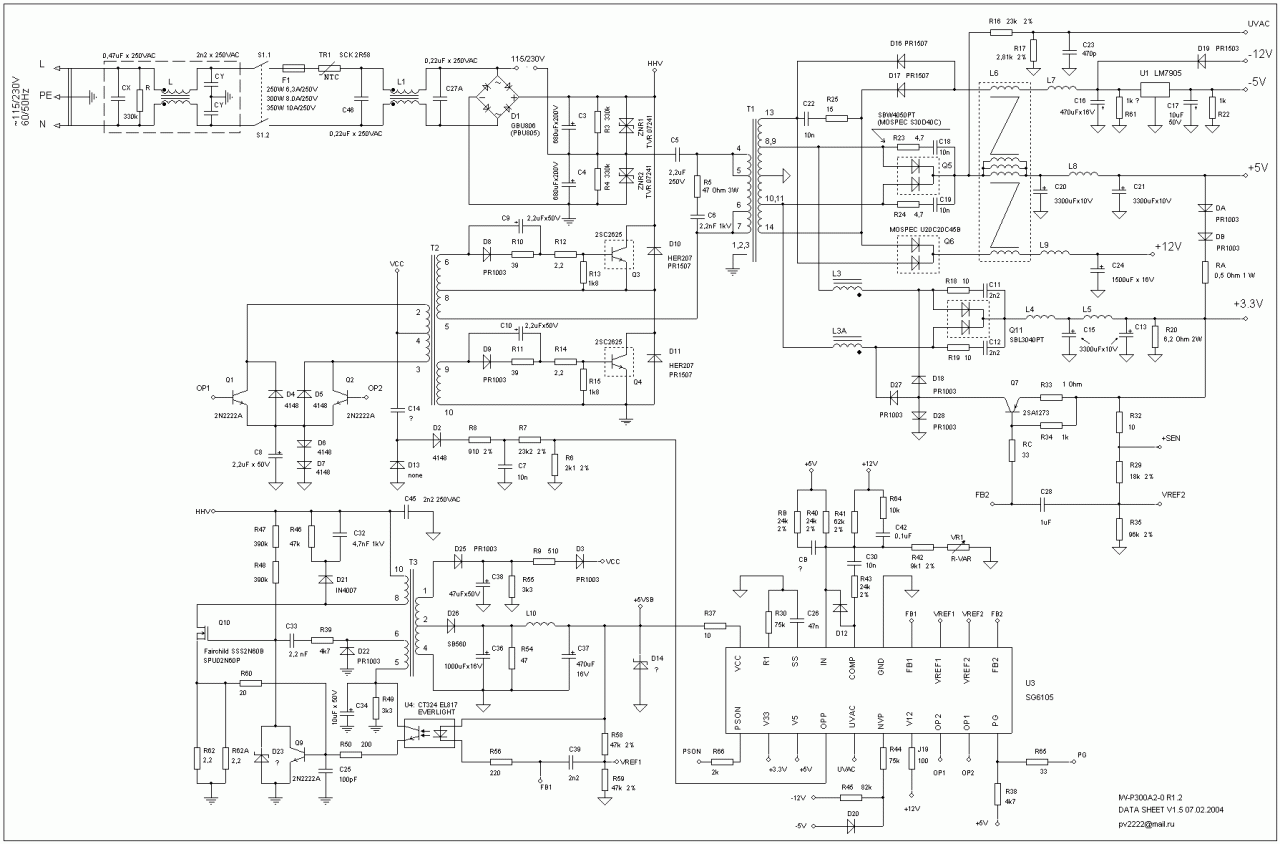
А TR1 чего делает?

_________________
Граждане! Не трогайте мокрыми руками голые провода! Они от этого ржавеют!


 

Member
Статус: Не в сети
Регистрация: 04.10.2004
Leviafan писал(а):
А TR1 чего делает?
Т.е. вы не пробовали думать :D. И признаваться в этом вам тоже почему-то не хочется :lol:.

Предположим, что кто-то попробовал подумать (т.е. мы моделируем ситуацию с теоретической стороны - ни один мирный недумающий человек не пострадает :)). Этот странный думающий индивид для начала попробует осознать, куда именно подключены выводы первичной обмотки интересующего трансформатора. Поглядев на схему, индивид начнет громко смеяться и звать санитаров - первичная обмотка трансформатора TR1 соединяет высоковольтную и низковольтную стороны БП :D. Подошедшие санитары тоже с большим удовольствием посмеются над всей вышеприведенной схемой.

P.S. OCP.


 

Member
Статус: Не в сети
Регистрация: 02.10.2010
Фото: 24
да что это за схема вообще

_________________
Граждане! Не трогайте мокрыми руками голые провода! Они от этого ржавеют!


 

Member
Статус: Не в сети
Регистрация: 04.10.2004
Leviafan писал(а):
да что это за схема вообще
Если речь идет о схеме с участием TR1 (в нормальном включении, естественно :D), то ответ я уже дал выше.


 

Member
Статус: Не в сети
Регистрация: 02.10.2010
Фото: 24
То-то я думаю отчего у меня мозги текут её разглядывая :roll:

_________________
Граждане! Не трогайте мокрыми руками голые провода! Они от этого ржавеют!


 

Member
Статус: Не в сети
Регистрация: 04.10.2004
Leviafan
Дык не разглядывайте - не мучайтесь, если лень думать :).


 

Member
Статус: Не в сети
Регистрация: 02.10.2010
Фото: 24
Просто разглядывал как подключена моя любимая микросхема TL494 :bandhead: и тут-то я смекнул... что что-то тут нечисто :crazy:

_________________
Граждане! Не трогайте мокрыми руками голые провода! Они от этого ржавеют!


 

Member
Статус: Не в сети
Регистрация: 13.11.2005
Откуда: Ukr-ne
Парни, помогите разобраться. Имею профильный БП. У этого товарища 2 режима работы вентилятора: полупассив (запускается при достижении нагрузки в 380 ватт) и обычный активный. Так вот. Купил я его с рук месяцев 9 назад. По словам человека он был прислан на обзор и потом лежал в шкафу. в принципе так и выглядел. Без пылинок и пах краской свежей. Использовал его в полупассивном режиме. И вроде бы недолгое время в активном. Так вот. К проблеме. Полез наклеить радиаторы на память видяшки и решил включить активный режим. Включил. Врубил комп и сразу заметил как начал мигать свет в квартире, а из БП начало раздаваться потрескивание. Все это происходило одновременно. Треск+светомузыка. Подумал, что напруга прыгает (у нас тут сейчас отключения света каждый день в разных районах- экономят типа :bandhead: ) Выключил комп мигать перестало. Подождал, включаю, опять то же самое. Треск, чтобы смонений не возникло именно электрический, а не механический. В общем перевел БП опять в полупассивный и все прекратилось. Что это такое и как с этим жить?

_________________
4770K,Maximus VI impact, Manli GTX 1080 TI FE,16GB Kingston Hyper X Beast DDR3 2400


 

Member
Статус: Не в сети
Регистрация: 02.10.2010
Фото: 24
спокойно Вольдемар, спокойно Вольдемар... :writer: прям так и хочется кого-то нехорошими словами обозвать...
Модель нельзя ли упомянуть?

_________________
Граждане! Не трогайте мокрыми руками голые провода! Они от этого ржавеют!


 

Member
Статус: Не в сети
Регистрация: 09.06.2010
Откуда: Зеленоград
Фото: 3
Дон Хуан писал(а):
Транзистор дежурки пробило и он спалил первичную обмотку транса. После насыщения сердечника она превращается в КЗ.

то есть после замены этого транзистора блок всеравно труп?


 

Member
Статус: Не в сети
Регистрация: 07.01.2012
Откуда: Арх. область
Фото: 7
Приветствую, задам вопрос в данной теме может кто подскажет.
Имеется БП Seasonic X850 Gold KM3, месяца 3 был в работе очень тихим и вдруг начал стрекотать.
Звук точь в точь как на видео в теме Трещит БП
Звук появляется после пары часов работы компа, неважно в игре или в простое, бывает проходит, бывает нет.
Звук громкий, очень раздражает.
Если комп выключить и сразу включить, звук не пропадает, но если выключить вечером, а включить утром, т.е. через несколько часов-тишина, пока опять не начнет стрекотать.
По гарантии сдать не получится, коробку недавно выкинул, да и покупал в другом городе.
Может как то можно это вылечить? Разобрать, поменять там что, залить и т.д.
Посоветуйте что-нибудь. :-)


 

Junior
Статус: Не в сети
Регистрация: 04.01.2015
Здравствуйте. Помогите, пожалуйста. Блок питания Chieftec HPC-420-102 перестал запускаться. При вскрытии обнаружил пробитый стабилитрон D14 на выходе дежурки. Заменил его и еще конденсаторы С34, С36, С37. Но блок питания не всегда запускается. Оказалось низкое напряжение дежурки. Всего 4,3 вольта. Подскажите как поднять напряжение дежурки.


 

Member
Статус: Не в сети
Регистрация: 04.10.2004
denni
Небольшая часть SG6105, если она используется в этом БП. Причем проверяется достаточно просто - TL431, например.
Оптопара.
Резисторы в датчике тока.
Итд.


 

Junior
Статус: Не в сети
Регистрация: 04.01.2015
maco писал(а):
denni
Небольшая часть SG6105, если она используется в этом БП. Причем проверяется достаточно просто - TL431, например.
Оптопара.
Резисторы в датчике тока.
Итд.

SG6105 стоит в этом блоке питания. Не совсем понял с TL431. Как ее нужно подключать.

Добавлено спустя 5 минут 26 секунд:
maco писал(а):
denni
Небольшая часть SG6105, если она используется в этом БП. Причем проверяется достаточно просто - TL431, например.
Оптопара.
Резисторы в датчике тока.
Итд.


Вложения:
schem3.GIF
schem3.GIF [ 88.92 КБ | Просмотров: 1840 ]
 

Member
Статус: Не в сети
Регистрация: 28.11.2003
Откуда: Estonia
Привет! Профильный БП (fsp bluestorm 2)похоже всё. Комп стартует со 100500 раза, а если стартанет, то через пару минут сам вырубается. Визуально в БП шесть вспухших емкостей. Пылюки с валенок. Отработал 7 лет. Ремонтировать, или брать на замену новый?

_________________
Boy you just a stupid bitch and girl you just a no good dick...


 

Member
Статус: Не в сети
Регистрация: 04.10.2004
denni писал(а):
Не совсем понял с TL431. Как ее нужно подключать.
Документацию на SG6105 почитайте, подумайте. Поглядите, как по схеме подключена оптопара. Почитайте документацию на TL431, еще немного подумайте :).
Кстати, схема на HPC-420-302 доступна без особых проблем.

И еще забыл спросить - каким именно стабилитроном вы заменили D14?


 

Junior
Статус: Не в сети
Регистрация: 04.01.2015
И еще забыл спросить - каким именно стабилитроном вы заменили D14?[/off][/quote]
Стабилитроном на 6,2 вольта. Но напряжение что со стабилитроном что без 4,3 В. И еще на светодиоде оптопары напряжение 1,1 В. И после резистора который стоит в 12 вольтовом выпрямителе дежурки 2 В, а перед ним 11 В. На выходных отключу SG6105 и подкину TL431. Посмотрю как поменяется выходное напряжение с TL431.


 

Member
Статус: Не в сети
Регистрация: 02.10.2010
Фото: 24
Dmitri писал(а):
Привет! Профильный БП (fsp bluestorm 2)похоже всё. Комп стартует со 100500 раза, а если стартанет, то через пару минут сам вырубается. Визуально в БП шесть вспухших емкостей. Пылюки с валенок. Отработал 7 лет. Ремонтировать, или брать на замену новый?

Вам брать новый

_________________
Граждане! Не трогайте мокрыми руками голые провода! Они от этого ржавеют!


 

Member
Статус: Не в сети
Регистрация: 04.10.2004
denni писал(а):
И после резистора который стоит в 12 вольтовом выпрямителе дежурки 2 В, а перед ним 11 В.
Один из транзисторов раскачки открыт или пробит, например.


 

Junior
Статус: Не в сети
Регистрация: 04.01.2015
[quote="maco"]Один из транзисторов раскачки открыт или пробит, например.

Поставил TL431, обрезав дорожки идущие к 13 и 14 выводам SG6105. Все заработало. Дежурка 5,1 В и появилось 12 В в дежурке. Дополнительно зашунтировал емкостью 0,1 мкФ конденсатор С34. Диод Д14 поставил 1N4735A.


Показать сообщения за:  Поле сортировки  
Начать новую тему Новая тема / Ответить на тему Ответить  Сообщений: 4772 • Страница 180 из 239<  1 ... 177  178  179  180  181  182  183 ... 239  >
-

Часовой пояс: UTC + 3 часа


Кто сейчас на конференции

Сейчас этот форум просматривают: нет зарегистрированных пользователей и гости: 6


Вы не можете начинать темы
Вы не можете отвечать на сообщения
Вы не можете редактировать свои сообщения
Вы не можете удалять свои сообщения
Вы не можете добавлять вложения

Перейти:  
Создано на основе phpBB® Forum Software © phpBB Group
Русская поддержка phpBB | Kolobok smiles © Aiwan