Часовой пояс: UTC + 3 часа




Начать новую тему Новая тема / Ответить на тему Ответить  Сообщений: 13067 • Страница 633 из 654<  1 ... 630  631  632  633  634  635  636 ... 654  >
  Пред. тема | След. тема 
В случае проблем с отображением форума, отключите блокировщик рекламы
Автор Сообщение
 
Прилепленное (важное) сообщение

Member
Статус: Не в сети
Регистрация: 16.07.2012
Откуда: Иркутск
Фото: 6
FAQ (Часто задаваемые вопросы и ответы - читать обязательно новичкам!Бывалым тоже не помешает.)

Здесь не обсуждают:

Если вдруг Вы наблюдаете, что в bios процессор определился как Х6, но после загрузки в Windows число ядер процессора менее шести, то выполните нижеследующую несложную процедуру.
Откройте меню "Пуск", далее "Выполнить", введите msconfig и нажмите "OK", в открывшемся окне программы настройки Windows перейдите на вкладку "Загрузка", далее "Дополнительные параметры".
а) если галочка "Число процессоров" стоит, то снимите её.
б) если галочка "Число процессоров" не стоит, проставьте её и в ниспадающем меню укажите число ядер.
Сохраните изменения и перезагрузитесь.
После этого должны отображаться все ядра.

(Взято из FAQ темы по разлочке К10).


Последний раз редактировалось bi6a 01.05.2011 11:29, всего редактировалось 32 раз(а).


Партнер
 

Member
Статус: Не в сети
Регистрация: 08.08.2008
Фото: 3
Shy-pony писал(а):
Пробовал убрать разгон ядер с 4.7

Шта?

_________________
Была картошка простая - стала золотая, были грибки простые - стали золотые, была рыбка простая - стала золотая. Еле процессоры спасли!


 

Junior
Статус: Не в сети
Регистрация: 24.11.2018
Зю писал(а):
Шта?

3.7 вместо 4.7 Ошибочка, однако, вышла.


 

Member
Статус: Не в сети
Регистрация: 07.04.2015
Фото: 0
выложи скрины hwinfo, aida, фотку биоса с настройками..

и если у тебя есть 1075, зачем тебе с 1055 возиться?


 

Junior
Статус: Не в сети
Регистрация: 24.11.2018
#77
#77
#77
При таких настройках работает стабильно, но стоит увеличить частоту NB на 100Мгц появляется нестабильность под нагрузкой

ZembuR писал(а):
и если у тебя есть 1075, зачем тебе с 1055 возиться?


С 1075 для достижения 3.8 приходится поднимать Vcore до 1.48-1.5, а тут уже и за преобразователь на материнке боязно, даже с установленным радиатором температуры такие, что доп. обдув приходится увеличивать.


 

Member
Статус: Не в сети
Регистрация: 07.04.2015
Фото: 0
Shy-pony писал(а):
При таких настройках работает стабильно, но стоит увеличить частоту NB на 100Мгц появляется нестабильность под нагрузкой

прочитай внимательно фак на первой странице и узнаешь разницу между NB Voltage Control и CPU NB VID Control ;)


 

Junior
Статус: Не в сети
Регистрация: 24.11.2018
ZembuR писал(а):
прочитай внимательно фак на первой странице и узнаешь разницу между NB Voltage Control и CPU NB VID Control


Цитата:
CPU/NB ( в bios`e CPU NorthBridge Freq.) - встроенный в процессор контроллер памяти и кэш-памяти уровня L3. Повышение тактовой частоты CPU/NB существенно сказывается на производительности. Разгон осуществляется путем поднятия данного множителя и (при необходимости) напряжения на нем.


Читал и про разницу я знаю, В случае с 1075t 2600 стабильно брал именно при поднятии CPU/NB Voltage а не CPU NB VID Control


 

Member
Статус: Не в сети
Регистрация: 07.04.2015
Фото: 0
Shy-pony писал(а):
Читал и про разницу я знаю, В случае с 1075t 2600 стабильно брал именно при поднятии CPU/NB Voltage а не CPU NB VID Control

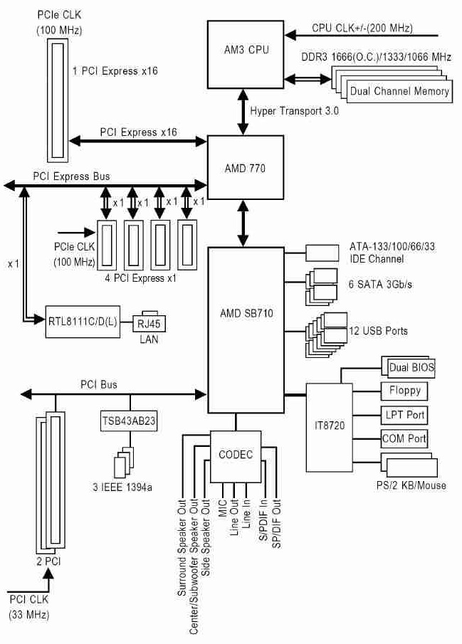
К сожалению, ты все же не понимаешь... типовая схема твоей платформы во вложении, посмотри внимательно.
Северный мост здесь разделен на два отдельных набора системной логики, один находится в цп, другой на мб.

NB Voltage Control это напряжение питания 770 чипсета, это "северный мост" который под радиатором с надписью gigabyte, точнее то что от него осталось после переноса контроллера памяти в цп. Как видишь по схеме, на нем висит шина pci и южный мост, а соединен он с цп через шину HT.
Что из этого ты пытаешься разгонять поднимая на нем напряжение? Верни его в дефолтное значение, пока у тебя чип не отвалился от перегрева.

CPU NB VID Control это напряжение на "северном мосту" в цп, в который входит контроллер памяти и L3-кэш. Это то, что ты пытаешься разогнать до 2600 на дефолтном напряжении. И это то, что в программках определяется как частота "северного моста". Тут выставляй 1.2-1.3В и подбирай рабочую частоту, температура цп при этом вырастет, следи за ней.


Вложения:
amd_770.jpg
amd_770.jpg [ 129.62 КБ | Просмотров: 1889 ]
 

Junior
Статус: Не в сети
Регистрация: 14.04.2019
Фото: 1
Товарищи, доброго времени суток! Если у кого есть Shadow of the tomb raider, прогоните бенч встроенный на в 1080, настройки: макс + ТАА. Буду благодарен. Не могу понять, проблемы с процессором у меня (фризы) или просто мощей не хватает. Хочу сравнить.


 

Member
Статус: Не в сети
Регистрация: 02.04.2019
Откуда: Киев
elSoloLobo писал(а):
Если у кого есть Shadow of the tomb raider, прогоните бенч встроенный на в 1080

Прошёл уже давно.
Фризы есть на тесте с джунглями.В самой игре тоже бывают фризы при подгрузке локаций.
Фризы не только на наших процах , забей в гугл фризы в Shadow of the tomb raider и многое узнаеш.
У меня х6 1100Т + 10Gb DDR3 + RX 580 8 Gb, во всё играю на ультрах с сглаживанием 1920*1080, фпс очень редко в очень редких игрулях падает ниже 30, а так ставлю VSync , и наблюдаю 56-60фпс, в Shadow of the tomb raider средний фпс по игре 50-60фпс.


 

Junior
Статус: Не в сети
Регистрация: 14.04.2019
Фото: 1
SYN писал(а):
Фризы есть на тесте с джунглями

Спасибо, успокоили. А то всю голову сломал. Как раз в тесте с джунглями фризы. Ну и в пайтити.в


 

Member
Статус: Не в сети
Регистрация: 23.02.2009
Откуда: Украина
Существуют ли Thuban серии Buisness, типа как B95 у Deneb?


 

Member
Статус: Не в сети
Регистрация: 08.08.2008
Фото: 3
Иваныч07 писал(а):
Существуют ли Thuban серии Buisness, типа как B95 у Deneb?

Есть 960Т с 4 ядрами и турбобустом на два ядра. Создавались по спец. заказу HP (Если не изменяет память), так что вполне себе бизнес. Вроде и разлачиваются попроще, чем трёхъядерники. А так брать надо 1035 - 1055 на 95ВТ.
Я вот до сих пор жалею, что поменял свой 1045 на FX-8300.

_________________
Была картошка простая - стала золотая, были грибки простые - стали золотые, была рыбка простая - стала золотая. Еле процессоры спасли!


 

Member
Статус: Не в сети
Регистрация: 24.10.2008
Фото: 0
Зю писал(а):
1045 на FX-8300

А я 1100T на FX-8300 поменял и не жалею... Чем Thuban лучше?


 

Member
Статус: Не в сети
Регистрация: 08.08.2008
Фото: 3
phants писал(а):
Чем Thuban лучше

Производительностью на ядро и отличными FPU.

_________________
Была картошка простая - стала золотая, были грибки простые - стали золотые, была рыбка простая - стала золотая. Еле процессоры спасли!


 

Member
Статус: Не в сети
Регистрация: 07.04.2015
Фото: 0
Зю писал(а):
Производительностью на ядро и отличными FPU.
несмотря на это, тубан мертв как архитектура. его покупка сейчас оправдана только в качестве офисной машины.

Зю писал(а):
А так брать надо 1035 - 1055 на 95ВТ.
еще есть 1075 на 95вт

Зю писал(а):
Я вот до сих пор жалею, что поменял свой 1045 на FX-8300.
меняй назад, в чем проблема?


 

Member
Статус: Не в сети
Регистрация: 08.08.2008
Фото: 3
ZembuR писал(а):
еще есть 1075 на 95вт

Али говорит, что нет) Будет стоить как реставрация Нотр-дама.
ZembuR писал(а):
тубан мертв как архитектура

Ага, а FX жив. Слова не мальчика, но фаната.
Я бы и продал взад свой 8300-й, но наслушался фанатства на этом форуме и заблаговременно продал свой 1045 — на б/у рынке отрывают с руками и оверпрайсом. Специально цену завысил.
Когда увидел, что 8300 поднимает мой коммерческий рабочий проект на 10 секунд медленнее (из >3 минут), то был в шоке. Надо было оставаться с честным FPU, а не дутыми 4 ядрами в лице 8300.
UPD. Парень гоняет свой Х6@4.3 в разных играх с двумя 480. https://www.youtube.com/watch?v=DlzMG4r ... 1&index=26
И это он ещё память оставил 1600. Мог до 1900 довести.

_________________
Была картошка простая - стала золотая, были грибки простые - стали золотые, была рыбка простая - стала золотая. Еле процессоры спасли!


 

Member
Статус: Не в сети
Регистрация: 07.04.2015
Фото: 0
Зю писал(а):
Ага, а FX жив. Слова не мальчика, но фаната.
Я бы и продал взад свой 8300-й, но наслушался фанатства на этом форуме и заблаговременно продал свой 1045 — на б/у рынке отрывают с руками и оверпрайсом. Специально цену завысил.
Когда увидел, что 8300 поднимает мой коммерческий рабочий проект на 10 секунд медленнее (из >3 минут), то был в шоке. Надо было оставаться с честным FPU, а не дутыми 4 ядрами в лице 8300.
Зато у тебя такие вот таблички не выскакивают пока что, и фанатство тут не причем ;)
Вложение:
Thuban.jpg
Thuban.jpg [ 59.15 КБ | Просмотров: 1052 ]

оверпрайс с руками на авито это за 3к? го махнемся на мой 960t :oops:


 

Member
Статус: Не в сети
Регистрация: 08.08.2008
Фото: 3
ZembuR писал(а):
фанатство тут не причем

Не выскакивали, да и решения тоже гуглятся, если кому-то срочно нужно какой-то мусор погонять.
1045 за 60$ мгновенно улетел, на барахолках нашего города (да и всей Беларуси) Тубаны как явление отсутствуют.
8300 взял за 55$ - ещё и заработал 5$. гг
На новых платах второй ревизии асусов разлочки нету, кстати.

_________________
Была картошка простая - стала золотая, были грибки простые - стали золотые, была рыбка простая - стала золотая. Еле процессоры спасли!


 

Member
Статус: Не в сети
Регистрация: 10.05.2011
Откуда: Москва
Зю писал(а):
Когда увидел, что 8300 поднимает мой коммерческий рабочий проект на 10 секунд медленнее (из >3 минут), то был в шоке.


Это что у тебя там за проект из 2000 года с одним потоком?


 

Member
Статус: Не в сети
Регистрация: 07.04.2015
Фото: 0
Зю писал(а):
Не выскакивали, да и решения тоже гуглятся, если кому-то срочно нужно какой-то мусор погонять.
1045 за 60$ мгновенно улетел, на барахолках нашего города (да и всей Беларуси) Тубаны как явление отсутствуют.

К сожалению, решений нет и гугл не поможет, это уже глубоко "железная" проблема.
Можешь бизнес замутить, будешь закупать тубаны на али и сбагривать их на местной барахолке, по 8$ навара со штуки получается :D


Показать сообщения за:  Поле сортировки  
Начать новую тему Новая тема / Ответить на тему Ответить  Сообщений: 13067 • Страница 633 из 654<  1 ... 630  631  632  633  634  635  636 ... 654  >
-

Часовой пояс: UTC + 3 часа


Кто сейчас на конференции

Сейчас этот форум просматривают: bishop_ykt, KolyaSpectral1337, vito1982 и гости: 97


Вы не можете начинать темы
Вы не можете отвечать на сообщения
Вы не можете редактировать свои сообщения
Вы не можете удалять свои сообщения
Вы не можете добавлять вложения

Перейти:  
Создано на основе phpBB® Forum Software © phpBB Group
Русская поддержка phpBB | Kolobok smiles © Aiwan