Часовой пояс: UTC + 3 часа




Куратор(ы):   IdeaFix   



Начать новую тему Новая тема / Ответить на тему Ответить  Сообщений: 46640 • Страница 645 из 2332<  1 ... 642  643  644  645  646  647  648 ... 2332  >
  Пред. тема | След. тема 
В случае проблем с отображением форума, отключите блокировщик рекламы
Автор Сообщение
 
Прилепленное (важное) сообщение

Junior
Статус: Не в сети
Регистрация: 12.01.2014
#77 F.A.Q. здесь! #77


В F.A.Q., в том числе, есть ответы на вопросы о модификации BIOS (в т.ч. списки модов), температуре (очень низкой и очень высокой), совместимых и несовместимых платах и пр.


Убедительная просьба, прячьте все (любые) картинки и видео под спойлеры [spoiler =][/ spoiler]. Уважайте друг друга!
Не у всех Интернет безлимитный и многие смотрят эту тему через телефон.


Господа, за "ламповые" беседы с унылым ботом sarge8383 будет выписываться бан от 1 суток.


старый текст поста
Всем привет.
Хочу расказать вам (не без определенного денежного интереса), что есть путь взять практически любой ксеон (1333) и поставить его на плату LGA775.
Главное чтобы она поддерживала квадкоры (смотрим в спецификациях).
Все что нужно сделать это чуток подрезать плату как рассказано тут:

https://www.youtube.com/watch?v=kPBbpSgUXkw
И сделать самому или купить переходник, который перекидывает два пина на процессоре:
https://www.youtube.com/watch?v=NX48ERjMWws
Результат выглядит вот так:
https://www.youtube.com/watch?v=T9mA7J_YSZs
Весьма и весьма впечатляет.
Итого за 60$ можно заиметь неплохой Х5460 на вашей плате с ЛГА775 ))
Лично у меня стоит L5430.
У меня он встал без всяких прописываний кодов в биосе и прочих проблем.
Я прогнал инстеловский тест для процессоров просто убедиться что все что есть работеает ОК.
У меня есть куча таких адаптеров, которые я продаю на ибее (у меня там такой же ник как и на форуме) а так же могу продать за вебмани в России.
Письмо с адаптером посылаю из Израиля. До Москвы доходит за неделю (вроде как), ну а если вы живете где-то подальше, то дольше конечно.

Повторяю - адаптер не обязательно покупать, можно сделать и самому.

За адаптер + пересылку прошу 10$.

Интересно будет послушать мнение людей по поводу разгона таких процессоров (стоит ли вообще).
Спасибо.


Последний раз редактировалось Igor-Igor 27.05.2016 10:31, всего редактировалось 17 раз(а).


Партнер
 

Member
Статус: Не в сети
Регистрация: 21.06.2015
Откуда: Ульяновск, РФ
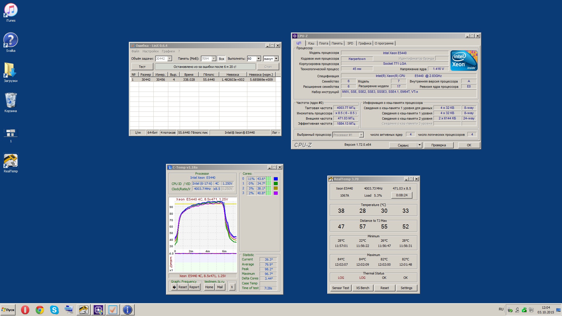
Поставил E5440 (E0) на Asus P5K3 Deluxe. Пока удалось взять стабильных 3800 при 1.32V. При 4 гигагерцах и 1.4V Линпак стабилен, но температура уходит за 95 градусов (кулер TT BT). Буду что-то делать с охлаждением (пропайка основания, замена вентилятора).


 

Member
Статус: Не в сети
Регистрация: 17.02.2008
Откуда: Москва
Фото: 12
АлександрЗадыкян писал(а):
но температура уходит за 95 градусов

Вы неправильно определяете температуру. Tjmax у этого процессора 85 градусов. Смотрите температуру в AIDA и RealTemp - только в RealTemp выставьте Tjmax равный 85 градусов.

_________________
I am only the NoIsE on the WiReS!
Z80 -> i386 40 -> Am100 -> P100 -> Cel.667 -> Cel.Tualatin1,2 -> XeonE5450 (sold), профильные =)


 

Member
Статус: Не в сети
Регистрация: 07.01.2015
Игры разные, можно сказать, все подряд. Еще вопрос всплыл: в чем отличия с0 и е0? И какой лучше?

_________________
ASUS B450 TUF GAMING PRO
R7 5700x
ASUS RTX 3080 Ti
32 Gb


 

Member
Статус: Не в сети
Регистрация: 17.02.2008
Откуда: Москва
Фото: 12
danzar писал(а):
Игры разные, можно сказать, все подряд. Еще вопрос всплыл: в чем отличия с0 и е0? И какой лучше?

Ну раз разные - тогда можете ставить.
e0 новей ревизия - чаще меньше греется и лучше разгоняется.

_________________
I am only the NoIsE on the WiReS!
Z80 -> i386 40 -> Am100 -> P100 -> Cel.667 -> Cel.Tualatin1,2 -> XeonE5450 (sold), профильные =)


 

Junior
Статус: Не в сети
Регистрация: 26.06.2015
Sabotender писал(а):
Tjmax у этого процессора 85 градусов. Смотрите температуру в AIDA и RealTemp - только в RealTemp выставьте Tjmax равный 85 градусов.

Выставил в RealTemp Tjmax 85 как вы говорите, получил в простое 36 30 35 35 и это у горячего x5460 при комнатной температуре порядка 28-29 градусов , что то как то не верится прям

_________________
Abit ip35-Pro(18zzz)+Xeon X5460(3.5 GHz)+scythe Mine 2+4 Hynix'а по 2Gb+palit 570 gtx sonic+ASUS Xonar D1+Thermaltake TP 700W+Cooler Master CM 690 II.


 

Member
Статус: Не в сети
Регистрация: 17.02.2008
Откуда: Москва
Фото: 12
pro100oleg писал(а):
Выставил в RealTemp Tjmax 85 как вы говорите, получил в простое 36 30 35 35 и это у горячего x5460 при комнатной температуре порядка 28-29 градусов , что то как то не верится прям

Не верите грейте до срабатывания термозащиты - например как тут
Ну и почитайте
Да и вообще - то что у вас шилдик висит - большая мощность - это всего лишь значит - что проц не прошел отбор на более энергоэффективный - а разница может быть на 1W.

_________________
I am only the NoIsE on the WiReS!
Z80 -> i386 40 -> Am100 -> P100 -> Cel.667 -> Cel.Tualatin1,2 -> XeonE5450 (sold), профильные =)


 

Junior
Статус: Не в сети
Регистрация: 01.10.2015
доброго времени суток. посоветуйте имеется материнка intel DP965LT + проц. pentium d 3.4ghz 800mhz 4mb кеш + 2 x 2gb 800mhz озу. Какой серверны проц. поставить ? X5460 пойдет ? или какой другой ?


 

Куратор темы
Статус: Не в сети
Регистрация: 14.01.2006
Откуда: Екатеринбург
vlad110 А BIOS где брать будете? А плата хоть полуофициально 1333 шину может? FAQ читали?


 

Member
Статус: Не в сети
Регистрация: 07.01.2015
Ребята, а разница есть у Е5450 Китай и Коста-Рика? Или как повезет? Статистика есть?

_________________
ASUS B450 TUF GAMING PRO
R7 5700x
ASUS RTX 3080 Ti
32 Gb


 

Member
Статус: Не в сети
Регистрация: 21.06.2015
Откуда: Ульяновск, РФ
Sabotender С температурами вообще чушь какая-то. Aida64 и RealTemp показывают одни температуры, C-Temp - другие, OCCT - третьи, еще более высокие. А в биосе страшные 56 градусов. Но, судя по результатам, самые верные выдает RealTemp.
P.S. Биос перепрошивал.


Вложения:
2.jpg
2.jpg [ 359.88 КБ | Просмотров: 2841 ]
 

Member
Статус: Не в сети
Регистрация: 17.02.2008
Откуда: Москва
Фото: 12
АлександрЗадыкян писал(а):
С температурами вообще чушь какая-то.

Не чушь. Температуры вам показывают от Tjmax. Программа которая показывает температуры должна определять Ваш процессор и знать его Tjmax. Соответственно в половине бесплатных программ зашиты только популярные десктопные процессоры - наши "извращения" там отсутствуют. Поэтому чаще всего правильно показывает AIDA - как наиболее большой комплекс для тестирования и RealTemp - после того как вы руками зададите ему Tjmax. И чем ближе температура к Tjmax - тем она точней - т.к. датчики рассчитаны на эту температуру - т.е. в простое у самые бредовые показания.
И на скрине у Вас как раз Tjmax был достигнут - и сработала защита. А в с-темпе как видите Tjmax = 100...

зы: IdeaFix прошу допишите в FAK - т.к. в принципе проверено временем, что верные показания температур обычно у AIDA и RealTemp (при указании Tjmax в RealTemp которая соответствует установленному процессору)
зыы: и именно температур ядер - т.к. температура крышки может быть чушь...

_________________
I am only the NoIsE on the WiReS!
Z80 -> i386 40 -> Am100 -> P100 -> Cel.667 -> Cel.Tualatin1,2 -> XeonE5450 (sold), профильные =)


 

Member
Статус: Не в сети
Регистрация: 01.06.2005
Откуда: Санкт-Петербург
Фото: 24
danzar писал(а):
Ребята, а разница есть у Е5450 Китай и Коста-Рика? Или как повезет? Статистика есть?

нет разницы.

_________________
• AMD R5-5600 • Thermalright BA120 • ASrock B450M Pro4 • 2x16Gb @3600MHz CL16 • RX6700XT • KIOXIA Exceria 500GB • DeepCool PQ750M • LG 27GN600-B •


 

Member
Статус: Не в сети
Регистрация: 21.06.2015
Откуда: Ульяновск, РФ
Sabotender, огромное спасибо за разъяснение, теперь я спокоен. Осталось только что-то сделать с моим TT BT.

_________________
АлександрЗадыкян -> Lev Pechenyev


 

Member
Статус: Не в сети
Регистрация: 17.02.2008
Откуда: Москва
Фото: 12
АлександрЗадыкян писал(а):
Осталось только что-то сделать с моим TT BT

Судя по его виду - и то что жесткое крепление - должен легко тянуть - если это с ним в тротл уходит - то плохо установлен.

_________________
I am only the NoIsE on the WiReS!
Z80 -> i386 40 -> Am100 -> P100 -> Cel.667 -> Cel.Tualatin1,2 -> XeonE5450 (sold), профильные =)


 

Куратор темы
Статус: Не в сети
Регистрация: 14.01.2006
Откуда: Екатеринбург
Sabotender Вы считаете что информации по температуре в FAQ не достаточно?


 

Member
Статус: Не в сети
Регистрация: 17.02.2008
Откуда: Москва
Фото: 12
IdeaFix писал(а):
Sabotender Вы считаете что информации по температуре в FAQ не достаточно?

Раз постоянно одни и те-же вопросы...
Если честно в темке про температуру процессоров Intel "перенасыщение" информацией.
А где много англицких букв - вообще не все осилят.
Дописать 2е проверенные программы - у куча вопросов отпадет =)

_________________
I am only the NoIsE on the WiReS!
Z80 -> i386 40 -> Am100 -> P100 -> Cel.667 -> Cel.Tualatin1,2 -> XeonE5450 (sold), профильные =)


 

Member
Статус: Не в сети
Регистрация: 28.07.2015
Откуда: Челябинск
Нарыл в закромах еще одну материнку: Asus P5B-VM
Xeon L5408 на ней заведется? У кого-то работает связка этого ксеона и 965 чипсета?

_________________
i5 13600k
Gigabyte Z690 UD DDR4 v1
2x16GB DDR4 Patriot IIPVE2416G400C0
Asrock 6600XT Challenger D
Smartbuy PS5012-E12 512GB, 2xWD WDS500G2B0C


Последний раз редактировалось Serg174 03.10.2015 15:11, всего редактировалось 1 раз.

 

Member
Статус: Не в сети
Регистрация: 15.10.2004
Sabotender писал(а):
Вы неправильно определяете температуру. Tjmax у этого процессора 85 градусов. Смотрите температуру в AIDA и RealTemp - только в RealTemp выставьте Tjmax равный 85 градусов.

Да какая разница, поставит 85 будет не 95 а 80 (дистанция в обоих случаях будет одна - 5)... так или иначе у камрада троттлинг на двух ядрах, какой бы tjmax он не использовал (скрин realtemp).

АлександрЗадыкян Я бы на вашем месте остановился на полученных результатах или чуть меньших частотах с снижением vcore, попутно конечно чуток над охладом подшаманив. Хотябы добейтесь чтобы под стресстестом не троттлил (индикация HOT/LOG в риалтемп) вне зависимости от показаний температур и на этом можно успокоиться ведь в реальных приложениях температуры будут заметно ниже.


Последний раз редактировалось KT 03.10.2015 15:03, всего редактировалось 1 раз.

 

Куратор темы
Статус: Не в сети
Регистрация: 14.01.2006
Откуда: Екатеринбург
Serg174 L5408 - очень капризный процессор.


 

Junior
Статус: Не в сети
Регистрация: 03.10.2015
Headman писал(а):
Суть модификации заключается в корректной работе серверных процессоров Socket 771 на материнских платах Socket 775. Доступный способ модернизировать систему. Например установить четырех ядерник в замен двух ядернику.

Порядок работ:
0. Прошивка материнской платы модифицированным БИОС (особенно, если в нём присутствуют микрокоды для Вашего "старого" процессора).
1. Наклейка переходника на процессор.
2. Удаление "ключей"(выступов) в разъеме материнской платы. При последующей установке процессора, ориентируйтесь по ключу - треугольнику на процессоре и разъеме. Неправильная установка приведет к выходу оборудования.
3. Прошивка материнской платы модифицированным БИОС (вообще, прошивать, а особенно сбрасывать BIOS в каждой контрольной точке модификации будет совершенно не лишним).

ВНИМАНИЕ: все действия требуют внимательности и аккуратности. И естественно, никто не несет ответственности за негативный результат.

Статьи на английском. Все подробно в картинках. Тщательно изучите перед тем как задавать вопрос:

Высокая вероятность несовместимости данного мода с чипсетами X38, X48, Q35, Q45 (Серия 5xxx ). По той же причине, недоступна технология визуализации (VT-x).
Высокая вероятность несовместимости данного мода с чипсетами Nvidia Nforce 680i и 650i и Xeon 45-нм.
Высокая вероятность несовместимости данного мода с материнскими платами, производства самой Intel.

FAQ

В. Подойдет ли процессор (Xeon) к моей материнской плате?
О. Смотрим на сайте производителя вашей материнской платы аналогичные процессоры серии Qxxxx. Например для Xeon E5450 аналогом является Intel Core 2 Quad Q9650. Так же смотрите на ограничение по мощности TDP. Список проблемных чипсетов указан выше.
Если планируете разгон, обращайте внимание на систему питания. При небольшом кол-ве фаз питания возможны просадки напряжения при максимальной нагрузке.

В. Как узнать, сколько максимум TDP тянет мат. плата?
О. На сайте производителя. В спецификации. Или в списке поддерживаемых\рекомендуемых процессоров.

В. Где найти процессоры и переходники - наклейки?
О. Покупаются в интернет магазинах. В поиске набирается "771 to 775". Обычно продаются по 10 шт. Некоторые продавцы процессоров высылают уже с наклеенными (можно уточнить в переписке). Так же есть процессоры с компактным перманентным переходником и пропилами в подложке. Они не требуют модификации сокета, но уже не совместимы с LGA771.

В. Что будет если не прошивать модифицированный БИОС?
О. Высока вероятность, что процессор, из за отсутствия микрокодов определиться не корректно. Будут недоступны некоторые технологии и режим энергосбережения. Возможна нестабильная работа.

В. Как Xeon в разгоне?
О. Все индивидуально (любой разгон лотерея), но большинство разгоняются неплохо. В принципе, если материнская плата позволяет, то 45nm quad core процессоры легко разгоняются по шине с 333MHz до 400MHz на стандартном или незначительно повышенном напряжении. Статистика тут.

В. При переходе с 2х ядер на 4е, в WINDOWS работают только 2.
О. "Пуск" -> в поиске набираем команду msconfig -> вкладка «Загрузка» кнопка «Дополнительные параметры» -> ставим галочку возле «Число процессоров» -> выбираем "4" -> «Ок», либо вовсе снимаем галочку, если она стояла. Если не помогло, попробуйте пере установить WINDOWS.

В. А как обстоят дела с вритуализацией?
О. Так же, как на Core 2 Quad вкупе с чипсетами P3x/P4x: VT-d - нет, VT-x - да, NXBit - да. Т.е. VMware ESXi встанет, но проброс PCI устройств работать не будет.

В. А как Xeon будет работать с самой недорогой платой на G31?
О. Формально. P31/G41/P41 и пр. поддерживают шину 1333MHz. Если материнская плата поддерживает процессоры с TDP до 80W, то Xeon E5450 должен работать без видимых проблем. необходимо лишь обновить BIOS и обеспечить качественное охлаждение процессора и цепей питания.

В. А как Xeon будет работать с платой на 945P?
О. Если у платы нет официальной поддержки Core 2 Duo процессоров, то потолок - Xeon W5080. Если есть - двухъядерный 65nm Xeon наверняка запустится после модификации BIOS. Четырехъядерные процессоры данный чипсет не поддерживает.

В. У меня очень крутая плата на X48/Q45 чипсете, неужели Xeon не будет работать?
О. К сожалению, Xeon DP (т.e. L5xxx/E5xxx/X5xxx) работать не будут, но Xeon X3363заработает. Это касается всех плат на X38/X48/Q3x/Q4x чипсетах. Исключение - некоторые платы ASUS на Q35 чипсете.

В. Резал сокет - сломал ножку. Материнку выбрасывать?
О. Контакт можно восстановить, например так. Так же в сети есть множество видео инструкций, например эта.


В. Плата модифицирована, процессор установлен, но температура в покое 20 (или 50) градусов. это нормально?
О. О том, что показывают нам температурные датчики в разных программах подробно описано тут (много английских буков).
Если в двух словах, то хочется обратить внимание на несколько моментов:
  • Греется VRM - область платы, на которой располагается система питания процессора. За температурным режимом данной штуки нужно следить.
  • Греется чипсет (и северный и южный мост). К примеру, потребление не очень актуального чипсета Intel X38 примерно на 20-25W выше, чем у P35/45, сколько потребляет северный мост nForece 790i и говорить не хочется.
  • Процессор греется и измеряется не так, как нам кажется!
    • MiniFAQ
    • [r="Значения TJMAX"]45nm Desktop Dual-Core Processors
      E8000, E7000 series - 100°C

      45 nm Desktop Quad-Core Processors
      Q9000, Q8000 series - 100°C
      QX9650 - 95°C
      QX9770 - 85°C

      45 nm Server Quad-Core Processors

      X5492, X5482, X5472, X5470, X5460, X5450 series - 85 °C
      E5472, E5462, E5450/40/30/20/10/05 series - 85 °C
      L5408 series - 95 °C
      L5430, L5420, L5410 series - 70 °C[/i]


В. После установки Xeon моя в прошлом стабильная система начала сбоить. BSOD'ы, перезагрузки, зависания... бракованный процессор?
О. Скорее всего нет.
[i=Проверьте систему по пунктам:]
  • Модифицирован ли BIOS платы? Если в CPU-Z нет выделенных инструкций, а множитель не переменный - наверняка биос не модифицирован.
    #77
    Данные инструкции характерны для 45nm процессоров.
  • Хватает ли охлаждения процессора и чипсета? По температуре процессора см. вопрос выше, ну а чипсет тактильно...
  • Хватает ли блока питания? например, при замене E7500 на X5470 нагрузка по 12V возрастает значительно.
  • Всё ли нормально с памятью? Если планки памяти разные - поменяйте их местами (если их пара), если разных планок две пары - соответственно поменяйте их местами попрано, дело в таймингах. При установке процессора с частотой шины 333MHz зачастую меняется делитель на память и она уже не может работать стабильно в старой конфигурации. Тайминги по SPD берутся из модуля младшего слота, в него лучше установить модуль с самыми плохими (бОльшими) значениями таймингов.
[/i]

При модернизации системы, возрастает и энергопотребление (особенно при разгоне четырех ядерников). Проверьте что бы ваш блок питания соответствовал. Выбор блока питания (часть 4)

Полезные темы (дабы не захламлять ветку).
Выбор воздушного кулера для процессора - скорая помощь новичкам и бывалым + FAQ
Для новичков. Ответы на вопросы "как разгонять?"
Температура процессоров Intel (FAQ - стр.1)
Методика тестирования и определение стабильности при разгоне процессоров Intel. FAQ на первой странице. #5327379
Несколько советов начинающим оверклокерам

Практически полный набор модифицированных BIOS доступен здесь Анализ модов показывает что в основном BIOS модифицированы микрокодами от 2008 года. Когда место позволяет, автор сохраняет оригинальные микрокоды, когда нет - удаляет совсем старые. Порой, некотоыре архивы не доступны - издержки облачного хранения.
[i=Альтернативные варианты модов некоторых плат:]ASUS
Gigabyte
MSI
ECS
ASROCK
ABIT

Тут всё намного сложнее. Где-то оригинальные микрокоды удалены полностью и добавлены микрокоды на 45/65nm процессоры (все, и Core и Xeon), где-то оригинальные микрокоды соседствуют с микрокодами только на 45nm Xeon, где-то имеет место иной вариант. В комментариях обычно указан способ модификации. Если он не указан, значит имеет место быть оригинальный набор + xeon quad core 45nm коды. Сами микрокоды от 2010. Чуть свежее чем у genius239.[/i]

ВНИМАНИЕ. У одной модели материнской платы может быть несколько версий и их БИОСы могут не совпадать, будьте внимательны. Это особенно актуально для MSI, ибо там можно зашить одну плату прошивкой от другой и получить кирпич. А вот в случае с Gigabyte это не актуально. Если ревизии отличаются значительно - их BIOS не совместимы и даже имеют разную нумерацию.

Выкладывая результаты разгона, указывайте :
- модель процессора и материнской платы.
- режимы
- подаваемые напряжения
- систему охлаждения
- температуру при максимальной нагрузке (в простое никому не интересна)
- чем и сколько тестировали
Иначе ваше сообщение будет малосодержательным.



[i=Старый текст поста]Ваще годная штука! получается еще можно продлить жизнь платформе 775. зионы 771 ведь ваще копейки стоят.

Добавлено спустя 5 минут 54 секунды:
вот еще ссылки по теме !!

http://www.overclock.net/t/1431723/mod- ... -xeon-cpus

http://freefly.ws/forums/showthread.php?p=12087[/i]


Вложения:
GA-G41M-Combo 2.jpg
GA-G41M-Combo 2.jpg [ 158.41 КБ | Просмотров: 3800 ]
Asus P5G41T-MLE 2.jpg
Asus P5G41T-MLE 2.jpg [ 159.29 КБ | Просмотров: 3800 ]
GA-G41M-Combo v-2.0.jpg
GA-G41M-Combo v-2.0.jpg [ 51.3 КБ | Просмотров: 3800 ]
Комментарий к файлу: Для статистики. Модернизировал 2 мамки. Цена вопроса 30 + 30 уе. После модернизации системы охлаждения попробую разогнать. Будут результаты - отпишусь.
Asus P5G41T-MLE.jpg
Asus P5G41T-MLE.jpg [ 53.34 КБ | Просмотров: 3800 ]


Последний раз редактировалось IdeaFix 03.10.2015 15:56, всего редактировалось 2 раз(а).
И что это вообще было?
Показать сообщения за:  Поле сортировки  
Начать новую тему Новая тема / Ответить на тему Ответить  Сообщений: 46640 • Страница 645 из 2332<  1 ... 642  643  644  645  646  647  648 ... 2332  >
-

Часовой пояс: UTC + 3 часа


Кто сейчас на конференции

Сейчас этот форум просматривают: hellrazor и гости: 28


Вы не можете начинать темы
Вы не можете отвечать на сообщения
Вы не можете редактировать свои сообщения
Вы не можете удалять свои сообщения
Вы не можете добавлять вложения

Перейти:  
Создано на основе phpBB® Forum Software © phpBB Group
Русская поддержка phpBB | Kolobok smiles © Aiwan