Часовой пояс: UTC + 3 часа




Начать новую тему Новая тема / Ответить на тему Ответить  Сообщений: 16176 • Страница 730 из 809<  1 ... 727  728  729  730  731  732  733 ... 809  >
  Пред. тема | След. тема 
В случае проблем с отображением форума, отключите блокировщик рекламы
Автор Сообщение
 
Прилепленное (важное) сообщение

Advanced member
Статус: Не в сети
Регистрация: 11.03.2006
Откуда: Запад Украины
#77
В данной теме обсуждаются процессоры семейства Core i7!
FAQ (обновлено 06.10.2010)
Ликбез: Процессоры intel - глобальный FAQ
Временная ссылка на Ликбез
FAQ писал(а):
Q: От каких напряжений может деградировать процессор ?
A: Для core i7 не рекомендуется использовать Vcore выше 1.55 в (для Linfield, Gulftown 1.4), Vddr нельзя поднимать выше 1.65в. Для uncore не рекомендуется поднимать напряжение выше 1.35 (Linfield, Gulftown 1.4), CPU PLL ограничено пределом 1.88 вольта. Пренебрежение этими рекомендациями может привести к деградации процессора.

>> Методика тестирования и определение стабильности при разгоне процессоров Intel
>> Температура процессоров Intel (FAQ)
>> FAQ: Какой процессор будет оптимальным для моих задач?
>> Выбор оперативной памяти DDR III для Intel
>> Выбор кулера для процессора - скорая помощь новичкам и бывалым + FAQ
=== Правила Конференции и Правила форума "Процессоры" читать обязательно.

_________________
\¹☆ ☭ |OVER|ELEfant ☭☆ ¹/


Последний раз редактировалось Хитрый John 19.10.2018 13:02, всего редактировалось 27 раз(а).


Партнер
 

Member
Статус: Не в сети
Регистрация: 02.11.2016
danil_sneg писал(а):
Охлад нормальный ищите, у вас какой-то "мусор" установлен.

Или неправильно установлен, на самом деле. CNPS 9900 уж какой слабый, а без разгона контроллера памяти 4.2 брал, хоть и грелся в линксе до 92-95. Напруга 1.31, об этом я уже писал.

_________________
x5670@4.2GHz/GA-X58A-UD5/3x4+3x2 DDR3-1600 8-8-8-24/Gigabyte GTX 1060 6gb Extreme Gaming/OCZ ARC100-240/RAID0 500gb+500gb/Corsair TX850/CNPS9900


 

Moderator
Статус: Не в сети
Регистрация: 21.10.2007
Откуда: РФ
Фото: 24
rezhxaoc
CNPS 9900 древнее г.но мамонта, почти мусор. Тот же 9700, только никелерованный, и вентиль светится.

_________________
За сообщение вида "Не могу создать тему в барахолке. Почему?“ будет ЖК 1 месяц за нарушение п. 2.1 правил конференции - игнорирование поиска.


 

Member
Статус: Не в сети
Регистрация: 02.11.2016
danil_sneg никель был в MAX версии. У меня самый древний вариант стоял, который чисто медный. Тем не менее, разгон до 4.2 вытянул. А у MasterDrozd поновее башенка. Имхо дело в плохом прижиме радиатора к процессору.

_________________
x5670@4.2GHz/GA-X58A-UD5/3x4+3x2 DDR3-1600 8-8-8-24/Gigabyte GTX 1060 6gb Extreme Gaming/OCZ ARC100-240/RAID0 500gb+500gb/Corsair TX850/CNPS9900


 

Moderator
Статус: Не в сети
Регистрация: 21.10.2007
Откуда: РФ
Фото: 24
rezhxaoc
И двух тепловых трубках.

_________________
За сообщение вида "Не могу создать тему в барахолке. Почему?“ будет ЖК 1 месяц за нарушение п. 2.1 правил конференции - игнорирование поиска.


 

Заблокирован
Заблокирован
Статус: Не в сети
Регистрация: 03.11.2014
rezhxaoc писал(а):
Имхо дело в плохом прижиме радиатора к процессору.

Скорее всего,я тоже об этом думал. Впервые в жизни ставлю башню, так что вполне возможно виноваты кривые руки, а не бракованный процессор с АлиЭкспресс. Вечером попробую развернуть кулер на 180 градусов и ещё раз размазать пасту по процу. А прижим реально слабый, на старых АМДшных платах с подобным креплением под сокет 462,754,939 защёлка настолько плотно прижимала радиатор, что я её с трудом снимал и одевал с помощью плоской отвертки. А тут легко всё пальцами защёлкивается...
И ещё один ньюанс - у меня HyperThreading включен, т.е. Prime95 гоняет сразу 12 потоков. Может из-за этого так поджаривается Ксеон, как сковорода на огне?

_________________
1.X5450/P43/GTX1060-6GB 2.X5670/X58/GTX780-3GB 3.E5440/P35/GTX970-4GB 4.E5450/P43/GTX770-2GB 5.E5440/P43/HD7950-3GB 6.PhenomII-810/AMD770/HD6970-2GB


 

Member
Статус: Не в сети
Регистрация: 29.10.2004
Откуда: Киев, Украина
MasterDrozd писал(а):
у меня HyperThreading включен

Конечно может, что мешает проверить?

_________________
Никогда не говори никогда!


 

Заблокирован
Заблокирован
Статус: Не в сети
Регистрация: 03.11.2014
Максимальная частота, на которой загружается Windows 8.1
#77

Развернул башню на 90 градусов (параллельно памяти теперь стоит) + поставил второй вентилятор. Вроде получше процессору стало

_________________
1.X5450/P43/GTX1060-6GB 2.X5670/X58/GTX780-3GB 3.E5440/P35/GTX970-4GB 4.E5450/P43/GTX770-2GB 5.E5440/P43/HD7950-3GB 6.PhenomII-810/AMD770/HD6970-2GB


 

Member
Статус: Не в сети
Регистрация: 02.11.2016
MasterDrozd писал(а):
Развернул башню на 90 градусов

Как так, сначала не получилось из-за того, что радиатор моста мешал трубкам, а потом получилось?)

_________________
x5670@4.2GHz/GA-X58A-UD5/3x4+3x2 DDR3-1600 8-8-8-24/Gigabyte GTX 1060 6gb Extreme Gaming/OCZ ARC100-240/RAID0 500gb+500gb/Corsair TX850/CNPS9900


 

Заблокирован
Заблокирован
Статус: Не в сети
Регистрация: 03.11.2014
rezhxaoc
Вот такие руки кривые)) Но кулер скажу честно полный шлак, он очень громоздкий и неудобный. Например при установке 2-го вентилятора даже не получится закрыть защёлку. Не знаю уж чего его в интернете так расхваливают. CoolerMaster под 775 сокет с розовыми лопастями - вот это был отличный кулер, я их наверно 4 штуки аж взял для разных комплектов. А эта башня ужас просто, может с не привычки так кажется.
Кстати в этой теме один чувак писал, что разница между X5670 4.2 ГГц и 3.8 ГГц вообще мизерная и заметна только в бенчмарках. Поэтому он даже специально понизил частоту, зато температура упала сразу на 15-20 градусов. Здесь больше чисто любопытно почему у всех на 4.4 ГГц проходит Prime95, а у меня даже на 4 ГГц не проходит.

_________________
1.X5450/P43/GTX1060-6GB 2.X5670/X58/GTX780-3GB 3.E5440/P35/GTX970-4GB 4.E5450/P43/GTX770-2GB 5.E5440/P43/HD7950-3GB 6.PhenomII-810/AMD770/HD6970-2GB


 

Junior
Статус: Не в сети
Регистрация: 25.09.2017
в гайдах не рекомендуют ставить вольтаж на северный (uncore) больше 1,35v, мол может привести к деградации процессора.
Есть форумчане кто длительно юзает платформу с вольтажом на северном 1,45-1,55v ? Отпишите наблюдения сего факта о деградации?

з.ы.
на моей мси х58 при ункоре 1,35v платформа стабильно работает на частоте северного 3350мгц \16 = 209мгц шина.
Хочу больше шину погнать к 220-230мгц (следовательно нужно больше напруги на северный) камушек у меня с макс множителем 19(е5645)


 

Moderator
Статус: Не в сети
Регистрация: 21.10.2007
Откуда: РФ
Фото: 24
Цитата:
Хочу больше шину погнать к 220-230мгц

Смешно. :old_banghead: :old_writer:
А чего не 300-400?
Модели материнок, которые брали 220+ можно пересчитать по пальцам одной руки, и ваша к ним не относится, увы.
https://www.overclockers.ru/cpubase/?cp ... on=results

_________________
За сообщение вида "Не могу создать тему в барахолке. Почему?“ будет ЖК 1 месяц за нарушение п. 2.1 правил конференции - игнорирование поиска.


 

Заблокирован
Заблокирован
Статус: Не в сети
Регистрация: 03.11.2014
Короче, результаты моих издевательств над Х5670 привели к удручающим выводам, что мой экземпляр с трудом может работать на частоте 4 ГГц, не выше, с напряжением не менее 1.32 вольта и на грани троттлинга. Выше уже будет перегрев, да я думаю летом он и так не сможет Prime95 пройти даже полчаса. НО я не стал отключать HyperThreading. Не вижу смысла в этом никакого. Технология HT даёт прибавку 30-40% во многих программах и играх, которые оптимизированы под 12 потоков. На Ютубе есть тестирование, там только Far Cry Primal не смогла корректно обработать 12 потоков, во всех остальных случаях Xeon с выключенным HT сливал по производительности процессору, работающему в нормальном режиме. Но за это расплачиваемся перегревом!

_________________
1.X5450/P43/GTX1060-6GB 2.X5670/X58/GTX780-3GB 3.E5440/P35/GTX970-4GB 4.E5450/P43/GTX770-2GB 5.E5440/P43/HD7950-3GB 6.PhenomII-810/AMD770/HD6970-2GB


 

Member
Статус: Не в сети
Регистрация: 19.11.2014
jura писал(а):
220-230мгц


Да, это вы загнули конечно


 

Заблокирован
Заблокирован
Статус: Не в сети
Регистрация: 03.11.2014
Ну если человек хочет - пусть ввалит побольше напряжение на северный мост. Он и так там небось уже раскалился как печка. А через месяц будет искать на барахолках новую материнскую плату или адрес сервисного центра, где смогут чипсет перепаять.

_________________
1.X5450/P43/GTX1060-6GB 2.X5670/X58/GTX780-3GB 3.E5440/P35/GTX970-4GB 4.E5450/P43/GTX770-2GB 5.E5440/P43/HD7950-3GB 6.PhenomII-810/AMD770/HD6970-2GB


 

Advanced member
Статус: Не в сети
Регистрация: 30.03.2017
Откуда: Москва/Вешняки
Фото: 11
MasterDrozd писал(а):
будет искать на барахолках новую материнскую плату

ты это не стращай чела ибо из 2 северных он препарирует тот что в проце, а их как грязи если что.


 

Заблокирован
Заблокирован
Статус: Не в сети
Регистрация: 03.11.2014
Я просто слышал, что на Гигабайтах настоятельно не советуют разгонять северный мост. Очень много GA-X58A-UD3R дохнут с этим дефектом (сгорает или отваливается чипсет). Ну он реально горячий, я поднял напряжение на 0.1 вольт, там сразу на 15 градусов температура выросла, больше 80 градусов, не притронешься. Поэтому решил плату не трогать.
Вопрос такой: Load Line Calibration в БИОС какой нужно выбрать режим? Я сейчас поставил Mode2. Есть Auto, Standard, Mode1 и Mode2

_________________
1.X5450/P43/GTX1060-6GB 2.X5670/X58/GTX780-3GB 3.E5440/P35/GTX970-4GB 4.E5450/P43/GTX770-2GB 5.E5440/P43/HD7950-3GB 6.PhenomII-810/AMD770/HD6970-2GB


 

Advanced member
Статус: Не в сети
Регистрация: 30.03.2017
Откуда: Москва/Вешняки
Фото: 11
MasterDrozd писал(а):
Ну он реально горячий
отключи в биосе сату3 и усб3.0 поостынет. моде 2 ставь, а так мониторь по аиде, что происходит с вольтажём на проц при его нагрузке в зависимости от того какой Load Line Calibration выставляешь. Так же, у меня, с какого то бодуна, сата3, стала работать как и сата3 на x79 = выдавать 540 заместо 440 итд.(если что по чтению- эт диск такой)


Вложения:
x58(сата2+сата3)old - x79_сата3 -x58_Сата 3_new.jpg
x58(сата2+сата3)old - x79_сата3 -x58_Сата 3_new.jpg [ 168.38 КБ | Просмотров: 884 ]
 

Member
Статус: Не в сети
Регистрация: 02.11.2016
BOBKOC так ведь и сата, и юсб 3.0 на других чипах. Или греется из-за того, что марвел сидит на PCI-E x1 шине?
У меня вот горячий, но кажется, что на южном мосте радиатор погорячее, чем на северном. Кстати, автоматом плата выставляла максимум 1.24 для северного (именно x58 который), вроде не так уж и сильно температура поднялась. Но это было при разгоне шины примерно до 220, в других ситуациях вроде 1.1 держит без повышения.

_________________
x5670@4.2GHz/GA-X58A-UD5/3x4+3x2 DDR3-1600 8-8-8-24/Gigabyte GTX 1060 6gb Extreme Gaming/OCZ ARC100-240/RAID0 500gb+500gb/Corsair TX850/CNPS9900


 

Заблокирован
Заблокирован
Статус: Не в сети
Регистрация: 03.11.2014
Да GA-X58A-UD3R это просто такой зоопарк чипов разных на одной плате, что я впервые встречаю подобное. Северный мост тут ни при чем, а SATA к вашему сведению вообще реализовано через южный мост. А именно ICH10R, кстати точно такой же, как на плате GA-P43T-UD3R под Ксеон Е5450. И даже память с этой платы я сейчас поставил, 4 плашки из 6, всё работает отлично.
Что касается моего Х5670, то стабильная частота 3.90-3.96 ГГц для Prime95 при напряжении 1.33 вольта. Ну ладно, за 2500 рублей этот процессор и так себя оправдывает на 300% :D

_________________
1.X5450/P43/GTX1060-6GB 2.X5670/X58/GTX780-3GB 3.E5440/P35/GTX970-4GB 4.E5450/P43/GTX770-2GB 5.E5440/P43/HD7950-3GB 6.PhenomII-810/AMD770/HD6970-2GB


 

Advanced member
Статус: Не в сети
Регистрация: 30.03.2017
Откуда: Москва/Вешняки
Фото: 11
MasterDrozd писал(а):
SATA к вашему сведению вообще реализовано через южный мост
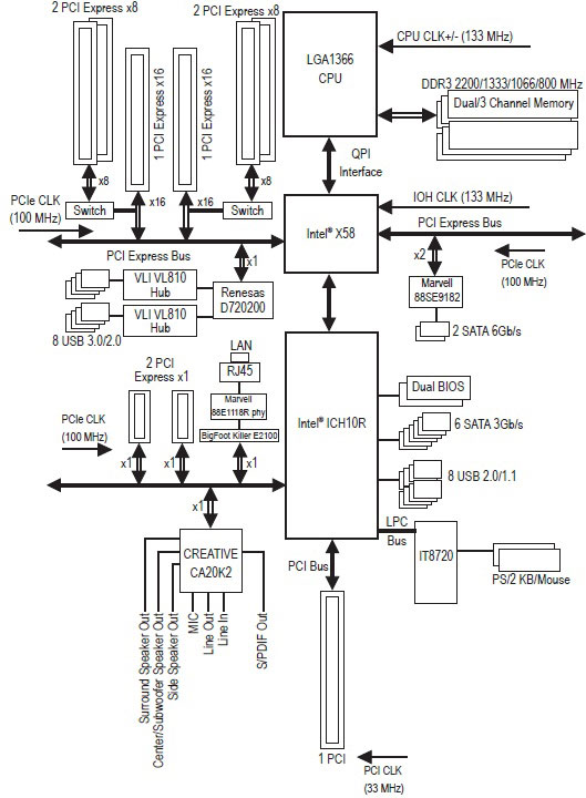
когда пишешь до моего сведения - читай, что мной написано до твоего сведения, потом "отливай слова в граните". Если кратко cм. схему. она типичная для всех кто имеет USB3.0+SATA 3(различается только число линий на неё выделенных у тебя она 1 у меня 2) + если ты поставишь частоту шины PCi-e 121 например вся сата2 отвалится, а сата3 продолжит работать! Для +- крутых карт с PCi-e 3.0 советую опробовать 120(гиги норм работают) ну или сколько получится шагом в 5.


Вложения:
block[1].jpg
block[1].jpg [ 68.18 КБ | Просмотров: 866 ]


Последний раз редактировалось BOBKOC 04.12.2017 21:09, всего редактировалось 2 раз(а).
Показать сообщения за:  Поле сортировки  
Начать новую тему Новая тема / Ответить на тему Ответить  Сообщений: 16176 • Страница 730 из 809<  1 ... 727  728  729  730  731  732  733 ... 809  >
-

Часовой пояс: UTC + 3 часа


Кто сейчас на конференции

Сейчас этот форум просматривают: нет зарегистрированных пользователей и гости: 11


Вы не можете начинать темы
Вы не можете отвечать на сообщения
Вы не можете редактировать свои сообщения
Вы не можете удалять свои сообщения
Вы не можете добавлять вложения

Перейти:  
Создано на основе phpBB® Forum Software © phpBB Group
Русская поддержка phpBB | Kolobok smiles © Aiwan