Часовой пояс: UTC + 3 часа




Куратор(ы):   H_Rush   



Начать новую тему Новая тема / Ответить на тему Ответить  Сообщений: 12596 • Страница 337 из 630<  1 ... 334  335  336  337  338  339  340 ... 630  >
  Пред. тема | След. тема 
В случае проблем с отображением форума, отключите блокировщик рекламы
Автор Сообщение
 

Member
Статус: Не в сети
Регистрация: 25.12.2007
mishgane писал(а):
И потом плата вечно будет в остатках керосина.

не единых остатков можно уайспиритом убрать так любой флюс что не один самый опытный электроншик не сможет доказать что в ней копались,если тока не проверит по описанию какие именно на ней должны быть детали и какого бренда,а так если не в курсе их в воде с щеткой не кто не моет и не чистят с помощью пылесоса,хотите что бы через время железо перестало работать ваше дело как над ним издеватся,хотя да же на производстве электроники не кто не моет пропаеные платы под краном с фери

Добавлено спустя 3 минуты 9 секунд:
T.L. писал(а):
Фото модуля GIGABYTE GC-U-PLUS DPS без радиатора:

они не много разные для каждой из плат у меня лично полностью забит всеми деталями не как у вас черз одну

забрал эту плату https://www.asus.com/us/Motherboards/P5 ... fications/ и одного понять не могу,в спецификации указанно работа шины памяти 1600(O.C)/1333/1066/800 MHz но там нету в биосе 1333 выбора а после 1600 идет выбор памяти на частоте 1800(O.C),которая совсем в паспорте не указанна,тоесть вставленая память 1333 автоматом работает на шине 1600
плюс в нагрузку забрал https://ugra.ru/pics-3dnews.ru/document ... /front.jpg 6600 LE 256 мб с не самой быстрой памятью и FoXcon 7900gs https://54.img.avito.st/640x480/5998423154.jpg


Последний раз редактировалось DooC 21.12.2020 22:26, всего редактировалось 1 раз.


Партнер
 

Member
Статус: Не в сети
Регистрация: 30.08.2005
Откуда: Отовсюду
Фото: 21
Цитата:
они не много разные для каждой из плат

Иногда лучше читать...

_________________
...and then John was a zombie.


 

Member
Статус: Не в сети
Регистрация: 25.12.2007
T.L. писал(а):
Иногда лучше читать...

чего читать,там где у вас не хватка деталей сэкономлено,на моем DPS то же от GIGI все детали на мести,так как эта плата стандарт на всех моделях,тока на одних полностью со всеми фазами питания а на некоторых как у вас 4 питалников не хватка не говоря об остальных элементов


 

Мемbеr
Статус: Не в сети
Регистрация: 04.10.2010
Откуда: г.Ялта
Фото: 17
DooC писал(а):
и одного понять не могу,в спецификации указанно работа шины памяти 1600(O.C)/1333/1066/800 MHz

При чём тут работа памяти ? У вас какой процессор вставлен для начала. Ну и в биосе иногда нет ни чего пока что-то не изменить Ai Overclock Tuner чему равен ? авто или мануал

Добавлено спустя 24 минуты 49 секунд:
DooC писал(а):
чего читать,там где у вас не хватка деталей сэкономлено,на моем DPS то же от GIGI все детали на мести,так как эта плата стандарт на всех моделях,тока на одних полностью со всеми фазами питания а на некоторых как у вас 4 питалников не хватка не говоря об остальных элементов

Вам что схему скинуть ?

Я выше писал что нет там ШИМА управления.
И это верно для DSP от GA-8PENXP

А вот то что показали на фото уже с Шимом ISL6556 что также верно для GA-8GPNXP Duo

Так что их как минимум уже 2 разных. А количество деталей не показатель экономии, те мосфеты дублирующие и просто поставлено более мощные по 1 штуке, а не по два.

_________________
https://hwbot.org/user/alexmaj467
https://oconestory.wordpress.com


 

Member
Статус: Не в сети
Регистрация: 20.07.2004
Фото: 0
DooC писал(а):
не единых остатков можно уайспиритом убрать так любой флюс что не один самый опытный электроншик не сможет доказать что в ней копались,если тока не проверит по описанию какие именно на ней должны быть детали и какого бренда,а так если не в курсе их в воде с щеткой не кто не моет и не чистят с помощью пылесоса,хотите что бы через время железо перестало работать ваше дело как над ним издеватся,хотя да же на производстве электроники не кто не моет пропаеные платы под краном с фери

К чему этот поток сознания?


 

Заблокирован
Заблокирован
Статус: Не в сети
Регистрация: 26.08.2008
Откуда: Ростов-на-Дону
Фото: 11
дошли руки до старичка... целерон 700 мгц, 3 гб хдд, 2 по 64 мб озу, 2 мб видяха... какую винду будет оптимальнее поставить ?
#77

_________________
7800X3D • Asus X670E-F Gaming • 2x16Gb 6200 MHz CL30 • RTX 4070 Ti GameRock Classic OC • 27" Asus PG279Q • Win 10 LTSC x64 21H2


 

Member
Статус: Не в сети
Регистрация: 02.05.2020
Откуда: Ukraine
Фото: 0
MilligramSmile ,я бы ХРюшу ставил.
Меньше гемора с поиском патчей и дров(в сравнении с 98).

_________________
Но, не разгон обычно губит,
а тест с упором в GPU.


 

Member
Статус: Не в сети
Регистрация: 20.07.2004
Фото: 0
MilligramSmile писал(а):
какую винду будет оптимальнее поставить ?

Я бы 98 SE ставил... смотря какие цели преследуются
ApostolCV писал(а):
я бы ХРюшу ставил

Оперы маловато

Странный конфиг немного. Судя по всему, проц апгрейдили, а видео вообще изначально не из этого компа.
370 или слот с переходником?


 

Member
Статус: Не в сети
Регистрация: 02.05.2020
Откуда: Ukraine
Фото: 0
Кстати, есть у кого слотовый Коппермайн 900+ МГц?

_________________
Но, не разгон обычно губит,
а тест с упором в GPU.


 

Member
Статус: Не в сети
Регистрация: 25.12.2007
mishgane писал(а):
К чему этот поток сознания?

к тому что двигатель автомобиля при его переборке вы водой с фери мыть не будете,так и с любым техническим средством,не моют веществом содержавшим на основе воды,что бы не гробить вещь

Добавлено спустя 4 минуты 23 секунды:
MilligramSmile писал(а):
какую винду будет оптимальнее поставить ?

95/98 и ещё туда ускоритель прикрутить Voodoo или PowerVR PCX2

Добавлено спустя 7 минут 3 секунды:
ApostolCV писал(а):
есть у кого слотовый Коппермайн 900+ МГц?

если не ошибаюсь на слот 1 копермайнов чистых не было тока через переходни S370
а так имею тока 1100 и 1133
но какаета то 900 валяется под слот 1 на не помню копермайт она или нет


Последний раз редактировалось DooC 22.12.2020 7:21, всего редактировалось 1 раз.

 

Member
Статус: Не в сети
Регистрация: 30.08.2005
Откуда: Отовсюду
Фото: 21
alexmaj467
Цитата:
Так что их как минимум уже 2 разных. А количество деталей не показатель экономии, те мосфеты дублирующие и просто поставлено более мощные по 1 штуке, а не по два.

Из того, что я вижу по обзорам, они продолжали использовать этот дизайн модуля до 955X включительно, возможно с незначительными ревизиями.

_________________
...and then John was a zombie.


 

Member
Статус: Не в сети
Регистрация: 25.12.2007
:bandhead:


Последний раз редактировалось DooC 22.12.2020 7:37, всего редактировалось 1 раз.

 

Member
Статус: Не в сети
Регистрация: 20.07.2004
Фото: 0
DooC писал(а):
к тому что двигатель автомобиля при его переборке вы водой с фери мыть не будете,так и с любым техническим средством,не моют веществом содержавшим на основе воды,что бы не гробить вещь

Не надо чушь нести. Какой еще двигатель? Жену идите учить щи варить. Добавляю вас в черный список, общение с вами мне не интересно.


 

Member
Статус: Не в сети
Регистрация: 25.12.2007
mishgane писал(а):
Жену идите учить щи варить.

мне готовить не надо её учить сам умею готовить


 

Advanced member
Статус: Не в сети
Регистрация: 30.04.2013
Откуда: Москва
Фото: 0
ApostolCV писал(а):
Кстати, есть у кого слотовый Коппермайн 900+ МГц?

у меня только 700

_________________
AM5 R7 7700=6050Mhz air WR
AM4 R7 1700X=4500Mhz,R7 2700X=4711Mhz,R7 3800X=4900Mhz,R7 5700X=5300Mhz


 

Мемbеr
Статус: Не в сети
Регистрация: 04.10.2010
Откуда: г.Ялта
Фото: 17
T.L. писал(а):
Из того, что я вижу по обзорам, они продолжали использовать этот дизайн модуля до 955X включительно, возможно с незначительными ревизиями.

ХЗ по схемам они координально разные.
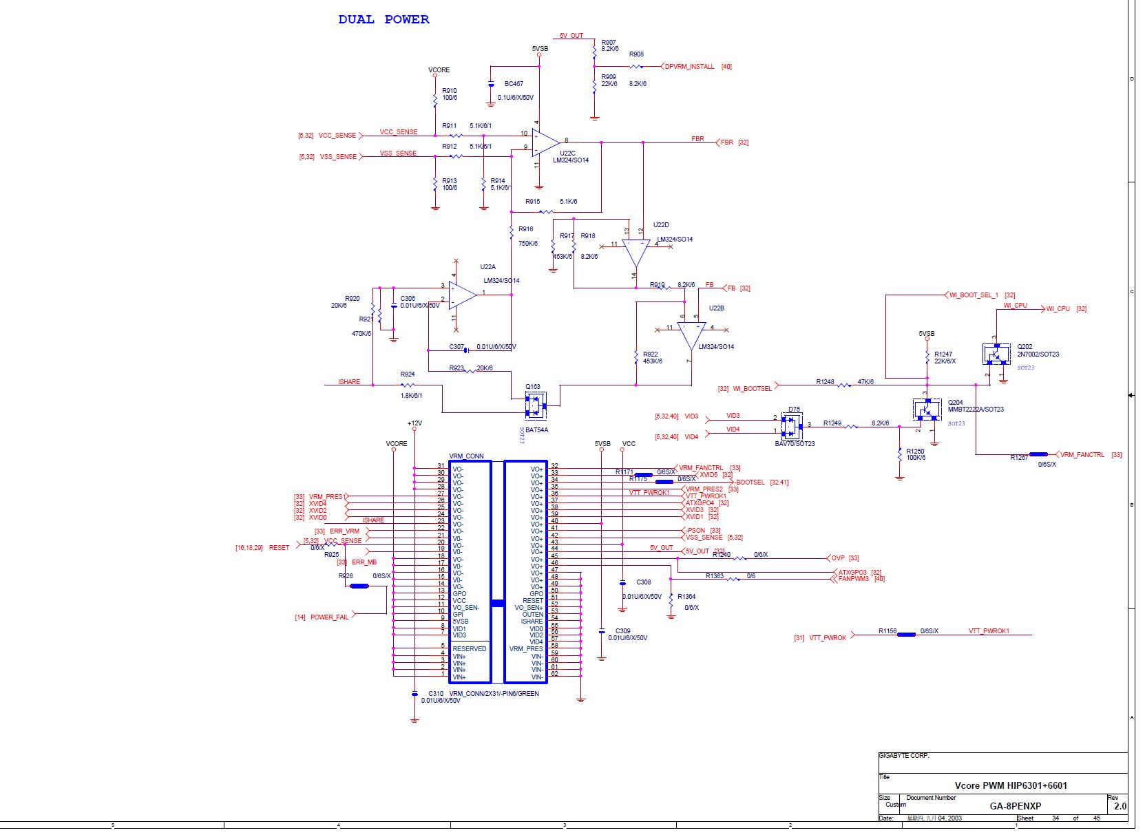
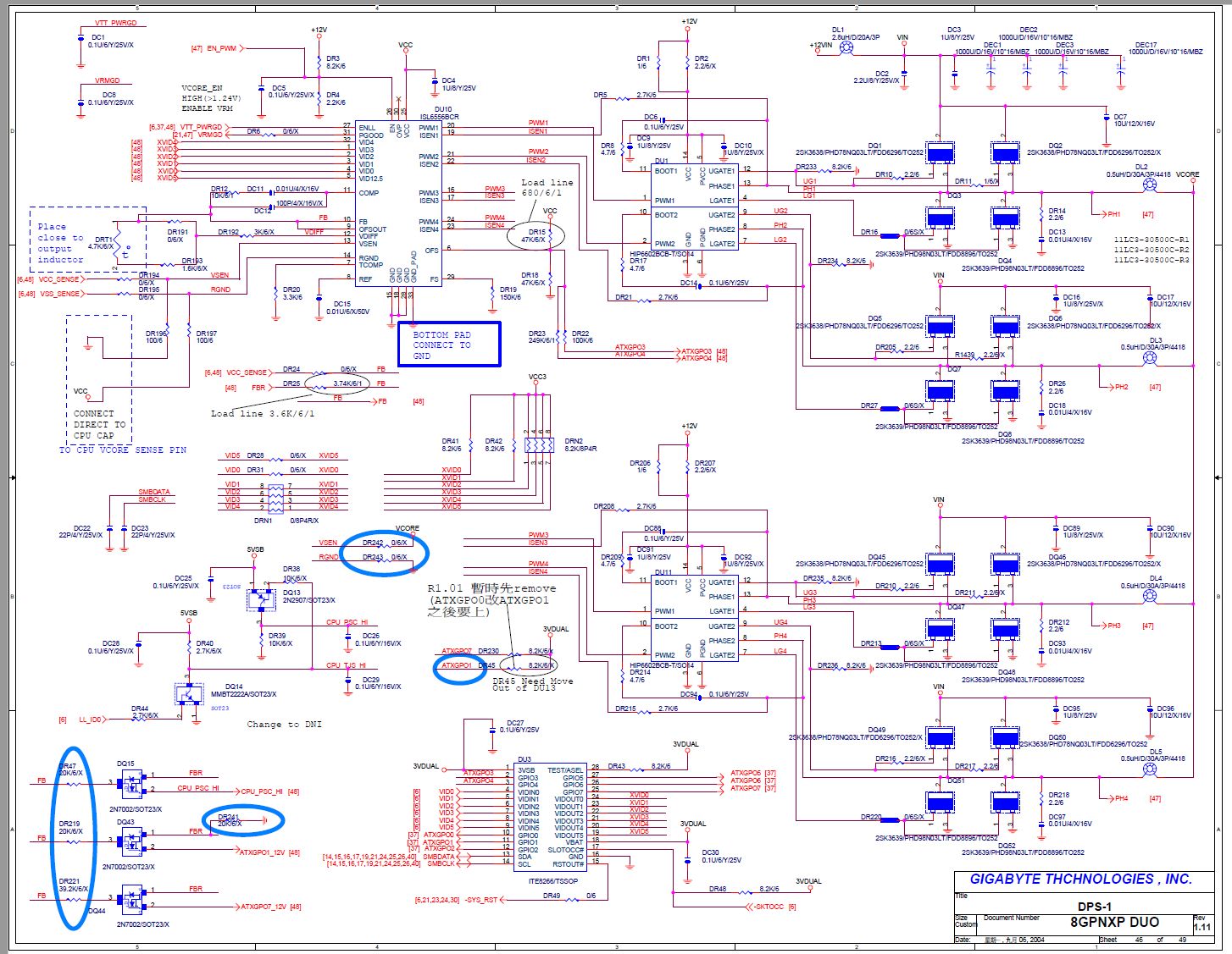
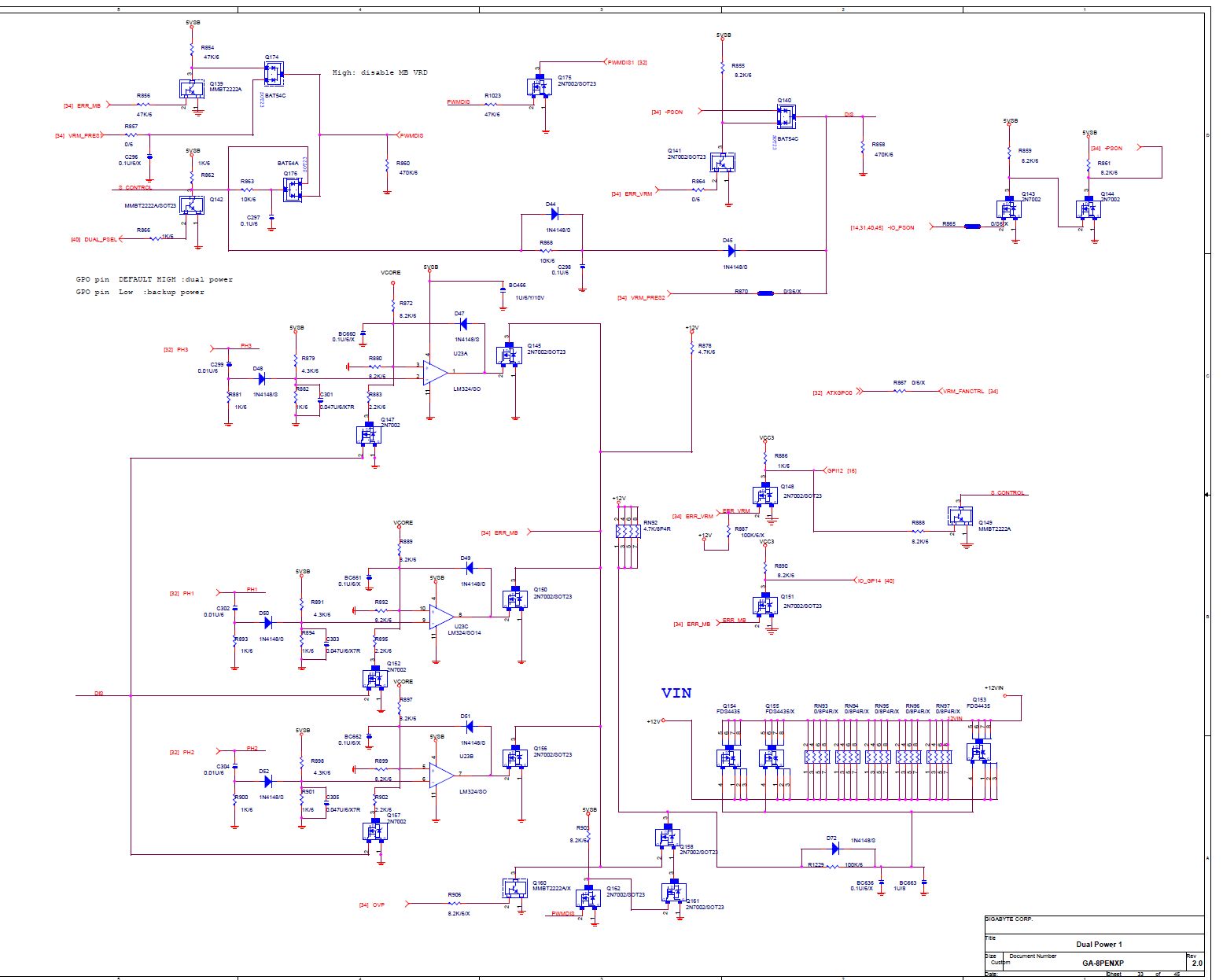
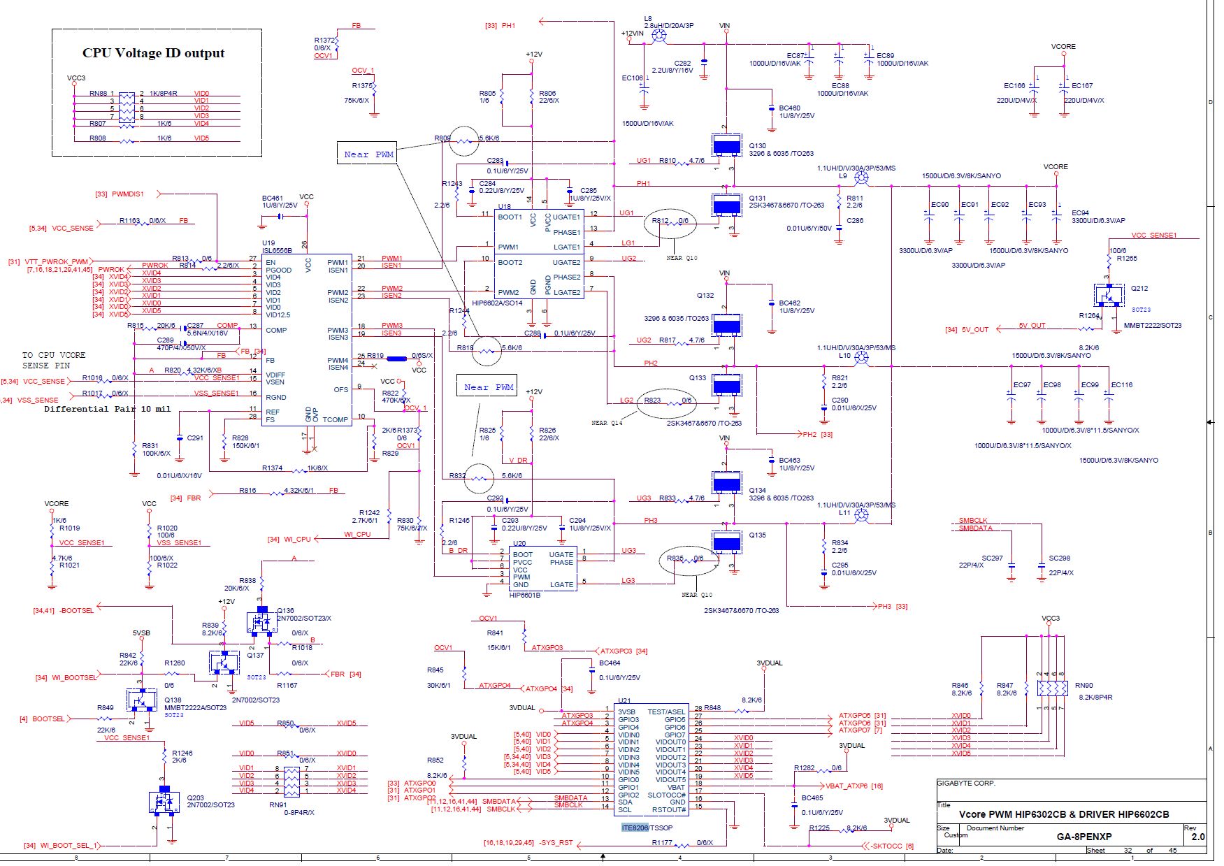
Схемы
GA-8PENXP
Питальник на материнке
#77
А это что касается модуля.
#77
#77

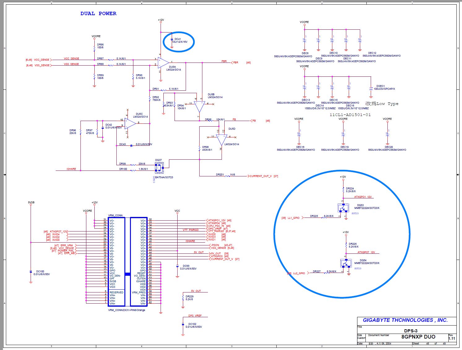
GA-8GPNXP Duo
Питальник на материнке
#77
Это что касается модуля.
#77
#77
#77

Во втором варианте отчётливо видно управляющий шим ISL 6556BCR и два драйвера HIP6602BCB на этом модуле, в первом шимы на материнке, а на модуле их нет.

_________________
https://hwbot.org/user/alexmaj467
https://oconestory.wordpress.com


 

Member
Статус: Не в сети
Регистрация: 30.08.2005
Откуда: Отовсюду
Фото: 21
Цитата:
ХЗ по схемам они координально разные.

Я только про U-PLUS DPS упоминал, DPS2 модуля от GA-8PENXP у меня нет. U-Plus модуль скорее всего не менялся на 915-955 линейке XP плат.

_________________
...and then John was a zombie.


 

Заблокирован
Заблокирован
Статус: Не в сети
Регистрация: 26.08.2008
Откуда: Ростов-на-Дону
Фото: 11
mishgane писал(а):
370 или слот с переходником?

370

Добавлено спустя 28 минут 43 секунды:
mishgane писал(а):
Судя по всему, проц апгрейдили

у меня первый комп был слотовый Р-2 233 мгц, он кажись был на уровне 700 целерона...

Добавлено спустя 11 минут 23 секунды:
mishgane писал(а):
смотря какие цели преследуются

первая задача оживить его, если он мертвый, т.к. на материнке 2 кондера вздутых
далее гялнуть что на харде
вывести его в идеальное состояние и законсервировать...
на раритер не тянет но все же )))

зы. я его могу еще апнуть или нерфануть...есть 2 проца на 370 слот
#77

_________________
7800X3D • Asus X670E-F Gaming • 2x16Gb 6200 MHz CL30 • RTX 4070 Ti GameRock Classic OC • 27" Asus PG279Q • Win 10 LTSC x64 21H2


 

Member
Статус: Не в сети
Регистрация: 19.12.2005
Откуда: Ukraine Kyiv
MilligramSmile писал(а):
Р-2 233 мгц, он кажись был на уровне 700 целерона

только в мечтах :-P


 

Заблокирован
Заблокирован
Статус: Не в сети
Регистрация: 26.08.2008
Откуда: Ростов-на-Дону
Фото: 11
Death может что-то путаю...это было 20 лет назад :-)

_________________
7800X3D • Asus X670E-F Gaming • 2x16Gb 6200 MHz CL30 • RTX 4070 Ti GameRock Classic OC • 27" Asus PG279Q • Win 10 LTSC x64 21H2


Показать сообщения за:  Поле сортировки  
Начать новую тему Новая тема / Ответить на тему Ответить  Сообщений: 12596 • Страница 337 из 630<  1 ... 334  335  336  337  338  339  340 ... 630  >
-

Часовой пояс: UTC + 3 часа


Кто сейчас на конференции

Сейчас этот форум просматривают: нет зарегистрированных пользователей и гости: 4


Вы не можете начинать темы
Вы не можете отвечать на сообщения
Вы не можете редактировать свои сообщения
Вы не можете удалять свои сообщения
Вы не можете добавлять вложения

Перейти:  
Создано на основе phpBB® Forum Software © phpBB Group
Русская поддержка phpBB | Kolobok smiles © Aiwan