Часовой пояс: UTC + 3 часа




Куратор(ы):   H_Rush   



Начать новую тему Новая тема / Ответить на тему Ответить  Сообщений: 12427 • Страница 411 из 622<  1 ... 408  409  410  411  412  413  414 ... 622  >
  Пред. тема | След. тема 
В случае проблем с отображением форума, отключите блокировщик рекламы
Автор Сообщение
 

Member
Статус: Не в сети
Регистрация: 25.12.2007
matocob писал(а):
который совместим с IDE

так ставлю на HDD так как SSD таких нету,просто на прямую установить как раньше не получается,приходится на старой машине делать под чипсетом VIA,а потом с установленой виндой переносить на NF3,до ужаса не удобно получается

Добавлено спустя 2 минуты 7 секунд:
matocob писал(а):
чтобы избежать проблем с памятью больше 512 МБ

нашол у же что надо редактировать в файле sys,смог заставить работать с 1.5 гигами,тоесть урезал с 2 гигов,хотя на 1.5 она запускалась с физической в одноканале

Добавлено спустя 2 минуты 20 секунд:
radical писал(а):
нормально у меня ставилась она на SSD на чипсетном NF3

не знаю у меня на SATA родном не хочет устанавливатся на диск,так как дров нету на офф сайте от Nvidia на 98,или я не смог понять где искать



Партнер
 

Member
Статус: Не в сети
Регистрация: 22.11.2007
Откуда: dp.ua
Фото: 0
DooC писал(а):
не знаю у меня на SATA родном не хочет устанавливатся на диск,так как дров нету на офф сайте от Nvidia на 98,или я не смог понять где искать

Я же говорю, на K8Upgrade-NF3 встала 98SE с пол пинка, при установке драйверы не нужны вообще никакие. Просто память воткнул сначала на 512МБ и все. Потом после установки поставил патч памяти.
Драйверы на 98/Ме на сайте асрока лежат, можно оттуда скачать.
https://www.asrock.com/mb/NVIDIA/K8Upgr ... p#Download
SSD у меня старый был Crucial M4 64GB, с ним абсолютно никаких проблем с 98.
Можно дистрибутив еще попробовать поменять или запускать установку с setupcor.exe


 

Member
Статус: Не в сети
Регистрация: 05.05.2004
Откуда: Юг Украины
DooC писал(а):
на SATA родном не хочет устанавливатся

САТА это электрический интерфейс.
Его (почти) всегда можно перевести в эмуляцию IDE из AHCHI\Raid.
Обычно в БИОСе есть опция как отображать САТА устройства.

Проще всего сделать загрузочную флешку с голым ДОСом и с ней экспериментировать.
Когда ДОС увидит диск С, тогда и Вин 98 на него станет.


 

Мемbеr
Статус: Не в сети
Регистрация: 04.10.2010
Откуда: г.Ялта
Фото: 17
shevalier писал(а):
В момент включения БП он быстро заряжает до 2,5В конденсаторы до момента включения HIP.

Он всего на 4 штуки или керамика тоже сильно долго заряжается.
Для чего он на прямую подключён к некоторым компонентам, тоже для снижения стартовых токов.
И что говорит второй параметр Диода IFSM = 25A
Что не говори, а данное выражение меня ни как не убеждает.
shevalier писал(а):
Она совсем не использует шину 3,3В БП. Вообще. вообще никак. ПУсть она будет хоть на 100500 Ампер, она висит в воздухе.


На видео картах старых тоже стоят похожие диоды и как-то питают ядро или память, не связывается это с 1A.

_________________
https://hwbot.org/user/alexmaj467
https://oconestory.wordpress.com


 

Member
Статус: Не в сети
Регистрация: 22.04.2004
Откуда: Спб
shevalier писал(а):
Вы вот вроде и все правильно пишете, но умеетеж выкрутить все на изнанку.
s939 - релиз 2004 год
Prescott - релиз 2004 год
S462 - EOL 2004 год.
Тогда год - это было офигеть как много.

Вот именно, что год много и вы не видите свою ошибку? Указали просто год, без месяца. К тому же релиз - это теория, появление на полках - практика.
И не забываем про цены и доступность платформ в целом.

_________________
Относитесь с пониманием и симпатией к идеям и устремлениям другого человека.


 

Member
Статус: Не в сети
Регистрация: 31.07.2006
Откуда: Академгородок П
Фото: 124
radical, разницу между чипсетом материнской платы и чипсетом SSD понимаем? Нет.
Для тех кто в танке, не все современные SSD работают со старыми материнскими платами.
Часть из них даёт черный экран на Windows 98.


 

Member
Статус: Не в сети
Регистрация: 05.05.2004
Откуда: Юг Украины
alexmaj467 писал(а):
И что говорит второй параметр Диода IFSM = 25A


У второго параметра есть одна важная приписка - допустимое время, в течении которого разрешено эти самые 25А до теплового разрушения диода.
Для 1n5817 там дальше написано 8,3 милисекунды разово .
Время 1 полуволны при частоте питающей сети в 120Гц
Вложение:
1n5817.jpg
1n5817.jpg [ 15.65 КБ | Просмотров: 262 ]



alexmaj467 писал(а):
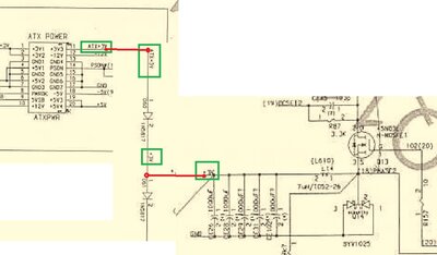
Для чего он на прямую подключён к некоторым компонентам,

Он не к некоторым компонентам подключен, он подключен к шине
Посмотрите уже на принципиальную схему, не монтажную.
Имя цепи указывает на соединение этих точек.
Вложение:
кубХ.jpg
кубХ.jpg [ 141.7 КБ | Просмотров: 263 ]


ПС. Я не говорю, что питать чипсет и память от повышалки плохо, оно ОЧень хорошо действует на 133+ шин.
Я говорю, что питание разъемов АГП/ПСИ от этой повышалки создает проблемы.
Поэтому, сори, не убер решение.

Добавлено спустя 11 минут 43 секунды:
klopcha писал(а):
К тому же релиз - это теория, появление на полках - практика.


Так и есть. Ни АХР сразу с полок не исчезли, ни Прескоты сразу не появились.
К моменту релиза Прескота АХР уже год болтался в лоуэнде, и все мечтали о С754.
Это точно также, как и то что Нетберсты производили до 2009 года, но после релиза Корок на них никто серьезно не смотрел.

АХР заслуженно был лучшим ЦП 3 года, но потом его время прошло.


 

Member
Статус: Не в сети
Регистрация: 22.11.2007
Откуда: dp.ua
Фото: 0
matocob писал(а):
radical, разницу между чипсетом материнской платы и чипсетом SSD понимаем? Нет.
Для тех кто в танке, не все современные SSD работают со старыми материнскими платами.
Часть из них даёт черный экран на Windows 98.

А зачем ставить 98 на современный SSD? Затем чтобы что? И какой SSD "современный"? nvme?
На SSD объемом 16-128ГБ мне ничего такого не попадалось.


 

Мемbеr
Статус: Не в сети
Регистрация: 04.10.2010
Откуда: г.Ялта
Фото: 17
shevalier писал(а):
Он не к некоторым компонентам подключен, он подключен к шине
Посмотрите уже на принципиальную схему, не монтажную.
Имя цепи указывает на соединение этих точек.

Это понятно. Имя цепи +3 это отрезок между двумя диодами (они находятся один возле ATX второй чуть ниже FDD) к этой же шине подключены 200 более точек на плате.
Память питается от другой шины +3Dual отдельно, да чем выше +3 тем будет выше и память, но память можно исключить из данного питания.
Оставив питание всего остального на шине +3. А на память завести место +3, своё от 5 вольт на выходе этого +3 Daul понизить резистором до необходимых 4ёх вольт или 3.6в

_________________
https://hwbot.org/user/alexmaj467
https://oconestory.wordpress.com


 

Member
Статус: Не в сети
Регистрация: 05.05.2004
Откуда: Юг Украины
alexmaj467 писал(а):
Память питается от другой шины +3Dual отдельно


Память всегда питается от чего-то_дуал. Там просто ключи, коммутирующие питание памяти и части чипсета в S3 (или S5, не помню никогда не пользовался ) который suspend_to_ram со некоего маломощного стабилизатора питающегося от +5В стендбай на основной рабочий преобразователь памяти..
Чего-то дуал есть вообще у всех МП, потому что С3 - это стандартный план питания в ACPI.


 

Ретроклокер
Статус: Не в сети
Регистрация: 15.02.2006
Откуда: Могилёв
Фото: 26
matocob писал(а):
Для тех кто в танке, не все современные SSD работают со старыми материнскими платами.
Часть из них даёт черный экран на Windows 98.

Абсолютно верно! Я скажу даже больше в рамках одного производителя (я использую Kingston) разные ssd могут просто быть несовместимы с матерями по каким-то критериям, возможно это прошивка или свойство контроллера. Я для ретро использую 100S и 300V серию, 100S у меня пара ssd на 8Гб и на ряде плат ни один не может загрузить ОС, хотя POST проходит до конца, а с 300V на 60Гб таких проблем нет. Пробовал на досуге еще недавно Crucial BX500 на 120Гб, тоже через раз, отдал обратно. Видимо ссд 10-ти летней давности для таких целей походят лучше.

radical писал(а):
А зачем ставить 98 на современный SSD? Затем чтобы что? И какой SSD "современный"? nvme?
На SSD объемом 16-128ГБ мне ничего такого не попадалось.

Для скоростных характеристик в первую очередь и для экономии времени. Я от HDD отказался на 100% где это возможно и возвращаться к ним нет ни какого желания.

_________________
Мои_статьи https://overclockers.ru/tag/show/10017/max1024


 

Member
Статус: Не в сети
Регистрация: 31.07.2006
Откуда: Академгородок П
Фото: 124
radical писал(а):
А зачем ставить 98 на современный SSD?

Да просто ради компактности системы. Представь себе, у меня куча систем на разных сокетах: 7, 370, A, 754, 939, AM2, AM3
2,5" SSD тупо меньше и легче 3,5" HDD, не говоря уже о скорости обмена, который на всех системах упирается в пропускную способность контроллера.
radical писал(а):
И какой SSD "современный"? nvme?

Гм, ты совсем того? Начиная с SATA2 начались чудеса совместимости SSD с IDE/SATA-контроллерами на материнских платах.
radical писал(а):
На SSD объемом 16-128ГБ мне ничего такого не попадалось.

А мне периодически попадается, поскольку SSD не вечны.
max1024 писал(а):
Видимо ссд 10-ти летней давности для таких целей походят лучше.

К сожалению, у меня такие же наблюдения.


 

Member
Статус: Не в сети
Регистрация: 05.05.2004
Откуда: Юг Украины
max1024
LBA48


 

Member
Статус: Не в сети
Регистрация: 31.07.2006
Откуда: Академгородок П
Фото: 124
shevalier писал(а):
LBA48

Эта "проблема" давно не проблема, и уж тем более она в чёрных экранах не повинна. Там что-то на уровне команд IDE/SATA произошло.
Максимум вреда от LBA48, что материнская плата и операционная система не видят дальше 137 ГБ границы.
Для этого и покупаются SSD и HDD объёмом не более 128 ГБ.


 

Ретроклокер
Статус: Не в сети
Регистрация: 15.02.2006
Откуда: Могилёв
Фото: 26
shevalier писал(а):
LBA48

:D если бы все было так просто, особенно для моих пары SSD на 8Гб ) Как отметил matocob "Там что-то на уровне команд IDE/SATA произошло." я не лез в дебри, но возможно дело также в протоколах САТА-3.
#77

_________________
Мои_статьи https://overclockers.ru/tag/show/10017/max1024


 

Member
Статус: Не в сети
Регистрация: 02.05.2020
Откуда: Ukraine
Фото: 0
Я не претендую на точность в последней инстанции.
Однако, из моих личных наблюдений, многое зависит именно от контроллера установленного на ССД. И именно от него зависит взаимодействие и корректный запуск ОС

_________________
Но, не разгон обычно губит,
а тест с упором в GPU.


 

Ретроклокер
Статус: Не в сети
Регистрация: 15.02.2006
Откуда: Могилёв
Фото: 26
ApostolCV
а также от прошивки контроллера ссд, от прошивки биоса мат. платы, от протоколов передачи данных по интерфейсу САТА 1/2/3, от IDE контроллера на мат плате, от драйвера к этому контроллеру и черт знает чего еще :tooth:

_________________
Мои_статьи https://overclockers.ru/tag/show/10017/max1024


 

Member
Статус: Не в сети
Регистрация: 05.05.2004
Откуда: Юг Украины
max1024 А все и так безумно просто.
берется древнючий ССД например на JMF616 и в БИОСе выбирается эмуляция ИДЕ.
Вложение:
jmikron.jpg
jmikron.jpg [ 71.02 КБ | Просмотров: 234 ]

На 30-64 Гб и никаких проблем.
Производительности ему даже на САТА 2 хватает.
Он конечно овощ, но по сравнению с ХДД - небо и земля.


 

Member
Статус: Не в сети
Регистрация: 31.07.2006
Откуда: Академгородок П
Фото: 124
max1024 писал(а):
Как отметил matocob "Там что-то на уровне команд IDE/SATA произошло." я не лез в дебри, но возможно дело также в протоколах САТА-3

Началось всё на SATA2, куда ввели NCQ - функцию очереди команд, которой нет в SATA, а тем более в IDE.
На SATA3 ещё какой-нибудь функционал добавили, не совместимый с исходными ATA66/100/133
shevalier писал(а):
в БИОСе выбирается эмуляция ИДЕ

В чьём BIOS? Материнской платы на Socket 7, которая про ATA66 не всегда знает, не то что про SATA? :lol:
Шучу, были SSD с опцией совместимости с IDE, конечно, и даже такие где и прошивать ничего не требуется.
Вы свои интеллектуальны и словесные эквилибры для кого-нибудь другого оставьте, мсье, все варианты давно уже перепробованы.
Нынче SSD к старым платам подключаются чисто из любопытства в плане совместимости, которая всё чаще огорчает.


 

Member
Статус: Не в сети
Регистрация: 05.05.2004
Откуда: Юг Украины
matocob Слушай, а в свойствах конфы нету "черного списка" мне твой хамоватый бред читать надоело.
Ты сливаешься, перегрупировываешься и координируешься -достал уже.
Какой, Ъ, сокет 7, где ты там CATA нашол?
Если ИДЕ ССД, то и танцевать с ИДЕ.

Вопрос DooC был про САТА на нФ3.

Добавлено спустя 8 минут 54 секунды:
matocob писал(а):
Вы свои интеллектуальны и словесные эквилибры для кого-нибудь другого оставьте, мсье, все варианты давно уже перепробованы.


Да я вообще ничего не знаю, по ССД первый раз слышу
http://www.rom.by/forum/jmf616_SSD_firmware_recovery


Показать сообщения за:  Поле сортировки  
Начать новую тему Новая тема / Ответить на тему Ответить  Сообщений: 12427 • Страница 411 из 622<  1 ... 408  409  410  411  412  413  414 ... 622  >
-

Часовой пояс: UTC + 3 часа


Кто сейчас на конференции

Сейчас этот форум просматривают: нет зарегистрированных пользователей и гости: 3


Вы не можете начинать темы
Вы не можете отвечать на сообщения
Вы не можете редактировать свои сообщения
Вы не можете удалять свои сообщения
Вы не можете добавлять вложения

Перейти:  
Создано на основе phpBB® Forum Software © phpBB Group
Русская поддержка phpBB | Kolobok smiles © Aiwan