Часовой пояс: UTC + 3 часа




Начать новую тему Новая тема / Ответить на тему Ответить  Сообщений: 300 • Страница 8 из 15<  1 ... 5  6  7  8  9  10  11 ... 15  >
  Пред. тема | След. тема 
В случае проблем с отображением форума, отключите блокировщик рекламы
Автор Сообщение
 

Junior
Статус: Не в сети
Регистрация: 12.07.2013
Откуда: Петрозаводск
Мне тут товарищ озадачившись моей проблемой, предложил простое по его мнению решение.
#77
Суть в том, чтобы демонтировать управляющую платку с PWM вентилятора и подключить согласно прилагаемой схеме.
Как думаете работоспособный вариант?



Партнер
 

Заблокирован
Заблокирован
Статус: Не в сети
Регистрация: 15.06.2010
Откуда: Калуга
Фото: 18
willzyak писал(а):
Мне тут товарищ озадачившись моей проблемой, предложил простое по его мнению решение.

Ты понимаешь что на картинке детская мазня?

_________________
Лужу, паяю, не шалю, никого не трогаю, починяю примус (ЭВМ). Я не фанат INTEL, я просто не люблю AMD.


 

Junior
Статус: Не в сети
Регистрация: 12.07.2013
Откуда: Петрозаводск
Да я то понимаю, что картинка в паинте нарисована. Просто интересно, рабочая идея в принципе идея или тоже из разряда детских сказок?


 

Member
Статус: Не в сети
Регистрация: 22.12.2012
Фото: 1
willzyak писал(а):
Просто интересно, рабочая идея в принципе идея или тоже из разряда детских сказок?

Из разряда непонимания, для чего нужна плата на вентиляторе.


 

Заблокирован
Заблокирован
Статус: Не в сети
Регистрация: 15.06.2010
Откуда: Калуга
Фото: 18
willzyak писал(а):
Да я то понимаю, что картинка в паинте нарисована

Должна быть не глупая картинка, а схема электрическая принципиальная. А на какой это плате расположено депо десятое.

_________________
Лужу, паяю, не шалю, никого не трогаю, починяю примус (ЭВМ). Я не фанат INTEL, я просто не люблю AMD.


 

Junior
Статус: Не в сети
Регистрация: 12.07.2013
Откуда: Петрозаводск
Ладно понял, схема не рабочая)


 

Member
Статус: Не в сети
Регистрация: 05.02.2009
Фото: 5
В данном деле слеп как крот, так что хотел поинтересоваться. В данной схеме с реализацией мониторинга в роли VT2 необходим сугубо биполярник?..
Разобрал...хотя, скорее уж разломал БП и мамку, но таких не обнаружил, а городок маленький и радиодеталей на прилавках у нас я не видел, ехать же в другой...ради одного элемента за 20 руб. нерентабельно.


 

Member
Статус: Не в сети
Регистрация: 03.11.2004
Откуда: Тверь
Griffen писал(а):

Куда статья пропала? :-(

_________________
Bitcoin - деньги будущего.


 

Member
Статус: Не в сети
Регистрация: 05.02.2009
Фото: 5
k@mikadze, статья на месте, просто после обновления ПС перестали работать прежние ссылки.


 

Member
Статус: Не в сети
Регистрация: 03.11.2004
Откуда: Тверь
Egor008
Спасибо!
....
Не умею читать схемы, поделитесь фотографией чего и куда припаять чтоб обороты и регулировались и мониторились корректно.
Или хотя-бы в "пейнте нарисуйте от руки", чего куда паять с картинками для "тупых" :)
По фотографии удачно паял переходник без мониторинга оборотов, теперь хочу спаять с мониторингом :)

_________________
Bitcoin - деньги будущего.


 

Advanced member
Статус: Не в сети
Регистрация: 10.04.2003
Откуда: Москва
Подумалось тут - самый простой преобразователь уровня можно сделать на драйвере. Например TC4420.
Подключение тривиальное - земля, питание, вход, выход. Вентилятор к выходу и на землю, естественно.


 

Member
Статус: Не в сети
Регистрация: 03.11.2004
Откуда: Тверь
Может кто в продаже видел их? Или только самому паять?

_________________
Bitcoin - деньги будущего.


 

Member
Статус: Не в сети
Регистрация: 22.03.2009
Откуда: Город Мейнстрим
Фото: 6
serj писал(а):
Подумалось тут - самый простой преобразователь уровня можно сделать на драйвере. Например TC4420.
Подключение тривиальное - земля, питание, вход, выход. Вентилятор к выходу и на землю, естественно.


Можно сделать с помощью микроконтроллера. Принимать шим, мерить скважность, цапом выдавать опорное напряжение на импульсный стабилизатор, от которого запитан вентилятор и бинго... А потом придет идея выбросить нахрен прошлую систему управления и сделать с нуля свою на том же u-контроллере. И никаких шимов вообще знать не понадобится потому что бивисовские системы управления очень унылы. С ними нагрузка отзывается завыванием всех вентиляторов. Лучше сделать ступеньку с гистерезисом громко/тихо

_________________
Be quiet and drive


 

Member
Статус: Не в сети
Регистрация: 18.01.2012
Откуда: Україна, Харків
На 4420 самое путевое решение. Мне как раз нужно было скумекать схему для регулировок своих двух дельт afb1212sh-pwm. К тому же родной регулятор cpu-fan сдох, почему-то (мощность велика - 1.6А и грелся бы ключ сильно).
А тут такое элегантное решение и не дорого.
Как раз после наряда заскочу в магазин и прикуплю парочку 4420, с макеткой и n-ch мосфетом на выхлоп.
А то прошлые варианты рукоблудства с биполярами ессно были успешными, но вот падение на переходе заставляло вспоминать о Сизифе.
С полевым выхлопом оно конечно занятая возня была, но так и осталось макетным проектом.
Щас вот изучу даташит, на предмет закупки ингредиентов и в путь. Утром конечно.

P.S. Что касаемо бивисовских управлений: никто не заставляет пользоваться только ими ;) Есть же прекрасный софт SpeedFan!!! Это очень гибкий инструмент с возможностью изменять, в том числе, и гистерезис.
Главное понять как его настроить и все проблемы уходят на второй план, оставляя только положительные эмоции.

_________________
CPU: i7-5960X 4.3Ghz/Phanteks PH-TC14PE
RAM: 4x8Gb Corsair LPX 3200CL15
Mb: Asus ROG R5E10
GPU: MSI GTX1080Ti GamingX 11G
https://valid.x86.fr/tya0xl


 

Member
Статус: Не в сети
Регистрация: 18.01.2012
Откуда: Україна, Харків
Вот уж и не знаю...
Надумал собирать вот такую схемку...


Вложения:
Безымянный.jpg
Безымянный.jpg [ 232.44 КБ | Просмотров: 4267 ]

_________________
CPU: i7-5960X 4.3Ghz/Phanteks PH-TC14PE
RAM: 4x8Gb Corsair LPX 3200CL15
Mb: Asus ROG R5E10
GPU: MSI GTX1080Ti GamingX 11G
https://valid.x86.fr/tya0xl
 

Advanced member
Статус: Не в сети
Регистрация: 10.04.2003
Откуда: Москва
Так не делают - напряжение GS совсем не 0, т.е. падение на транзисторе будет весьма существенным.
Если PWM есть всегда, 100% не бывает, тогда можно сделать вольтдобавку на конденсаторе и диоде. Но если возможен случай постоянного открывания, то это уже не пройдет. Ну, либо сам мути с питанием, его надо два - одно под выход, второе под управление, причем оно должно быть больше первого на ~5 вольт.
Если хочется делать именно так, как ты нарисовал, то ставь P-MOSFET и инвертируй фазу PWM. У IRF есть сборки в SO8 с весьма неплохими транзисторами.


 

Member
Статус: Не в сети
Регистрация: 18.01.2012
Откуда: Україна, Харків
serj писал(а):
то ставь P-MOSFET и инвертируй фазу PWM.

Это само собой - просто рисовал исходя из того, что имел в наличие. По ходу купил чуток не то что нужно, а потом изворачивался.
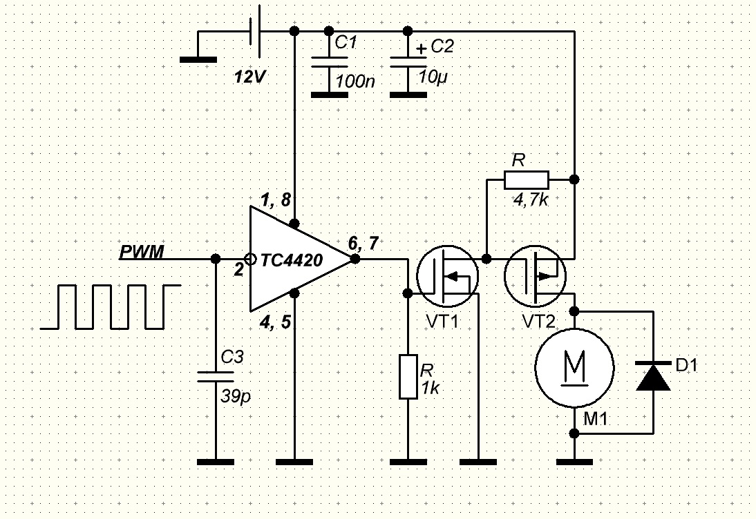
Кстати, родная схемка, что на матерях применяют, как раз и инвертирует фазу PWM и подаёт на Р-канальный полевик. Правда не спомощью драйвера, а с помощью ОУ, но результат один. Поэтому скорее всего поставлю ключик перед выхлопом и установлю Р-канальный выход.
Вот шотатипа так


Вложения:
Безымянный.jpg
Безымянный.jpg [ 277.69 КБ | Просмотров: 4219 ]

_________________
CPU: i7-5960X 4.3Ghz/Phanteks PH-TC14PE
RAM: 4x8Gb Corsair LPX 3200CL15
Mb: Asus ROG R5E10
GPU: MSI GTX1080Ti GamingX 11G
https://valid.x86.fr/tya0xl
 

Member
Статус: Не в сети
Регистрация: 10.12.2010
А можно дурацкий вопрос - на кой вообще в этой схеме 4420?


 

Member
Статус: Не в сети
Регистрация: 18.01.2012
Откуда: Україна, Харків
hellrazor писал(а):
А можно дурацкий вопрос - на кой вообще в этой схеме 4420?

Потому что обвязки меньше, по сравнению с LM358 :-)

_________________
CPU: i7-5960X 4.3Ghz/Phanteks PH-TC14PE
RAM: 4x8Gb Corsair LPX 3200CL15
Mb: Asus ROG R5E10
GPU: MSI GTX1080Ti GamingX 11G
https://valid.x86.fr/tya0xl


 

Advanced member
Статус: Не в сети
Регистрация: 10.04.2003
Откуда: Москва
hellrazor, правильнее вопрос звучит так - на кой там вообще что-то, если есть 4420. ))

Кстати, 2n7002 легко управляется и без драйвера, да и стоит копейки.


Показать сообщения за:  Поле сортировки  
Начать новую тему Новая тема / Ответить на тему Ответить  Сообщений: 300 • Страница 8 из 15<  1 ... 5  6  7  8  9  10  11 ... 15  >
-

Часовой пояс: UTC + 3 часа


Кто сейчас на конференции

Сейчас этот форум просматривают: нет зарегистрированных пользователей и гости: 11


Вы не можете начинать темы
Вы не можете отвечать на сообщения
Вы не можете редактировать свои сообщения
Вы не можете удалять свои сообщения
Вы не можете добавлять вложения

Перейти:  
Создано на основе phpBB® Forum Software © phpBB Group
Русская поддержка phpBB | Kolobok smiles © Aiwan