Часовой пояс: UTC + 3 часа




Начать новую тему Новая тема / Ответить на тему Ответить  Сообщений: 300 • Страница 15 из 15<  1 ... 11  12  13  14  15
  Пред. тема | След. тема 
В случае проблем с отображением форума, отключите блокировщик рекламы
Автор Сообщение
 

Junior
Статус: Не в сети
Регистрация: 29.10.2021
andyt78 писал(а):
ох вы и наворотили. 10 лет - ни одной толковой схемы. Кто-то ставит полевики - сначала создает гарантированную пилу потом героически ее преодолевает операционниками и ЛЦ фильтрами. Подбор ЛЦ фильтра - кому-то еще нравится сношаться с намоткой индуктивностей? 100микрофарад на нагрузку - это исключает вообще любую регулировку.

А сис админ точно техническая специальность?


Вот схема стабилизатора напряжения 3В (на R2 C1 не смотрим - выкидываем из схемы):
#77
Та часть, которая стабилитрон нам надо заменить на контакт ШИМ. ШИМ внутри мамки - это замыкание на землю с частотой 20-30кГц и регулируемой скважностью. Получаем, что при замкнутом ШИМ на выходе транзистора получаем 0В (транзистор закрыт), при разомкнутом ШИМ на выходе транзистора получаем 11В (из-за потерь на транзисторе). Эта схема уже будет работать - но не будет работать таходатчик. Что бы таходатчик работал, нужно что бы транзистор не хлопал "вкл-выкл" с частотой 30кГц, а плавно регулировал напряжение. Первое, надо поднять минимальное напряжение, то есть сделать банальный делитель на базу скажем 3 к 9. Теперь транзистор будет хлопать на выходе пилу 3В - 11В. Как сгладить пилу на выходе транзистора? элементарно - сгладить пилу на базе. Как сгладить пилу на базе? Так же как некоторые предлагают сглаживать на двигателе - конденсатор. Но упаси господи никаких сотен микрофарад - 0,2-2мкФ должно вполне хватить. Заодно выход транзистора подтянется к 4В - минимуму для стабильной работы таходатчика.

Вообще тут огромное поле для экспериментов - например если сделать делитель к базе 6 к 6 то таходатчик будет работать и без конденсатора, но диапазон регулирования будет 6-11В.

Перезалейте фото схемы пожалуйста, а то она отвалилась

UPD : удалось достать через веб-архив, пользуйте если кто потерял.
#77



Партнер
 

Junior
Статус: Не в сети
Регистрация: 04.06.2023
Прошу прощение... и что это за стабилизатор напряжения с 16В на 3В... к чему и как подлячить к 3pin вентилятору от разъема 4pinс шим регулированием оборотов от материнки по температуре...


 

Member
Статус: Не в сети
Регистрация: 04.08.2011
Откуда: Казань
Фото: 4
Я вот через такую самодельную штуку 3-пин кулеры к 4-пин разъему на материнке подключаю. Тахометр работает корректно (естественно на 1 ведущем разъеме только). Поскольку схема DC-DC преобразователя, лишний нагрев исключен (в отличие от схемы выше).


Вложения:
1.jpg
1.jpg [ 397.48 КБ | Просмотров: 13312 ]
2.jpg
2.jpg [ 528.17 КБ | Просмотров: 13312 ]
 

Member
Статус: Не в сети
Регистрация: 22.12.2012
Фото: 1
НАПАЛМ писал(а):
Я вот через такую самодельную штуку

Не похоже она на самодельную штуку, скорее на фабричную, люди дома так обычно не делают.


 

Member
Статус: Не в сети
Регистрация: 04.08.2011
Откуда: Казань
Фото: 4
Sania. писал(а):
НАПАЛМ писал(а):
Я вот через такую самодельную штуку

Не похоже она на самодельную штуку, скорее на фабричную, люди дома так обычно не делают.

Проектировал и монтаж делал сам, ну а платы уже на заводе заказывал :-)


 

Member
Статус: Не в сети
Регистрация: 22.12.2012
Фото: 1
Схему посмотреть можно?


 

Member
Статус: Не в сети
Регистрация: 04.08.2011
Откуда: Казань
Фото: 4
Sania. писал(а):
Схему посмотреть можно?

Надо схему восстановить, делал девайс относительно давно в программе без редактора схем :-)


 

Member
Статус: Не в сети
Регистрация: 22.12.2012
Фото: 1
Срисуйте с вашего устройства, оно же не многослойное же надеюсь. Может вы взяли с интернета эту схему, проще будет, найдёте готовую картинку.


 

Member
Статус: Не в сети
Регистрация: 04.08.2011
Откуда: Казань
Фото: 4
Sania. писал(а):
Срисуйте с вашего устройства, оно же не многослойное же надеюсь. Может вы взяли с интернета эту схему, проще будет, найдёте готовую картинку.

Да, без проблем, на неделе найду время, сделаю
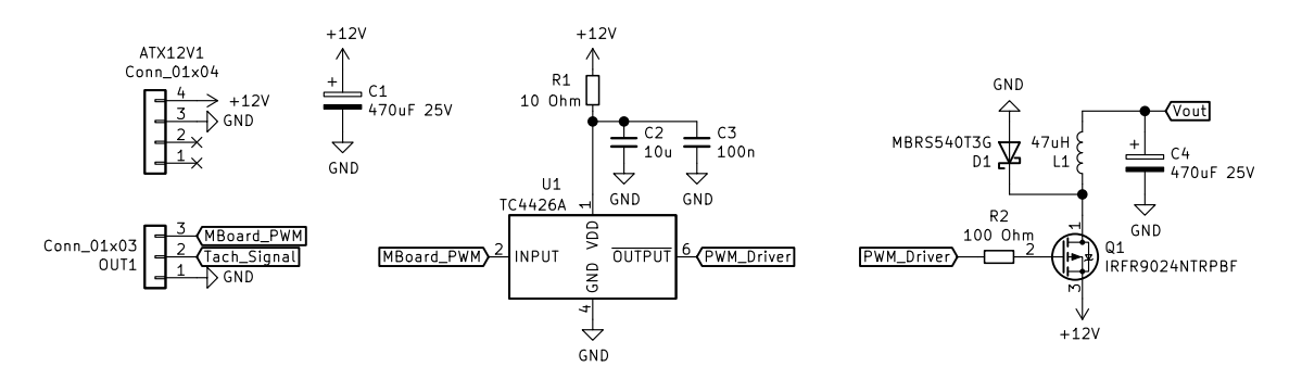
Разумеется, инноваций здесь нет, взял стандартную схему dc-dc на одном мосфете

Добавлено спустя 2 часа 46 минут 43 секунды:
Вот, восстановил схему


Вложения:
изображение_2023-06-09_224316518.png
изображение_2023-06-09_224316518.png [ 55.74 КБ | Просмотров: 13228 ]
 

Member
Статус: Не в сети
Регистрация: 03.08.2005
Откуда: не вспомнил...
Фото: 6
МОА писал(а):
Прошу прощение... и что это за стабилизатор напряжения с 16В на 3В... к чему и как подлячить к 3pin вентилятору от разъема 4pinс шим регулированием оборотов от материнки по температуре...


На фотке кулера схема в общем есть. Если вы не можете прочитать - попробую нарисовать руками в пайнте, только чур не ругаться - я не художник.

#77

Номиналы резисторов есть на фотке кулера, 1000ом подтягивающее от +12В, 270ом к pwm, 100 ом на базе. Соотношение 1000/270 можно менять, что бы получить итоговый нижний предел регулирования, если сделать 500/500 то будет регулировать 6В-11В.
100 ом в базе в принципе не особо нужен - перестраховка от пробоя на базу, можно не ставить.

кондёр - 1-2-3мкф, я поставил на 50В, но если кто найдет на 16В - он еще меньше размером...

Добавлено спустя 42 минуты 41 секунду:
вот тестовая плата, для подбора сопротивлений для конкретных транзисторов, ибо паразитные емкости и все такое:
#77

слева 4 пина для подключения к материнке, сверху вниз:
Земля
12В
Таходатчик
PWM

на колодке транзистора:
зеленый - база
черный - коллектор (к 12В)
красный - эмиттер (на вход 12В кулера)

Справа 3 пина для подключения кулера, сверху вниз:
Земля
12В
Таходатчик

Подключаешь к мамке, втыкаешь кулер, заходишь в биос и отверткой крутишь подстроечники, наблюдая в биосе обороты в реальном времени. Настроил нужные обороты, отключил от мамы, померял сопротивления, дальше паяешь уже постоянные резисторы.


 

Member
Статус: Не в сети
Регистрация: 14.01.2016
Стоят 2 3 пиновых и 2 4 пин.плата msi b660 mortar max.раньше для комплектных 3 пиновых(be quiet pure base 600) настраивал напругой в биосе кривую.сейчас на последнем биосе у 3 пиновых врубается pwm и они тоже нвстраиваются процентно.


 

Junior
Статус: Не в сети
Регистрация: 16.09.2016
Собирал комп на x79 в корпусе интеловского сервака. Родные вентиляторы на корпусе и корзине 3-пиновые, не управлялись.
Нагуглил вот такую штуку: https://www.ozon.ru/product/regulyator- ... 320111706/
Купил - работают.


 

Member
Статус: Не в сети
Регистрация: 22.12.2012
Фото: 1
Купить любой дурак сможет, надо самому собрать.


 

Junior
Статус: Не в сети
Регистрация: 16.09.2016
Sania. писал(а):
Купить любой дурак сможет, надо самому собрать.

Покажи пример. Без покупных деталей.
:haha:


 

Member
Статус: Не в сети
Регистрация: 22.12.2012
Фото: 1
Так тут целая тема в примерах, гартай назад или с первой страницы.
8-)


 

Junior
Статус: Не в сети
Регистрация: 16.09.2016
Слив - засчитан.


 

Member
Статус: Не в сети
Регистрация: 22.12.2012
Фото: 1
Засчитали свой слив, ну вы могёте. Что ж так просто сливаетесь? :haha:


 

Member
Статус: Не в сети
Регистрация: 03.08.2005
Откуда: не вспомнил...
Фото: 6
kn-dima писал(а):
Sania. писал(а):
Купить любой дурак сможет, надо самому собрать.

Покажи пример. Без покупных деталей.
:haha:


См. https://forums.overclockers.ru/viewtopic.php?p=17707075#p17707075 - ни одной детали не покупал. В принципе можно сделать все на SMD компонентах из банального сломанного CDпривода, там же и конденсатор есть и кусок текстолита можно вырезать. Я здесь выкладывал такую фотку с уже установленным преобразователем на кулере. Коннекторы и провода - от лампочек и кнопок старого корпуса можно взять.

Единственно что не помню откуда взял - это биполярный транзистор. Вроде бы из CRT монитора или из компьютерного блока питания или из платы бесперебойника. В любом случае в любом компутерном сгоревшем блоке питания биполярных транзюков 5-10 штук найдется, просто надо повнимательнее выбирать допустимый ток - у меня транзисторы мощные на 3А, хотя там достаточно малогабаритного p-n-р на 0,7-1А, я такие тоже тестировал, все отлично работало и даже не особо грелось...


 

Member
Статус: Не в сети
Регистрация: 20.01.2007
kn-dima писал(а):
Собирал комп на x79 в корпусе интеловского сервака. Родные вентиляторы на корпусе и корзине 3-пиновые, не управлялись.
Нагуглил вот такую штуку: https://www.ozon.ru/product/regulyator- ... 320111706/
Купил - работают.

Уточню - 3пиновые регулируются через это?

#77

_________________
Sitronix - Господин Полковник Sitronix
_____________________________
9800X3D@5.2ГГц фикс, 8.5 часов Prime95 Small FFTs stable, 32Гб + RTX 4090


 

Junior
Статус: Не в сети
Регистрация: 16.09.2016
Ловкий сержант Sitronix писал(а):
Уточню - 3пиновые регулируются через это?


Нет, у меня - одноканальные.


Вложения:
2025-04-11_20-15-44.png
2025-04-11_20-15-44.png [ 105.46 КБ | Просмотров: 4283 ]
Показать сообщения за:  Поле сортировки  
Начать новую тему Новая тема / Ответить на тему Ответить  Сообщений: 300 • Страница 15 из 15<  1 ... 11  12  13  14  15
-

Часовой пояс: UTC + 3 часа


Кто сейчас на конференции

Сейчас этот форум просматривают: нет зарегистрированных пользователей и гости: 7


Вы не можете начинать темы
Вы не можете отвечать на сообщения
Вы не можете редактировать свои сообщения
Вы не можете удалять свои сообщения
Вы не можете добавлять вложения

Перейти:  
Создано на основе phpBB® Forum Software © phpBB Group
Русская поддержка phpBB | Kolobok smiles © Aiwan