Часовой пояс: UTC + 3 часа




Начать новую тему Новая тема / Ответить на тему Ответить  Сообщений: 90 • Страница 4 из 5<  1  2  3  4  5  >
  Пред. тема | След. тема 
В случае проблем с отображением форума, отключите блокировщик рекламы
Автор Сообщение
 

Junior
Статус: Не в сети
Регистрация: 31.01.2013
Подскажите есть ли смысл собирать sli систему на GTX480 на этом железе:
QuadCore Intel Core i5-2500K, 4200 MHz (42 x 100)
Asus Maximus IV Gene-Z
8089 МБ (DDR3-1333 DDR3 SDRAM)(2133)
KINGSTON SVP200S3120G (120 ГБ, SATA-III)
корпус Zalman Z9+
Microsoft Windows 8 Enterprise x64
Интересует, не умрут ли 2 печи на этой мелкой материнке? Как обойтись воздушным охлаждением?



Партнер
 

Junior
Статус: Не в сети
Регистрация: 31.01.2013
MIXone писал(а):
Подскажите есть ли смысл собирать sli систему на GTX480 на этом железе:
QuadCore Intel Core i5-2500K, 4200 MHz (42 x 100)
Asus Maximus IV Gene-Z
8089 МБ (DDR3-1333 DDR3 SDRAM)(2133)
KINGSTON SVP200S3120G (120 ГБ, SATA-III)
корпус Zalman Z9+
Microsoft Windows 8 Enterprise x64
Интересует, не умрут ли 2 печи на этой мелкой материнке? Как обойтись воздушным охлаждением?

Короче смысла не было, но уже поздно... Собрал сли из печ480, в играх жужит жесть как, видюха на которой мониторы висят до 97С греется, хотя она нижняя. Заказал на ебае райзер для разнесения видюх, мбо это в моем случае наименее затратный способ, райзер в 108руб обошелся, но по ходу через полтора месяца тока прийдет. Но в производительности прирост есть, думаю этой связки из видюх еще года на 2-3 хватит, если не сгорят))


 

Junior
Статус: Не в сети
Регистрация: 20.04.2012
В общем случае получается 3 источника тепла (снизу вверх): видеокарта, видеокарта, процессорный кулер. Видеокарта снизу нагревает всё, что выше её. Собственно также делает следующая видеокарта. Верхней видеокарте труднее охлаждать (пытается охладить себя уже теплым воздухом), отсюда несколько выше общая температура компонентов видеокарты и более шумный режим работы вентиляторов.

Процессору с воздушным кулером также не легче. Если нет притока прохладного воздуха с передней стороны корпуса, то также будет в "тепловом мешке".

В моем случае я попробовал поставить "водянку" на верхнюю видеокарту. Всем стало проще, видеокарта не охлаждается теплым воздухом, процессор стал холоднее на 10 градусов.

Для решения притока прохладного воздуха использую корпус Antec Tvelwe Hundred с 4-мя 120 мм фронтальными вентиляторами.


 

Добрый день.
Есть вопрос по охлаждению asus 660x2. Корпус будет CM Storm Stryker.
Проблема в том, что в корпусе нету места чтобы установить кулера сбоку.

Достаточно ли будет на выдув:
200мм сверху
140мм сзади
Вдув:
2х120мм спереди Будет стоять 1 жесткий + 1ссд, думаю проблем с вдувом тут быть не должно.
2х120мм снизу


 

Member
Статус: Не в сети
Регистрация: 08.05.2010
Откуда: Санкт-Петербург
Фото: 10
gidrotex писал(а):
Достаточно ли будет на выдув:


Полагаю, что да.

_________________
основной: MSI Alpha 15 B5EEK-053RU, 15.6", 144 Hz, Ryzen 7 5800H 3.2ГГц, 64ГБ DDR4, 1ТБ SSD + 1ТБ SSD, AMD Radeon RX 6600M - 8192 Мб, Windows 11


 

Junior
Статус: Не в сети
Регистрация: 09.06.2013
gidrotex ИМХО поставить два мощных кулера, чтобы боковой обдув не понадобился вообще
http://pcforsage.com.ua/product/kupit-o ... turbo-ii-/


 

Member
Статус: Не в сети
Регистрация: 06.09.2009
Откуда: UK
MIXone сегодня видел gtx 580 по 120 английских фунтов , новые . Сижу на своих 480"х с водой и поменяю года через полтора - два. А вообще слай из печек - это ужасно .

_________________
Intel Core i7 920 @ 4.2 ghz HT On
Gigabyte EX58-UD5
Patriot Viper 3x2Gb 1600 mhz
Corsair 3x2gb 1600mhz
Nvidia GTX 970
CM Silent Pro 1200w


 

Member
Статус: Не в сети
Регистрация: 08.06.2011
Откуда: Москва
Фото: 30
Прошу совета как правильно организовать охлаждение не референсных карт от гигабайта Windforce x3 SLI GTX 770

Корпус - HAF 932 там стоят две 770 в SLI от гигабайта самое большое что видел 72 градуса и это на нижней плате верхняя выше 68 не поднимается, что очень странно. Вероятно я где-то переборщил или не доборщил, так как у видеокарт система выдува горячего воздуха работает прямо вверх из под радиатора, а у меня навстречу этому потоку лупят 4 -120mm на вдув с боковой стенки и встречаются горячий и холодные потоки.
Охлаждение не референсных карт от Гигабайта Виндфорс происходит вот так, видео воздушного потока.


Сейчас система работает так, Боковые 120-4шт на вдув, фронтальная 230мм на вдув, нижняя 120 у бп на вдув, все остальные на выдув, а это задний 140, верхняя 230 и 120.
1. Фото корпуса HAF932 Advanced
2. Фото корпуса HAF932 Advanced c открытой боковой стенкой, красной стрелкой указаны вентиляторы их много
3. Фото корпуса HAF932 Advanced, расположение видеокарт от Гигабайта 770 Windforce 3x
4. Фото корпуса HAF932 Advanced, верхняя стенка корпуса в вентиляторами работающим на выдув


 

Junior
Статус: Не в сети
Регистрация: 08.07.2013
Откуда: Samara
Добрый вечер!
Внесу свои 5 копеек :)
Решил собрать SLI на базе двух GTX 760. Для этого было куплено следующее железо:
Intel Core i5-4670K;
MSI Z87 MPOWER MAX;
DDR3 4096MB PC12800 1600@1833MHz Samsung;
MSI N760 HAWK, GTX760;
PALIT GeForce GTX 760 JETSTREAM;
БП Zalman ZM750-XG (установлен кулером вниз).
Т.к. карты не референс, то возник вопрос выбора хорошо продуваемого корпуса. Пока взял у знакомого Cooler Master 690 II Advanced с реобасом на 6 каналов. Систему собрал, запустил. Сверху был установлен MSI, через слот ниже PALIT. Для прогрева видеокарт использовался FurMark 1.12.0, для контроля температур CPU - C-Temp, GPU - MSI Afterburner. Для начала выключил все корпусные кулеры, запустил FurMark. Температура достаточно быстро достигла 89 на MSI и 90 на Palit. Далее было много экспериментов с расположением/размером (120/140 мм) кулеров. Если интересно, то могу подробно расписать с картинками, что и как делал. Максимальный эффект получился при следующей конфигурации - на выдув 120 мм на задней стенке, 2х140 мм на выдув сверху, на вдув ничего. Максимальные температуры на картах после 2 часов FurMark'а - MSI 80, PALIT 81-82.

Соответственно возник вопрос - поможет ли смена корпуса на FullTower снизить температуры на картах?


 

Junior
Статус: Не в сети
Регистрация: 24.08.2013
korsar22 писал(а):
Соответственно возник вопрос - поможет ли смена корпуса на FullTower снизить температуры на картах?


Не сильно. Но все зависит от корпуса и как там вентиляторы удастся расположить. Если сбоку будет крепеж для двух вентиляторов -- то да. Можно снизить, если нет -- вряд ли эффект будет заметен.

Вот так эффективно :)
http://math4web.com/1/1.jpg
http://math4web.com/1/2.jpg


 

Junior
Статус: Не в сети
Регистрация: 08.07.2013
Откуда: Samara
soomrack
Эффективно, но не мой вариант :)

У корпуса Cooler Master 690 II на боковой стенке есть места для крепления 2-х 120/140. Пробовал устанавливать на вдув/выдув, эффекта никакого.


 

Junior
Статус: Не в сети
Регистрация: 24.08.2013
korsar22 да, производители корпусов как-то не очень думают про отвод 600+вт тепла с видях.

Может быть тебе поможет полностью изменить поток: выдув спереди, вдув сбоку, воздухопоток около проца отделить от потока видях пластиковой пластиной (вырезать из коробки из под мороженного или т.п.)? Да и вообще сделать направляющие для воздуха, а то он к видяхам почти не поступает, в для организации потока еще внутри корпуса вентилятор поставить -- чтобы по этим направляющим гнать...


 

Junior
Статус: Не в сети
Регистрация: 08.07.2013
Откуда: Samara
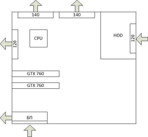
soomrack
Сейчас:
Вложение:
Документ1.jpg
Документ1.jpg [ 15.95 КБ | Просмотров: 7361 ]

Твоё предложение:
Вложение:
Документ2.jpg
Документ2.jpg [ 20.77 КБ | Просмотров: 7361 ]


 

Junior
Статус: Не в сети
Регистрация: 08.07.2013
Откуда: Samara
Собрал 2-й вариант, температура стала колебаться между 80 и 81. ИМХО эффекта никакого.


 

Member
Статус: Не в сети
Регистрация: 26.01.2014
korsar22 писал(а):
Собрал 2-й вариант, температура стала колебаться между 80 и 81. ИМХО эффекта никакого.


разумеется. Нижние 140-ки надо развернуть в обратную сторону. Тогда, возможно, карты похолодеют на 1-2 градуса. Но это трудно заметить. Вообще, хорошая вентиляция корпуса нужна для матки, чтобы ее пассивные радиаторы не охлаждались кипятком из проца/видео.

Кроме того, 80 градусов для 7** серии - это норма. Если уж очень хочется похолоднее... Одна из карт, смотрю, палит. У него есть утилитка Thunder Master. Через нее можно отрегулировать макс допустимую t. Хоть 60 градусов.


 

Официальный представитель
Статус: Не в сети
Регистрация: 19.03.2012
korsar22 Здравствуйте! Смена корпуса практически ничего не изменит. Основная проблема охлаждения в SLI-бутербродах не общее количество воздуха, а поток воздуха (объем в секунду), протекающий мимо радиаторов карт. Собственно, основное достоинство СВО - возможность разнести радиаторы и дать им большие потоки воздуха.
P.S. На 7хх серии карт 80 градусов вполне нормальны. Посмотрите, что карты по одной дают.

_________________
ru_support@palit.com


 

Member
Статус: Не в сети
Регистрация: 16.04.2013
Здравствуйте. В настоящее время, имею одну Sapphire HD 7970 GHz Edition Vapor-X 6 Gb (1100/1500). Сейчас появилась возможность взять такую же для CF, однако меня пугают температуры. Одна HD 7970 GE нагревается при полной нагрузки до 73-75 градусов. Корпус Zalman Z9 U3, вентиляторы стоят штатные (1 сзади на выдув, 1 сверху на выдув, 1 спереди перед хардами на вдув) Есть возможность установить еще 1 вверху и 1 внизу корпуса, также планировал заменить штатные на более эффективные. Материнская плана Asus Sabertooth X79. Хотелось бы узнать, насколько примерно градусов может возрасти температура видеокарт в CF? Какая температура является допустимой на картах AMD? Одно время в PCI-E #2 ставил GTS 250 для реализации Hybrid PhysX, так температура основной HD 7970 в PCI-E #1 возросла на 10 градусов, из-за чего я был вынужден GTS 250 заменить на холодную и однослотовую GT 640 и установить ее в PCI-E #3. Так вот, HD 7970 будет погорячее GTS 250... Хотелось бы совет, стоит ли делать CF из двух таких карт и как грамотно организовать охлаждение? На сколько примерно возрастет температура?

_________________
Sabertooth X79/i7-4930K 3.9 GHz + Zalman CNPS12X/GTX 980 4 Gb/32 Gb RAM 1600 MHz/БП 1050W/SSD 128 Gb + HDD 1 Tb/Zalman Z9 U3


 

Member
Статус: Не в сети
Регистрация: 30.08.2012
Откуда: МСК
Фото: 16
Пример. Для реализации требуются в/к с продольными ребрами на радиаторе. Охлаждение обеспечивает один (!) 120 мм вентилятор на 2000 оборотов. В данной реализации под майнингом было не выше 85 на ядре и не выше тех же 85 на vrm.
Если делать без спешки, ликвидировать места паразитного выхода воздуха, то результаты должны быть лучше.

#77

_________________
Пройдите медицинское обследование, чтобы не допустить онкологии.
Мне помог решиться на обследование тест на nenaprasno.ru


 

Member
Предупреждение 
Статус: Не в сети
Регистрация: 14.12.2013
Откуда: СПБ
Фото: 42
Проблемс

есть комп i7 3770k up (4500 зимой сейчас оставил 4200 :) на камне мачо b&w 780гр +140 вертуха
2x 660 gtx msi (одна твин фроз 3 вторая 4)

в компе 4 вентеля

3x120 (стенка боковая на против видях выдув, стенка задняя на против проца выдув, морда вдув)
1x140 стоит над процом выдув

все это в корпусе SAMA ассасин крид едишн))

бп внизу термалайт 750wt

зимой все ок. но сейчас лето 26-34 гр и все это хозяйство начало грется до 80+ гр...
снял разгон с проца и видях. получше стало 72-76гр макс.. но при этом все равно воняет паленой пластмассой.. и шумит все это пипец...

беспокоит верхняя видяха.. в нагрузке она стабильно +13 гр выше чем нижняя.. и шумит она катастрофически (твин фроз4)

что можно сделать что бы остановить это безобразие??

_________________
仁者见仁,智者见智


 

Junior
Статус: Не в сети
Регистрация: 06.05.2014
Откуда: г.Севастополь
Фото: 10
Моя система:
Процессор i7 2600k
Материнская плата Asus p8p67 Deluxe
Оперативная память Kingston DDR3-2133 12 Gb
HyperX Видеокарта ASUS GeForce GTX 770 SLI
БП Thermaltake ToughPower XT 875W
Корпус Aerocool PGS XPREDATOR Evil Orange

Своё охлаждение сделал таким образом.
2 х 230 мм вентилятора корпусных (шли в комплекте). Один установлен на вдув спереди,второй на выдув под верхней крышкой.
4 х 135 мм вентилятора Zalman ZM-F4 №1 установлен на боковой крышке (снизу) на вдув
№2 установлен на боковой крышке (сверху) на выдув
№3 установлен внутри корпуса (внизу) на вдув (сразу потерял в SLI 5 град)
№4 установлен на задней стороне корпуса на выдув

имеется реобас Aerocool touch 2000 + реобас корпусный (все 135 мм вентиляторы работают на минимальных оборотах 600,
230 мм вентиляторы работают на максимальных оборотах 750)

+ установлено охлаждение на процессор Zalman CNPS10X Optima

В простое температура процессора 37 град (в квартире 28 град), в нагрузке (процессор 60%) 45 град.
В простое температура верхней видеокарты 36 град, нижней - 31 град
В нагрузке ( в Watch dogs - 90% в среднем обе) верхняя-76 град, нижняя-65 град.
Температуры наблюдаю постоянно в реальном времени с помощью программы AIDA 64 v4.00.2700 выведенная на экран Logitech G19 (выслал скрин)


Вложения:
1.jpg
1.jpg [ 53.33 КБ | Просмотров: 6371 ]
IMG_1696.jpg
IMG_1696.jpg [ 198.89 КБ | Просмотров: 6646 ]
IMG_1691.jpg
IMG_1691.jpg [ 298.57 КБ | Просмотров: 6647 ]
IMG_1690.jpg
IMG_1690.jpg [ 262.61 КБ | Просмотров: 6647 ]
IMG_1679.jpg
IMG_1679.jpg [ 281.46 КБ | Просмотров: 6647 ]
Показать сообщения за:  Поле сортировки  
Начать новую тему Новая тема / Ответить на тему Ответить  Сообщений: 90 • Страница 4 из 5<  1  2  3  4  5  >
-

Часовой пояс: UTC + 3 часа


Кто сейчас на конференции

Сейчас этот форум просматривают: нет зарегистрированных пользователей и гости: 13


Вы не можете начинать темы
Вы не можете отвечать на сообщения
Вы не можете редактировать свои сообщения
Вы не можете удалять свои сообщения
Вы не можете добавлять вложения

Перейти:  
Создано на основе phpBB® Forum Software © phpBB Group
Русская поддержка phpBB | Kolobok smiles © Aiwan