Часовой пояс: UTC + 3 часа




Начать новую тему Новая тема / Ответить на тему Ответить  Сообщений: 9 
  Версия для печати (полностью) Пред. тема | След. тема 
В случае проблем с отображением форума, отключите блокировщик рекламы
Автор Сообщение
 

Member
Статус: Не в сети
Регистрация: 29.03.2006
Откуда: Germany
Фото: 8
В общем,есть d5 помпа с pwm и блок управления от d5 next хочу их подружить.
С блока d5 next выходит постоянное напряжение 5-0 вольт для управление скоростью.
Как преобразовать его в шим? Или убрать с d5 шим и сделать управление через постоянное напряжение?
Например тут шим в постоянное
Вложение:
5-LPF-for-PWM-to-V-Conversion.png
5-LPF-for-PWM-to-V-Conversion.png [ 17.24 КБ | Просмотров: 2935 ]

а нужно наоборот

_________________
and00--AndreyR73



Партнер
 

Moderator
Статус: Не в сети
Регистрация: 21.10.2007
Откуда: РФ
Фото: 24
and00
Вопрос сбоку: нафига управлять скоростью? 1 раз выставил на "комфортном" уровне шума и забыл.

_________________
За сообщение вида "Не могу создать тему в барахолке. Почему?“ будет ЖК 1 месяц за нарушение п. 2.1 правил конференции - игнорирование поиска.


 

Member
Статус: Не в сети
Регистрация: 29.03.2006
Откуда: Germany
Фото: 8
danil_sneg
Так оно всегда и делается.Но без сигнала пвм не выставляется.

_________________
and00--AndreyR73


 

Moderator
Статус: Не в сети
Регистрация: 21.10.2007
Откуда: РФ
Фото: 24
and00
Не оч понял... В материнке нет разъема с pwm?
У меня 2шт d5 от ек, питание от молекса, провод от pwm в материнку.

_________________
За сообщение вида "Не могу создать тему в барахолке. Почему?“ будет ЖК 1 месяц за нарушение п. 2.1 правил конференции - игнорирование поиска.


 

Member
Статус: Не в сети
Регистрация: 29.03.2006
Откуда: Germany
Фото: 8
danil_sneg писал(а):
Не оч понял... В материнке нет разъема с pwm?
У меня 2шт d5 от ек, питание от молекса, провод от pwm в материнку.

Всё есть,но я хочу именно
and00 писал(а):
есть d5 помпа с pwm и блок управления от d5 next хочу их подружить.

_________________
and00--AndreyR73


 

Member
Статус: Не в сети
Регистрация: 24.12.2009
Фото: 250
#77

Добавлено спустя 14 минут 17 секунд:
У некоторых матплат может быть два разъёма для подключения вентиляторов около сокета, один из них CPU_OPT как раз можно использовать для подключения помп с PWM.

Добавлено спустя 22 секунды:
#77

_________________
Для увеличения производительности РС нужны только три вещи....


 

Member
Статус: Не в сети
Регистрация: 29.03.2006
Откуда: Germany
Фото: 8
ЗлойГеймер
Спасибо,но не совсем то,что нужно.

_________________
and00--AndreyR73


 

Member
Статус: Не в сети
Регистрация: 16.11.2007
Откуда: Крым, Земля!
Фото: 4
and00 писал(а):
а нужно наоборот

https://www.amazon.com/Voltage-Converte ... B0DRCSSNV9 https://www.otronic.nl/en/voltage-to-pw ... 0-10v.html
"Voltage to PWM Converter" - дальше думаю сами?

Добавлено спустя 1 минуту 39 секунд:
Ещё для почитать: https://electronics.stackexchange.com/q ... -frequency

_________________
Хочешь сделать людям хорошо — сделай плохо, а потом верни, как было.
Hi Jack - Hi! Hijack - Hi!
Broni всех стран объединяйтесь!


 

Member
Статус: Не в сети
Регистрация: 29.03.2006
Откуда: Germany
Фото: 8
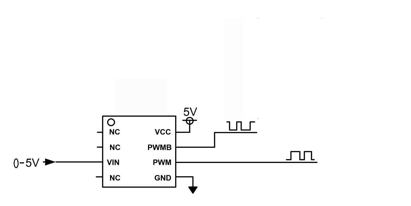
Проблему давно решил с помощью такого простого конвертера
Вложение:
12.jpg
12.jpg [ 41.13 КБ | Просмотров: 1141 ]

Частота ШИМ 20 кГц,заполнение ШИМ 0-100 %.

_________________
and00--AndreyR73


Показать сообщения за:  Поле сортировки  
Начать новую тему Новая тема / Ответить на тему Ответить  Сообщений: 9 
-

Часовой пояс: UTC + 3 часа


Кто сейчас на конференции

Сейчас этот форум просматривают: нет зарегистрированных пользователей и гости: 11


Вы не можете начинать темы
Вы не можете отвечать на сообщения
Вы не можете редактировать свои сообщения
Вы не можете удалять свои сообщения
Вы не можете добавлять вложения

Перейти:  
Создано на основе phpBB® Forum Software © phpBB Group
Русская поддержка phpBB | Kolobok smiles © Aiwan